ADAPTIVE VARIABLE SUSPENSION SYSTEM, Diagnostic DTC:C1731, C1732, C1733, C1734

DTC Code DTC Name
C1731 Front Damping Force Control Actuator RH Circuit Malfunction
C1732 Front Damping Force Control Actuator LH Circuit Malfunction
C1733 Rear Damping Force Control Actuator RH Circuit Malfunction
C1734 Rear Damping Force Control Actuator LH Circuit Malfunction

DESCRIPTION

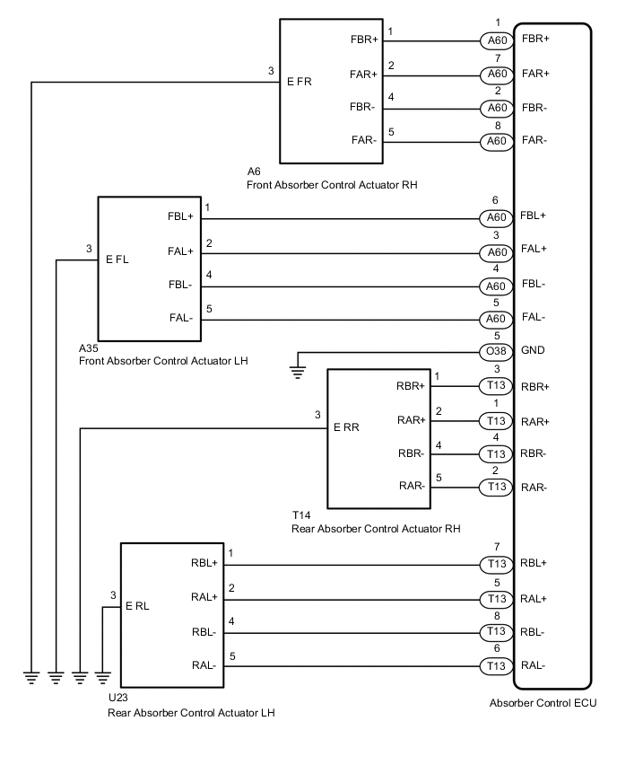
The absorber control actuator changes the damping force depending on absorber control ECU signals.

DTC No. Detection Item DTC Detection Condition Trouble Area Warning Indicate Note
C1731 Front Damping Force Control Actuator RH Circuit Malfunction

Either condition is met:


  • The front absorber control actuator RH is not being powered and an open circuit is detected between the front absorber control actuator RH and absorber control ECU for 1 second or more using the open detection circuit.

  • The front absorber control actuator RH is being powered and a short circuit is detected between the front absorber control actuator RH and absorber control ECU 8 times consecutively.*


  • Front absorber control actuator RH

  • Harness or connector

  • Absorber control ECU

Does not come on -
C1732 Front Damping Force Control Actuator LH Circuit Malfunction

Either condition is met:


  • The front absorber control actuator LH is not being powered and an open circuit is detected between the front absorber control actuator LH and absorber control ECU for 1 second or more using the open detection circuit.

  • The front absorber control actuator LH is being powered and a short circuit is detected between the front absorber control actuator LH and absorber control ECU 8 times consecutively.*


  • Front absorber control actuator LH

  • Harness or connector

  • Absorber control ECU

Does not come on -
C1733 Rear Damping Force Control Actuator RH Circuit Malfunction

Either condition is met:


  • The rear absorber control actuator RH is not being powered and an open circuit is detected between the rear absorber control actuator RH and absorber control ECU for 1 second or more using the open detection circuit.

  • The rear absorber control actuator RH is being powered and a short circuit is detected between the rear absorber control actuator RH and absorber control ECU 8 times consecutively.*


  • Rear absorber control actuator RH

  • Harness or connector

  • Absorber control ECU

Does not come on -
C1734 Rear Damping Force Control Actuator LH Circuit Malfunction

Either condition is met:


  • The rear absorber control actuator LH is not being powered and an open circuit is detected between the rear absorber control actuator LH and absorber control ECU for 1 second or more using the open detection circuit.

  • The rear absorber control actuator LH is being powered and a short circuit is detected between the rear absorber control actuator LH and absorber control ECU 8 times consecutively.*


  • Front absorber control actuator LH

  • Harness or connector

  • Absorber control ECU

Does not come on -

*: When a short circuit is detected, the absorber control actuator operation is momentarily stopped and then resumes after a certain period of time. A malfunction is detected when a short circuit is detected 8 times consecutively while the absorber control actuator is being powered.

WIRING DIAGRAM

B004EP0E02

CAUTION / NOTICE / HINT

Note


  • Before performing troubleshooting, inspect the connectors of related circuits.

  • If DTC C1782 (Power Source Voltage Malfunction) is output at the same time, perform troubleshooting for C1782 first.

    Click here

  • Before replacing the absorber control ECU, perform all of the following again: 1) symptom simulation ; 2) DTC inspection; and 3) GTS inspection (ECU Data List or Active Test Click here). If no malfunctions are found in other areas, replace the absorber control ECU.

  • When the absorber control ECU is replaced, switch to test mode and check that all test mode DTCs are cleared when their respective deletion conditions are met.

    Click here

PROCEDURE


  1. CLEAR DTC


    1. Clear the DTCs.

      Click here

      Result
      Proceed to
      NEXT

    NEXT
  2. PERFORM ACTIVE TEST USING GTS (DAMPER STEP)


    1. Turn the power switch off.

    2. Connect the GTS to the DLC3.

    3. Turn the power switch on (IG).

    4. Turn the GTS on.

    5. Enter the following menus: Chassis / Air suspension /Active Test.


      Chassis > Air suspension > Active Test
      Tester Display Measurement Item Control Range Diagnostic Note
      Damper Step FR Changes damper step (front RH) 1 to 17 step The shock absorber hardens as the damper step increases.
      Damper Step FL Changes damper step (front LH) 1 to 17 step The shock absorber hardens as the damper step increases.
      Damper Step RR Changes damper step (rear RH) 1 to 17 step The shock absorber hardens as the damper step increases.
      Damper Step RL Changes damper step (rear LH) 1 to 17 step The shock absorber hardens as the damper step increases.

      Chassis > Air suspension > Active Test
      Tester Display
      Damper Step FR

      Chassis > Air suspension > Active Test
      Tester Display
      Damper Step FL

      Chassis > Air suspension > Active Test
      Tester Display
      Damper Step RR

      Chassis > Air suspension > Active Test
      Tester Display
      Damper Step RL
    6. Check if the absorber control actuator operates to harden the suspension with the GTS.

      OK
      The absorber control actuator operates.
      Result
      Proceed to
      OK
      NG

    NG
    OK
  3. RECONFIRM DTC


    1. Check that the same DTC is output.

      Click here


      Chassis > Air suspension > Trouble Codes
      Result
      Result Proceed to
      DTC is output A
      DTC is not output B

    B
    A
  4. INSPECT ABSORBER CONTROL ACTUATOR OF WHEEL TO BE INSPECTED


    1. Turn the power switch off.

    2. Remove the absorber control actuator for the front side or rear side Click here.

    3. Inspect the absorber control actuator for the front side or rear side Click here.

      Result
      Result Proceed to
      OK A
      Front absorber control actuator RH malfunction B
      Front absorber control actuator LH malfunction C
      Rear absorber control actuator RH malfunction D
      Rear absorber control actuator LH malfunction E

    B
    C
    D
    E
    A
  5. CHECK HARNESS AND CONNECTOR (ABSORBER CONTROL ACTUATOR - ABSORBER CONTROL ECU)


    1. B004EESC04
      *A for Front RH
      *B for Front LH
      *a

      Front view of wire harness connector

      (to Absorber Control ECU)

      Check the front absorber control actuator harness and connector.


      1. Connect the A6 and/or A35 front absorber control actuator connector.

      2. Disconnect the A60 absorber control ECU connector.

      3. Measure the resistance according to the value(s) in the table below.

        Standard Resistance
        for Front RH (for DTC C1731)
        Tester Connection Condition Specified Condition
        A60-1 (FBR+) - Body ground Always 12.0 to 12.8 Ω
        A60-2 (FBR-) - Body ground Always 12.0 to 12.8 Ω
        A60-7 (FAR+) - Body ground Always 12.0 to 12.8 Ω
        A60-8 (FAR-) - Body ground Always 12.0 to 12.8 Ω
        for Front LH (for DTC C1732)
        Tester Connection Condition Specified Condition
        A60-3 (FAL+) - Body ground Always 12.0 to 12.8 Ω
        A60-5 (FAL-) - Body ground Always 12.0 to 12.8 Ω
        A60-6 (FBL+) - Body ground Always 12.0 to 12.8 Ω
        A60-4 (FBL-) - Body ground Always 12.0 to 12.8 Ω
    2. B004EU6C04
      *A for Rear RH
      *B for Rear LH
      *a

      Front view of wire harness connector

      (to Absorber Control ECU)

      Check the rear absorber control actuator harness and connector.


      1. Connect the T14 and/or U23 rear absorber control actuator connector.

      2. Disconnect the T13 absorber control ECU connector.

      3. Measure the resistance according to the value(s) in the table below.

        Standard Resistance
        for Rear RH (for DTC C1733)
        Tester Connection Condition Specified Condition
        T13-1 (RAR+) - Body ground Always 12.0 to 12.8 Ω
        T13-2 (RAR-) - Body ground Always 12.0 to 12.8 Ω
        T13-3 (RBR+) - Body ground Always 12.0 to 12.8 Ω
        T13-4 (RBR-) - Body ground Always 12.0 to 12.8 Ω
        for Rear LH (for DTC C1734)
        Tester Connection Condition Specified Condition
        T13-5 (RAL+) - Body ground Always 12.0 to 12.8 Ω
        T13-6 (RAL-) - Body ground Always 12.0 to 12.8 Ω
        T13-7 (RBL+) - Body ground Always 12.0 to 12.8 Ω
        T13-8 (RBL-) - Body ground Always 12.0 to 12.8 Ω
      Result
      Proceed to
      OK
      NG

    OK
    NG