СИСТЕМА ПОДОГРЕВА СИДЕНИЙ Не работает подогреватель правого заднего сиденья

Код DTC Наименование DTC
Не работает подогреватель правого заднего сиденья

ОПИСАНИЕ

Когда изменяется положение переключателя обдува сиденья (заднего), блок управления системой кондиционирования получает сигнал и приводит в действие подогреватель соответствующего заднего сиденья.

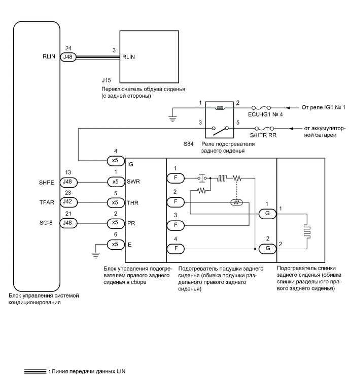
СХЕМА ЭЛЕКТРИЧЕСКИХ СОЕДИНЕНИЙ

B426057E06

ПРЕДОСТЕРЕЖЕНИЕ / ПРИМЕЧАНИЕ / УКАЗАНИЕ

Note:
  • При низком напряжении аккумуляторной батареи система подогрева сидений может не работать. Если сообщение "Operation of Electrical Items Restricted" (работа электрических устройств ограничена) отображается на мультиинформационном дисплее в щитке приборов в сборе, проверьте аккумуляторную батарею, обратившись к проверки системы зарядки без снятия с автомобиля.

    Нажмите здесьClick here

  • При низком напряжении аккумуляторной батареи система подогрева сидений может не работать. Если сообщение "Operation of Electrical Items Restricted" (работа электрических устройств ограничена) не отображается на мультиинформационном дисплее щитка приборов в сборе, проверьте параметр Data List "Battery Control Count (Body ECU)".

    Нажмите здесьClick here

  • Перед выполнением последующей процедуры проверки проверьте плавкие предохранители цепей, относящихся к данной системе.

ПОРЯДОК ВЫПОЛНЕНИЯ

  1. УДАЛИТЕ DTC

    1. Удалите коды DTC.

      Нажмите здесьClick here

      Body Electrical > Air Conditioner > Clear DTCs

    Result

    Перейти к

    СЛЕДУЮЩЕЕ -

    СЛЕДУЮЩЕЕ -
  2. ПРОВЕРЬТЕ DTC

    1. Проверьте наличие кодов DTC.

      Нажмите здесьClick here

      Body Electrical > Air Conditioner > Trouble Codes

      OK

      DTC B14B3 или B14C2 не выводится.

      Результат

      Перейти к

      OK

      НЕ СООТВ.

    НЕ СООТВ.

    ПЕРЕЙДИТЕ К "ТАБЛИЦЕ ДИАГНОСТИЧЕСКИХ КОДОВ НЕИСПРАВНОСТЕЙ"

    Нажмите здесьClick here

    СООТВ
  3. ПРОВЕРЬТЕ ЖГУТ ПРОВОДОВ И РАЗЪЕМ (ИСТОЧНИК ПИТАНИЯ IG – БЛОК УПРАВЛЕНИЯ ПОДОГРЕВАТЕЛЕМ СИДЕНЬЯ (ПРАВОГО ЗАДНЕГО) – МАССА)

    1. B426071C10

      *a

      Вид спереди разъема со стороны жгута проводов:

      (к блоку управления подогревателем сиденья (правого заднего))

      Отсоедините разъем x5 блока управления подогревателем сиденья (правого заднего).

    2. Измерьте напряжение и сопротивление и сравните с допустимыми значениями, указанными в следующей таблице.

      Номинальное напряжение

      Подключение диагностического прибора

      Условие

      Заданные условия

      x5-4 (IG) - масса

      Выключатель зажигания в состоянии ON (ВКЛ) (IG)

      11-14 В

      x5-4 (IG) - масса

      Зажигание выключено

      Менее 1 В

      Номинальное сопротивление

      Подключение диагностического прибора

      Условие

      Заданные условия

      x5-6 (E) - масса

      Всегда

      Менее 1 Ом

    Результат

    Перейти к

    OK

    НЕ СООТВ.

    НЕ СООТВ.

    ПРОВЕРЬТЕ РЕЛЕ ПОДОГРЕВАТЕЛЯ ЗАДНЕГО СИДЕНЬЯClick here

    СООТВ
  4. ПРОВЕРЬТЕ ПОДОГРЕВАТЕЛЬ ПОДУШКИ ЗАДНЕГО СИДЕНЬЯ (ОБИВКУ ПОДУШКИ РАЗДЕЛЬНОГО ЗАДНЕГО СИДЕНЬЯ (С ПРАВОЙ СТОРОНЫ))

    1. Снимите подогреватель подушки заднего сиденья (обивку подушки раздельного заднего сиденья (с правой стороны)).

      Нажмите здесьClick hereClick here

    2. Проверьте подогреватель подушки заднего сиденья (обивку подушки раздельного заднего сиденья (с правой стороны)).

      Нажмите здесьClick here

    Результат

    Перейти к

    OK

    НЕ СООТВ.

    НЕ СООТВ.

    ЗАМЕНИТЕ ПОДОГРЕВАТЕЛЬ ПОДУШКИ ЗАДНЕГО СИДЕНЬЯ (ОБИВКУ ПОДУШКИ РАЗДЕЛЬНОГО ЗАДНЕГО СИДЕНЬЯ (С ПРАВОЙ СТОРОНЫ))

    Нажмите здесьClick hereClick here

    СООТВ
  5. ПРОВЕРЬТЕ ПОДОГРЕВАТЕЛЬ СПИНКИ ЗАДНЕГО СИДЕНЬЯ (ОБИВКУ СПИНКИ РАЗДЕЛЬНОГО ЗАДНЕГО СИДЕНЬЯ (С ПРАВОЙ СТОРОНЫ))

    1. Снимите подогреватель спинки заднего сиденья (обивку спинки раздельного заднего сиденья (с правой стороны)).

      Нажмите здесьClick hereClick here

    2. Проверьте подогреватель спинки заднего сиденья (обивку спинки раздельного заднего сиденья (с правой стороны)).

      Нажмите здесьClick here

    Результат

    Перейти к

    OK

    НЕ СООТВ.

    НЕ СООТВ.

    ЗАМЕНИТЕ ПОДОГРЕВАТЕЛЬ СПИНКИ ЗАДНЕГО СИДЕНЬЯ (ОБИВКУ СПИНКИ РАЗДЕЛЬНОГО ЗАДНЕГО СИДЕНЬЯ (С ПРАВОЙ СТОРОНЫ))

    Нажмите здесьClick hereClick here

    СООТВ
  6. ПРОВЕРЬТЕ ЖГУТ ПРОВОДОВ И РАЗЪЕМ (БЛОК УПРАВЛЕНИЯ СИСТЕМОЙ КОНДИЦИОНИРОВАНИЯ – БЛОК УПРАВЛЕНИЯ ПОДОГРЕВАТЕЛЕМ СИДЕНЬЯ (ПРАВОГО ЗАДНЕГО) В СБОРЕ)

    1. Отсоедините разъемы J42 и J48 блока управления системой кондиционирования.

    2. Измерьте сопротивление в соответствии со значениями, приведенными в таблице ниже.

      Номинальное сопротивление

      Подключение диагностического прибора

      Условие

      Заданные условия

      J48-13 (SHPE) - x5-1 (SWR)

      Всегда

      Менее 1 Ом

      J48-13 (SHPE) или x5-1 (SWR) - масса

      Всегда

      10 кОм или более

      J42-23 (TFAR) - x5-5 (THR)

      Всегда

      Менее 1 Ом

      J42-23 (TFAR) или x5-5 (THR) - масса

      Всегда

      10 кОм или более

      J48-21 (SG-8) - X5-2 (PR)

      Всегда

      Менее 1 Ом

      J48-21 (SG-8) или X5-2 (PR) - масса

      Всегда

      10 кОм или более

    Результат

    Перейти к

    OK

    НЕ СООТВ.

    НЕ СООТВ.

    ОТРЕМОНТИРУЙТЕ ИЛИ ЗАМЕНИТЕ ЖГУТ ПРОВОДОВ ИЛИ РАЗЪЕМ

    СООТВ
  7. ЗАМЕНИТЕ БЛОК УПРАВЛЕНИЯ ПОДОГРЕВАТЕЛЕМ СИДЕНЬЯ (ПРАВОГО ЗАДНЕГО) В СБОРЕ

    1. Временно замените блок управления подогревателем сиденья (правого заднего) в сборе новым или заведомо исправным.

      Нажмите здесьClick hereClick here

    Результат

    Перейти к

    СЛЕДУЮЩЕЕ -

    СЛЕДУЮЩЕЕ -
  8. ПРОВЕРЬТЕ РАБОТУ ПОДОГРЕВАТЕЛЯ СИДЕНЬЯ

    1. Проверьте работу подогревателя заднего сиденья.

      Нажмите здесьClick here

      OK

      Подогреватель сиденья работает нормально.

    Result

    Перейти к

    OK

    НЕ СООТВ.

    OK

    КОНЕЦ (БЛОК УПРАВЛЕНИЯ ПОДОГРЕВАТЕЛЕМ СИДЕНЬЯ (ПРАВОГО ЗАДНЕГО) В СБОРЕ НЕИСПРАВЕН)

    NG
  9. ЗАМЕНИТЕ ПЕРЕКЛЮЧАТЕЛЬ ОБДУВА СИДЕНЬЯ (ЗАДНЕГО)

    1. Временно замените переключатель обдува сиденья (заднего) новым или заведомо исправным.

      Нажмите здесьClick here

    Результат

    Перейти к

    СЛЕДУЮЩЕЕ -

    СЛЕДУЮЩЕЕ -
  10. ПРОВЕРЬТЕ РАБОТУ ПОДОГРЕВАТЕЛЯ СИДЕНЬЯ

    1. Проверьте работу подогревателя заднего сиденья.

      Нажмите здесьClick here

      OK

      Подогреватель сиденья работает нормально.

    Result

    Перейти к

    OK

    НЕ СООТВ.

    OK

    КОНЕЦ (ПЕРЕКЛЮЧАТЕЛЬ ОБДУВА СИДЕНЬЯ (ЗАДНЕГО) НЕИСПРАВЕН)

    NG

    ЗАМЕНИТЕ БЛОК УПРАВЛЕНИЯ СИСТЕМОЙ КОНДИЦИОНИРОВАНИЯ

    Нажмите здесьClick hereClick here

  11. ПРОВЕРЬТЕ РЕЛЕ ПОДОГРЕВАТЕЛЯ ЗАДНЕГО СИДЕНЬЯ

    1. Проверьте реле подогревателя заднего сиденья.

      Нажмите здесьClick here

    Результат

    Перейти к

    OK

    НЕ СООТВ.

    НЕ СООТВ.

    ЗАМЕНИТЕ РЕЛЕ ПОДОГРЕВАТЕЛЯ ЗАДНЕГО СИДЕНЬЯ

    СООТВ
  12. ПРОВЕРЬТЕ ЖГУТ ПРОВОДОВ И РАЗЪЕМ (ИСТОЧНИК ПИТАНИЯ IG – РЕЛЕ ПОДОГРЕВАТЕЛЯ ЗАДНЕГО СИДЕНЬЯ)

    1. Измерьте напряжение в соответствии со значениями, приведенными в таблице.

      Номинальное напряжение

      Подключение диагностического прибора

      Условие

      Заданные условия

      S84-2 - масса

      Выключатель зажигания в состоянии ON (ВКЛ) (IG)

      От 11 В до 14 В

      S84-5 - масса

      Всегда

      От 11 В до 14 В

    Результат

    Перейти к

    OK

    НЕ СООТВ.

    НЕ СООТВ.

    ОТРЕМОНТИРУЙТЕ ИЛИ ЗАМЕНИТЕ ЖГУТ ПРОВОДОВ ИЛИ РАЗЪЕМ

    СООТВ
  13. ПРОВЕРЬТЕ ЖГУТ ПРОВОДОВ И РАЗЪЕМ (РЕЛЕ ПОДОГРЕВАТЕЛЯ ЗАДНЕГО СИДЕНЬЯ – БЛОК УПРАВЛЕНИЯ ПОДОГРЕВАТЕЛЕМ СИДЕНЬЯ (ПРАВОГО ЗАДНЕГО) В СБОРЕ)

    1. Отсоедините разъем x5 блока управления подогревателем сиденья (правого заднего).

    2. Измерьте сопротивление в соответствии со значениями, приведенными в таблице ниже.

      Номинальное сопротивление

      Подключение диагностического прибора

      Условие

      Заданные условия

      S84-3 - x5-4 (IG)

      Всегда

      Менее 1 Ом

      S84-3 или x5-4 (IG) - масса

      Всегда

      10 кОм или более

    Результат

    Перейти к

    OK

    НЕ СООТВ.

    НЕ СООТВ.

    ОТРЕМОНТИРУЙТЕ ИЛИ ЗАМЕНИТЕ ЖГУТ ПРОВОДОВ ИЛИ РАЗЪЕМ

    СООТВ
  14. ПРОВЕРЬТЕ ЖГУТ ПРОВОДОВ И РАЗЪЕМ (РЕЛЕ ПОДОГРЕВАТЕЛЯ ЗАДНЕГО СИДЕНЬЯ – МАССА)

    1. Измерьте сопротивление в соответствии со значениями, приведенными в таблице ниже.

      Номинальное сопротивление

      Подключение диагностического прибора

      Условие

      Заданные условия

      S84-1 - масса

      Всегда

      Менее 1 Ом

    Результат

    Перейти к

    OK

    НЕ СООТВ.

    OK

    ВЫПОЛНИТЕ ПРОВЕРКУ С ИМИТАЦИЕЙ УСЛОВИЙ ВОЗНИКНОВЕНИЯ НЕИСПРАВНОСТИ

    Нажмите здесьClick hereClick here

    NG

    ОТРЕМОНТИРУЙТЕ ИЛИ ЗАМЕНИТЕ ЖГУТ ПРОВОДОВ ИЛИ РАЗЪЕМ