TIRE PRESSURE WARNING SYSTEM TC and CG Terminal Circuit

DTC Code DTC Name
TC and CG Terminal Circuit

DESCRIPTION

Tire pressure warning system DTCs can be checked by connecting terminals 13 (TC) and 4 (CG) of the DLC3. The DTCs are indicated by blinking the tire pressure warning light.

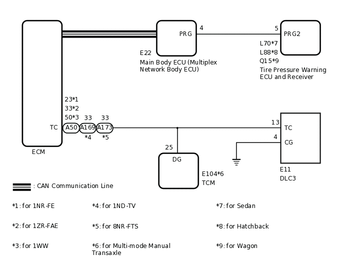
WIRING DIAGRAM

C390580E01

PROCEDURE

  1. CHECK CAN COMMUNICATION SYSTEM

    1. Check for DTCs.

      w/o Central Gateway ECU:

      Click here

      w/ Central Gateway ECU:

      Click here

    Result

    Result

    Proceed to

    DTCs are not output.

    A

    DTCs are output.

    B

    B

    GO TO CAN COMMUNICATION SYSTEM

    w/o Central Gateway ECU:

    Click here

    w/ Central Gateway ECU:

    Click here

    A
  2. CHECK DTC (C2179/79)

    1. Check if DTC C2179/79 is output.

      Click here

    Result

    Result

    Proceed to

    DTC C2179/79 is not output.

    A

    DTC C2179/79 is output.

    B

    B

    GO TO DTC C2179/79

    A
  3. CHECK HARNESS AND CONNECTOR (TC of DLC3 - ECM AND TCM)

    1. Disconnect the A50, A169 or A173 ECM connector.

    2. for Multi-mode Manual Transaxle:

      Disconnect the E104 TCM connector.

    3. Measure the resistance according to the value(s) in the table below.

      Standard Resistance

      Table 1. for 1NR-FE:

      Tester Connection

      Condition

      Specified Condition

      E11-13 (TC) - A50-23 (TC)

      Always

      Below 1 Ω

      E11-13 (TC) or A50-23 (TC) - Body ground

      Always

      10 kΩ or higher

      Table 2. for 1ZR-FAE:

      Tester Connection

      Condition

      Specified Condition

      E11-13 (TC) - A50-33 (TC)

      Always

      Below 1 Ω

      E11-13 (TC) or A50-33 (TC) - Body ground

      Always

      10 kΩ or higher

      Table 3. for 1WW:

      Tester Connection

      Condition

      Specified Condition

      E11-13 (TC) - A50-50 (TC)

      Always

      Below 1 Ω

      E11-13 (TC) or A50-50 (TC) - Body ground

      Always

      10 kΩ or higher

      Table 4. for 1ND-TV:

      Tester Connection

      Condition

      Specified Condition

      E11-13 (TC) - A169-33 (TC)

      Always

      Below 1 Ω

      E11-13 (TC) or A169-33 (TC) - Body ground

      Always

      10 kΩ or higher

      Table 5. for 8NR-FTS:

      Tester Connection

      Condition

      Specified Condition

      E11-13 (TC) - A173-33 (TC)

      Always

      Below 1 Ω

      E11-13 (TC) or A173-33 (TC) - Body ground

      Always

      10 kΩ or higher

      Table 6. for Multi-mode Manual Transaxle:

      Tester Connection

      Condition

      Specified Condition

      E11-13 (TC) - E104-25 (TC)

      Always

      Below 1 Ω

      E11-13 (TC) or E104-25 (TC) - Body ground

      Always

      10 kΩ or higher

    Result

    Proceed to

    OK

    NG

    NG

    REPAIR OR REPLACE HARNESS OR CONNECTOR

    OK
  4. CHECK HARNESS AND CONNECTOR (CG of DLC3 - BODY GROUND)

    1. C207407C78

      *a

      Front view of DLC3

      Measure the resistance according to the value(s) in the table below.

      Standard Resistance

      Tester Connection

      Condition

      Specified Condition

      E11-4 (CG) - Body ground

      Always

      Below 1 Ω

    Result

    Proceed to

    OK

    NG

    OK

    PROCEED TO NEXT SUSPECTED AREA SHOWN IN PROBLEM SYMPTOMS TABLE

    NG

    REPAIR OR REPLACE HARNESS OR CONNECTOR