СИСТЕМА ПОДУШЕК БЕЗОПАСНОСТИ SRS, диагностический DTC: B1660/43

Код DTC Наименование DTC
B1660/43 Неисправность в цепи контрольной лампы включения/выключения передней подушки безопасности пассажира

ОПИСАНИЕ

Цепь контрольной лампы включения/выключения передней подушки безопасности пассажира включает датчик системы SRS и контрольную лампу включения/выключения передней подушки безопасности пассажира (радиоприемник в сборе).

Контрольная лампа включения/выключения передней подушки безопасности пассажира указывает режим работы фронтальной подушки безопасности переднего пассажира в сборе, а также подушки безопасности в подушке переднего сиденья в сборе (со стороны пассажира).

Код DTC B1660/43 регистрируется при обнаружении неисправности цепи контрольной лампы включения/выключения передней подушки безопасности пассажира.

№ DTC

Неисправность

Условие обнаружения DTC

Неисправный участок

Режим диагностики / режим проверки

B1660/43

Неисправность в цепи контрольной лампы включения/выключения передней подушки безопасности пассажира

  • Датчик системы SRS обнаруживает сигнал короткого замыкания в линии, короткого замыкания на массу или B+, или обрыва в цепи контрольной лампы включения/выключения передней подушки безопасности пассажира.

  • Неисправность контрольной лампы включения/выключения передней подушки безопасности пассажира

  • Неисправность блока управления системы SRS

  • Жгут проводов панели приборов

  • Распределительный блок панели приборов в сборе

  • Контрольная лампа включения/выключения передней подушки безопасности пассажира (радиоприемник в сборе)

  • Блок управления системы SRS

Не относится к режиму диагностики/проверки

СХЕМА ЭЛЕКТРИЧЕСКИХ СОЕДИНЕНИЙ

  1. для моделей без системы навигации:

    C341967E01
  2. Для моделей с системой навигации:

    C341966E01

ПРЕДОСТЕРЕЖЕНИЕ / ПРИМЕЧАНИЕ / УКАЗАНИЕ

Note:
  • После выключения зажигания следует подождать некоторое время, прежде чем отсоединять провод от отрицательного (-) вывода вспомогательной аккумуляторной батареи. Поэтому, прежде чем приступать к этой работе, обязательно ознакомьтесь с примечанием относительно отсоединения провода от отрицательного (-) вывода вспомогательной аккумуляторной батареи.

    Нажмите здесьClick hereClick hereClick here

  • Перед выполнением последующей процедуры проверки проверьте плавкие предохранители цепей, относящихся к данной системе.

ПОРЯДОК ВЫПОЛНЕНИЯ

  1. ПРОВЕРЬТЕ СОСТОЯНИЕ КОНТРОЛЬНОЙ ЛАМПЫ ВКЛЮЧЕНИЯ/ВЫКЛЮЧЕНИЯ ПЕРЕДНЕЙ ПОДУШКИ БЕЗОПАСНОСТИ ПАССАЖИРА

    1. Включите выключатель (IG).

    2. Проверьте работу контрольной лампы выключения передней подушки безопасности пассажира

      Tip:

      См. нормальный режим работы контрольной лампы включения/выключения передней подушки безопасности пассажира.

      Нажмите здесьClick hereClick here

    Result

    Result

    Перейдите к

    Контрольная лампа включения/выключения постоянно включена.

    A

    Контрольная лампа включения/выключения постоянно выключена.

    B

    B

    ПРОВЕРЬТЕ РАЗЪЕМЫClick here

    A
  2. ПРОВЕРЬТЕ РАЗЪЕМЫ

    1. Выключите питание.

    2. Отсоедините провод от отрицательного (-) вывода вспомогательной аккумуляторной батареи.

      CAUTION:

      После отсоединения провода от отрицательного (-) вывода вспомогательной аккумуляторной батареи подождите не менее 90 с, чтобы предотвратить срабатывание системы SRS.

    3. Проверьте правильность подключения разъемов к блоку управления системы SRS в сборе, радиоприемнику в сборе и распределительному блоку панели приборов в сборе.

      OK

      Разъемы подсоединены должным образом.

      Tip:

      Если разъемы подсоединены ненадежно, подсоедините их и перейдите к следующей проверке.

    4. Отсоедините разъемы от блока управления системы SRS в сборе, радиоприемника в сборе и распределительного блока панели приборов в сборе.

    5. Убедитесь, что контакты разъемов не деформированы и не повреждены.

      OK

      Контакты не деформированы и не повреждены.

    Результат

    Перейти к

    OK

    НЕ СООТВ.

    НЕ СООТВ.

    ЗАМЕНИТЕ ЖГУТ ПРОВОДОВ ПАНЕЛИ ПРИБОРОВ

    СООТВ
  3. ПРОВЕРЬТЕ СОСТОЯНИЕ КОНТРОЛЬНОЙ ЛАМПЫ ВКЛЮЧЕНИЯ/ВЫКЛЮЧЕНИЯ ПЕРЕДНЕЙ ПОДУШКИ БЕЗОПАСНОСТИ ПАССАЖИРА

    1. Подсоедините разъем к радиоприемнику в сборе и распределительному блоку панели приборов в сборе.

    2. Подсоедините провод к отрицательному (-) выводу вспомогательной аккумуляторной батареи.

    3. Включите питание (IG).

    4. Проверьте работу контрольной лампы выключения передней подушки безопасности пассажира

      OK

      Контрольная лампа включения/выключения передней подушки безопасности пассажира не включается.

    Result

    Перейти к

    OK

    НЕ СООТВ.

    НЕ СООТВ.

    ПРОВЕРЬТЕ ЖГУТ ПРОВОДОВ (ОБРЫВ)Click here

    СООТВ
  4. ПРОВЕРЬТЕ DTC

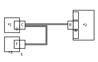
    1. C284134C01

      *1

      Распределительный блок панели приборов в сборе

      *2

      Центральный блок управления системы SRS

      *3

      Радиоприемник в сборе

      Выключите зажигание.

    2. Отсоедините провод от отрицательного (-) вывода вспомогательной аккумуляторной батареи.

      CAUTION:

      После отсоединения провода от отрицательного (-) вывода вспомогательной аккумуляторной батареи подождите не менее 90 с, чтобы предотвратить срабатывание системы SRS.

    3. Подсоедините разъем к блоку управления системы SRS.

    4. Подсоедините провод к отрицательному (-) выводу вспомогательной аккумуляторной батареи.

    5. Удалите коды DTC, сохраненные в памяти.

      Нажмите здесьClick here

      Body Electrical > SRS Airbag > Clear DTCs

    6. Выключите питание.

    7. Включите питание (IG) и подождите не менее 60 с.

    8. Проверьте наличие кодов DTC.

      Нажмите здесьClick here

      Body Electrical > SRS Airbag > Trouble Codes

      OK

      DTC B1660/43 не выводится.

      Tip:

      В этот момент могут выводиться другие коды, кроме B1660/43, которые не связаны с данной проверкой.

    Result

    Перейти к

    OK

    НЕ СООТВ.

    OK

    ВЫПОЛНИТЕ ПРОВЕРКУ С ИМИТАЦИЕЙ УСЛОВИЙ ВОЗНИКНОВЕНИЯ НЕИСПРАВНОСТИ

    Нажмите здесьClick hereClick hereClick here

    NG

    ЗАМЕНИТЕ ЦЕНТРАЛЬНЫЙ БЛОК УПРАВЛЕНИЯ СИСТЕМЫ SRS

    Нажмите здесьClick hereClick hereClick here

  5. ПРОВЕРЬТЕ ЖГУТ ПРОВОДОВ (НА ОБРЫВ)

    1. Выключите питание.

      C341979C01

      *A

      для моделей без системы навигации

      *B

      Для моделей с системой навигации

      *1

      Распределительный блок панели приборов в сборе

      *2

      Центральный блок управления системы SRS

      *3

      Радиоприемник в сборе

      *4

      Жгут проводов панели приборов

      *5

      Технологический провод

      -

      -

      *a

      Вид спереди разъема со стороны жгута проводов:

      (блок управления системы SRS)

      *b

      Вид спереди разъема со стороны жгута проводов:

      (к радиоприемнику в сборе)

    2. Отсоедините провод от отрицательного (-) вывода вспомогательной аккумуляторной батареи.

      CAUTION:

      После отсоединения провода от отрицательного (-) вывода вспомогательной аккумуляторной батареи подождите не менее 90 с, чтобы предотвратить срабатывание системы SRS.

    3. Отсоедините разъем от радиоприемника.

    4. С помощью технологического провода соедините контакты 23 (PAON) и 17 (P-AB) разъема В.

      Note:

      Технологический провод следует вставлять в контакты разъема без усилия.

    5. Измерьте сопротивление в соответствии со значениями, приведенными в таблице ниже.

      Номинальное сопротивление

      Table 1. для моделей без системы навигации:

      Подключение диагностического прибора

      Условие

      Заданные условия

      J49-15 (ARON) - J49-14 (AIR)

      Всегда

      Менее 1 Ом

      Table 2. Для моделей с системой навигации:

      Подключение диагностического прибора

      Условие

      Заданные условия

      J50-34 (ARON) - J50-33 (AIR)

      Всегда

      Менее 1 Ом

    Результат

    Перейти к

    OK

    НЕ СООТВ.

    НЕ СООТВ.

    ПРОВЕРЬТЕ ЖГУТ ПРОВОДОВ ПАНЕЛИ ПРИБОРОВ (ОБРЫВ)Click here

    СООТВ
  6. ПРОВЕРЬТЕ ЖГУТ ПРОВОДОВ (НА КОРОТКОЕ ЗАМЫКАНИЕ)

    1. Отсоедините технологический провод от разъема В.

      C341980C01

      *A

      для моделей без системы навигации

      *B

      Для моделей с системой навигации

      *1

      Распределительный блок панели приборов в сборе

      *2

      Центральный блок управления системы SRS

      *3

      Радиоприемник в сборе

      *4

      Жгут проводов панели приборов

      *a

      Вид спереди разъема со стороны жгута проводов:

      (к радиоприемнику в сборе)

      -

      -

    2. Измерьте сопротивление в соответствии со значениями, приведенными в таблице.

      Номинальное сопротивление

      Table 3. для моделей без системы навигации:

      Подключение диагностического прибора

      Условие

      Заданные условия

      J49-15 (ARON) - J49-14 (AIR)

      Всегда

      1 МОм или более

      Table 4. Для моделей с системой навигации:

      Подключение диагностического прибора

      Условие

      Заданные условия

      J50-34 (ARON) - J50-33 (AIR)

      Всегда

      1 МОм или более

    Результат

    Перейти к

    OK

    НЕ СООТВ.

    НЕ СООТВ.

    ПРОВЕРЬТЕ ЖГУТ ПРОВОДОВ ПАНЕЛИ ПРИБОРОВ (НА КОРОТКОЕ ЗАМЫКАНИЕ)Click here

    СООТВ
  7. ПРОВЕРЬТЕ ЖГУТ ПРОВОДОВ (НА КОРОТКОЕ ЗАМЫКАНИЕ НА B+)

    1. Подсоедините провод к отрицательному (-) выводу вспомогательной аккумуляторной батареи.

      C341980C01

      *A

      для моделей без системы навигации

      *B

      Для моделей с системой навигации

      *1

      Распределительный блок панели приборов в сборе

      *2

      Центральный блок управления системы SRS

      *3

      Радиоприемник в сборе

      *4

      Жгут проводов панели приборов

      *a

      Вид спереди разъема со стороны жгута проводов:

      (к радиоприемнику в сборе)

      -

      -

    2. Включите зажигание (IG).

    3. Измерьте напряжение в соответствии со значениями, приведенными в таблице.

      Номинальное напряжение

      Table 5. для моделей без системы навигации:

      Подключение диагностического прибора

      Условие

      Заданные условия

      J49-15 (ARON) - масса

      Питание включено (IG)

      Менее 1 В

      J49-14 (AIR) - масса

      Питание включено (IG)

      Менее 1 В

      Table 6. Для моделей с системой навигации:

      Подключение диагностического прибора

      Условие

      Заданные условия

      J50-34 (ARON) - масса

      Питание включено (IG)

      Менее 1 В

      J50-33 (AIR) - масса

      Питание включено (IG)

      Менее 1 В

    4. Выключите питание.

    5. Отсоедините провод от отрицательного (-) вывода вспомогательной аккумуляторной батареи.

      CAUTION:

      После отсоединения провода от отрицательного (-) вывода вспомогательной аккумуляторной батареи подождите не менее 90 с, чтобы предотвратить срабатывание системы SRS.

    Результат

    Перейти к

    OK

    НЕ СООТВ.

    НЕ СООТВ.

    ПРОВЕРЬТЕ ЖГУТ ПРОВОДОВ ПАНЕЛИ ПРИБОРОВ (КОРОТКОЕ ЗАМЫКАНИЕ НА B+)Click here

    СООТВ
  8. ПРОВЕРЬТЕ ЖГУТ ПРОВОДОВ (КОРОТКОЕ ЗАМЫКАНИЕ НА МАССУ)

    1. Измерьте сопротивление в соответствии со значениями, приведенными в таблице ниже.

      C341980C01

      *A

      для моделей без системы навигации

      *B

      Для моделей с системой навигации

      *1

      Распределительный блок панели приборов в сборе

      *2

      Центральный блок управления системы SRS

      *3

      Радиоприемник в сборе

      *4

      Жгут проводов панели приборов

      *a

      Вид спереди разъема со стороны жгута проводов:

      (к радиоприемнику в сборе)

      -

      -

      Номинальное сопротивление

      Table 7. для моделей без системы навигации:

      Подключение диагностического прибора

      Условие

      Заданные условия

      J49-15 (ARON) - масса

      Всегда

      1 МОм или более

      J49-14 (AIR) - масса

      Всегда

      1 МОм или более

      Table 8. Для моделей с системой навигации:

      Подключение диагностического прибора

      Условие

      Заданные условия

      J50-34 (ARON) - масса

      Всегда

      1 МОм или более

      J50-33 (AIR) - масса

      Всегда

      1 МОм или более

    Результат

    Перейти к

    OK

    НЕ СООТВ.

    OK

    ЗАМЕНИТЕ РАДИОПРИЕМНИК В СБОРЕ

    Для моделей без системы навигации: Нажмите здесьClick hereClick hereClick here

    Для моделей с системой навигации: Нажмите здесьClick hereClick hereClick here

    NG
  9. ПРОВЕРЬТЕ ЖГУТ ПРОВОДОВ ПАНЕЛИ ПРИБОРОВ (НА КОРОТКОЕ ЗАМЫКАНИЕ НА МАССУ)

    1. C285472C02

      *1

      Распределительный блок панели приборов в сборе

      *2

      Центральный блок управления системы SRS

      *3

      Радиоприемник в сборе

      *4

      Жгут проводов панели приборов

      *a

      Вид спереди разъема со стороны жгута проводов:

      (к распределительному блоку панели приборов в сборе)

      Отсоедините разъем от распределительного блока панели приборов в сборе.

    2. Измерьте сопротивление в соответствии со значениями, приведенными в таблице ниже.

      Номинальное сопротивление

      Подключение диагностического прибора

      Условие

      Заданные условия

      2A-8 (PAON) - масса

      Всегда

      1 МОм или более

      2A-29 (PAON) - масса

      Всегда

      1 МОм или более

      2A-46 (P-AB) - масса

      Всегда

      1 МОм или более

      2A-51 (P-AB) - масса

      Всегда

      1 МОм или более

    Результат

    Перейти к

    OK

    НЕ СООТВ.

    OK

    ЗАМЕНИТЕ РАСПРЕДЕЛИТЕЛЬНЫЙ БЛОК ПАНЕЛИ ПРИБОРОВ В СБОРЕ

    NG

    ЗАМЕНИТЕ ЖГУТ ПРОВОДОВ ПАНЕЛИ ПРИБОРОВ

  10. ПРОВЕРЬТЕ ЖГУТ ПРОВОДОВ ПАНЕЛИ ПРИБОРОВ (НА КОРОТКОЕ ЗАМЫКАНИЕ НА В+)

    1. C285472C02

      *1

      Распределительный блок панели приборов в сборе

      *2

      Центральный блок управления системы SRS

      *3

      Радиоприемник в сборе

      *4

      Жгут проводов панели приборов

      *a

      Вид спереди разъема со стороны жгута проводов:

      (к распределительному блоку панели приборов в сборе)

      Отсоедините разъем от распределительного блока панели приборов в сборе.

    2. Измерьте сопротивление в соответствии со значениями, приведенными в таблице ниже.

      Номинальное сопротивление

      Подключение диагностического прибора

      Условие

      Заданные условия

      2A-8 (PAON) - другие контакты

      Всегда

      1 МОм или более

      2A-29 (PAON) - другие контакты

      Всегда

      1 МОм или более

      2A-46 (P-AB) - другие контакты

      Всегда

      1 МОм или более

      2A-51 (P-AB) - другие контакты

      Всегда

      1 МОм или более

    Результат

    Перейти к

    OK

    НЕ СООТВ.

    OK

    ЗАМЕНИТЕ РАСПРЕДЕЛИТЕЛЬНЫЙ БЛОК ПАНЕЛИ ПРИБОРОВ В СБОРЕ

    NG

    ЗАМЕНИТЕ ЖГУТ ПРОВОДОВ ПАНЕЛИ ПРИБОРОВ

  11. ПРОВЕРЬТЕ ЖГУТ ПРОВОДОВ ПАНЕЛИ ПРИБОРОВ (НА КОРОТКОЕ ЗАМЫКАНИЕ)

    1. C285472C02

      *1

      Распределительный блок панели приборов в сборе

      *2

      Центральный блок управления системы SRS

      *3

      Радиоприемник в сборе

      *4

      Жгут проводов панели приборов

      *a

      Вид спереди разъема со стороны жгута проводов:

      (к распределительному блоку панели приборов в сборе)

      Отсоедините разъем от распределительного блока панели приборов в сборе.

    2. Измерьте сопротивление в соответствии со значениями, приведенными в таблице ниже.

      Номинальное сопротивление

      Подключение диагностического прибора

      Условие

      Заданные условия

      2A-8 (PAON) - 2A-46 (P-AB)

      Всегда

      1 МОм или более

      2A-29 (PAON) - 2A-51 (P-AB)

      Всегда

      1 МОм или более

    Результат

    Перейти к

    OK

    НЕ СООТВ.

    OK

    ЗАМЕНИТЕ РАСПРЕДЕЛИТЕЛЬНЫЙ БЛОК ПАНЕЛИ ПРИБОРОВ В СБОРЕ

    NG

    ЗАМЕНИТЕ ЖГУТ ПРОВОДОВ ПАНЕЛИ ПРИБОРОВ

  12. ПРОВЕРЬТЕ ЖГУТ ПРОВОДОВ ПАНЕЛИ ПРИБОРОВ (ОБРЫВ)

    1. C285471C03

      *1

      Распределительный блок панели приборов в сборе

      *2

      Центральный блок управления системы SRS

      *3

      Радиоприемник в сборе

      *4

      Жгут проводов панели приборов

      *5

      Технологический провод

      *a

      Вид спереди разъема со стороны жгута проводов:

      (к распределительному блоку панели приборов в сборе)

      *b

      Вид спереди разъема со стороны жгута проводов:

      (блок управления системы SRS)

      Отсоедините разъем от распределительного блока панели приборов в сборе.

      Tip:

      Технологический провод уже вставлен в разъем "B".

    2. Измерьте сопротивление в соответствии со значениями, приведенными в таблице ниже.

      Номинальное сопротивление

      Подключение диагностического прибора

      Условие

      Заданные условия

      2A-8 (PAON) - 2A-46 (P-AB)

      Всегда

      Менее 1 Ом

    3. Отсоедините технологический провод от разъема В.

    4. С помощью технологического провода соедините контакты 15*1 или 34*2 (ARON) и 14*1 или 33*2 (AIR) разъема E.

      Note:

      Технологический провод следует вставлять в контакты разъема без усилия.

      • *1: для моделей без системы навигации

      • *2: для моделей с системой навигации

      C341982C01

      *A

      для моделей без системы навигации

      *B

      Для моделей с системой навигации

      *1

      Распределительный блок панели приборов в сборе

      *2

      Центральный блок управления системы SRS

      *3

      Радиоприемник в сборе

      *4

      Жгут проводов панели приборов

      *5

      Технологический провод

      -

      -

      *a

      Вид спереди разъема со стороны жгута проводов:

      (к распределительному блоку панели приборов в сборе)

      *b

      Вид спереди разъема со стороны жгута проводов:

      (к радиоприемнику в сборе)

    5. Измерьте сопротивление в соответствии со значениями, приведенными в таблице ниже.

      Номинальное сопротивление

      Подключение диагностического прибора

      Условие

      Заданные условия

      2A-29 (PAON) - 2A-51 (P-AB)

      Всегда

      Менее 1 Ом

    6. Отсоедините технологический провод от разъема E.

    Результат

    Перейти к

    OK

    НЕ СООТВ.

    OK

    ЗАМЕНИТЕ РАСПРЕДЕЛИТЕЛЬНЫЙ БЛОК ПАНЕЛИ ПРИБОРОВ В СБОРЕ

    NG

    ЗАМЕНИТЕ ЖГУТ ПРОВОДОВ ПАНЕЛИ ПРИБОРОВ

  13. ПРОВЕРЬТЕ РАЗЪЕМЫ

    1. Выключите питание.

    2. Отсоедините провод от отрицательного (-) вывода вспомогательной аккумуляторной батареи.

      CAUTION:

      После отсоединения провода от отрицательного (-) вывода вспомогательной аккумуляторной батареи подождите не менее 90 с, чтобы предотвратить срабатывание системы SRS.

    3. Проверьте правильность подключения разъемов к блоку управления системы SRS в сборе, радиоприемнику в сборе и распределительному блоку панели приборов в сборе.

      OK

      Разъемы подсоединены должным образом.

      Tip:

      Если разъемы подсоединены ненадежно, подсоедините их и перейдите к следующей проверке.

    4. Отсоедините разъемы от блока управления системы SRS в сборе, радиоприемника в сборе и распределительного блока панели приборов в сборе.

    5. Убедитесь, что контакты разъемов не деформированы и не повреждены.

      OK

      Контакты не деформированы и не повреждены.

    Результат

    Перейти к

    OK

    НЕ СООТВ.

    НЕ СООТВ.

    ЗАМЕНИТЕ ЖГУТ ПРОВОДОВ ПАНЕЛИ ПРИБОРОВ

    СООТВ
  14. ПРОВЕРЬТЕ ЖГУТ ПРОВОДОВ (НА ОБРЫВ)

    1. Подсоедините разъем к распределительному блоку панели приборов в сборе.

      C341979C01

      *A

      для моделей без системы навигации

      *B

      Для моделей с системой навигации

      *1

      Распределительный блок панели приборов в сборе

      *2

      Центральный блок управления системы SRS

      *3

      Радиоприемник в сборе

      *4

      Жгут проводов панели приборов

      *5

      Технологический провод

      -

      -

      *a

      Вид спереди разъема со стороны жгута проводов:

      (блок управления системы SRS)

      *b

      Вид спереди разъема со стороны жгута проводов:

      (к радиоприемнику в сборе)

    2. С помощью технологического провода соедините контакты 23 (PAON) и 17 (P-AB) разъема В.

      Note:

      Технологический провод следует вставлять в контакты разъема без усилия.

    3. Измерьте сопротивление в соответствии со значениями, приведенными в таблице ниже.

      Номинальное сопротивление

      Table 9. для моделей без системы навигации:

      Подключение диагностического прибора

      Условие

      Заданные условия

      J49-15 (ARON) - J49-14 (AIR)

      Всегда

      Менее 1 Ом

      Table 10. Для моделей с системой навигации:

      Подключение диагностического прибора

      Условие

      Заданные условия

      J50-34 (ARON) - J50-33 (AIR)

      Всегда

      Менее 1 Ом

    Результат

    Перейти к

    OK

    НЕ СООТВ.

    НЕ СООТВ.

    ПРОВЕРЬТЕ ЖГУТ ПРОВОДОВ ПАНЕЛИ ПРИБОРОВ (ОБРЫВ)Click here

    СООТВ
  15. ПРОВЕРЬТЕ ЖГУТ ПРОВОДОВ (НА КОРОТКОЕ ЗАМЫКАНИЕ)

    1. Отсоедините технологический провод от разъема В.

      C341980C01

      *A

      для моделей без системы навигации

      *B

      Для моделей с системой навигации

      *1

      Распределительный блок панели приборов в сборе

      *2

      Центральный блок управления системы SRS

      *3

      Радиоприемник в сборе

      *4

      Жгут проводов панели приборов

      *a

      Вид спереди разъема со стороны жгута проводов:

      (к радиоприемнику в сборе)

      -

      -

    2. Измерьте сопротивление в соответствии со значениями, приведенными в таблице.

      Номинальное сопротивление

      Table 11. для моделей без системы навигации:

      Подключение диагностического прибора

      Условие

      Заданные условия

      J49-15 (ARON) - J49-14 (AIR)

      Всегда

      1 МОм или более

      Table 12. Для моделей с системой навигации:

      Подключение диагностического прибора

      Условие

      Заданные условия

      J50-34 (ARON) - J50-33 (AIR)

      Всегда

      1 МОм или более

    Результат

    Перейти к

    OK

    НЕ СООТВ.

    НЕ СООТВ.

    ПРОВЕРЬТЕ ЖГУТ ПРОВОДОВ ПАНЕЛИ ПРИБОРОВ (НА КОРОТКОЕ ЗАМЫКАНИЕ)Click here

    СООТВ
  16. ПРОВЕРЬТЕ ЖГУТ ПРОВОДОВ (НА КОРОТКОЕ ЗАМЫКАНИЕ НА B+)

    1. Подсоедините провод к отрицательному (-) выводу вспомогательной аккумуляторной батареи.

      C341980C01

      *A

      для моделей без системы навигации

      *B

      Для моделей с системой навигации

      *1

      Распределительный блок панели приборов в сборе

      *2

      Центральный блок управления системы SRS

      *3

      Радиоприемник в сборе

      *4

      Жгут проводов панели приборов

      *a

      Вид спереди разъема со стороны жгута проводов:

      (к радиоприемнику в сборе)

      -

      -

    2. Включите зажигание (IG).

    3. Измерьте напряжение в соответствии со значениями, приведенными в таблице.

      Номинальное напряжение

      Table 13. для моделей без системы навигации:

      Подключение диагностического прибора

      Условие

      Заданные условия

      J49-15 (ARON) - масса

      Питание включено (IG)

      Менее 1 В

      J49-14 (AIR) - масса

      Питание включено (IG)

      Менее 1 В

      Table 14. Для моделей с системой навигации:

      Подключение диагностического прибора

      Условие

      Заданные условия

      J50-34 (ARON) - масса

      Питание включено (IG)

      Менее 1 В

      J50-33 (AIR) - масса

      Питание включено (IG)

      Менее 1 В

    4. Выключите питание.

    5. Отсоедините провод от отрицательного (-) вывода вспомогательной аккумуляторной батареи.

      CAUTION:

      После отсоединения провода от отрицательного (-) вывода вспомогательной аккумуляторной батареи подождите не менее 90 с, чтобы предотвратить срабатывание системы SRS.

    Результат

    Перейти к

    OK

    НЕ СООТВ.

    НЕ СООТВ.

    ПРОВЕРЬТЕ ЖГУТ ПРОВОДОВ ПАНЕЛИ ПРИБОРОВ (КОРОТКОЕ ЗАМЫКАНИЕ НА B+)Click here

    СООТВ
  17. ПРОВЕРЬТЕ ЖГУТ ПРОВОДОВ (КОРОТКОЕ ЗАМЫКАНИЕ НА МАССУ)

    1. Измерьте сопротивление в соответствии со значениями, приведенными в таблице ниже.

      C341980C01

      *A

      для моделей без системы навигации

      *B

      Для моделей с системой навигации

      *1

      Распределительный блок панели приборов в сборе

      *2

      Центральный блок управления системы SRS

      *3

      Радиоприемник в сборе

      *4

      Жгут проводов панели приборов

      *a

      Вид спереди разъема со стороны жгута проводов:

      (к радиоприемнику в сборе)

      -

      -

      Номинальное сопротивление

      Table 15. для моделей без системы навигации:

      Подключение диагностического прибора

      Условие

      Заданные условия

      J49-15 (ARON) - масса

      Всегда

      1 МОм или более

      J49-14 (AIR) - масса

      Всегда

      1 МОм или более

      Table 16. Для моделей с системой навигации:

      Подключение диагностического прибора

      Условие

      Заданные условия

      J50-34 (ARON) - масса

      Всегда

      1 МОм или более

      J50-33 (AIR) - масса

      Всегда

      1 МОм или более

    Результат

    Перейти к

    OK

    НЕ СООТВ.

    НЕ СООТВ.

    ПРОВЕРЬТЕ ЖГУТ ПРОВОДОВ ПАНЕЛИ ПРИБОРОВ (КОРОТКОЕ ЗАМЫКАНИЕ НА МАССУ)Click here

    СООТВ
  18. ПРОВЕРЬТЕ КОНТРОЛЬНУЮ ЛАМПУ ВКЛЮЧЕНИЯ/ВЫКЛЮЧЕНИЯ ПЕРЕДНЕЙ ПОДУШКИ БЕЗОПАСНОСТИ ПАССАЖИРА (НАПРЯЖЕНИЕ ПИТАНИЯ)

    1. Подсоедините провод к отрицательному (-) выводу вспомогательной аккумуляторной батареи.

      C341981C01

      *A

      для моделей без системы навигации

      *B

      Для моделей с системой навигации

      *1

      Распределительный блок панели приборов в сборе

      *2

      Центральный блок управления системы SRS

      *3

      Радиоприемник в сборе

      *4

      Жгут проводов панели приборов

      *a

      Вид спереди разъема со стороны жгута проводов:

      (к радиоприемнику в сборе)

      -

      -

    2. Включите зажигание (IG).

    3. Измерьте напряжение в соответствии со значениями, приведенными в таблице.

      Номинальное напряжение

      Table 17. для моделей без системы навигации:

      Подключение диагностического прибора

      Условие

      Заданные условия

      J53-1 (IG) - масса

      Питание включено (IG)

      11–14 В

      Table 18. Для моделей с системой навигации:

      Подключение диагностического прибора

      Условие

      Заданные условия

      J50-15 (IG) - масса

      Питание включено (IG)

      11 - 14 В

    4. Выключите питание.

    5. Отсоедините провод от отрицательного (-) вывода вспомогательной аккумуляторной батареи.

      CAUTION:

      После отсоединения провода от отрицательного (-) вывода вспомогательной аккумуляторной батареи подождите не менее 90 с, чтобы предотвратить срабатывание системы SRS.

    Результат

    Перейти к

    OK

    НЕ СООТВ.

    НЕ СООТВ.

    ЗАМЕНИТЕ ЖГУТ ПРОВОДОВ ИЛИ ВСПОМОГАТЕЛЬНУЮ АККУМУЛЯТОРНУЮ БАТАРЕЮ

    СООТВ
  19. ПРОВЕРЬТЕ КОНТРОЛЬНУЮ ЛАМПУ ВЫКЛЮЧЕНИЯ ПЕРЕДНЕЙ ПОДУШКИ БЕЗОПАСНОСТИ ПАССАЖИРА

    1. C285470C03

      *1

      Распределительный блок панели приборов в сборе

      *2

      Центральный блок управления системы SRS

      *3

      Радиоприемник в сборе

      *4

      Жгут проводов панели приборов

      *a

      Вид спереди разъема со стороны жгута проводов:

      (блок управления системы SRS)

      Подсоедините разъем к радиоприемнику в сборе.

    2. Подсоедините провод к отрицательному (-) выводу вспомогательной аккумуляторной батареи.

    3. Включите питание (IG).

    4. Проверьте работу контрольной лампы включения/выключения передней подушки безопасности пассажира в зависимости от условий, приведенных в таблице ниже.

      OK

      Сoединение контактов

      Условие

      Заданные условия

      J20-23 (PAON) - масса

      Питание включено (IG)

      Загорается "ON" (ВКЛ)

      J20-17 (P-AB) - масса

      Питание включено (IG)

      Загорается "OFF" (ВЫКЛ)

    5. Выключите питание.

    6. Отсоедините провод от отрицательного (-) вывода вспомогательной аккумуляторной батареи.

      CAUTION:

      После отсоединения провода от отрицательного (-) вывода вспомогательной аккумуляторной батареи подождите не менее 90 с, чтобы предотвратить срабатывание системы SRS.

    Результат

    Перейти к

    OK

    НЕ СООТВ.

    НЕ СООТВ.

    ЗАМЕНИТЕ РАДИОПРИЕМНИК В СБОРЕ

    Для моделей без системы навигации: Нажмите здесьClick hereClick hereClick here

    Для моделей с системой навигации: Нажмите здесьClick hereClick hereClick here

    СООТВ
  20. ПРОВЕРЬТЕ DTC

    1. C284134C01

      *1

      Распределительный блок панели приборов в сборе

      *2

      Центральный блок управления системы SRS

      *3

      Радиоприемник в сборе

      Подсоедините разъем к блоку управления системы SRS.

    2. Подсоедините провод к отрицательному (-) выводу вспомогательной аккумуляторной батареи.

    3. Удалите коды DTC, сохраненные в памяти.

      Нажмите здесьClick here

      Body Electrical > SRS Airbag > Clear DTCs

    4. Выключите питание.

    5. Включите питание (IG) и подождите не менее 60 с.

    6. Проверьте наличие кодов DTC.

      Нажмите здесьClick here

      Body Electrical > SRS Airbag > Trouble Codes

      OK

      DTC B1660/43 не выводится.

      Tip:

      В этот момент могут выводиться другие коды, кроме B1660/43, которые не связаны с данной проверкой.

    Result

    Перейти к

    OK

    НЕ СООТВ.

    OK

    ВЫПОЛНИТЕ ПРОВЕРКУ С ИМИТАЦИЕЙ УСЛОВИЙ ВОЗНИКНОВЕНИЯ НЕИСПРАВНОСТИ

    Нажмите здесьClick hereClick hereClick here

    NG

    ЗАМЕНИТЕ ЦЕНТРАЛЬНЫЙ БЛОК УПРАВЛЕНИЯ СИСТЕМЫ SRS

    Нажмите здесьClick hereClick hereClick here

  21. ПРОВЕРЬТЕ ЖГУТ ПРОВОДОВ ПАНЕЛИ ПРИБОРОВ (НА КОРОТКОЕ ЗАМЫКАНИЕ НА МАССУ)

    1. C285472C02

      *1

      Распределительный блок панели приборов в сборе

      *2

      Центральный блок управления системы SRS

      *3

      Радиоприемник в сборе

      *4

      Жгут проводов панели приборов

      *a

      Вид спереди разъема со стороны жгута проводов:

      (к распределительному блоку панели приборов в сборе)

      Отсоедините разъем от распределительного блока панели приборов в сборе.

    2. Измерьте сопротивление в соответствии со значениями, приведенными в таблице ниже.

      Номинальное сопротивление

      Подключение диагностического прибора

      Условие

      Заданные условия

      2A-8 (PAON) - масса

      Всегда

      1 МОм или более

      2A-29 (PAON) - масса

      Всегда

      1 МОм или более

      2A-46 (P-AB) - масса

      Всегда

      1 МОм или более

      2A-51 (P-AB) - масса

      Всегда

      1 МОм или более

    Результат

    Перейти к

    OK

    НЕ СООТВ.

    OK

    ЗАМЕНИТЕ РАСПРЕДЕЛИТЕЛЬНЫЙ БЛОК ПАНЕЛИ ПРИБОРОВ В СБОРЕ

    NG

    ЗАМЕНИТЕ ЖГУТ ПРОВОДОВ ПАНЕЛИ ПРИБОРОВ

  22. ПРОВЕРЬТЕ ЖГУТ ПРОВОДОВ ПАНЕЛИ ПРИБОРОВ (НА КОРОТКОЕ ЗАМЫКАНИЕ НА В+)

    1. C285472C02

      *1

      Распределительный блок панели приборов в сборе

      *2

      Центральный блок управления системы SRS

      *3

      Радиоприемник в сборе

      *4

      Жгут проводов панели приборов

      *a

      Вид спереди разъема со стороны жгута проводов:

      (к распределительному блоку панели приборов в сборе)

      Отсоедините разъем от распределительного блока панели приборов в сборе.

    2. Измерьте сопротивление в соответствии со значениями, приведенными в таблице ниже.

      Номинальное сопротивление

      Подключение диагностического прибора

      Условие

      Заданные условия

      2A-8 (PAON) - другие контакты

      Всегда

      1 МОм или более

      2A-29 (PAON) - другие контакты

      Всегда

      1 МОм или более

      2A-46 (P-AB) - другие контакты

      Всегда

      1 МОм или более

      2A-51 (P-AB) - другие контакты

      Всегда

      1 МОм или более

    Результат

    Перейти к

    OK

    НЕ СООТВ.

    OK

    ЗАМЕНИТЕ РАСПРЕДЕЛИТЕЛЬНЫЙ БЛОК ПАНЕЛИ ПРИБОРОВ В СБОРЕ

    NG

    ЗАМЕНИТЕ ЖГУТ ПРОВОДОВ ПАНЕЛИ ПРИБОРОВ

  23. ПРОВЕРЬТЕ ЖГУТ ПРОВОДОВ ПАНЕЛИ ПРИБОРОВ (НА КОРОТКОЕ ЗАМЫКАНИЕ)

    1. C285472C02

      *1

      Распределительный блок панели приборов в сборе

      *2

      Центральный блок управления системы SRS

      *3

      Радиоприемник в сборе

      *4

      Жгут проводов панели приборов

      *a

      Вид спереди разъема со стороны жгута проводов:

      (к распределительному блоку панели приборов в сборе)

      Отсоедините разъем от распределительного блока панели приборов в сборе.

    2. Измерьте сопротивление в соответствии со значениями, приведенными в таблице ниже.

      Номинальное сопротивление

      Подключение диагностического прибора

      Условие

      Заданные условия

      2A-8 (PAON) - 2A-46 (P-AB)

      Всегда

      1 МОм или более

      2A-29 (PAON) - 2A-51 (P-AB)

      Всегда

      1 МОм или более

    Результат

    Перейти к

    OK

    НЕ СООТВ.

    OK

    ЗАМЕНИТЕ РАСПРЕДЕЛИТЕЛЬНЫЙ БЛОК ПАНЕЛИ ПРИБОРОВ В СБОРЕ

    NG

    ЗАМЕНИТЕ ЖГУТ ПРОВОДОВ ПАНЕЛИ ПРИБОРОВ

  24. ПРОВЕРЬТЕ ЖГУТ ПРОВОДОВ ПАНЕЛИ ПРИБОРОВ (ОБРЫВ)

    1. C285471C03

      *1

      Распределительный блок панели приборов в сборе

      *2

      Центральный блок управления системы SRS

      *3

      Радиоприемник в сборе

      *4

      Жгут проводов панели приборов

      *5

      Технологический провод

      *a

      Вид спереди разъема со стороны жгута проводов:

      (к распределительному блоку панели приборов в сборе)

      *b

      Вид спереди разъема со стороны жгута проводов:

      (блок управления системы SRS)

      Отсоедините разъем от распределительного блока панели приборов в сборе.

      Tip:

      Технологический провод уже вставлен в разъем "B".

    2. Измерьте сопротивление в соответствии со значениями, приведенными в таблице ниже.

      Номинальное сопротивление

      Подключение диагностического прибора

      Условие

      Заданные условия

      2A-8 (PAON) - 2A-46 (P-AB)

      Всегда

      Менее 1 Ом

    3. Отсоедините технологический провод от разъема В.

    4. С помощью технологического провода соедините контакты 15*1 или 34*2 (ARON) и 14*1 или 33*2 (AIR) разъема E.

      Note:

      Технологический провод следует вставлять в контакты разъема без усилия.

      • *1: для моделей без системы навигации

      • *2: для моделей с системой навигации

      C341982C01

      *A

      для моделей без системы навигации

      *B

      Для моделей с системой навигации

      *1

      Распределительный блок панели приборов в сборе

      *2

      Центральный блок управления системы SRS

      *3

      Радиоприемник в сборе

      *4

      Жгут проводов панели приборов

      *5

      Технологический провод

      -

      -

      *a

      Вид спереди разъема со стороны жгута проводов:

      (к распределительному блоку панели приборов в сборе)

      *b

      Вид спереди разъема со стороны жгута проводов:

      (к радиоприемнику в сборе)

    5. Измерьте сопротивление в соответствии со значениями, приведенными в таблице ниже.

      Номинальное сопротивление

      Подключение диагностического прибора

      Условие

      Заданные условия

      2A-29 (PAON) - 2A-51 (P-AB)

      Всегда

      Менее 1 Ом

    6. Отсоедините технологический провод от разъема E.

    Результат

    Перейти к

    OK

    НЕ СООТВ.

    OK

    ЗАМЕНИТЕ РАСПРЕДЕЛИТЕЛЬНЫЙ БЛОК ПАНЕЛИ ПРИБОРОВ В СБОРЕ

    NG

    ЗАМЕНИТЕ ЖГУТ ПРОВОДОВ ПАНЕЛИ ПРИБОРОВ