CAN COMMUNICATION SYSTEM Center Airbag Sensor Communication Stop Mode

DESCRIPTION

Detection Item Symptom Trouble Area
Center Airbag Sensor Communication Stop Mode

Any of the following conditions are met:


  • Communication stop for "Airbag" is indicated on the "Communication Bus Check" screen of the GTS.

    Click here

  • Communication stop history for "Airbag" is indicated on the "Communication Bus Check (Detail)" screen of the GTS. (The Lost Communication Time value for "Airbag" is 6 or more.)

    Click here

  • Communication system DTCs (DTCs that start with U) that correspond to "Center Airbag Sensor Communication Stop Mode" in "DTC Combination Table" are output.

    Click here


  • Airbag sensor assembly main line or connector

  • Power source circuit of airbag sensor assembly

  • Airbag sensor assembly ground circuit

  • Airbag sensor assembly

WIRING DIAGRAM


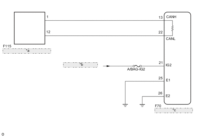
  1. for LHD

    B008KXCE14
    *a No. 4 CAN Junction Connector
    *b from IG2-NO. 2 Relay
    *c Airbag Sensor Assembly
  2. for RHD

    B008KXCE15
    *a No. 4 CAN Junction Connector
    *b from IG2-NO. 2 Relay
    *c Airbag Sensor Assembly

CAUTION / NOTICE / HINT

Note


  • Because the order of diagnosis is important to allow correct diagnosis, make sure to begin troubleshooting using How to Proceed with Troubleshooting when CAN communication system related DTCs are output.

    Click here

  • Before measuring the resistance of the CAN bus, turn the ignition switch off and leave the vehicle for 1 minute or more without operating the key or any switches, or opening or closing the doors. After that, disconnect the cable from the negative (-) battery terminal and leave the vehicle for 1 minute or more before measuring the resistance.

  • After turning the ignition switch off, waiting time may be required before disconnecting the cable from the negative (-) battery terminal. Therefore, make sure to read the disconnecting the cable from the negative (-) battery terminal notices before proceeding with work.

    Click here

  • After performing repairs, perform the DTC check procedure and confirm that the DTCs are not output again.

    DTC check procedure: Turn the blind spot monitor system on using the blind spot monitor main switch (ON/OFF switch), turn the cruise control main switch on, turn the LDA main switch on and then drive the vehicle at a speed of 5 km/h (3 mph) or more for approximately 20 seconds or more.

  • After the repair, perform the CAN bus check and check that all the ECUs and sensors connected to the CAN communication system are displayed as normal.

    Click here

  • Inspect the fuses for circuits related to this system before performing the following procedure.

Tech Tips


  • Before disconnecting related connectors for inspection, push in on each connector body to check that the connector is not loose or disconnected.

  • When a connector is disconnected, check that the terminals and connector body are not cracked, deformed or corroded.

PROCEDURE


  1. CHECK FOR OPEN IN CAN BUS LINES (AIRBAG SENSOR ASSEMBLY MAIN LINE)


    1. Disconnect the cable from the negative (-) battery terminal.

    2. Disconnect the airbag sensor assembly connector.

    3. B008LUJC15
      *a

      Front view of wire harness connector

      (to Airbag Sensor Assembly)

      Measure the resistance according to the value(s) in the table below.

      Standard Resistance
      Tester Connection Condition Specified Condition
      F70-13 (CANH) - F70-22 (CANL) Cable disconnected from negative (-) battery terminal 108 to 132 Ω
      Result
      Result
      OK
      NG

    NG
    OK
  2. CHECK HARNESS AND CONNECTOR (POWER SOURCE CIRCUIT)


    1. B008LUJC16
      *a

      Front view of wire harness connector

      (to Airbag Sensor Assembly)

      Measure the resistance according to the value(s) in the table below.

      Standard Resistance
      Tester Connection Condition Specified Condition
      F70-25 (E1) - Body ground Cable disconnected from negative (-) battery terminal Below 1 Ω
      F70-26 (E2) - Body ground Cable disconnected from negative (-) battery terminal Below 1 Ω
    2. Reconnect the cable to the negative (-) battery terminal.

    3. Measure the voltage according to the value(s) in the table below.

      Standard Voltage
      Tester Connection Switch Condition Specified Condition
      F70-21 (IG2) - Body ground Ignition switch ON 11 to 14 V
      Result
      Result
      OK
      NG

    OK
    NG