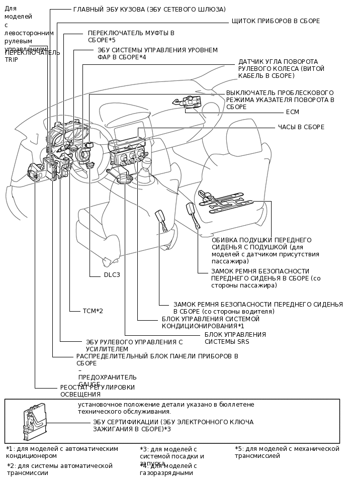
СИСТЕМА ИЗМЕРИТЕЛЬНЫХ ПРИБОРОВ И ИНДИКАТОРОВ РАСПОЛОЖЕНИЕ ДЕТАЛЕЙ

ИЛЛЮСТРАЦИЯ

E296471E03

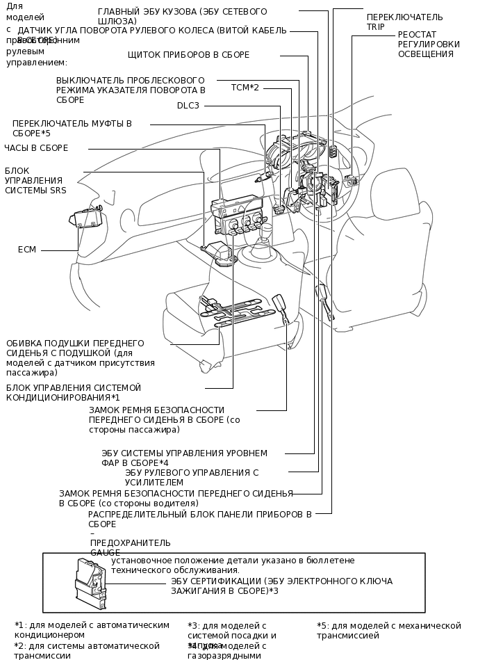
ИЛЛЮСТРАЦИЯ

E249051E04

ИЛЛЮСТРАЦИЯ

E296472E03

ИЛЛЮСТРАЦИЯ

E249052E04