ENTRY AND START SYSTEM(for Entry Function) Front Passenger Side Door Entry Unlock Function does not Operate

DTC Code DTC Name
Front Passenger Side Door Entry Unlock Function does not Operate

DESCRIPTION

If the entry unlock function does not operate for the front passenger door only, but the entry lock function operates, the request code is being transmitted properly from the front passenger door. In this case, there may be a problem related to the touch sensor (connection between the certification ECU [smart key ECU assembly] and front door outside handle assembly [for front passenger door] [unlock sensor]).

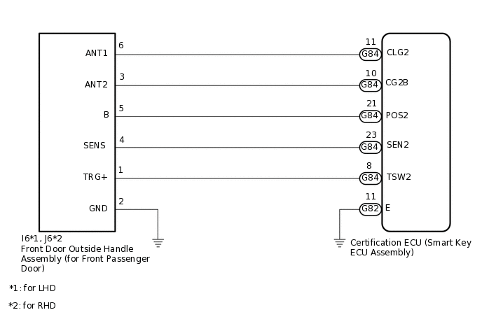
WIRING DIAGRAM

B341225E05

CAUTION / NOTICE / HINT

Note:
  • The entry and start system (for Entry Function) uses a multiplex communication system (LIN communication system) and the CAN communication system. Inspect the communication function by following How to Proceed with Troubleshooting (Click here). Troubleshoot the entry and start system (for Entry Function) after confirming that the communication systems are functioning properly.

  • When using the GTS with the vehicle power switch off, connect the GTS to the vehicle and turn a courtesy light switch on and off at intervals of 1.5 seconds or less until communication between the GTS and the vehicle begins. Then select the Model Code "KEY REGIST" under manual mode and enter the following menus: Body Electrical / Entry&Start. While using the GTS, periodically turn a courtesy light switch on and off at intervals of 1.5 seconds or less to maintain communication between the GTS and the vehicle.

  • Check that there are no electrical key transmitter sub-assemblies in the vehicle.

  • Before performing the inspection, check that DTC B1242 (wireless door lock control) is not output.

    Click here

    Click here

  • Before replacing the certification ECU (smart key ECU assembly), refer to the entry and start system (for Entry Function) precaution.

    Click here

  • After repair, confirm that no DTCs are output by performing the "DTC Output Confirmation Operation".

PROCEDURE

  1. CHECK POWER DOOR LOCK CONTROL SYSTEM

    1. When the door control switch on the multiplex network master switch assembly is operated, check that the doors unlock and lock according to the switch operation.

      Click hereClick here

    Result

    Proceed to

    Door locks operate normally

    Door locks do not operate

    Door locks do not operate

    GO TO POWER DOOR LOCK CONTROL SYSTEM

    Door locks operate normally
  2. READ VALUE USING GTS (UNLOCK DETECTION SWITCH)

    1. Connect the GTS to the DLC3.

    2. Turn the power switch on (IG).

    3. Turn the GTS on.

    4. Enter the following menus: Body Electrical / Main Body / Data List.

    5. Read the Data List according to the display on the GTS.

      Body Electrical > Main Body > Data List

      Tester Display

      Measurement Item

      Range

      Normal Condition

      Diagnostic Note

      FR Door Lock Pos

      Front RH door unlock detection switch signal*1

      UNLOCK or LOCK

      UNLOCK: Front RH door unlocked

      LOCK: Front RH door locked

      -

      FL Door Lock Pos

      Front RH door unlock detection switch signal*2

      UNLOCK or LOCK

      UNLOCK: Front LH door unlocked

      LOCK: Front LH door locked

      -

      • *1: for LHD

      • *2: for RHD

    OK

    On the GTS screen, the display changes between LOCK and UNLOCK as shown in the chart above.

    Result

    Proceed to

    OK

    NG

    NG

    GO TO LIGHTING SYSTEM (Proceed to Door Unlock Detection Switch Circuit)

    OK
  3. READ VALUE USING GTS (UNLOCK SENSOR)

    1. Connect the GTS to the DLC3.

    2. Turn the power switch on (IG).

    3. Turn the GTS on.

    4. Enter the following menus: Body Electrical / Entry & Start / Data List.

    5. Read the Data List according to the display on the GTS.

      Body Electrical > Entry&Start > Data List

      Tester Display

      Measurement Item

      Range

      Normal Condition

      Diagnostic Note

      P-Door Touch Sensor

      Front passenger door touch sensor (unlock sensor)

      ON or OFF

      ON: Front passenger door touch sensor (unlock sensor) touched

      OFF: Front passenger door touch sensor (unlock sensor) not touched

      • Displays whether the unlock sensor is on or off (even if the sensor is touched and contact is maintained, "ON" is displayed only momentarily).

      • Use this Data List item to help determine if there is an unlock sensor malfunction when the entry unlock function does not operate.

      OK

      The GTS display changes correctly in response to the operation of the front door outside handle assembly (for front passenger door side).

    Result

    Proceed to

    OK

    NG

    OK

    REPLACE CERTIFICATION ECU (SMART KEY ECU ASSEMBLY)

    NG
  4. CHECK HARNESS AND CONNECTOR (FRONT DOOR OUTSIDE HANDLE ASSEMBLY - CERTIFICATION ECU AND BODY GROUND)

    1. Disconnect the I6*1 or J6*2 front door outside handle assembly (for front passenger door) connector.

      • *1: for LHD

      • *2: for RHD

    2. Disconnect the G82 and G84 certification ECU (smart key ECU assembly) connectors.

    3. Measure the resistance according to the value(s) in the table below.

      Standard Resistance

      for LHD

      Tester Connection

      Condition

      Specified Condition

      I6-4 (SENS) - G84-23 (SEN2)

      Always

      Below 1 Ω

      G82-11 (E) - Body ground

      Always

      Below 1 Ω

      I6-4 (SENS) or G84-23 (SEN2) - Body ground

      Always

      10 kΩ or higher

      for RHD

      Tester Connection

      Condition

      Specified Condition

      J6-4 (SENS) - G84-23 (SEN2)

      Always

      Below 1 Ω

      G82-11 (E) - Body ground

      Always

      Below 1 Ω

      J6-4 (SENS) or G84-23 (SEN2) - Body ground

      Always

      10 kΩ or higher

    Result

    Proceed to

    OK

    NG

    NG

    REPAIR OR REPLACE HARNESS OR CONNECTOR

    OK
  5. CHECK FRONT DOOR OUTSIDE HANDLE ASSEMBLY (FOR FRONT PASSENGER DOOR) (FRONT PASSENGER DOOR UNLOCK SENSOR SIGNAL INPUT)

    1. Connect the I6*1 or J6*2 front door outside handle assembly (for front passenger door) connector.

      • *1: for LHD

      • *2: for RHD

      B274842C36

      *a

      Component with harness connected

      (Certification ECU [Smart Key ECU Assembly])

      *b

      Waveform

      *c

      In actuality, sampling is being performed

      -

      -

    2. Connect the G82 and G84 certification ECU (smart key ECU assembly) connectors.

    3. Using an oscilloscope, check the waveform.

      OK

      Tester Connection

      Switch Condition

      Tool Setting

      Specified Condition

      G84-23 (SEN2) - G82-11 (E)

      1. Procedure

      2. Power switch off

      3. Electrical key transmitter sub-assembly brought outside vehicle

      4. All doors locked

      5. Electrical key transmitter sub-assembly not sufficiently close to vehicle

      6. Front passenger door unlock sensor not touched → touched

      2 V/DIV., 500 ms/DIV.

      Pulse generation

      (See waveform)

    Result

    Proceed to

    OK

    NG

    OK

    REPLACE CERTIFICATION ECU (SMART KEY ECU ASSEMBLY)

    NG

    REPLACE FRONT DOOR OUTSIDE HANDLE ASSEMBLY (FOR FRONT PASSENGER DOOR)