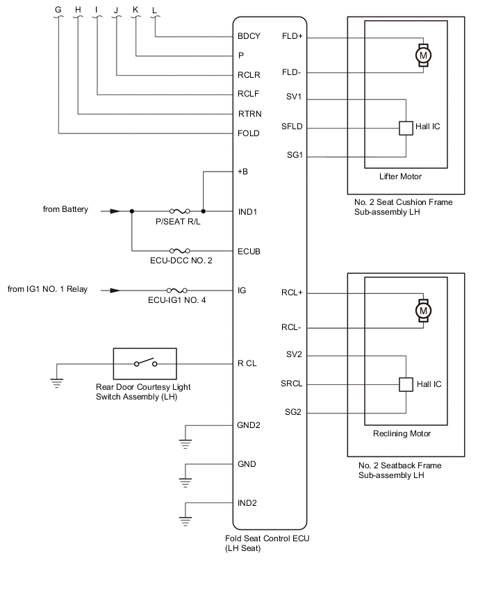
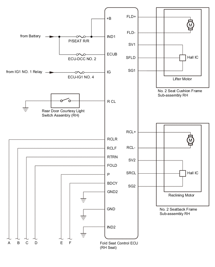
REAR POWER SEAT CONTROL SYSTEM(for Third Row) SYSTEM DIAGRAM

B005LJ8E08
B005MXAE07
B005OYME06