EMISSION CONTROL SYSTEM(w/ Canister Pump Module) SYSTEM DIAGRAM
*1 |
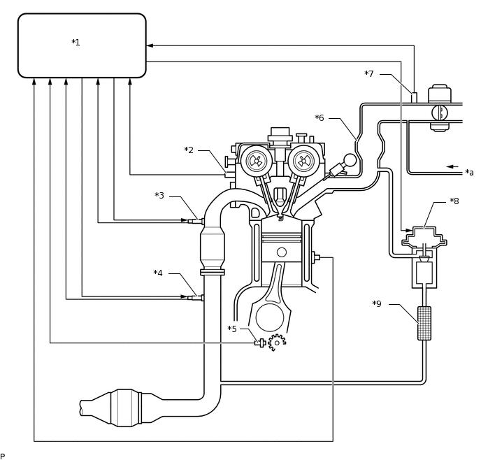
ECM |
*2 |
Engine Coolant Temperature Sensor |
*3 |
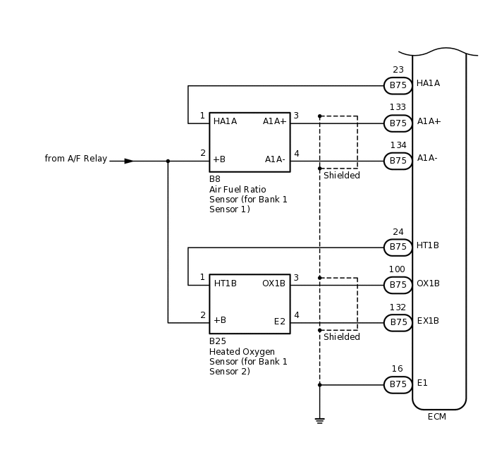
Air Fuel Ratio Sensor (for Bank 1 Sensor 1) |
*4 |
Heated Oxygen Sensor (for Bank 1 Sensor 2) |
*5 |
Crankshaft Position Sensor |
*6 |
Intake Manifold |
*7 |
Manifold Absolute Pressure Sensor |
*8 |
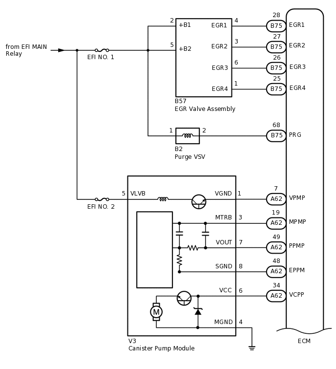
EGR Valve Assembly |
*9 |
EGR Cooler Assembly |
- |
- |
*a |
from Purge VSV |
- |
- |
*1 |
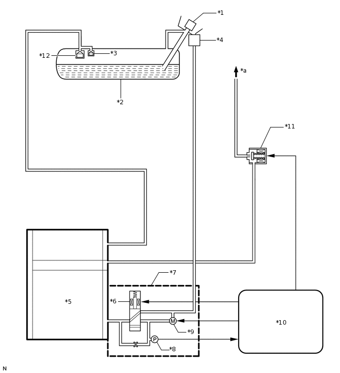
Fuel Tank Cap Assembly |
*2 |
Fuel Tank Assembly |
*3 |
Fuel Cutoff Valve |
*4 |
Canister Filter |
*5 |
Charcoal Canister Assembly |
*6 |
Vent Valve |
*7 |
Canister Pump Module |
*8 |
Canister Pressure Sensor |
*9 |
Leak Detection Pump |
*10 |
ECM |
*11 |
Purge VSV |
*12 |
Float Valve |
*a |
to Intake Manifold |
- |
- |