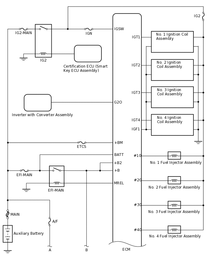
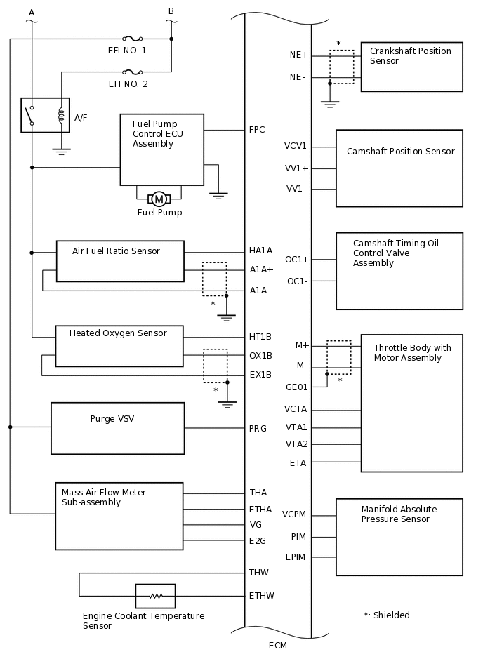
SFI SYSTEM(w/o EGR System) SYSTEM DIAGRAM

A371201E02
A378113E01
A330666E03