AIRBAG SYSTEM(w/ Occupant Classification System), Diagnostic DTC:B1810/53,B1811/53,B1812/53 and B1813/53

DTC Code DTC Name
B1810/53 Short in Driver Side Squib 2nd Step Circuit
B1811/53 Open in Driver Side Squib 2nd Step Circuit
B1812/53 Short to GND in Driver Side Squib 2nd Step Circuit
B1813/53 Short to B+ in Driver Side Squib 2nd Step Circuit

DESCRIPTION

The driver side squib 2nd step circuit consists of the airbag sensor assembly, spiral with sensor cable sub-assembly and horn button assembly.

The circuit instructs the SRS to deploy when deployment conditions are met.

These DTCs are stored when a malfunction is detected in the driver side squib 2nd step circuit.

DTC No.

Detection Item

DTC Detection Condition

Trouble Area

B1810/53

Short in Driver Side Squib 2nd Step Circuit

  • One of the following conditions is met:

  • The airbag sensor assembly detects a line short circuit signal 5 times in the driver side squib 2nd step circuit during the primary check.

  • A driver side squib 2nd step malfunction.

  • A spiral with sensor cable sub-assembly malfunction.

  • An airbag sensor assembly malfunction.

  • Instrument panel wire

  • Spiral with sensor cable sub-assembly

  • Horn button assembly (Driver side squib 2nd step)

  • Airbag sensor assembly

B1811/53

Open in Driver Side Squib 2nd Step Circuit

  • One of the following conditions is met:

  • The airbag sensor assembly detects an open circuit signal in the driver side squib 2nd step circuit for 2 seconds.

  • A driver side squib 2nd step malfunction.

  • A spiral with sensor cable sub-assembly malfunction.

  • An airbag sensor assembly malfunction.

  • Instrument panel wire

  • Spiral with sensor cable sub-assembly

  • Horn button assembly (Driver side squib 2nd step)

  • Airbag sensor assembly

B1812/53

Short to GND in Driver Side Squib 2nd Step Circuit

  • One of the following conditions is met:

  • The airbag sensor assembly detects a short circuit to ground signal in the driver side 2nd step circuit for 0.5 seconds.

  • A driver side squib 2nd step malfunction.

  • A spiral with sensor cable sub-assembly malfunction.

  • An airbag sensor assembly malfunction.

  • Instrument panel wire

  • Spiral with sensor cable sub-assembly

  • Horn button assembly (Driver side squib 2nd step)

  • Airbag sensor assembly

B1813/53

Short to B+ in Driver Side Squib 2nd Step Circuit

  • One of the following conditions is met:

  • The airbag sensor assembly detects a short circuit to B+ signal in the driver side squib 2nd step circuit for 0.5 seconds.

  • A driver side squib 2nd step malfunction.

  • A spiral with sensor cable sub-assembly malfunction.

  • An airbag sensor assembly malfunction.

  • Instrument panel wire

  • Spiral with sensor cable sub-assembly

  • Horn button assembly (Driver side squib 2nd step)

  • Airbag sensor assembly

WIRING DIAGRAM

C253303E13

CAUTION / NOTICE / HINT

Note:
  • When installing the spiral with sensor cable sub-assembly and steering wheel, be sure to adjust the spiral with sensor cable sub-assembly as it may break if the steering wheel is turned before adjusting the spiral with sensor cable sub-assembly.

    Click here

  • After turning the power switch off, waiting time may be required before disconnecting the cable from the negative (-) auxiliary battery terminal. Therefore, make sure to read the disconnecting the cable from the negative (-) auxiliary battery terminal notices before proceeding with work.

    Click hereClick hereClick hereClick here

  • When disconnecting the cable from the negative (-) auxiliary battery terminal while performing repairs, some systems need to be initialized after the cable is reconnected.

    Click hereClick hereClick here

  • After replacing the airbag sensor assembly, refer to initialization.

    Click hereClick hereClick here

Tip:

To perform the simulation method, enter check mode (signal check) with the GTS (Click here), and then wiggle each connector of the airbag system or drive the vehicle on various types of road (Click here).

PROCEDURE

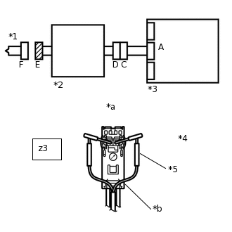
  1. CHECK HORN BUTTON ASSEMBLY (DRIVER SIDE SQUIB 2ND STEP)

    1. C213939C07

      *1

      Driver Side Squib 2nd Step

      *2

      Spiral with Sensor Cable Sub-assembly

      *3

      Airbag Sensor Assembly

      *4

      Connector E

      *5

      SST

      *a

      Front view of wire harness connector

      (to Driver Side Squib 2nd Step)

      *b

      Color: Black

      Turn the power switch off.

    2. Disconnect the cable from the negative (-) auxiliary battery terminal, and wait for at least 90 seconds.

    3. Disconnect the connectors from the horn button assembly.

    4. Connect the white wire side of SST (resistance: 2.1 Ω) to connector E (black connector).

      CAUTION:

      Never connect the tester to the horn button assembly (driver side squib 2nd step) for measurement, as this may lead to a serious injury due to airbag deployment.

      Note:
      • Do not forcibly insert SST into the terminals of the connector when connecting SST.

      • Insert SST straight into the terminals of the connector.

    5. Connect the cable to the negative (-) auxiliary battery terminal, and wait for at least 2 seconds.

    6. Turn the power switch to on (IG), and wait for at least 60 seconds.

    7. Clear the DTCs.

      Click here

      Body Electrical > SRS Airbag > Clear DTCs

    8. Turn the power switch off.

    9. Turn the power switch to on (IG), and wait for at least 60 seconds.

    10. Check for DTCs.

      Click here

      Body Electrical > SRS Airbag > Trouble Codes

      Result

      Proceed to

      DTC B1810/53, B1811/53, B1812/53 or B1813/53 is not output

      DTC B1810/53, B1811/53, B1812/53 or B1813/53 is output

      Tip:

      Codes other than DTC B1810/53, B1811/53, B1812/53 and B1813/53 may be output at this time, but they are not related to this check.

    11. Turn the power switch off.

    12. Disconnect the cable from the negative (-) auxiliary battery terminal, and wait for at least 90 seconds.

    13. Disconnect SST from connector E.

    09843-18061

    DTC B1810/53, B1811/53, B1812/53 or B1813/53 is not output

    REPLACE HORN BUTTON ASSEMBLY

    DTC B1810/53, B1811/53, B1812/53 or B1813/53 is output
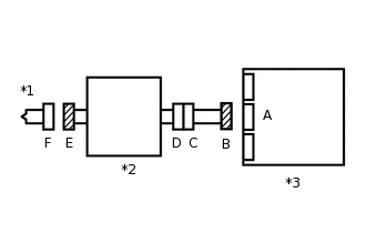
  2. CHECK CONNECTORS

    1. Disconnect the connectors from the airbag sensor assembly.

    2. C208247C01

      *1

      Driver Side Squib 2nd Step

      *2

      Spiral with Sensor Cable Sub-assembly

      *3

      Airbag Sensor Assembly

      Check that the connectors (on the airbag sensor assembly side and horn button assembly side) are not damaged.

      OK

      The lock button is not disengaged, and the claw of the lock is not deformed or damaged.

    Result

    Proceed to

    OK

    NG

    NG

    REPLACE HARNESS AND CONNECTOR OR SPIRAL WITH SENSOR CABLE SUB-ASSEMBLY

    OK
  3. CHECK DRIVER SIDE SQUIB 2ND STEP CIRCUIT

    1. C213940C10

      *1

      Driver Side Squib 2nd Step

      *2

      Spiral with Sensor Cable Sub-assembly

      *3

      Airbag Sensor Assembly

      *4

      Connector E

      *a

      Front view of wire harness connector

      (to Driver Side Squib 2nd Step)

      *b

      Color: Black

      Connect the cable to the negative (-) auxiliary battery terminal, and wait for at least 2 seconds.

    2. Turn the power switch to on (IG).

    3. Measure the voltage according to the value(s) in the table below.

      Standard Voltage

      Tester Connection

      Switch Condition

      Specified Condition

      z3-2 (D2+) - Body ground

      Power switch on (IG)

      Below 1 V

      z3-1 (D2-) - Body ground

      Power switch on (IG)

      Below 1 V

    4. Turn the power switch off.

    5. Disconnect the cable from the negative (-) auxiliary battery terminal, and wait for at least 90 seconds.

    6. Measure the resistance according to the value(s) in the table below.

      Standard Resistance

      Tester Connection

      Condition

      Specified Condition

      z3-2 (D2+) - z3-1 (D2-)

      Always

      Below 1 Ω

    7. Release the activation prevention mechanism built into connector B.

      Click here

    8. Measure the resistance according to the value(s) in the table below.

      Standard Resistance

      Tester Connection

      Condition

      Specified Condition

      z3-2 (D2+) - z3-1 (D2-)

      Always

      1 MΩ or higher

    9. Restore the released activation prevention mechanism of connector B to its original condition.

    10. Measure the resistance according to the value(s) in the table below.

      Standard Resistance

      Tester Connection

      Condition

      Specified Condition

      z3-2 (D2+) - Body ground

      Always

      1 MΩ or higher

      z3-1 (D2-) - Body ground

      Always

      1 MΩ or higher

    Result

    Proceed to

    OK

    NG

    NG

    CHECK INSTRUMENT PANEL WIREClick here

    OK
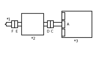
  4. CHECK AIRBAG SENSOR ASSEMBLY

    1. C146255C02

      *1

      Driver Side Squib 2nd Step

      *2

      Spiral with Sensor Cable Sub-assembly

      *3

      Airbag Sensor Assembly

      Connect the connectors to the horn button assembly and airbag sensor assembly.

    2. Connect the cable to the negative (-) auxiliary battery terminal, and wait for at least 2 seconds.

    3. Turn the power switch to on (IG), and wait for at least 60 seconds.

    4. Clear the DTCs.

      Click here

      Body Electrical > SRS Airbag > Clear DTCs

    5. Turn the power switch off.

    6. Turn the power switch to on (IG), and wait for at least 60 seconds.

    7. Check for DTCs.

      Click here

      Body Electrical > SRS Airbag > Trouble Codes

      Result

      Proceed to

      DTC B1810/53, B1811/53, B1812/53 or B1813/53 is not output

      DTC B1810/53, B1811/53, B1812/53 or B1813/53 is output

      Tip:

      Codes other than DTC B1810/53, B1811/53, B1812/53 and B1813/53 may be output at this time, but they are not related to this check.

    DTC B1810/53, B1811/53, B1812/53 or B1813/53 is not output

    USE SIMULATION METHOD TO CHECK

    DTC B1810/53, B1811/53, B1812/53 or B1813/53 is output

    REPLACE AIRBAG SENSOR ASSEMBLY

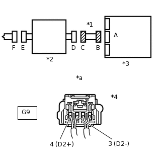
  5. CHECK INSTRUMENT PANEL WIRE

    1. C213941C11

      *1

      Instrument Panel Wire

      *2

      Spiral with Sensor Cable Sub-assembly

      *3

      Airbag Sensor Assembly

      *4

      Connector C

      *a

      Rear view of wire harness connector

      (to Spiral with Sensor Cable Sub-assembly)

      Disconnect the instrument panel wire connector from the spiral with sensor cable sub-assembly.

    2. Connect the cable to the negative (-) auxiliary battery terminal, and wait for at least 2 seconds.

    3. Turn the power switch to on (IG).

    4. Measure the voltage according to the value(s) in the table below.

      Standard Voltage

      Tester Connection

      Switch Condition

      Specified Condition

      G9-4 (D2+) - Body ground

      Power switch on (IG)

      Below 1 V

      G9-3 (D2-) - Body ground

      Power switch on (IG)

      Below 1 V

    5. Turn the power switch off.

    6. Disconnect the cable from the negative (-) auxiliary battery terminal, and wait for at least 90 seconds.

    7. Measure the resistance according to the value(s) in the table below.

      Standard Resistance

      Tester Connection

      Condition

      Specified Condition

      G9-4 (D2+) - G9-3 (D2-)

      Always

      Below 1 Ω

    8. Release the activation prevention mechanism built into connector B.

      Click here

    9. Measure the resistance according to the value(s) in the table below.

      Standard Resistance

      Tester Connection

      Condition

      Specified Condition

      G9-4 (D2+) - G9-3 (D2-)

      Always

      1 MΩ or higher

    10. Restore the released activation prevention mechanism of connector B to its original condition.

    11. Measure the resistance according to the value(s) in the table below.

      Standard Resistance

      Tester Connection

      Condition

      Specified Condition

      G9-4 (D2+) - Body ground

      Always

      1 MΩ or higher

      G9-3 (D2-) - Body ground

      Always

      1 MΩ or higher

    Result

    Proceed to

    OK

    NG

    OK

    REPLACE SPIRAL WITH SENSOR CABLE SUB-ASSEMBLY

    NG

    REPLACE INSTRUMENT PANEL WIRE