СИСТЕМА НАВИГАЦИИ Цепь освещения

ОПИСАНИЕ

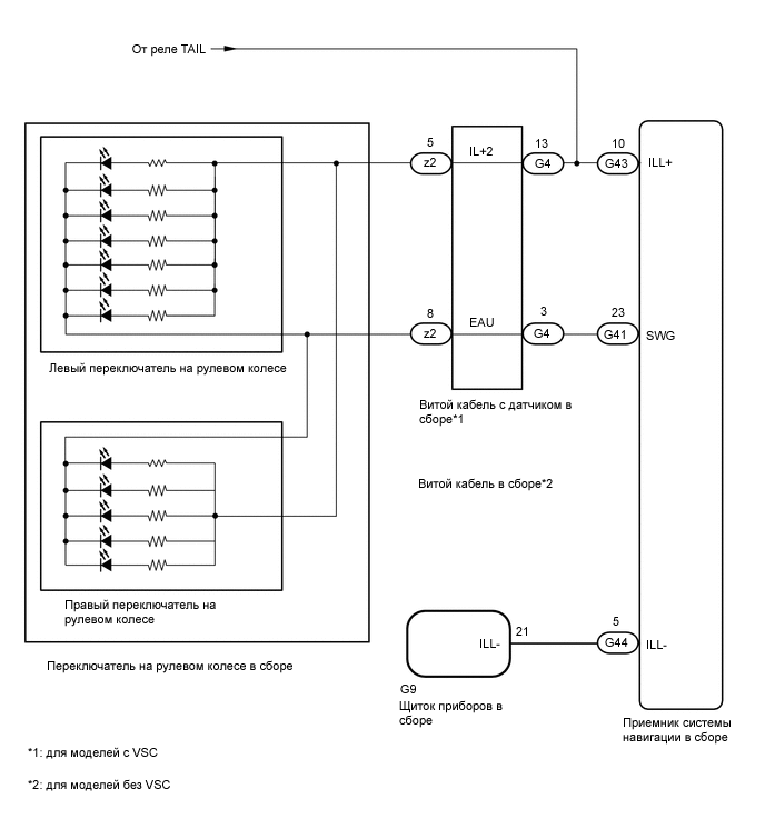
Когда переключатель освещения находится в положении TAIL или HEAD, подается питание для подсветки переключателей на рулевом колесе в сборе и приемника системы навигации в сборе.

СХЕМА ЭЛЕКТРИЧЕСКИХ СОЕДИНЕНИЙ

B003NE9E02

ПРЕДОСТЕРЕЖЕНИЕ / ПРИМЕЧАНИЕ / УКАЗАНИЕ

CAUTION:

Автомобиль оборудован дополнительной системой (пассивной) безопасности (SRS), в которую входят такие устройства, как подушки безопасности. Прежде чем приступать к обслуживанию (включая снятие и установку деталей), изучите меры предосторожности при работе с системой SRS.

Note

Убедитесь, что жгут проводов правильно установлен и не имеет резких перегибов, защемлений или ослабленных соединений.

Нажмите здесь Click here

ПОРЯДОК ВЫПОЛНЕНИЯ


  1. ПРОВЕРЬТЕ СВЕЧЕНИЕ


    1. Проверьте, тускнеет ли подсветка панельного переключателя приемника системы навигации и переходит ли экран в ночной режим, или подсветка переключателя на рулевом колесе, переключателя отопителя и других устройств (выключателя аварийной сигнализации, датчика положения селектора передач и т.д.) включается, когда переключатель освещения устанавливается в положение HEAD или TAIL.

      Результат
      Результат Следующий шаг
      Подсветка всех устройств, кроме переключателя на рулевом колесе, работает нормально. А
      Подсветка всех устройств, кроме приемника системы навигации, работает нормально. B
      Подсветка вообще не работает (приемник системы навигации, выключатель аварийной сигнализации, переключатель отопителя и т.д.). C

    B
    C
    А
  2. ПРОВЕРЬТЕ СОСТОЯНИЕ АВТОМОБИЛЯ


    1. Проверьте состояние автомобиля.

      Результат
      Результат Перейдите к
      Для моделей с VSC А
      Для моделей без VSC B

    B
    А
  3. ПРОВЕРЬТЕ ЖГУТ ПРОВОДОВ И РАЗЪЕМ (ВИТОЙ КАБЕЛЬ С ДАТЧИКОМ В СБОРЕ – ПРИЕМНИК СИСТЕМЫ НАВИГАЦИИ В СБОРЕ И АККУМУЛЯТОРНАЯ БАТАРЕЯ)


    1. Отсоедините разъем G41 приемника системы навигации в сборе.

    2. Отсоедините разъем G4 витого кабеля с датчиком в сборе.

    3. Измерьте сопротивление в соответствии со значениями, приведенными в таблице ниже.

      Номинальное сопротивление
      Контакты для подключения диагностического прибора Условие Заданные условия
      G41-23 (SWG) - G4-3 (EAU) Всегда Менее 1 Ом
      G41-23 (SWG) - масса Всегда 10 кОм или более
    4. Измерьте напряжение в соответствии со значениями, приведенными в таблице.

      Номинальное напряжение
      Контакты для подключения диагностического прибора Положение переключателя Заданные условия
      G4-13 (IL+2) - масса Переключатель освещения в положении TAIL или HEAD 11-14 В
      Результат
      Перейти к
      OK
      NG

    NG
    OK
  4. ПРОВЕРЬТЕ ПЕРЕКЛЮЧАТЕЛИ НА РУЛЕВОМ КОЛЕСЕ


    1. Снимите переключатели на рулевом колесе в сборе.

      Нажмите здесь Click here

    2. Проверьте переключатель на рулевом колесе в сборе.

      Нажмите здесь Click here

      Результат
      Следующий шаг
      OK
      NG

    NG
    OK
  5. ПРОВЕРЬТЕ ВИТОЙ КАБЕЛЬ С ДАТЧИКОМ В СБОРЕ


    1. Снимите витой кабель с датчиком в сборе.

      Нажмите здесь Click here

    2. Проверьте витой кабель с датчиком в сборе.

      Нажмите здесь Click here

      Результат
      Перейти к
      OK
      NG

    OK
    NG
  6. ПРОВЕРЬТЕ ЖГУТ ПРОВОДОВ И РАЗЪЕМ (ВИТОЙ КАБЕЛЬ В СБОРЕ – ПРИЕМНИК СИСТЕМЫ НАВИГАЦИИ И АККУМУЛЯТОРНАЯ БАТАРЕЯ)


    1. Отсоедините разъем G41 приемника системы навигации в сборе.

    2. Отсоедините разъем G4 витого кабеля в сборе.

    3. Измерьте сопротивление в соответствии со значениями, приведенными в таблице ниже.

      Номинальное сопротивление
      Подключение диагностического прибора Условие Заданные условия
      G41-23 (SWG) - G4-3 (EAU) Всегда Менее 1 Ом
      G41-23 (SWG) - масса Всегда 10 кОм или более
    4. Измерьте напряжение в соответствии со значениями, приведенными в таблице.

      Номинальное напряжение
      Подключение диагностического прибора Положение переключателя Заданные условия
      G4-13 (IL+2) - масса Переключатель освещения в положении TAIL или HEAD 11 - 14 В
      Результат
      Перейти к
      OK
      NG

    NG
    OK
  7. ПРОВЕРЬТЕ ПЕРЕКЛЮЧАТЕЛИ НА РУЛЕВОМ КОЛЕСЕ


    1. Снимите переключатели на рулевом колесе в сборе.

      Нажмите здесь Click here

    2. Проверьте переключатель на рулевом колесе в сборе.

      Нажмите здесь Click here

      Результат
      Перейти к
      OK
      NG

    NG
    OK
  8. ПРОВЕРЬТЕ ВИТОЙ КАБЕЛЬ В СБОРЕ


    1. Снимите витой кабель в сборе.

      Нажмите здесь Click here

    2. Проверьте состояние витого кабеля

      Нажмите здесь Click here

      Результат
      Перейти к
      OK
      NG

    OK
    NG
  9. ПРОВЕРЬТЕ ЖГУТ ПРОВОДОВ И РАЗЪЕМ (СИГНАЛ ПОДСВЕТКИ)


    1. B003O7OC20
      *a

      Вид спереди разъема со стороны жгута проводов:

      (к приемнику системы навигации в сборе)

      Отсоедините разъем приемника системы навигации в сборе.

    2. Измерьте напряжение в соответствии со значениями, приведенными в таблице.

      Номинальное напряжение
      Подключение диагностического прибора Положение переключателя Заданные условия
      G43-10 (ILL+) - масса Переключатель освещения в положении TAIL или HEAD 11-14 В
      Результат
      Перейти к
      OK
      NG

    NG
    OK
  10. ПРОВЕРЬТЕ ЖГУТ ПРОВОДОВ И РАЗЪЕМ (ПРИЕМНИК СИСТЕМЫ НАВИГАЦИИ В СБОРЕ - ЩИТОК ПРИБОРОВ В СБОРЕ)


    1. Отсоедините разъем G44 приемника системы навигации.

    2. Отсоедините разъем G9 щитка приборов.

    3. Измерьте сопротивление в соответствии со значениями, приведенными в таблице ниже.

      Номинальное сопротивление
      Подключение диагностического прибора Условие Заданные условия
      G44-5 (ILL-) - G9-21 (ILL-) Всегда Менее 1 Ом
      G44-5 (ILL-) - масса Всегда 10 кОм или более
      Результат
      Перейти к
      OK
      NG

    OK
    NG