AIRBAG SYSTEM(w/ Occupant Classification System), Diagnostic DTC:B1825/56,B1826/56,B1827/56 and B1828/56

DTC Code DTC Name
B1825/56 Short in Side Squib LH Circuit
B1826/56 Open in Side Squib LH Circuit
B1827/56 Short to GND in Side Squib LH Circuit
B1828/56 Short to B+ in Side Squib LH Circuit

DESCRIPTION

The front side squib LH circuit consists of the airbag sensor assembly and front seat airbag assembly LH.

The circuit instructs the SRS to deploy when deployment conditions are met.

These DTCs are stored when a malfunction is detected in the front side squib LH circuit.

DTC No.

Detection Item

DTC Detection Condition

Trouble Area

B1825/56

Short in Side Squib LH Circuit

One of the following conditions is met:

  • The airbag sensor assembly detects a line short circuit signal 5 times in the front side squib LH circuit during the primary check.

  • A front side squib LH malfunction.

  • An airbag sensor assembly malfunction.

  • No. 2 floor wire

  • Front seat airbag assembly LH (Front side squib LH)

  • Airbag sensor assembly

B1826/56

Open in Side Squib LH Circuit

One of the following conditions is met:

  • The airbag sensor assembly detects an open circuit signal in the front side squib LH circuit for 2 seconds.

  • A front side squib LH malfunction.

  • An airbag sensor assembly malfunction.

  • No. 2 floor wire

  • Front seat airbag assembly LH (Front side squib LH)

  • Airbag sensor assembly

B1827/56

Short to GND in Side Squib LH Circuit

One of the following conditions is met:

  • The airbag sensor assembly detects a short circuit to ground signal in the front side squib LH circuit for 0.5 seconds.

  • A front side squib LH malfunction.

  • An airbag sensor assembly malfunction.

  • No. 2 floor wire

  • Front seat airbag assembly LH (Front side squib LH)

  • Airbag sensor assembly

B1828/56

Short to B+ in Side Squib LH Circuit

One of the following conditions is met:

  • The airbag sensor assembly detects a short circuit to B+ signal in the front side squib LH circuit for 0.5 seconds.

  • A front side squib LH malfunction.

  • An airbag sensor assembly malfunction.

  • No. 2 floor wire

  • Front seat airbag assembly LH (Front side squib LH)

  • Airbag sensor assembly

WIRING DIAGRAM

C253326E71

CAUTION / NOTICE / HINT

Note:
  • After turning the power switch off, waiting time may be required before disconnecting the cable from the negative (-) auxiliary battery terminal. Therefore, make sure to read the disconnecting the cable from the negative (-) auxiliary battery terminal notices before proceeding with work.

    Click hereClick hereClick hereClick here

  • When disconnecting the cable from the negative (-) auxiliary battery terminal while performing repairs, some systems need to be initialized after the cable is reconnected.

    Click hereClick hereClick here

  • After replacing the airbag sensor assembly, refer to initialization.

    Click hereClick hereClick here

Tip:

To perform the simulation method, enter check mode (signal check) with the GTS (Click here), and then wiggle each connector of the airbag system or drive the vehicle on various types of road (Click here).

PROCEDURE

  1. CHECK FRONT SEAT AIRBAG ASSEMBLY LH (FRONT SIDE SQUIB LH)

    1. C279675C03

      *1

      Front Side Squib LH

      *2

      Airbag Sensor Assembly

      *3

      Connector C

      *4

      SST

      *a

      Front view of wire harness connector

      (to Front Side Squib LH)

      *b

      Color: Red

      Turn the power switch off.

    2. Disconnect the cable from the negative (-) auxiliary battery terminal, and wait for at least 90 seconds.

    3. Disconnect the connectors from the front seat airbag assembly LH.

    4. Connect the red wire side of SST (resistance: 2.1 Ω) to connector C.

      CAUTION:

      Never connect the tester to the front seat airbag assembly LH (front side squib LH) for measurement, as this may lead to a serious injury due to airbag deployment.

      Note:
      • Do not forcibly insert SST into the terminals of the connector when connecting SST.

      • Insert SST straight into the terminals of the connector.

    5. Connect the cable to the negative (-) auxiliary battery terminal, and wait for at least 2 seconds.

    6. Turn the power switch to on (IG), and wait for at least 60 seconds.

    7. Clear the DTCs.

      Click here

      Body Electrical > SRS Airbag > Clear DTCs

    8. Turn the power switch off.

    9. Turn the power switch to on (IG), and wait for at least 60 seconds.

    10. Check for DTCs.

      Click here

      Body Electrical > SRS Airbag > Trouble Codes

      OK

      DTC B1800/51, B1801/51, B1802/51 or B1803/51 is not output.

      Tip:

      Codes other than DTC B1800/51, B1801/51, B1802/51 and B1803/51 may be output at this time, but they are not related to this check.

    11. Turn the power switch off.

    12. Disconnect the cable from the negative (-) auxiliary battery terminal, and wait for at least 90 seconds.

    13. Disconnect SST from connector C.

    09843-18061

    Result

    Proceed to

    OK (for Power Seat)

    OK (for Manual Seat)

    NG

    OK (for Power Seat)

    REPLACE FRONT SEAT AIRBAG ASSEMBLY LH

    OK (for Manual Seat)

    REPLACE FRONT SEAT AIRBAG ASSEMBLY LH

    NG
  2. CHECK CONNECTOR

    1. Disconnect the connectors from the airbag sensor assembly.

    2. C208250C04

      *1

      Front Side Squib LH

      *2

      No. 2 Floor Wire

      *3

      Airbag Sensor Assembly

      Check that the connectors (on the airbag sensor assembly side and front seat airbag assembly LH side) are not damaged.

      OK

      The lock button is not disengaged, and the claw of the lock is not deformed or damaged.

    Result

    Proceed to

    OK

    NG

    NG

    REPLACE NO. 2 FLOOR WIRE

    OK
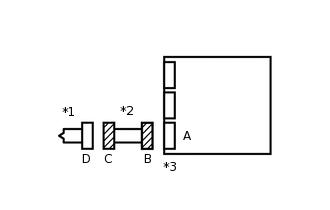
  3. CHECK FRONT SIDE SQUIB LH CIRCUIT

    1. C279676C04

      *1

      Front Side Squib LH

      *2

      No. 2 Floor Wire

      *3

      Airbag Sensor Assembly

      *4

      Connector C

      *a

      Front view of wire harness connector

      (to Front Side Squib LH)

      Connect the cable to the negative (-) auxiliary battery terminal, and wait for at least 2 seconds.

    2. Turn the power switch to on (IG).

    3. Measure the voltage according to the value(s) in the table below.

      Standard Voltage

      Tester Connection

      Switch Condition

      Specified Condition

      Nr1-1 (SFL+) - Body ground

      Power switch on (IG)

      Below 1 V

      Nr1-2 (SFL-) - Body ground

      Power switch on (IG)

      Below 1 V

    4. Turn the power switch off.

    5. Disconnect the cable from the negative (-) auxiliary battery terminal, and wait for at least 90 seconds.

    6. Measure the resistance according to the value(s) in the table below.

      Standard Resistance

      Tester Connection

      Condition

      Specified Condition

      Nr1-1 (SFL+) - Nr1-2 (SFL-)

      Always

      Below 1 Ω

    7. Release the activation prevention mechanism built into connector B.

      Click here

    8. Measure the resistance according to the value(s) in the table below.

      Standard Resistance

      Tester Connection

      Condition

      Specified Condition

      Nr1-1 (SFL+) - Nr1-2 (SFL-)

      Always

      1 MΩ or higher

    9. Restore the released activation prevention mechanism of connector B to its original condition.

    10. Measure the resistance according to the value(s) in the table below.

      Standard Resistance

      Tester Connection

      Condition

      Specified Condition

      Nr1-1 (SFL+) - Body ground

      Always

      1 MΩ or higher

      Nr1-2 (SFL-) - Body ground

      Always

      1 MΩ or higher

    Result

    Proceed to

    OK

    NG

    NG

    REPLACE NO. 2 FLOOR WIRE

    OK
  4. CHECK AIRBAG SENSOR ASSEMBLY

    1. C146261C12

      *1

      Front Side Squib LH

      *2

      Airbag Sensor Assembly

      Connect the connectors to the front seat airbag assembly LH and airbag sensor assembly.

    2. Connect the cable to the negative (-) auxiliary battery terminal, and wait for at least 2 seconds.

    3. Turn the power switch to on (IG), and wait for at least 60 seconds.

    4. Clear the DTCs.

      Click here

      Body Electrical > SRS Airbag > Clear DTCs

    5. Turn the power switch off.

    6. Turn the power switch to on (IG), and wait for at least 60 seconds.

    7. Check for DTCs.

      Click here

      Body Electrical > SRS Airbag > Trouble Codes

      OK

      DTC B1825/56, B1826/56, B1827/56 or B1828/56 is not output

      Tip:

      Codes other than DTC B1825/56, B1826/56, B1827/56 and B1828/56 may be output at this time, but they are not related to this check.

    Result

    Proceed to

    DTC B1825/56, B1826/56, B1827/56 or B1828/56 is not output

    DTC B1825/56, B1826/56, B1827/56 or B1828/56 is output

    DTC B1825/56, B1826/56, B1827/56 or B1828/56 is not output

    USE SIMULATION METHOD TO CHECK

    DTC B1825/56, B1826/56, B1827/56 or B1828/56 is output

    REPLACE AIRBAG SENSOR ASSEMBLY