СИСТЕМА УПРАВЛЕНИЯ ГИБРИДНОЙ СИСТЕМОЙ, диагностический DTC: P2511-149

Код DTC Наименование DTC
P2511-149 Обрыв цепи, прерывистый сигнал в измерительной цепи реле питания главного процессора гибридной системы

ОПИСАНИЕ

Этот код DTC свидетельствует о том, что ЭБУ гибридной системы обнаружил кратковременное прерывание напряжения источника питания +B.

№ DTC

Неисправность

Условие обнаружения DTC

Неисправный участок

MIL

Индикация предупреждения

P2511-149

Обрыв цепи, прерывистый сигнал в измерительной цепи реле питания главного процессора гибридной системы

При установке выключателя питания в состояние ON (ВКЛ) (READY) происходит сброс ЭБУ гибридной системы в связи с кратковременным прерыванием питания.

(логика диагностирования за 1 поездку)

  • Жгут проводов или разъем

  • ЭБУ гибридной системы

Не загорается

Главная контрольная лампа аварийного состояния:

Загорается

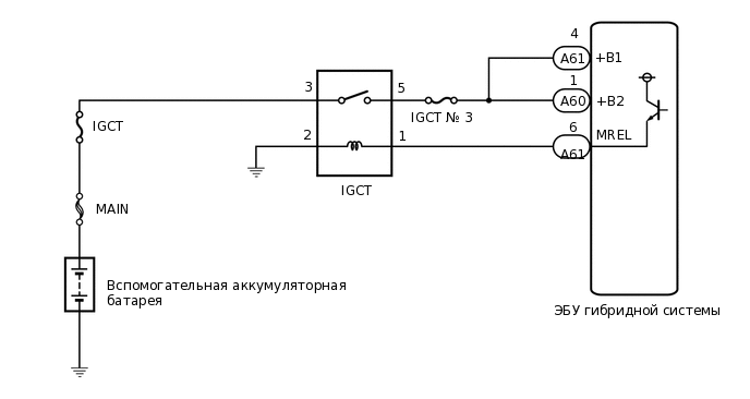
СХЕМА СОЕДИНЕНИЙ

C299376E04

ПРЕДОСТЕРЕЖЕНИЕ / ПРИМЕЧАНИЕ / УКАЗАНИЕ

Tip:

После ремонта удалите все коды DTC и убедитесь, что коды DTC не выводятся, выполнив следующую процедуру.

  1. Включите питание (READY) и подождите не менее 30 с.

    (Если DTC не выводится, совершите поездку на автомобиле по городским дорогам длительностью примерно 5 мин в соответствии со значением параметра "Vehicle Spd" из фиксированного набора параметров.)

ПОРЯДОК ВЫПОЛНЕНИЯ

  1. ПРОВЕРЬТЕ ВЫВОДЫ ВСПОМОГАТЕЛЬНОЙ АККУМУЛЯТОРНОЙ БАТАРЕИ

    1. Выясните, отсоединялись ли недавно выводы вспомогательной аккумуляторной батареи.

      Результат

      Перейдите к

      Выводы отсоединялись.

      Выводы не отсоединялись.

    Выводы не отсоединялись.

    ПРОВЕРЬТЕ ВЫВОД ВСПОМОГАТЕЛЬНОЙ АККУМУЛЯТОРНОЙ БАТАРЕИ (НА НАРУШЕНИЕ КОНТАКТА)Click here

    Выводы отсоединялись.
  2. ПРОВЕРЬТЕ СОСТОЯНИЕ ГЛАВНОЙ КОНТРОЛЬНОЙ ЛАМПЫ АВАРИЙНОГО СОСТОЯНИЯ

    1. Установите выключатель питания в положение (READY) из выключенного положения.

    2. Убедитесь, что главная контрольная лампа аварийного состояния светится.

      Result

      Перейдите к

      Главная контрольная лампа аварийного состояния светится.

      Главная контрольная лампа аварийного состояния не светится.

      Note:

      Код DTC P2511-149 может быть зарегистрирован после отсоединения и подсоединения выводов вспомогательной аккумуляторной батареи. В этом случае код DTC не будет выводиться, если выключить выключатель питания и повторно установить его в положение (READY). В этом случае для завершения проверки удалите коды DTC.

    3. Выключите зажигание.

    Главная контрольная лампа аварийного состояния не светится.

    КОНЕЦ

    Главная контрольная лампа аварийного состояния светится.
  3. УДАЛИТЕ DTC

    Нажмите здесьClick here

    Результат

    Перейти к

    СЛЕДУЮЩЕЕ -

    СЛЕДУЮЩЕЕ -
  4. ПРОВЕРЬТЕ DTC (СИСТЕМЫ УПРАВЛЕНИЯ ГИБРИДНОЙ СИСТЕМОЙ)

    1. Подключите GTS к DLC3.

    2. Включите питание (IG).

    3. Войдите в следующие меню: Powertrain / Hybrid Control / Trouble Codes.

    4. Проверьте наличие кодов DTC.

      Powertrain > Hybrid Control > Trouble Codes

      Результат

      Перейдите к

      DTC P2511-149 выводится вновь.

      Помимо кода P2511-149 выводятся другие DTC.

    5. Выключите зажигание.

    Помимо кода P2511-149 выводятся другие DTC.

    ОБРАТИТЕСЬ К ТАБЛИЦЕ КОДОВ DTC (СИСТЕМА УПРАВЛЕНИЯ ГИБРИДНОЙ СИСТЕМОЙ)

    DTC P2511-149 выводится вновь.
  5. ПРОВЕРЬТЕ ВЫВОД ВСПОМОГАТЕЛЬНОЙ АККУМУЛЯТОРНОЙ БАТАРЕИ (НА НАРУШЕНИЕ КОНТАКТА)

    1. Проверьте соединение вывода вспомогательной аккумуляторной батареи.

      OK

      Контакт подсоединен надежно, и проблемы с соединением отсутствуют.

    Result

    Перейти к

    OK

    НЕ СООТВ.

    НЕ СООТВ.

    ПРОВЕРЬТЕ НАДЕЖНОСТЬ ПОДКЛЮЧЕНИЯ

    СООТВ
  6. ПРОВЕРЬТЕ ПОДКЛЮЧЕНИЕ РАЗЪЕМА (ЭБУ ГИБРИДНОЙ СИСТЕМЫ)

    Нажмите здесьClick hereClick here

    Результат

    Перейти к

    OK

    НЕ СООТВ.

    НЕ СООТВ.

    ПРОВЕРЬТЕ НАДЕЖНОСТЬ ПОДКЛЮЧЕНИЯ

    СООТВ
  7. ПРОВЕРЬТЕ ЖГУТ ПРОВОДОВ И РАЗЪЕМ (ЭБУ ГИБРИДНОЙ СИСТЕМЫ - РЕЛЕ IGCT)

    1. Извлеките реле IGCT из блока реле № 1 моторного отсека.

      C308932C01

      *1

      Блок реле № 1 моторного отсека

      *2

      Реле IGCT

      *a

      Вид сзади разъема со стороны жгута проводов

      (К ЭБУ гибридной системы)

      -

      -

    2. Отсоедините разъемы A60 и A61 ЭБУ гибридной системы.

    3. Измерьте сопротивление в соответствии со значениями, приведенными в таблице.

      Номинальное сопротивление

      Подключение диагностического прибора

      Условие

      Номинальное значение

      A61-4 (+B1) - 5 (реле IGCT)

      Питание выключено

      Менее 1 Ом

      A60-1 (+B2) - 5 (реле IGCT)

      Питание выключено

      Менее 1 Ом

    4. Установите реле IGCT.

    5. Подсоедините разъемы A60 и A61 ЭБУ гибридной системы.

    Result

    Перейти к

    OK

    НЕ СООТВ.

    NG

    ОТРЕМОНТИРУЙТЕ ИЛИ ЗАМЕНИТЕ ЖГУТ ПРОВОДОВ ИЛИ РАЗЪЕМ

    OK
  8. ПРОВЕРЬТЕ, НЕТ ЛИ ЭПИЗОДИЧЕСКИХ НЕИСПРАВНОСТЕЙ

    1. Проверьте, нет ли эпизодических неисправностей.

      Нажмите здесьClick here

      1. Проверьте подключение и давление контактов разъемов, а также жгуты проводов между ЭБУ гибридной системы и блоком реле моторного отсека № 1.

      2. Установите выключатель питания в состояние ON (ВКЛ) (READY) и подвигайте разъемы и жгуты проводов между ЭБУ гибридной системы и блоком реле моторного отсека № 1.

    Result

    Перейти к

    Признак неисправности не проявляется.

    Признак неисправности проявляется снова.

    Признак неисправности не проявляется.

    ЗАМЕНИТЕ ЭБУ ГИБРИДНОЙ СИСТЕМЫ

    Нажмите здесьClick here

    Признак неисправности проявляется снова.

    ОТРЕМОНТИРУЙТЕ ИЛИ ЗАМЕНИТЕ НЕИСПРАВНЫЕ ДЕТАЛИ, УЗЛЫ И СИСТЕМЫ