СИСТЕМА SFI, диагностический DTC:P070312

Код DTC Наименование DTC
P070312 Цепь переключателя тормоза "B", короткое замыкание на цепь аккумуляторной батареи

ОПИСАНИЕ

Выключатель стоп-сигналов входит в систему с дуплексной связью, которая позволяет передавать 2 сигнала: STP и ST1-. Блок ЕСМ использует эти два сигнала для осуществления контроля за работой тормозной системы. Этот DTC указывает на то, что выключатель стоп-сигналов в сборе остается включенным. Если выключатель стоп-сигналов в сборе остается включенным при движении по схеме "STOP and GO" (остановка-движение), ECM определяет это как неисправность выключателя стоп-сигналов в сборе. ECM регистрирует данный код DTC.

№ DTC

Неисправность

Условие обнаружения DTC

Неисправный участок

MIL

Память

Примечание

P070312

Цепь переключателя тормоза "B", короткое замыкание на цепь аккумуляторной батареи

Выключатель стоп-сигналов продолжает находится во включенном соостоянии даже после того, как автомобиль выполнит 5 циклов "ОСТАНОВКИ" (движение со скоростью менее 3 км/час (1,86 мили в час)) и "ДВИЖЕНИЕ" (движение со скоростью более 30 км/час (18,65 мили в час)) (логика диагностирования за 2 поездки)

  • Короткое замыкание в цепи выключателя стоп-сигналов

  • Выключатель стоп-сигналов в сборе

  • ECM

Не загорается

Код DTC сохраняется

Код SAE: P0724

ОПИСАНИЕ РАБОТЫ СИСТЕМЫ КОНТРОЛЯ

Этот DTC указывает на то, что выключатель стоп-сигналов в сборе остается включенным. Если выключатель стоп-сигналов в сборе остается включенным при движении по схеме "STOP and GO" (остановка-движение), ECM определяет это как неисправность выключателя стоп-сигналов в сборе и регистрирует данный код DTC. Чтобы неисправность была зарегистрирована, автомобиль должен остановиться (движение со скоростью менее 3 км/час (1,86 мили в час)) и двигаться (движение со скоростью более 30 км/час (18,65 мили в час)) 5 раз в течение 2 циклов движения.

ПРИНЦИП РАБОТЫ СИСТЕМЫ КОНТРОЛЯ

Требуемые датчики/устройства (основные)

Выключатель стоп-сигналов в сборе

Требуемые датчики/устройства (связанные)

Датчик частоты вращения

Продолжительность работы

Постоянно

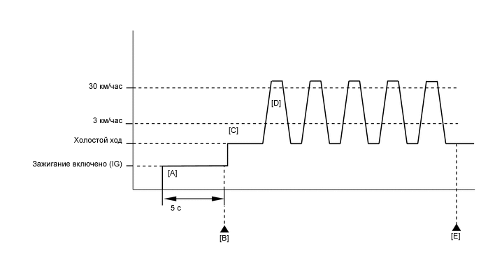
ПРОВЕРОЧНАЯ ПОЕЗДКА

A399800E04
  1. Подключите GTS к DLC3.

  2. Включите зажигание (IG).

  3. Включите GTS.

  4. Удалите коды DTC (даже если нет сохраненных DTC, выполните процедуру удаления DTC).

  5. Выключите зажигание и подождите не менее 30 с.

  6. Включите зажигание двигателя (IG).

  7. Включите диагностический прибор TechDoc3.

  8. Подождите 5 секунд.

  9. Войдите в следующие меню: Powertrain / Engine / Trouble Codes [B].

  10. Считайте ожидающие обработки коды DTC.

    Tip:
    • Если выводятся ожидающие обработки DTC, система неисправна.

    • Если ожидающие обработки DTC не выводятся, выполните следующую процедуру.

  11. Войдите в следующие меню: Powertrain / Engine / Utility / All Readiness.

  12. Введите DTC: P070312.

  13. Проверьте результат проверки DTC.

    Дисплей GTS

    Описание

    NORMAL

    • Проверка DTC завершена

    • Cистема работает нормально

    ABNORMAL

    • Проверка DTC завершена

    • Нарушения в работе системы

    INCOMPLETE

    • Проверка DTC не завершена

    • Выполните поездку в проверочном режиме после создания условий регистрации DTC

    Tip:
    • Если результат проверки NORMAL, система исправна.

    • Если результат проверки ABNORMAL, система неисправна.

    • Если результат проверки показывает INCOMPLETE, выполните шаги с C] по.

  14. Запустите двигатель [C].

  15. Разгоните автомобиль до скорости не менее 30 км/час (18,65 миль в час), нажмите педаль тормоза и уменьшите скорость автомобиля до величины не более 3 км/час (1,86 мили в час) [D]. Повторите шаг [D] 5 раз.

    CAUTION:

    Во время поездки в проверочном режиме соблюдайте все ограничения скорости и правила дорожного движения.

  16. Войдите в следующие меню: Powertrain / Engine / Trouble Codes [E].

  17. Считайте ожидающие обработки коды DTC.

    Tip:
    • Если выводятся ожидающие обработки DTC, система неисправна.

    • Если ожидающие обработки DTC не выводятся, выполните следующую процедуру.

  18. Войдите в следующие меню: Powertrain / Engine / Utility / All Readiness.

  19. Введите DTC: P070312.

  20. Проверьте результат проверки DTC.

    Дисплей GTS

    Описание

    NORMAL

    • Проверка DTC завершена

    • Cистема работает нормально

    ABNORMAL

    • Проверка DTC завершена

    • Нарушения в работе системы

    INCOMPLETE

    • Проверка DTC не завершена

    • Выполните поездку в проверочном режиме после создания условий регистрации DTC

    Tip:
    • Если результат проверки NORMAL, система исправна.

    • Если результат проверки ABNORMAL, система неисправна.

СХЕМА ЭЛЕКТРИЧЕСКИХ СОЕДИНЕНИЙ

См. DTC P05042B.

Нажмите здесьЩелкните по следующей ссылке

ПРЕДОСТЕРЕЖЕНИЕ / ПРИМЕЧАНИЕ / УКАЗАНИЕ

Note:

Перед выполнением последующей процедуры проверки проверьте плавкие предохранители цепей, относящихся к данной системе.

Tip:
  • Невозможно считать значение параметра "Stop Light SW" в режиме Data List GTS.

    Нажмите здесьЩелкните по следующей ссылке

  • С помощью GTS считайте данные фиксированного набора параметров. Одновременно с записью в память кода DTC ECM сохраняет параметры состояния автомобиля и условий движения как данные фиксированного набора параметров. При поиске неисправностей фиксированные параметры позволяют определить, двигался ли автомобиль в момент возникновения неисправности или нет, был ли прогрет двигатель, каким было соотношение воздух-топливо (обедненным или обогащенным) и пр.

ПОРЯДОК ВЫПОЛНЕНИЯ

  1. СНИМИТЕ ПОКАЗАНИЯ GTS (ВЫКЛЮЧАТЕЛЬ СТОП-СИГНАЛОВ)

    1. Подключите GTS к DLC3.

    2. Включите зажигание (IG).

    3. Включите GTS.

    4. Войдите в следующие меню: Powertrain / Engine / Data List / Stop Light SW.

      Powertrain > Engine > Data List

      Информация на дисплее прибора

      Stop Light SW

    5. Считайте показания в режиме Data List на GTS.

      OK

      Дисплей GTS

      Контролируемая величина / диапазон индикации

      Нормальное состояние

      Stop Light SW

      Состояние выключателя стоп-сигналов:

      ON (ВКЛ) или OFF (ВЫКЛ)

      • ON (ВКЛ): педаль тормоза нажата

      • OFF (ВЫКЛ): Педаль тормоза отпущена

    Result

    Перейти к

    OK

    НЕ СООТВ.

    OK

    ПРОВЕРЬТЕ, НЕТ ЛИ ЭПИЗОДИЧЕСКИХ НЕИСПРАВНОСТЕЙ

    NG
  2. ПРОВЕРЬТЕ ПРАВИЛЬНОСТЬ УСТАНОВКИ ВЫКЛЮЧАТЕЛЯ СТОП-СИГНАЛОВ

    1. Проверьте правильность установки выключателя стоп-сигналов.

      Нажмите здесьЩелкните по следующей ссылке

      OK

      Выключатель стоп-сигналов установлен правильно.

    Result

    Перейти к

    OK

    НЕ СООТВ.

    НЕ СООТВ.

    НАДЕЖНО УСТАНОВИТЕ ВЫКЛЮЧАТЕЛЬ СТОП-СИГНАЛОВ ЗАНОВО

    СООТВ
  3. ПРОВЕРЬТЕ НАПРЯЖЕНИЕ НА КОНТАКТЕ (НАПРЯЖЕНИЕ STP)

    1. Отсоедините разъем ECM.

      A371636C21

      *a

      Педаль тормоза нажата

      *b

      Педаль тормоза отпущена

      *c

      Вид спереди разъема со стороны жгута проводов:

      (к ECM)

      -

      -

    2. Измерьте напряжение в соответствии со значениями, приведенными в таблице.

      Номинальное напряжение

      Подключение диагностического прибора

      Условие

      Заданные условия

      A23-27 (STP) - масса

      Педаль тормоза отпущена

      менее 1,5 В

      Педаль тормоза нажата

      7,5-14 В

    Tip:

    Если в цепи контакта STP имеется короткое замыкание, в цепи подключенного ЭБУ может быть неисправность.

    Result

    Перейти к

    OK

    НЕ СООТВ.

  4. ПРОВЕРЬТЕ ЖГУТ ПРОВОДОВ И РАЗЪЕМ (ВЫКЛЮЧАТЕЛЬ СТОП-СИГНАЛОВ В СБОРЕ – ECM)

    1. Отсоедините разъем выключателя стоп-сигналов.

    2. Отсоедините разъем ЭБУ.

    3. Измерьте сопротивление в соответствии со значениями, приведенными в таблице ниже.

      Номинальное сопротивление

      Подключение диагностического прибора

      Условие

      Заданные условия

      A37-3 (L) или A23-27 (STP) - другие контакты

      Всегда

      10 кОм или более

    Результат

    Перейти к

    OK

    НЕ СООТВ.

    OK

    ЗАМЕНИТЕ ВЫКЛЮЧАТЕЛЬ СТОП-СИГНАЛОВ В СБОРЕ

    NG

    ОТРЕМОНТИРУЙТЕ ИЛИ ЗАМЕНИТЕ ЖГУТ ПРОВОДОВ ИЛИ РАЗЪЕМ (ВЫКЛЮЧАТЕЛЬ СТОП-СИГНАЛОВ В СБОРЕ – ЕСМ)