MAIN BODY ECU(for RHD) REMOVAL

PROCEDURE

  1. REMOVE DECK BOARD ASSEMBLY

  2. REMOVE BATTERY SERVICE COVER

  3. PRECAUTION

    Note:

    After turning the power switch off, waiting time may be required before disconnecting the cable from the auxiliary battery negative (-) terminal. Therefore, make sure to read the disconnecting the cable from the auxiliary battery negative (-) terminal notice before proceeding with work.

    Click hereClick hereClick hereClick here

  4. DISCONNECT CABLE FROM AUXILIARY BATTERY NEGATIVE TERMINAL

    CAUTION:

    Wait at least 90 seconds after disconnecting the cable from the auxiliary battery negative (-) terminal to disable the SRS system.

    Note:

    When disconnecting the cable, some systems need to be initialized after the cable is reconnected.

    Click hereClick hereClick here

  5. REMOVE UPPER INSTRUMENT PANEL SUB-ASSEMBLY

  6. REMOVE LOWER INSTRUMENT PANEL

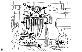
  7. REMOVE INSTRUMENT PANEL JUNCTION BLOCK ASSEMBLY

    1. E269530C01

      *1

      Bolt

      *2

      Nut

      Disconnect the connectors.

    2. Detach the 2 clamps.

    3. Remove the bolt, 2 nuts and instrument panel junction block assembly.

  8. REMOVE MULTIPLEX NETWORK BODY ECU (MAIN BODY ECU)

    Note:

    If the multiplex network body ECU (main body ECU) is replaced, replace it with a new one.

    1. E270637C01

      *1

      Multiplex Network Body ECU (Main Body ECU)

      *2

      Claw of Junction Block

      *3

      Protective Tape

      Press the claw of the junction block as shown in the illustration to release the lock.

    2. With the junction block lock released, insert a screwdriver with its tip wrapped with protective tape horizontally between the multiplex network body ECU (main body ECU) and junction block.

      Note:

      Use a screwdriver with a diameter of between 5.0 mm (0.197 in.) and 6.3 mm (0.248 in.) and a length of approximately 90 mm (3.54 in.).

    3. E270639C01

      *1

      Protective Tape

      Using the screwdriver, carefully raise the multiplex network body ECU (main body ECU) up to the position where the connector becomes disengaged.

      Note:
      • Do not insert the screwdriver opening between the junction block and the connector of the multiplex network body ECU (main body ECU).

      • Do not twist the screwdriver to raise the multiplex network body ECU (main body ECU).

    4. E270641N01

      Raise the multiplex network body ECU (main body ECU) as shown by the arrow (1), and then pull it out as shown by the arrow (2) in the illustration.

      Note:

      Do not touch the ECU connector.