NAVIGATION SYSTEM Speaker Circuit

DTC Code DTC Name
Speaker Circuit

DESCRIPTION

The sound signals amplified by the radio and display receiver assembly are sent to the speakers from the radio and display receiver assembly via the speaker circuit.

If there is a short in a speaker circuit, the radio and display receiver assembly detects it and stops output to the speakers.

Thus sound cannot be heard from the speakers even if there is no malfunction in the radio and display receiver assembly, telematics transceiver* or speakers.

  • *: w/ Telematics Transceiver

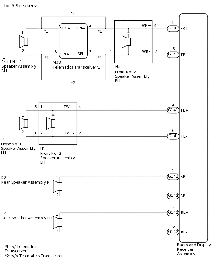
WIRING DIAGRAM

E353345E07
E289192E05
E289193E23

CAUTION / NOTICE / HINT

Note:

Check that the wire harness is properly installed and does not have any sharp bends, pinching or loose connections.

Click here

PROCEDURE

  1. CHECK VEHICLE CONDITION

    1. Check the vehicle condition.

    Result

    Result

    Proceed to

    for 6 Speakers (w/ Telematics Transceiver)

    A

    for 6 Speakers (w/o Telematics Transceiver)

    B

    for 11 Speakers

    C

    B

    CHECK HARNESS AND CONNECTOR (SPEAKER CIRCUIT)Click here

    C

    CHECK HARNESS AND CONNECTOR (SPEAKER CIRCUIT)Click here

    A
  2. CHECK HARNESS AND CONNECTOR (SPEAKER CIRCUIT)

    • *1: for LH Side

    • *2: for RH Side

    1. Disconnect the G141 and G142 radio and display receiver assembly connectors.

    2. Disconnect the J1*1 and/or I1*2 front No. 1 speaker assembly connector.

    3. Disconnect the H1*1 and/or H3*2 front No. 2 speaker assembly connector.

    4. Disconnect the L2*1 and/or K2*2 rear speaker assembly connector.

    5. Disconnect the M38 telematics transceiver connector.

    6. Measure the resistance according to the value(s) in the table below.

      Standard Resistance

      Table 1. for LH Side

      Tester Connection

      Condition

      Specified Condition

      G141-2 (FL+) - H1-4 (TWL+)

      Always

      Below 1 Ω

      G141-6 (FL-) - H1-2 (TWL-)

      Always

      Below 1 Ω

      H1-3 (+) - J1-1

      Always

      Below 1 Ω

      H1-1 (-) - J1-2

      Always

      Below 1 Ω

      G142-2 (RL+) - L2-1

      Always

      Below 1 Ω

      G142-6 (RL-) - L2-2

      Always

      Below 1 Ω

      G141-2 (FL+) - Body ground

      Always

      10 kΩ or higher

      G141-6 (FL-) - Body ground

      Always

      10 kΩ or higher

      G142-2 (RL+) - Body ground

      Always

      10 kΩ or higher

      G142-6 (RL-) - Body ground

      Always

      10 kΩ or higher

      H1-3 (+) - Body ground

      Always

      10 kΩ or higher

      H1-1 (-) - Body ground

      Always

      10 kΩ or higher

      Table 2. for RH Side

      Tester Connection

      Condition

      Specified Condition

      G141-1 (FR+) - H3-4 (TWR+)

      Always

      Below 1 Ω

      G141-5 (FR-) - H3-2 (TWR-)

      Always

      Below 1 Ω

      H3-3 (+) - M38-2 (SPI+)

      Always

      Below 1 Ω

      H3-1 (-) - M38-3 (SPI-)

      Always

      Below 1 Ω

      M38-5 (SPO+) - I1-1

      Always

      Below 1 Ω

      M38-6 (SPO-) - I1-2

      Always

      Below 1 Ω

      G142-1 (RR+) - K2-1

      Always

      Below 1 Ω

      G142-3 (RR-) - K2-2

      Always

      Below 1 Ω

      G141-1 (FR+) - Body ground

      Always

      10 kΩ or higher

      G141-5 (FR-) - Body ground

      Always

      10 kΩ or higher

      M38-5 (SPO+) - Body ground

      Always

      10 kΩ or higher

      M38-6 (SPO-) - Body ground

      Always

      10 kΩ or higher

      G142-1 (RR+) - Body ground

      Always

      10 kΩ or higher

      G142-3 (RR-) - Body ground

      Always

      10 kΩ or higher

      H3-3 (+) - Body ground

      Always

      10 kΩ or higher

      H3-1 (-) - Body ground

      Always

      10 kΩ or higher

    Result

    Proceed to

    OK

    NG

    NG

    REPAIR OR REPLACE HARNESS OR CONNECTOR

    OK
  3. INSPECT TELEMATICS TRANSCEIVER

    1. Remove the telematics transceiver.

      Click here

    2. E169849C05

      *a

      Component without harness connected

      (Telematics Transceiver)

      Measure the resistance according to the value(s) in the table below.

      Standard Resistance

      Tester Connection

      Condition

      Specified Condition

      2 (SPI+) - 5 (SPO+)

      Always

      Below 1 Ω

      3 (SPI-) - 6 (SPO-)

      Always

      Below 1 Ω

      2 (SPI+) - 3 (SPI-)

      Always

      10 kΩ or higher

      5 (SPO+) - 6 (SPO-)

      Always

      10 kΩ or higher

      2 (SPI+) or 5 (SPO+) - Body ground

      Always

      10 kΩ or higher

      3 (SPI-) or 6 (SPO-) - Body ground

      Always

      10 kΩ or higher

    Result

    Proceed to

    OK

    NG

    OK

    INSPECT FRONT NO. 1 SPEAKER ASSEMBLYClick here

    NG

    REPLACE TELEMATICS TRANSCEIVER

  4. CHECK HARNESS AND CONNECTOR (SPEAKER CIRCUIT)

    • *1: for LH Side

    • *2: for RH Side

    1. Disconnect the G141 and G142 radio and display receiver assembly connectors.

    2. Disconnect the J1*1 and/or I1*2 front No. 1 speaker assembly connector.

    3. Disconnect the H1*1 and/or H3*2 front No. 2 speaker assembly connector.

    4. Disconnect the L2*1 and/or K2*2 rear speaker assembly connector.

    5. Measure the resistance according to the value(s) in the table below.

      Standard Resistance

      Table 3. for LH Side

      Tester Connection

      Condition

      Specified Condition

      G141-2 (FL+) - H1-4 (TWL+)

      Always

      Below 1 Ω

      G141-6 (FL-) - H1-2 (TWL-)

      Always

      Below 1 Ω

      H1-3 (+) - J1-1

      Always

      Below 1 Ω

      H1-1 (-) - J1-2

      Always

      Below 1 Ω

      G142-2 (RL+) - L2-1

      Always

      Below 1 Ω

      G142-6 (RL-) - L2-2

      Always

      Below 1 Ω

      G141-2 (FL+) - Body ground

      Always

      10 kΩ or higher

      G141-6 (FL-) - Body ground

      Always

      10 kΩ or higher

      G142-2 (RL+) - Body ground

      Always

      10 kΩ or higher

      G142-6 (RL-) - Body ground

      Always

      10 kΩ or higher

      H1-3 (+) - Body ground

      Always

      10 kΩ or higher

      H1-1 (-) - Body ground

      Always

      10 kΩ or higher

      Table 4. for RH Side

      Tester Connection

      Condition

      Specified Condition

      G141-1 (FR+) - H3-4 (TWR+)

      Always

      Below 1 Ω

      G141-5 (FR-) - H3-2 (TWR-)

      Always

      Below 1 Ω

      H3-3 (+) - I1-1

      Always

      Below 1 Ω

      H3-1 (-) - I1-2

      Always

      Below 1 Ω

      G142-1 (RR+) - K2-1

      Always

      Below 1 Ω

      G142-3 (RR-) - K2-2

      Always

      Below 1 Ω

      G141-1 (FR+) - Body ground

      Always

      10 kΩ or higher

      G141-5 (FR-) - Body ground

      Always

      10 kΩ or higher

      G142-1 (RR+) - Body ground

      Always

      10 kΩ or higher

      G142-3 (RR-) - Body ground

      Always

      10 kΩ or higher

      H3-3 (+) - Body ground

      Always

      10 kΩ or higher

      H3-1 (-) - Body ground

      Always

      10 kΩ or higher

    Result

    Proceed to

    OK

    NG

    NG

    REPAIR OR REPLACE HARNESS OR CONNECTOR

    OK
  5. INSPECT FRONT NO. 1 SPEAKER ASSEMBLY

    1. Remove the front No. 1 speaker assembly connector.

      Click here

    2. Inspect the front No. 1 speaker assembly.

      Click here

    Result

    Proceed to

    OK

    NG

    NG

    REPLACE FRONT NO. 1 SPEAKER ASSEMBLY

    OK
  6. CHECK FRONT NO. 2 SPEAKER ASSEMBLY

    1. Replace the front No. 2 speaker assembly with a new or known good one.

      Click here

    2. Check the malfunction disappears.

      Tip:
      • Connect all the connectors to the front No. 2 speaker assemblies that were disconnected.

      • When there is a possibility that either the right or left front speaker is defective, inspect by interchanging the right one with the left one.

      • Perform the above inspection on both LH and RH sides.

      OK

      Malfunction disappears.

    Result

    Proceed to

    OK

    NG

    OK

    END (FRONT NO. 2 SPEAKER ASSEMBLY IS DEFECTIVE)

    NG
  7. INSPECT REAR SPEAKER ASSEMBLY

    1. Remove the rear speaker assembly connector.

      Click here

    2. Inspect the rear speaker assembly.

      Click here

    Result

    Proceed to

    OK

    NG

    OK

    REPLACE RADIO AND DISPLAY RECEIVER ASSEMBLY

    NG

    REPLACE REAR SPEAKER ASSEMBLY

  8. CHECK HARNESS AND CONNECTOR (SPEAKER CIRCUIT)

    • *1: for LH Side

    • *2: for RH Side

    1. Disconnect the M33 stereo component amplifier assembly connector.

    2. Disconnect the J1*1 and/or I1*2 front No. 1 speaker assembly connector.

    3. Disconnect the H2*1 and/or H4*2 front No. 2 speaker assembly connector.

    4. Disconnect the L2*1 and/or K2*2 rear speaker assembly connector.

    5. Disconnect the M34 Woofer box speaker assembly connector.

    6. Measure the resistance according to the value(s) in the table below.

      Standard Resistance

      Table 5. for LH Side

      Tester Connection

      Condition

      Specified Condition

      M33-14 (FL+) - J1-1

      Always

      Below 1 Ω

      M33-29 (FL-) - J1-2

      Always

      Below 1 Ω

      M33-10 (TWL+) - H2-4(TWL+)

      Always

      Below 1 Ω

      M33-25 (TWL-) - H2-3(TWL-)

      Always

      Below 1 Ω

      M33-11 (RL+) - L2-1

      Always

      Below 1 Ω

      M33-26 (RL-) - L2-2

      Always

      Below 1 Ω

      M33-14 (FL+) - Body ground

      Always

      10 kΩ or higher

      M33-29 (FL-) - Body ground

      Always

      10 kΩ or higher

      M33-10 (TWL+) - Body ground

      Always

      10 kΩ or higher

      M33-25 (TWL-) - Body ground

      Always

      10 kΩ or higher

      M33-11 (RL+) - Body ground

      Always

      10 kΩ or higher

      M33-26 (RL-) - Body ground

      Always

      10 kΩ or higher

      Table 6. for RH Side

      Tester Connection

      Condition

      Specified Condition

      M33-9 (FR+) - I1-1

      Always

      Below 1 Ω

      M33-24 (FR-) - I1-2

      Always

      Below 1 Ω

      M33-13 (TWR+) - H4-4(TWR+)

      Always

      Below 1 Ω

      M33-28 (TWR-) - H4-3(TWR-)

      Always

      Below 1 Ω

      M33-12 (RR+) - K2-1

      Always

      Below 1 Ω

      M33-27 (RR-) - K2-2

      Always

      Below 1 Ω

      M33-9 (FR+) - Body ground

      Always

      10 kΩ or higher

      M33-24 (FR-) - Body ground

      Always

      10 kΩ or higher

      M33-13 (TWR+) - Body ground

      Always

      10 kΩ or higher

      M33-28 (TWR-) - Body ground

      Always

      10 kΩ or higher

      M33-12 (RR+) - Body ground

      Always

      10 kΩ or higher

      M33-27 (RR-) - Body ground

      Always

      10 kΩ or higher

      Table 7. for Woofer Box Speaker

      Tester Connection

      Condition

      Specified Condition

      M33-15 (WFR+) - M34-4 (WF+)

      Always

      Below 1 Ω

      M33-30 (WFR-) - M34-1 (WF-)

      Always

      Below 1 Ω

      M33-8 (WFL+) - M34-3 (WF+)

      Always

      Below 1 Ω

      M33-23 (WFL-) - M34-2 (WF-)

      Always

      Below 1 Ω

      M33-15 (WFR+) - Body ground

      Always

      10 kΩ or higher

      M33-30 (WFR-) - Body ground

      Always

      10 kΩ or higher

      M33-8 (WFL+) - Body ground

      Always

      10 kΩ or higher

      M33-23 (WFL-) - Body ground

      Always

      10 kΩ or higher

    Result

    Proceed to

    OK

    NG

    NG

    REPAIR OR REPLACE HARNESS OR CONNECTOR

    OK
  9. INSPECT FRONT NO. 1 SPEAKER ASSEMBLY

    1. Remove the front No. 1 speaker assembly connector.

      Click here

    2. Inspect the front No. 1 speaker assembly.

      Click here

    Result

    Proceed to

    OK

    NG

    NG

    REPLACE FRONT NO. 1 SPEAKER ASSEMBLY

    OK
  10. CHECK FRONT NO. 2 SPEAKER ASSEMBLY

    1. Replace the front No. 2 speaker assembly with a new or known good one.

      Click here

    2. Check the malfunction disappears.

      Tip:
      • Connect all the connectors to the front No. 2 speaker assemblies that were disconnected.

      • When there is a possibility that either the right or left front speaker is defective, inspect by interchanging the right one with the left one.

      • Perform the above inspection on both LH and RH sides.

      OK

      Malfunction disappears.

    Result

    Proceed to

    OK

    NG

    OK

    END (FRONT NO. 2 SPEAKER ASSEMBLY IS DEFECTIVE)

    NG
  11. CHECK REAR SPEAKER ASSEMBLY

    1. Replace the rear speaker assembly with a new or known good one.

      Click here

    2. Check the malfunction disappears.

      Tip:
      • Connect all the connectors to the rear speaker assemblies that were disconnected.

      • When there is a possibility that either the right or left front speaker is defective, inspect by interchanging the right one with the left one.

      • Perform the above inspection on both LH and RH sides.

      OK

      Malfunction disappears.

    Result

    Proceed to

    OK

    NG

    OK

    END (REAR SPEAKER ASSEMBLY IS DEFECTIVE)

    NG
  12. INSPECT WOOFER BOX SPEAKER ASSEMBLY

    1. Remove the woofer box speaker assembly.

      Click here

    2. Inspect the woofer box speaker assembly.

      Click here

    Result

    Proceed to

    OK

    NG

    NG

    REPLACE WOOFER BOX SPEAKER ASSEMBLY

    OK
  13. CHECK STEREO COMPONENT AMPLIFIER ASSEMBLY

    1. Replace the stereo component amplifier assembly with a new or known good one.

      Click here

    2. Check the malfunction disappears.

      OK

      Malfunction disappears.

    Result

    Proceed to

    OK

    NG

    OK

    END (STEREO COMPONENT AMPLIFIER ASSEMBLY IS DEFECTIVE)

    NG

    REPLACE RADIO AND DISPLAY RECEIVER ASSEMBLY