REAR POWER SEAT CONTROL SYSTEM(for Third Row) Power Seat Motor Circuit

DESCRIPTION

When a switch of the fold seat switch assembly or No. 1 fold seat switch assembly is pushed, the fold seat control ECU receives a switch operation signal and operates each motor.

WIRING DIAGRAM

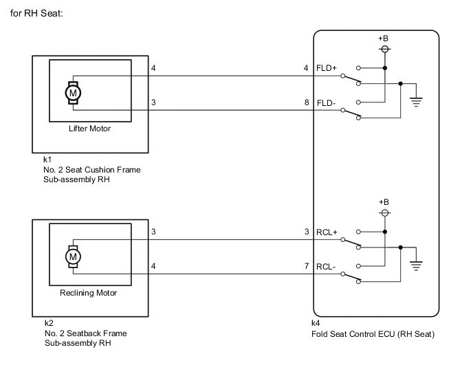
B005PXQE09
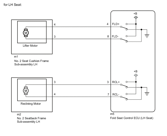
B005PXQE10

CAUTION / NOTICE / HINT

Note


  • When a fold seat control ECU (RH/LH seat) is replaced or removed and reinstalled, it is necessary to perform initialization.

    Click here

  • When No. 2 seat cushion frame sub-assembly RH, No. 2 seat cushion frame sub-assembly LH, No. 2 seatback frame sub-assembly RH or No. 2 seatback frame sub-assembly LH is removed and reinstalled, it is necessary to perform initialization.

    Click here

PROCEDURE


  1. CHECK REAR POWER SEAT CONTROL SYSTEM (for Third Row)


    1. Check that the rear power seat control system (for Third Row) function operates normally.

      Result
      Result Proceed to
      Lifter motor (RH) does not operate normally. A
      Reclining motor (RH) does not operate normally. B
      Lifter motor (LH) does not operate normally. C
      Reclining motor (LH) does not operate normally. D

    B
    C
    D
    A
  2. INSPECT NO. 2 SEAT CUSHION FRAME SUB-ASSEMBLY RH (LIFTER MOTOR)


    1. Remove the No. 2 seat cushion frame sub-assembly RH.

      Click here

    2. Inspect the No. 2 seat cushion frame sub-assembly RH. (Lifter Motor)

      Click here

      Result
      Proceed to
      OK
      NG

    NG
    OK
  3. CHECK FOLD SEAT CONTROL ECU (RH SEAT)


    1. Measure the voltage according to the value(s) in the table below.

      Standard Voltage
      Tester Connection Condition Specified Condition
      k1-4 - Body ground Fold switch (RH) of fold seat switch assembly or No. 1 fold seat switch assembly pushed 11 to 14 V
      k1-3 - Body ground Return switch (RH) of fold seat switch assembly or No. 1 fold seat switch assembly pushed 11 to 14 V
      Result
      Proceed to
      OK
      NG

    OK
    NG
  4. CHECK HARNESS AND CONNECTOR (FOLD SEAT CONTROL ECU (RH SEAT) - NO. 2 SEAT CUSHION FRAME SUB-ASSEMBLY RH)


    1. Disconnect the k4 fold seat control ECU (RH seat) connector.

    2. Measure the resistance according to the value(s) in the table below.

      Standard Resistance
      Tester Connection Condition Specified Condition
      k4-4 (FLD+) - k1-4 Always Below 1 Ω
      k4-4 (FLD+) or k1-4 - Body ground Always 10 kΩ or higher
      k4-8 (FLD-) - k1-3 Always Below 1 Ω
      k4-8 (FLD-) or k1-3 - Body ground Always 10 kΩ or higher
      Result
      Proceed to
      OK
      NG

    OK
    NG
  5. INSPECT NO. 2 SEATBACK FRAME SUB-ASSEMBLY RH (RECLINING MOTOR)


    1. Remove the No. 2 seatback frame sub-assembly RH.

      Click here

    2. Inspect the No. 2 seatback frame sub-assembly RH. (Reclining Motor)

      Click here

      Result
      Proceed to
      OK
      NG

    NG
    OK
  6. CHECK FOLD SEAT CONTROL ECU (RH SEAT)


    1. Measure the voltage according to the value(s) in the table below.

      Standard Voltage
      Tester Connection Condition Specified Condition
      k2-3 - Body ground Fold switch (RH) of fold seat switch assembly or No. 1 fold seat switch assembly pushed 11 to 14 V
      k2-4 - Body ground Return switch (RH) of fold seat switch assembly or No. 1 fold seat switch assembly pushed 11 to 14 V
      Result
      Proceed to
      OK
      NG

    OK
    NG
  7. CHECK HARNESS AND CONNECTOR (FOLD SEAT CONTROL ECU (RH SEAT) - NO. 2 SEATBACK FRAME SUB-ASSEMBLY RH)


    1. Disconnect the k4 fold seat control ECU (RH seat) connector.

    2. Measure the resistance according to the value(s) in the table below.

      Standard Resistance
      Tester Connection Condition Specified Condition
      k4-3 (RCL+) - k2-3 Always Below 1 Ω
      k4-3 (RCL+) or k2-3 - Body ground Always 10 kΩ or higher
      k4-7 (RCL-) - k2-4 Always Below 1 Ω
      k4-7 (RCL-) or k2-4 - Body ground Always 10 kΩ or higher
      Result
      Proceed to
      OK
      NG

    OK
    NG
  8. INSPECT NO. 2 SEAT CUSHION FRAME SUB-ASSEMBLY LH (LIFTER MOTOR)


    1. Remove the No. 2 seat cushion frame sub-assembly LH.

      Click here

    2. Inspect the No. 2 seat cushion frame sub-assembly LH. (Lifter Motor)

      Click here

      Result
      Proceed to
      OK
      NG

    NG
    OK
  9. CHECK FOLD SEAT CONTROL ECU (LH SEAT)


    1. Measure the voltage according to the value(s) in the table below.

      Standard Voltage
      Tester Connection Condition Specified Condition
      m1-4 - Body ground Fold switch (LH) of fold seat switch assembly or No. 1 fold seat switch assembly pushed 11 to 14 V
      m1-3 - Body ground Return switch (LH) of fold seat switch assembly or No. 1 fold seat switch assembly pushed 11 to 14 V
      Result
      Proceed to
      OK
      NG

    OK
    NG
  10. CHECK HARNESS AND CONNECTOR (FOLD SEAT CONTROL ECU (LH SEAT) - NO. 2 SEAT CUSHION FRAME SUB-ASSEMBLY LH)


    1. Disconnect the m5 fold seat control ECU (LH seat) connector.

    2. Measure the resistance according to the value(s) in the table below.

      Standard Resistance
      Tester Connection Condition Specified Condition
      m5-4 (FLD+) - m1-4 Always Below 1 Ω
      m5-4 (FLD+) or m1-4 - Body ground Always 10 kΩ or higher
      m5-8 (FLD-) - m1-3 Always Below 1 Ω
      m5-8 (FLD-) or m1-3 - Body ground Always 10 kΩ or higher
      Result
      Proceed to
      OK
      NG

    OK
    NG
  11. INSPECT NO. 2 SEATBACK FRAME SUB-ASSEMBLY LH (RECLINING MOTOR)


    1. Remove the No. 2 seatback frame sub-assembly LH.

      Click here

    2. Inspect the No. 2 seatback frame sub-assembly LH. (Reclining Motor)

      Click here

      Result
      Proceed to
      OK
      NG

    NG
    OK
  12. CHECK FOLD SEAT CONTROL ECU (LH SEAT)


    1. Measure the voltage according to the value(s) in the table below.

      Standard Voltage
      Tester Connection Condition Specified Condition
      m2-3 - Body ground Fold switch (LH) of fold seat switch assembly or No. 1 fold seat switch assembly pushed 11 to 14 V
      m2-4 - Body ground Return switch (LH) of fold seat switch assembly or No. 1 fold seat switch assembly pushed 11 to 14 V
      Result
      Proceed to
      OK
      NG

    OK
    NG
  13. CHECK HARNESS AND CONNECTOR (FOLD SEAT CONTROL ECU (LH SEAT) - NO. 2 SEATBACK FRAME SUB-ASSEMBLY LH)


    1. Disconnect the m5 fold seat control ECU (LH seat) connector.

    2. Measure the resistance according to the value(s) in the table below.

      Standard Resistance
      Tester Connection Condition Specified Condition
      m5-3 (RCL+) - m2-3 Always Below 1 Ω
      m5-3 (RCL+) or m2-3 - Body ground Always 10 kΩ or higher
      m5-7 (RCL-) - m2-4 Always Below 1 Ω
      m5-7 (RCL-) or m2-4 - Body ground Always 10 kΩ or higher
      Result
      Proceed to
      OK
      NG

    OK
    NG