REAR POWER SEAT CONTROL SYSTEM(for Third Row) Position Sensor Circuit

DESCRIPTION

When a fold seat control ECU receives signals from the fold seat switch assembly or No. 1 fold seat switch assembly, it operates the reclining motor and lifter motor of its corresponding rear No. 2 power seat. When the reclining motor or lifter motor is operating, the position sensor (Hall IC) in it outputs signals. These signals are received by the corresponding fold seat control ECU, which uses them to detect the position of the seatback and seat cushion.

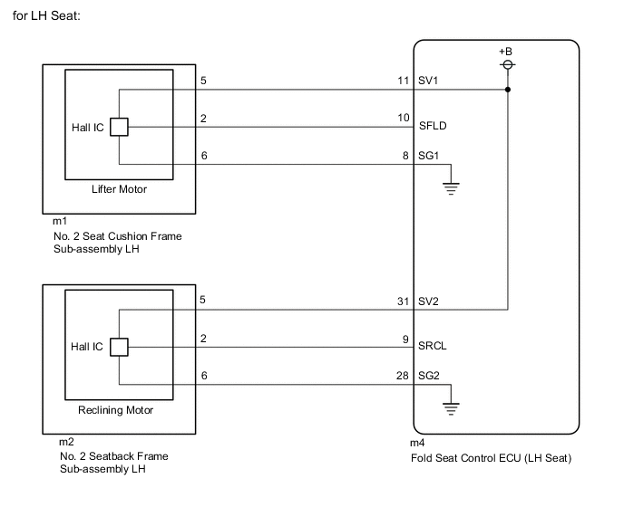
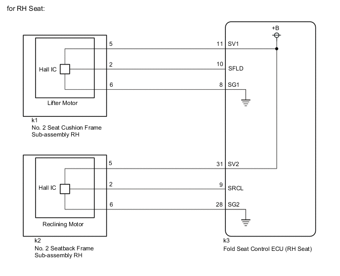
WIRING DIAGRAM

B005LVPE11
B005LVPE12

CAUTION / NOTICE / HINT

Note


  • When a fold seat control ECU (RH/LH seat) is replaced, it is necessary to perform initialization.

    Click here

  • When No. 2 seat cushion frame sub-assembly RH, No. 2 seat cushion frame sub-assembly LH, No. 2 seatback frame sub-assembly RH or No. 2 seatback frame sub-assembly LH is removed and reinstalled, it is necessary to perform initialization.

    Click here

PROCEDURE


  1. CHECK REAR POWER SEAT CONTROL SYSTEM (for Third Row)


    1. Check that the rear power seat control system (for Third Row) function operates normally.

      Result
      Result Proceed to
      Fold/Return functions of rear No. 2 power seat RH do not operate normally. A
      Fold/Return functions of rear No. 2 power seat LH do not operate normally. B

    B
    A
  2. CHECK FOLD SEAT CONTROL ECU (RH SEAT) (SENSOR POWER SOURCE)


    1. Disconnect the k1 No. 2 seat cushion frame sub-assembly RH connector.

    2. Disconnect the k2 No. 2 seatback frame sub-assembly RH connector.

    3. Measure the voltage according to the value(s) in the table below.

      Standard Voltage
      Lifter Motor
      Tester Connection Condition Specified Condition
      k1-5 - k1-6 Fold switch (RH) of fold seat switch assembly or No. 1 fold seat switch assembly pushed 5.5 to 10 V
      Reclining Motor
      Tester Connection Condition Specified Condition
      k2-5 - k2-6 Return switch (RH) of fold seat switch assembly or No. 1 fold seat switch assembly pushed 5.5 to 10 V
      Result
      Proceed to
      OK
      NG

    NG
    OK
  3. CHECK NO. 2 SEAT CUSHION FRAME SUB-ASSEMBLY RH (SENSOR SIGNAL)


    1. B005QEXC17
      *a

      Component with harness connected

      (No. 2 Seat Cushion Frame Sub-assembly RH (Lifter Motor))

      Reconnect the k1 No. 2 seat cushion frame sub-assembly RH connector.

    2. Using an oscilloscope, check the waveform.

      OK
      Tester Connection Condition Specified Condition
      k1-2 - Body ground Lifter motor operating

      Pulse generation

      (Hi: 5.5 to 10 V, Lo: Below 1 V)

      Result
      Proceed to
      OK
      NG

    NG
    OK
  4. CHECK NO. 2 SEATBACK FRAME SUB-ASSEMBLY RH (SENSOR SIGNAL)


    1. B005QEXC18
      *a

      Component with harness connected

      (No. 2 Seatback Frame Sub-assembly RH (Reclining Motor))

      Reconnect the k2 No. 2 seatback frame sub-assembly RH connector.

    2. Using an oscilloscope, check the waveform.

      OK
      Tester Connection Condition Specified Condition
      k2-2 - Body ground Reclining motor operation

      Pulse generation

      (Hi: 5.5 to 10 V, Lo: Below 1 V)

      Result
      Proceed to
      OK
      NG

    OK
    NG
  5. CHECK HARNESS AND CONNECTOR (NO. 2 SEAT CUSHION FRAME SUB-ASSEMBLY RH AND NO. 2 SEATBACK FRAME SUB-ASSEMBLY RH - FOLD SEAT CONTROL ECU (RH SEAT))


    1. Disconnect the k3 fold seat control ECU (RH seat) connector.

    2. Measure the resistance according to the value(s) in the table below.

      Standard Resistance
      Lifter Motor
      Tester Connection Condition Specified Condition
      k1-5 - k3-11 (SV1) Always Below 1 Ω
      k1-5 or k3-11 (SV1) - Body ground Always 10 kΩ or higher
      k1-6 - k3-8 (SG1) Always Below 1 Ω
      k1-6 or k3-8 (SG1) - Body ground Always 10 kΩ or higher
      Reclining Motor
      Tester Connection Condition Specified Condition
      k2-5 - k3-31 (SV2) Always Below 1 Ω
      k2-5 or k3-31 (SV2) - Body ground Always 10 kΩ or higher
      k2-6 - k3-28 (SG2) Always Below 1 Ω
      k2-6 or k3-28 (SG2) - Body ground Always 10 kΩ or higher
      Result
      Proceed to
      OK
      NG

    OK
    NG
  6. CHECK HARNESS AND CONNECTOR (NO. 2 SEAT CUSHION FRAME SUB-ASSEMBLY RH - FOLD SEAT CONTROL ECU (RH SEAT))


    1. Disconnect the k3 fold seat control ECU (RH seat) connector.

    2. Measure the resistance according to the value(s) in the table below.

      Standard Resistance
      Tester Connection Condition Specified Condition
      k1-2 - k3-10 (SFLD) Always Below 1 Ω
      k1-2 or k3-10 (SFLD) - Body ground Always 10 kΩ or higher
      Result
      Proceed to
      OK
      NG

    OK
    NG
  7. CHECK HARNESS AND CONNECTOR (NO. 2 SEATBACK FRAME SUB-ASSEMBLY RH - FOLD SEAT CONTROL ECU (RH SEAT))


    1. Disconnect the k3 fold seat control ECU (RH seat) connector.

    2. Measure the resistance according to the value(s) in the table below.

      Standard Resistance
      Tester Connection Condition Specified Condition
      k2-2 - k3-9 (SRCL) Always Below 1 Ω
      k2-2 or k3-9 (SRCL) - Body ground Always 10 kΩ or higher
      Result
      Proceed to
      OK
      NG

    OK
    NG
  8. CHECK FOLD SEAT CONTROL ECU (LH SEAT) (SENSOR POWER SOURCE)


    1. Disconnect the m1 No. 2 seat cushion frame sub-assembly LH connector.

    2. Disconnect the m2 No. 2 seatback frame sub-assembly LH connector.

    3. Measure the voltage according to the value(s) in the table below.

      Standard Voltage
      Lifter Motor
      Tester Connection Condition Specified Condition
      m1-5 - m1-6 Fold switch (LH) of fold seat switch assembly or No. 1 fold seat switch assembly pushed 5.5 to 10 V
      Reclining Motor
      Tester Connection Condition Specified Condition
      m2-5 - m2-6 Return switch (LH) of fold seat switch assembly or No. 1 fold seat switch assembly pushed 5.5 to 10 V
      Result
      Proceed to
      OK
      NG

    NG
    OK
  9. CHECK NO. 2 SEAT CUSHION FRAME SUB-ASSEMBLY LH (SENSOR SIGNAL)


    1. B005QEXC19
      *a

      Component with harness connected

      (No. 2 Seat Cushion Frame Sub-assembly LH (Lifter Motor))

      Reconnect the m1 No. 2 seat cushion frame sub-assembly LH connector.

    2. Using an oscilloscope, check the waveform.

      OK
      Tester Connection Condition Specified Condition
      m1-2 - Body ground Lifter motor operation

      Pulse generation

      (Hi: 5.5 to 10 V, Lo: Below 1 V)

      Result
      Proceed to
      OK
      NG

    NG
    OK
  10. CHECK NO. 2 SEATBACK FRAME SUB-ASSEMBLY LH (SENSOR SIGNAL)


    1. B005QEXC20
      *a

      Component with harness connected

      (No. 2 Seatback Frame Sub-assembly LH (Reclining Motor))

      Reconnect the m2 No. 2 seatback frame sub-assembly RH connector.

    2. Using an oscilloscope, check the waveform.

      OK
      Tester Connection Condition Specified Condition
      m2-2 - Body ground Reclining motor operation

      Pulse generation

      (Hi: 5.5 to 10 V, Lo: Below 1 V)

      Result
      Proceed to
      OK
      NG

    OK
    NG
  11. CHECK HARNESS AND CONNECTOR (NO. 2 SEAT CUSHION FRAME SUB-ASSEMBLY LH AND NO. 2 SEATBACK FRAME SUB-ASSEMBLY LH - FOLD SEAT CONTROL ECU (LH SEAT))


    1. Disconnect the m4 fold seat control ECU (LH seat) connector.

    2. Measure the resistance according to the value(s) in the table below.

      Standard Resistance
      Lifter Motor
      Tester Connection Condition Specified Condition
      m1-5 - m4-11 (SV1) Always Below 1 Ω
      m1-5 or m4-11 (SV1) - Body ground Always 10 kΩ or higher
      m1-6 - m4-8 (SG1) Always Below 1 Ω
      m1-6 or m4-8 (SG1) - Body ground Always 10 kΩ or higher
      Reclining Motor
      Tester Connection Condition Specified Condition
      m2-5 - m4-31 (SV2) Always Below 1 Ω
      m2-5 or m4-31 (SV2) - Body ground Always 10 kΩ or higher
      m2-6 - m4-28 (SG2) Always Below 1 Ω
      m2-6 or m4-28 (SG2) - Body ground Always 10 kΩ or higher
      Result
      Proceed to
      OK
      NG

    OK
    NG
  12. CHECK HARNESS AND CONNECTOR (NO. 2 SEAT CUSHION FRAME SUB-ASSEMBLY LH - FOLD SEAT CONTROL ECU (LH SEAT))


    1. Disconnect the m4 fold seat control ECU (LH seat) connector.

    2. Measure the resistance according to the value(s) in the table below.

      Standard Resistance
      Tester Connection Condition Specified Condition
      m1-2 - m4-10 (SFLD) Always Below 1 Ω
      m1-2 or m4-10 (SFLD) - Body ground Always 10 kΩ or higher
      Result
      Proceed to
      OK
      NG

    OK
    NG
  13. CHECK HARNESS AND CONNECTOR (NO. 2 SEATBACK FRAME SUB-ASSEMBLY LH - FOLD SEAT CONTROL ECU (LH SEAT))


    1. Disconnect the m4 fold seat control ECU (LH seat) connector.

    2. Measure the resistance according to the value(s) in the table below.

      Standard Resistance
      Tester Connection Condition Specified Condition
      m2-2 - m4-9 (SRCL) Always Below 1 Ω
      m2-2 or m4-9 (SRCL) - Body ground Always 10 kΩ or higher
      Result
      Proceed to
      OK
      NG

    OK
    NG