СИСТЕМА ЗАПУСКА И ОСТАНОВА, диагностический DTC:P1780

Код DTC Наименование DTC
P1780 Расхождение значений Neutral Position SW и Shift Position

ОПИСАНИЕ

ЭБУ запуска и останова двигателя обнаруживает неисправности, сравнивая состояние сигнала положения рычага переключения передач и сигнала NSW. Если обнаруживается неисправность, ЭБУ запуска и останова двигателя включает контрольную лампу отключения системы запуска и останова в мигающем режиме, запрещает работу системы запуска и останова и регистрирует DTC P1780.

№ DTC

Неисправность

Условие обнаружения DTC

Неисправный участок

Индикация предупреждения

Память

P1780

Расхождение значений Neutral Position SW и Shift Position

Оба следующих условия выполняются в течение не менее 2 с (логика диагностирования за 2 поездки) (*1):

  • Питание включено (IG)

  • Сигнал NSW включен, когда рычаг переключения передач в положении D

Оба следующих условия выполняются в течение не менее 2 с (логика диагностирования за 2 поездки) (*1):

  • Питание включено (IG)

  • Сигнал NSW включен, когда рычаг переключения передач в положении R

Оба следующих условия выполняются в течение не менее 15 с (логика диагностирования за 2 поездки) (*2):

  • Питание включено (IG)

  • Сигнал NSW включен, когда рычаг переключения передач в положении Р или N

  • Датчик положения паркинга/нейтрали в сборе

  • ЭБУ запуска и останова двигателя

  • ECM

  • Жгут проводов или разъем

Мигает

Код DTC сохраняется

*1: Для параметра данных фиксированного набора параметров [Neutral Switch Stuck ON] отображается "ON"

*2: Для параметра данных фиксированного набора параметров [Neutral Switch Stuck OFF] отображается "ON"

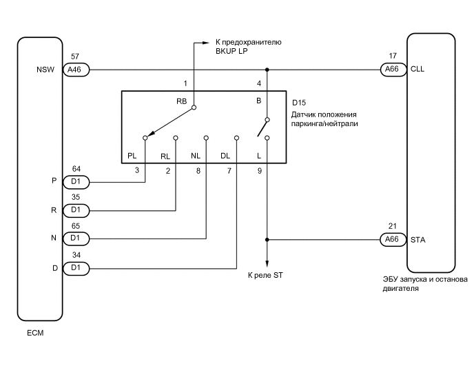
СХЕМА ЭЛЕКТРИЧЕСКИХ СОЕДИНЕНИЙ

A348495E11

ПРЕДОСТЕРЕЖЕНИЕ / ПРИМЕЧАНИЕ / УКАЗАНИЕ

Note:
  • Перед тем, как заменять ЭБУ запуска и останова двигателя, считайте число запусков стартера и общее количество запусков двигателя и запишите их в новый ЭБУ запуска и останова двигателя.

    Нажмите здесьClick here

  • После замены ЭБУ запуска и останова двигателя или блока управления системой кондиционирования выполните сброс и настройте данные системы кондиционирования в ЭБУ запуска и останова двигателя.

    Нажмите здесьClick here

  • После замены ЭБУ запуска и останова двигателя, ЭБУ системы SRS в сборе*1 или датчика замедления и рысканья*2 выполните удаление и калибровку "нуля" датчика замедления в ЭБУ запуска и останова двигателя.

    Нажмите здесьClick here

    • *1: для моделей с щитком приборов с оригинальной системой подсветки "Optitron"

    • *2: для моделей с щитком приборов с TFT-дисплеем

  • Если ECM заменяется на автомобиле с несоответствующей аккумуляторной батареей, необходимо выполнить изменение типа аккумуляторной батареи.

    Нажмите здесьClick here

  • Перед выполнением последующей процедуры проверки проверьте плавкие предохранители цепей, относящихся к данной системе.

Tip:
  • Перед диагностикой считайте данные фиксированного набора параметров с помощью GTS. Одновременно с записью в память кода DTC состояние системы сохраняется в данных фиксированного набора параметров. Эта информация может быть полезна при поиске и устранении неисправностей.

    Нажмите здесьClick here

  • Коды DTC системы запуска и останова не удаляются, даже если неисправность устранена. Поэтому после устранения неисправности необходимо самостоятельно удалить коды DTC.

    Нажмите здесьClick here

ПОРЯДОК ВЫПОЛНЕНИЯ

  1. СНИМИТЕ ПОКАЗАНИЯ GTS

    1. Подключите GTS к DLC3.

    2. Включите зажигание (IG).

    3. Включите GTS.

    4. Войдите в следующие меню: Powertrain / Transmission / Data List.

    5. Следуя подсказкам на экране GTS, считайте данные в режиме Data List.

      Powertrain > Transmission > Data List

      Информация на дисплее прибора

      Измеряемая величина

      Диапазон

      Нормальное состояние

      Shift SW Status (P Range)

      Состояние датчика положения паркинга/нейтрали в сборе

      OFF (ВЫКЛ) или ON (ВКЛ)

      OFF (ВЫКЛ): Рычаг переключения передач не в положении Р

      ON (ВКЛ): Рычаг переключения передач в положении Р

      Shift SW Status (R Range)

      Состояние датчика положения паркинга/нейтрали в сборе

      OFF (ВЫКЛ) или ON (ВКЛ)

      OFF (ВЫКЛ): рычаг переключения передач не в положении R

      ON (ВКЛ): Рычаг переключения передач в положении R

      Shift SW Status (N Range)

      Состояние датчика положения паркинга/нейтрали в сборе

      OFF (ВЫКЛ) или ON (ВКЛ)

      OFF (ВЫКЛ): Рычаг переключения передач не в положении N

      ON (ВКЛ): Рычаг переключения передач в положении N

      Shift SW Status (D Range)

      Состояние датчика положения паркинга/нейтрали в сборе

      OFF (ВЫКЛ) или ON (ВКЛ)

      OFF (ВЫКЛ): Рычаг переключения передач не в положении D или S

      ON (ВКЛ): Рычаг переключения передач в положении D или S

      Powertrain > Transmission > Data List

      Информация на дисплее прибора

      Shift SW Status (P Range)

      Shift SW Status (R Range)

      Shift SW Status (N Range)

      Shift SW Status (D Range)

    Result

    Перейти к

    OK

    НЕ СООТВ.

    НЕ СООТВ.

    ПРОВЕРЬТЕ ДАТЧИК ПОЛОЖЕНИЯ ПАРКИНГА/НЕЙТРАЛИ В СБОРЕClick here

    СООТВ
  2. СНИМИТЕ ПОКАЗАНИЯ GTS (NEUTRAL POSITION SW)

    1. Войдите в следующие меню: Powertrain / Transmission / Data List.

    2. Следуя подсказкам на экране GTS, считайте данные в режиме Data List.

      Powertrain > Transmission > Data List

      Информация на дисплее прибора

      Измеряемая величина

      Диапазон

      Нормальное состояние

      Neutral Position SW

      Состояние датчика положения паркинга/нейтрали в сборе

      OFF (ВЫКЛ) или ON (ВКЛ)

      OFF (ВЫКЛ): Рычаг переключения передач не в положении P или N

      ON (ВКЛ): Рычаг переключения передач в положении P или N

      Powertrain > Transmission > Data List

      Информация на дисплее прибора

      Neutral Position SW

    Result

    Перейти к

    OK

    НЕ СООТВ.

    OK

    ВЫПОЛНИТЕ ПРОВЕРКУ С ИМИТАЦИЕЙ УСЛОВИЙ ВОЗНИКНОВЕНИЯ НЕИСПРАВНОСТИ

    Нажмите здесьClick hereClick hereClick here

    NG
  3. ПРОВЕРЬТЕ ДАТЧИК ПОЛОЖЕНИЯ ПАРКИНГА/НЕЙТРАЛИ В СБОРЕ

    1. Проверьте датчик положения паркинга/нейтрали.

      Нажмите здесьClick here

    Результат

    Перейти к

    OK

    НЕ СООТВ.

    НЕ СООТВ.

    ЗАМЕНИТЕ ДАТЧИК ПОЛОЖЕНИЯ ПАРКИНГА/НЕЙТРАЛИ В СБОРЕ

    Нажмите здесьClick hereClick here

    СООТВ
  4. ПРОВЕРЬТЕ ЖГУТ ПРОВОДОВ И РАЗЪЕМ (ЭБУ ЗАПУСКА И ОСТАНОВА ДВИГАТЕЛЯ – ДАТЧИК ПОЛОЖЕНИЯ ПАРКИНГА/НЕЙТРАЛИ)

    1. Отсоедините разъем A66 ЭБУ запуска и останова двигателя.

    2. Отсоедините разъем D15 датчика положения паркинга/нейтрали.

    3. Измерьте сопротивление в соответствии со значениями, приведенными в таблице ниже.

      Номинальное сопротивление

      Подключение диагностического прибора

      Условие

      Заданные условия

      A66-21 (STA) - D15-9 (L)

      Всегда

      Менее 1 Ом

      A66-17 (CLL) - D15-4 (B)

      Всегда

      Менее 1 Ом

      A66-21 (STA) - масса

      Всегда

      80 - 180 Ом

      A66-17 (CLL) - масса

      Всегда

      10 кОм или более

      D15-9 (L) - масса

      Всегда

      80 - 180 Ом

      D15-4 (B) - масса

      Всегда

      10 кОм или более

    Результат

    Перейти к

    OK

    НЕ СООТВ.

    OK

    ЗАМЕНИТЕ ЭБУ ЗАПУСКА И ОСТАНОВА ДВИГАТЕЛЯ

    Нажмите здесьClick hereClick here

    NG

    ОТРЕМОНТИРУЙТЕ ИЛИ ЗАМЕНИТЕ ЖГУТ ПРОВОДОВ ИЛИ РАЗЪЕМ

  5. ПРОВЕРЬТЕ ДАТЧИК ПОЛОЖЕНИЯ ПАРКИНГА/НЕЙТРАЛИ В СБОРЕ

    1. Проверьте датчик положения паркинга/нейтрали.

      Нажмите здесьClick here

    Результат

    Перейти к

    OK

    НЕ СООТВ.

    НЕ СООТВ.

    ЗАМЕНИТЕ ДАТЧИК ПОЛОЖЕНИЯ ПАРКИНГА/НЕЙТРАЛИ В СБОРЕ

    Нажмите здесьClick hereClick here

    СООТВ
  6. ПРОВЕРЬТЕ ЖГУТ ПРОВОДОВ И РАЗЪЕМ (ECM – ДАТЧИК ПОЛОЖЕНИЯ ПАРКИНГА/НЕЙТРАЛИ В СБОРЕ)

    1. Отсоедините разъемы A46 и D1 ECM.

    2. Отсоедините разъем D15 датчика положения паркинга/нейтрали.

    3. Измерьте сопротивление в соответствии со значениями, приведенными в таблице ниже.

      Номинальное сопротивление

      Подключение диагностического прибора

      Условие

      Заданные условия

      D1-64 (P) - D15-3 (PL)

      Всегда

      Менее 1 Ом

      D1-35 (R) - D15-2 (RL)

      Всегда

      Менее 1 Ом

      D1-65 (N) - D15-8 (NL)

      Всегда

      Менее 1 Ом

      D1-34 (D) - D15-7 (DL)

      Всегда

      Менее 1 Ом

      A46-57 (NSW) - D15-4 (B)

      Всегда

      Менее 1 Ом

    Результат

    Перейти к

    OK

    НЕ СООТВ.

    OK

    ЗАМЕНИТЕ ECM

    Нажмите здесьClick hereClick here

    NG

    ОТРЕМОНТИРУЙТЕ ИЛИ ЗАМЕНИТЕ ЖГУТ ПРОВОДОВ ИЛИ РАЗЪЕМ