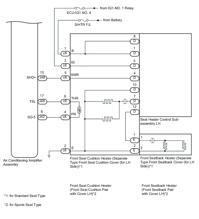
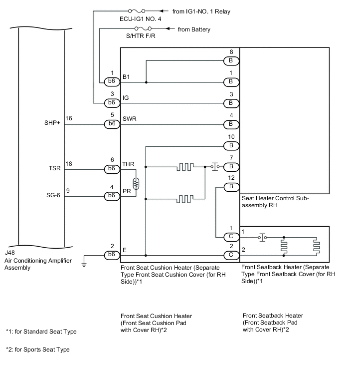
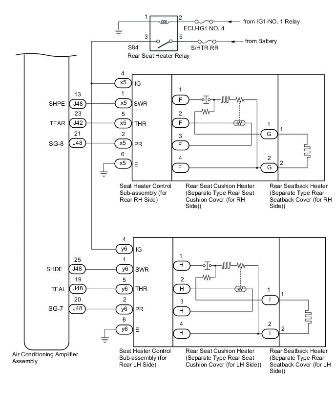
SEAT HEATER SYSTEM SYSTEM DIAGRAM


  1. for Front Seat

    B005OJEE02
    B005PV8E07
    B005OU3E04
  2. for Rear Seat (w/ Rear Seat Heater)

    B005NREE02
    B005PY8E09