HYBRID CONTROL SYSTEM, Diagnostic DTC:P0AA6-526,P0AA6-611,P0AA6-612,P0AA6-613,P0AA6-614 and P0AA6-655

DTC Code DTC Name
P0AA6-526 Hybrid Battery Voltage System Isolation Fault
P0AA6-611 Hybrid Battery Voltage System Isolation Fault
P0AA6-612 Hybrid Battery Voltage System Isolation Fault
P0AA6-613 Hybrid Battery Voltage System Isolation Fault
P0AA6-614 Hybrid Battery Voltage System Isolation Fault
P0AA6-655 Hybrid Battery Voltage System Isolation Fault

DESCRIPTION

The hybrid vehicle control ECU monitors the battery voltage sensor and detects insulation malfunctions in the high-voltage system.

DTC No.

Detection Item

DTC Detection Condition

Trouble Area

MIL

Warning Indicate

P0AA6-526

Hybrid Battery Voltage System Isolation Fault

Insulation resistance between the high-voltage circuit and the body has decreased.*1

(1 trip detection logic)

  • Hybrid vehicle transaxle assembly

  • Rear traction motor with transaxle assembly (for AWD)

  • Inverter with converter assembly

  • Extension wire assembly (for AWD)

  • No. 2 frame wire

  • No. 2 engine wire

  • HV battery junction block assembly

  • Air conditioning system

  • HV battery

  • Battery voltage sensor

Does not come on

Master Warning Light:

Comes on

P0AA6-611

Hybrid Battery Voltage System Isolation Fault

Insulation resistance of the compressor with motor assembly or air conditioning inverter has decreased.*2

(1 trip detection logic)

Air conditioning system

Does not come on

Master Warning Light:

Comes on

P0AA6-612

Hybrid Battery Voltage System Isolation Fault

Insulation resistance of the HV battery, battery voltage sensor or SMR has decreased.*2

(1 trip detection logic)

  • HV battery junction block assembly

  • Battery voltage sensor

  • HV battery

Does not come on

Master Warning Light:

Comes on

P0AA6-613

Hybrid Battery Voltage System Isolation Fault

Insulation resistance of the hybrid vehicle transaxle assembly or inverter for the generator (MG1) and motor (MG2) has decreased.*2

(1 trip detection logic)

  • Hybrid vehicle transaxle assembly

  • Inverter with converter assembly

Does not come on

Master Warning Light:

Comes on

P0AA6-614

Hybrid Battery Voltage System Isolation Fault

Insulation resistance of the inverter for the generator (MG1) and motor (MG2), A/C inverter, SMR or No. 2 frame wire has decreased.*2

(1 trip detection logic)

  • Inverter with converter assembly

  • No. 2 frame wire

  • Air conditioning system

  • No. 2 engine wire

  • HV battery junction block assembly

Does not come on

Master Warning Light:

Comes on

P0AA6-655

Hybrid Battery Voltage System Isolation Fault

Insulation resistance of the rear traction motor with transaxle assembly area has decreased.*2

(1 trip detection logic)

  • Rear traction motor with transaxle assembly

  • Inverter with converter assembly

  • No. 2 frame wire

  • Extension wire assembly

Does not come on

Master Warning Light:

Comes on

Tip:
  • *1: The insulation malfunction detection circuit in the battery voltage sensor monitors the insulation resistance between the high voltage circuits and body. If the insulation resistance decreases, the hybrid vehicle control ECU stores DTC P0AA6-526 and illuminates the master warning light first regardless of malfunction area.

    Sometimes the insulation malfunction is hard to duplicate due to the vehicle's condition changing. So if DTC P0AA6-526 outputs, complete the following steps as soon as possible.

  • *2: If the following operations are performed within the same trip after DTC P0AA6-526 is stored, just one of the related DTCs (P0AA6-611, 612, 613, 614 or 655 (for AWD)) will be stored.

    1. Apply the parking brake firmly.

    2. Wait for 1 minute or more with the vehicle stopped, the brake pedal firmly depressed, the power switch on (READY), the shift lever in D and the air conditioning system on (Lo/COOL MAX, blower speed HI), then turn the power switch off and wait for 1 minute or more.

    3. After turning the power switch off (READY off), wait 1 minute or more.

      Tip:
      • DTCs and freeze frame data are useful information in determining the malfunctioning part. When the vehicle is brought to the workshop, read the DTCs and freeze frame data related to P0AA6 and make sure to record the information. (Even if the high-voltage insulation malfunction could not be reproduced, DTCs once memorized will not be cleared unless the clear operation is performed, so such DTCs can be read.)

      • When the insulation resistance of the HV battery area decreases and the power switch is turned on (IG), DTC P0AA6-612 is stored within 2 minutes.

  • When measuring insulation resistance using a megohmmeter, measure the resistance while jiggling the high voltage wire harness.

Table 1. Related Data List (Reproduction of Phenomenon and Check)

DTC No.

Data List

P0AA6-526

  • Short Wave Highest Val

  • Power Resource VB

  • VL-Voltage before Boosting

  • VH-Voltage after Boosting

  • Boost Ratio

  • A/C Consumption Pwr

  • SMRP Status

  • SMRB Status

  • SMRG Status

  • MG1 Gate Status

  • MG2 Gate Status

  • Shutdown (Rear)

P0AA6-611

P0AA6-612

P0AA6-613

P0AA6-614

P0AA6-655

Use the following items as a reference when duplicating the vehicle conditions at the time when the malfunction occurred.

  • Data List

  • Vehicle Spd

  • Engine Run Time

  • +B

  • DTC Clear Run Distance

  • Ready Signal

  • State of Charge (All Bat)

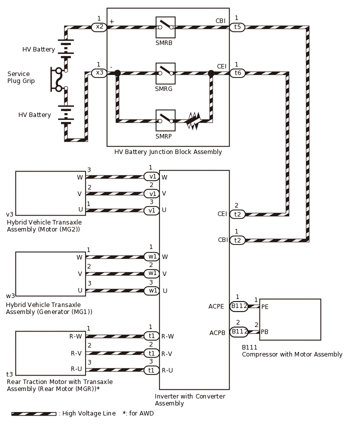
WIRING DIAGRAM

A320312C02

*1

HV Battery

*2

Battery Voltage Sensor

*3

SMRB

*4

SMRG

*5

SMRP

*6

System Main Resistor

*7

Service Plug Grip

*8

Inverter with Converter Assembly

*9

Boost Converter

*10

Inverter

*11

Generator (MG1)

*12

Motor (MG2)

*13

Rear Motor (MGR) (for AWD)

*14

Compressor with Motor Assembly

*15

A/C Inverter

*16

A/C Motor

*a

High-voltage Areas

*b

Information code 526 indicates that there is a decrease in the insulation resistance in any part of the high-voltage circuit.

*c

Information code 611 indicates a decrease in insulation resistance of the air conditioning system area.

*d

Information code 612 indicates that there is a decrease in the insulation resistance of the HV battery area.

*e

Information code 613 indicates that there is a decrease in the insulation resistance of the hybrid vehicle transaxle assembly or inverter with converter assembly of the alternating current side.

*f

Information code 614 indicates a decrease in insulation resistance of the high-voltage direct current side.

*g

Information code 655 indicates that there is a decrease in the insulation resistance of the rear area (for AWD).

*h

Built-in abnormal insulation detection circuit

C344145E04

SYSTEM DESCRIPTION

Tip:

If a decrease in insulation resistance cannot be confirmed using a megohmmeter, check "Short Wave Highest Val" in the Data List.

  1. SHORT WAVE HIGHEST VALUE

    1. "Short Wave Highest Val" indicates a decrease in insulation resistance and decreases the value as the insulation resistance decreases. In some cases, "Short Wave Highest Val" may decrease even though the insulation resistance of the vehicle is normal, therefore avoid checking "Short Wave Highest Val" when any of the following conditions exist.

      • Within approximately 1 minute has passed since the power switch was turned on (IG).

      • There is change of the system voltages ("Power Resource VB", "VL-Voltage before Boosting", and "VH-Voltage after Boosting").

      • During boosting, the Data List item "Boost Ratio" is not 0% or within a few seconds of it returned to 0%. (The values of "Power Resource VB", "VL-Voltage before Boosting" and "VH-Voltage after Boosting" are about the same when not boosting.)

    2. When "Short Wave Highest Val" is approximately 0 V, insulation resistance is close to 0 Ω. In this case, damage to a high-voltage cable or hybrid component (high-voltage), or a short to the body due to intrusion of foreign matter such as metal particles can be suspected.

    • If problem symptoms cannot be reproduced and a malfunction still exists after replacing a part as instructed, checking the following freeze frame data can help determine a trouble area.

    Table 2. Items to be Checked Using Freeze Frame Data:

    Freeze Frame Data

    Diagnostic Note

    Short Wave Highest Val

    Indicates that the insulation resistance has decreased.

    • VL-Voltage before Boosting

    • VH-Voltage after Boosting

    • Power Resource VB

    • Boost Ratio

    During boosting (when "Boost Ratio" is not 0%), or when "VL-Voltage before Boosting", "VH-Voltage after Boosting" or "Power Resource VB" is varying, "Short Wave Highest Val" may decrease even though the insulation resistance is normal.

    • SMRP Status

    • SMRB Status

    • SMRG Status

    When "SMRP Status", "SMRB Status" and "SMRG Status" are all OFF, the insulation malfunction detection circuit detects a decrease in insulation resistance in the HV battery area ((*d) in the wiring diagram).

    • Example:

    • When the power switch is turned on (IG) (not on (READY)), all 3 system main relays are off and it is suspected that the HV battery assembly is disconnected from the high voltage circuits. If "Short Wave Highest Val" decreases a few minutes after the power switch is turned on (IG) (not on (READY)), the HV battery assembly may have an insulation malfunction.

    MG2 Gate Status

    When "MG2 Gate Status" is ON, the insulation malfunction detection circuit cannot detect a decrease in insulation resistance in the motor system AC (alternating current) section (motor (MG2) side of (*e) in the wiring diagram).

    The motor system AC (alternating current) section includes the motor (MG2) in the hybrid vehicle transaxle assembly, motor cables and the AC (alternating current) section of the motor drive circuit in the inverter with converter assembly.

    MG1 Gate Status

    When "MG1 Gate Status" is ON, the insulation malfunction detection circuit cannot detect a decrease in insulation resistance in the generator system AC (alternating current) section (generator (MG1) side of (*e) in the wiring diagram).

    The generator system AC (alternating current) section includes the generator (MG1) in the hybrid vehicle transaxle assembly, generator cables and the AC (alternating current) section of the generator drive circuit in the inverter with converter assembly.

    Shutdown (Rear) (for AWD)

    When "Shutdown (Rear)" is ON, the insulation malfunction detection circuit cannot detect a decrease in insulation resistance in the rear motor system AC (alternating current) section ((*e) in the wiring diagram).

    The rear motor system AC (alternating current) section includes the rear motor (MGR) in the rear traction motor with transaxle assembly, No. 2 frame wire and the AC (alternating current) section of the rear motor drive circuit in the inverter with converter assembly.

    A/C Consumption Pwr

    When the air conditioning system is off (air conditioning system power consumption is 0 W), the insulation malfunction detection circuit cannot detect a decrease in insulation resistance in the compressor with motor assembly AC (alternating current) section ((*c) in the wiring diagram).

    The compressor with motor assembly AC (alternating current) section ((*c) in the wiring diagram) includes the air conditioning motor, wiring between the air conditioning motor and air conditioning inverter, and the AC (alternating current) section of the air conditioning motor drive circuit in the air conditioning inverter.

    With the vehicle stopped, turn on/off the air conditioning system and observe "Short Wave Highest Val" to use as a diagnosis reference.

    RELATED FREEZE FRAME DATA

    Tip:
    • Reproducing the vehicle conditions the moment a DTC was stored according to the freeze frame data and results of the customer problem analysis helps ensure that the same DTC is stored again.

      Table 3. Driving Status

      Item

      Diagnostic Note

      Vehicle Spd

      -

      Accel Pedal Pos #1

      -

      Engine Revolution

      -

      Shift Sensor Shift Pos

      -

      Master Cylinder Ctrl Trq

      -

      Engine Coolant Temp

      -

      Table 4. Operation Conditions

      Item

      Diagnostic Note

      Motor Temp No1

      If any liquid leaks into the ATF, insulation resistance may decrease only when the temperature is high.

      The motor temperature is likely to increase if the motor speed is low and output torque is high such as when cruising uphill slowly or accelerating from a low speed.

      Motor Temp No2

      If any liquid leaks into the ATF, insulation resistance may decrease only when the temperature is high.

      The generator temperature is likely to increase under repeat acceleration and deceleration while the vehicle is driven in the mid speed range (60 to 80 km/h (37 to 50 mph)).

      Rear Motor Temp (for AWD)

      If any liquid leaks into the ATF, insulation resistance may decrease only when the temperature is high.

      The rear motor temperature is likely to increase if the motor speed is low and output torque is high such as when cruising uphill slowly or accelerating from a low speed.

    • Customer Problem Analysis

      Ask the customer about the operating conditions and environment when the malfunction occurred.

      Item

      Diagnostic Note

      Driving Condition (acceleration, deceleration, turning, etc.)

      Changes in the insulation of the parts with insufficient insulation due to changes in G force or vibration is suspected.

      Road Condition (unpaved, etc.)

      Weather (rain, snow, etc.)

      Water intrusion is suspected

      Washing the vehicle (Whether the malfunction occurred after washing the vehicle?)

  2. CONFIRMATION AFTER REPLACING PARTS

    1. After the repair, clear the DTCs and perform the following procedure to check that DTCs are not output. (Do not turn the power switch off (READY off) during this inspection.)

      1. Apply the parking brake and secure the wheels using chocks.

      2. When the vehicle is stationary, turn the power switch on (READY) with the shift lever in P and wait for 60 seconds or more.

      3. Turn the air conditioning system on (MAX COLD, blower speed HI).

      4. While depressing the brake pedal without depressing the accelerator pedal, move the shift lever to D and wait for 5 minutes.

        • If step A is performed within the same trip after DTC P0AA6-526 is stored, the parts with insufficient insulation resistance will be determined, and a DTC (P0AA6-611, 612, 613, 614 or 655) will be stored.

        • If no DTCs are output, proceed to the next step.

      5. Drive the vehicle for approximately 5 minutes referring to the following freeze frame data items: "Vehicle Spd", "Shift Sensor Shift Pos", "Accel Pedal Pos #1", "Engine Revolution", "Engine Coolant Temp", "Master Cylinder Ctrl Trq", "Motor Temp MG2 (No2)" and "Motor Temp MG2 (No1)"

        (If the freeze frame data item "Vehicle Spd" is 10 km/h (6 mph) or less, drive the vehicle at 10 km/h (6 mph) or more.)

        • If step A is performed within the same trip after DTC P0AA6-526 is stored, the parts with insufficient insulation resistance will be determined, and a DTC (P0AA6-611, 612, 613, 614 or 655) will be stored.

        • If DTC P0AA6-526 is output, complete the Step A immediately as quickly as possible.

      6. Wait for 1 minute or more with the vehicle stopped, the power switch on (READY), the shift lever in P and the air conditioning system on (Lo/COOL MAX, blower speed HI), then turn the power switch off and wait for 1 minute or more. (Step A)

        Tip:

        If a DTC is not output, check the driving condition that the Data List item (Short Wave Highest Val) decreases.

CAUTION / NOTICE / HINT

CAUTION:
  • When troubleshooting DTC P0AA6, use either a tool wrapped with vinyl insulation tape or an insulated tool. (It is extremely dangerous when a high-voltage charge passes through a non-insulated tool causing a short.)

  • Before inspecting the high-voltage system or disconnecting the low voltage connector of the inverter with converter assembly, take safety precautions such as wearing insulated gloves and removing the service plug grip to prevent electrical shocks. After removing the service plug grip, put it in your pocket to prevent other technicians from accidentally reconnecting it while you are working on the high-voltage system.

  • After removing the service plug grip, wait for at least 10 minutes before touching any of the high-voltage connectors or terminals. After waiting for 10 minutes, check the voltage at the terminals in the inspection point in the inverter with converter assembly. The voltage should be 0 V before beginning work.

    Click here

    Tip:

    Waiting for at least 10 minutes is required to discharge the high-voltage capacitor inside the inverter with converter assembly.

  • When disposing of an HV battery, make sure to return it through an authorized collection agent who is capable of handling it safely. If the HV battery is returned via the manufacturer specified route, it will be returned properly and in a safe manner by an authorized collection agent.

Note:

After turning the power switch off, waiting time may be required before disconnecting the cable from the negative (-) auxiliary battery terminal. Therefore, make sure to read the disconnecting the cable from the negative (-) auxiliary battery terminal notices before proceeding with work.

Click hereClick hereClick hereClick here

Tip:

When measuring insulation resistance using a megohmmeter, set the megohmmeter to 500 V.

PROCEDURE

  1. CHECK DTC OUTPUT (HYBRID CONTROL)

    1. Connect the GTS to the DLC3.

    2. Turn the power switch on (IG).

    3. Enter the following menus: Powertrain / Hybrid Control / Trouble Codes.

    4. Check for DTCs.

      Powertrain > Hybrid Control > Trouble Codes

      Result

      Proceed to

      P0AA6 only is output.

      P0AA6 and P0A1D are output.

      P0AA6 and P0AA7 are output.

      P0AA6 and P0AFC are output.

      P0AA6 and P0B23 are output.

    5. Turn the power switch off.

    P0AA6 and P0A1D are output.

    GO TO DTC CHART (P0A1D)

    P0AA6 and P0AA7 are output.

    GO TO DTC CHART (P0AA7)

    P0AA6 and P0AFC are output.

    GO TO DTC CHART (P0AFC)

    P0AA6 and P0B23 are output.

    GO TO DTC CHART (P0B23)

    P0AA6 only is output.
  2. CHECK INFORMATION CODE (HYBRID CONTROL)

    1. Connect the GTS to the DLC3.

    2. Turn the power switch on (IG).

    3. Enter the following menus: Powertrain / Hybrid Control / Trouble Codes.

    4. Access the freeze frame data of DTC P0AA6 and read the INF code.

      Powertrain > Hybrid Control > Trouble Codes

      Note:
      • Information codes 611, 612, 613, 614 and 655* are not stored with 526 at the same time. If a drop in insulation resistance is detected and DTC P0AA6-526 is output, wait for 1 minute with the power switch on (READY), the shift lever in D and the air conditioning system on within the same trip, then turn the power switch off and wait for 1 minute to determine the information code (611, 612, 613, 614 or 655*).

        *: for AWD

      • If only DTC P0AA6-526 is output, perform the diagnostic procedure for INF code 526 to inspect all the high voltage circuits.

      • When any other INF codes indicating parts which the insulation resistance dropped are output, perform the diagnostic procedure for each INF code.

      Result

      Result

      Proceed to

      526 (decrease in the insulation resistance of the high-voltage circuit) only is output.

      A

      526 and 611 (decrease in the insulation resistance of the air conditioning system area) are output.

      Refer to the troubleshooting procedure for P0AA6-611 (Air conditioning system)

      Click here

      526 and 612 (decrease in the insulation resistance of the HV battery area) are output.

      B

      526 and 613 (decrease in the insulation resistance of the hybrid vehicle transaxle assembly area) are output.

      C

      526 and 614 (decrease in the insulation resistance of the high-voltage direct current area) are output.

      D

      526 and 655 (decrease in the insulation resistance of the rear area) are output.

      E

    5. Turn the power switch off.

    B

    CHECK HV BATTERY JUNCTION BLOCK ASSEMBLYClick here

    C

    CHECK INVERTER WITH CONVERTER ASSEMBLYClick here

    D

    CHECK HIGH VOLTAGE DIRECT CURRENT AREAClick here

    E

    CHECK INVERTER WITH CONVERTER ASSEMBLYClick here

    A
  3. CHECK HYBRID VEHICLE TRANSAXLE ASSEMBLY (MOTOR CABLE)

    CAUTION:

    Be sure to wear insulated gloves.

    1. Check that the service plug grip is not installed.

      Note:

      After removing the service plug grip, do not turn the power switch on (READY), unless instructed by the repair manual because this may cause a malfunction.

    2. C308923C01

      *A

      for 2WD

      *B

      for AWD

      Remove the inverter cover UPR from the inverter with converter assembly.

      Tip:

      Make sure that no foreign matter, coolant or water has entered the inverter assembly with converter. Confirm that the inverter coolant volume has not increased.

    3. C308924C01

      *A

      for 2WD

      *B

      for AWD

      *1

      Motor Cable

      *2

      Generator Cable

      Disconnect the generator cable and motor cable from the inverter with converter assembly.

    4. Connect the cable to the negative (-) auxiliary battery terminal.

      Tip:

      As the insulation resistance may vary when motor (MG2) rotates, perform this inspection while rotating the front wheels.

    5. Turn the power switch on (IG).

      Note:

      Turning the power switch on (IG) with the service plug grip removed causes DTCs to be stored. Clear the DTCs after performing this inspection.

    6. Move the shift lever to N and lift the vehicle.

    7. Turn the power switch off.

    8. A258955C61

      *1

      Shield Ground

      *a

      Motor Cable

      (Inverter with Converter Assembly Side)

      Using a megohmmeter set to 500 V, measure the resistance according to the value(s) in the table below while rotating the front wheels 2 revolutions in the same direction simultaneously.

      Note:
      • Carefully perform this inspection as the motor (MG2) may generate current when the front wheels are rotated by hand.

      • Be sure to set the megohmmeter to 500 V when performing this test. Using a setting higher than 500 V can result in damage to the component being inspected.

      Standard Resistance

      Tester Connection

      Condition

      Specified Condition

      v1-3 (U) - Body ground and shield ground

      Power switch off

      100 MΩ or higher

      v1-2 (V) - Body ground and shield ground

      Power switch off

      100 MΩ or higher

      v1-1 (W) - Body ground and shield ground

      Power switch off

      100 MΩ or higher

    9. Lower the vehicle and move the shift lever to P.

    10. Disconnect the cable from the negative (-) auxiliary battery terminal.

    Result

    Proceed to

    OK

    NG

    NG

    REPLACE HYBRID VEHICLE TRANSAXLE ASSEMBLYClick here

    OK
  4. CHECK HYBRID VEHICLE TRANSAXLE ASSEMBLY (GENERATOR CABLE)

    CAUTION:

    Be sure to wear insulated gloves.

    1. Check that the service plug grip is not installed.

      Note:

      After removing the service plug grip, do not turn the power switch on (READY), unless instructed by the repair manual because this may cause a malfunction.

    2. Connect the cable to the negative (-) auxiliary battery terminal.

      Tip:

      As the insulation resistance may vary when generator (MG1) rotates, perform this inspection while rotating the front wheels.

    3. Turn the power switch on (IG).

      Note:

      Turning the power switch on (IG) with the service plug grip removed causes DTCs to be stored. Clear the DTCs after performing this inspection.

    4. Move the shift lever to N and lift the vehicle.

    5. Turn the power switch off.

    6. A258955C58

      *1

      Shield Ground

      *a

      Generator Cable

      (Inverter with Converter Assembly Side)

      Using a megohmmeter set to 500 V, measure the resistance according to the value(s) in the table below while rotating the front wheels 2 revolutions in the same direction simultaneously.

      Note:
      • Carefully perform this inspection as the generator (MG1) may generate current when the front wheels are rotated by hand.

      • Be sure to set the megohmmeter to 500 V when performing this test. Using a setting higher than 500 V can result in damage to the component being inspected.

      Standard Resistance

      Tester Connection

      Condition

      Specified Condition

      w1-3 (U) - Body ground and shield ground

      Power switch off

      100 MΩ or higher

      w1-2 (V) - Body ground and shield ground

      Power switch off

      100 MΩ or higher

      w1-1 (W) - Body ground and shield ground

      Power switch off

      100 MΩ or higher

    7. Lower the vehicle and move the shift lever to P.

    8. Disconnect the cable from the negative (-) auxiliary battery terminal.

    Result

    Proceed to

    OK (for AWD)

    OK (for 2WD)

    NG

    OK (for 2WD)

    CHECK NO. 2 ENGINE WIRE (AIR CONDITIONING HARNESS)Click here

    NG

    REPLACE HYBRID VEHICLE TRANSAXLE ASSEMBLYClick here

    OK (for AWD)
  5. CHECK REAR TRACTION MOTOR WITH TRANSAXLE ASSEMBLY

    CAUTION:

    Be sure to wear insulated gloves.

    1. Check that the service plug grip is not installed.

      Note:

      After removing the service plug grip, do not turn the power switch on (READY), unless instructed by the repair manual because this may cause a malfunction.

    2. C308817

      Remove the inverter cover UPR from the inverter with converter assembly.

      Tip:

      Make sure that no foreign matter, coolant or water has entered the inverter assembly with converter. Confirm that the inverter coolant volume has not increased.

    3. C308820C01

      *1

      No. 2 Frame Wire (Rear Motor Cable)

      Disconnect the No. 2 frame wire (rear motor cable) from the inverter with converter assembly.

      Tip:

      Make sure that no foreign matter has entered or contaminated the No. 2 frame wire (rear motor cable).

    4. Connect the cable to the negative (-) auxiliary battery terminal.

      Tip:

      As the insulation resistance may vary when rear motor (MGR) rotates, perform this inspection while rotating the rear wheels.

    5. Turn the power switch on (IG).

      Note:

      Turning the power switch on (IG) with the service plug grip removed causes DTCs to be stored. Clear the DTCs after performing this inspection.

    6. Move the shift lever to N and lift the vehicle.

    7. Turn the power switch off.

    8. A258955C59

      *1

      Shield Ground

      *a

      No. 2 Frame Wire (Rear Motor Cable)

      (Inverter with Converter Assembly Side)

      Using a megohmmeter set to 500 V, measure the resistance according to the value(s) in the table below while rotating the rear wheels 2 revolutions in the same direction simultaneously.

      Note:
      • Carefully perform this inspection as the rear motor (MGR) may generate current when the rear wheels are rotated by hand.

      • Be sure to set the megohmmeter to 500 V when performing this test. Using a setting higher than 500 V can result in damage to the component being inspected.

      Standard Resistance

      Tester Connection

      Condition

      Specified Condition

      t1-1 (R-W) - Body ground and shield ground

      Power switch off

      10 MΩ or higher

      t1-2 (R-V) - Body ground and shield ground

      Power switch off

      10 MΩ or higher

      t1-3 (R-U) - Body ground and shield ground

      Power switch off

      10 MΩ or higher

    9. Lower the vehicle and move the shift lever to P.

    10. Disconnect the cable from the negative (-) auxiliary battery terminal.

    Result

    Proceed to

    OK

    NG

    NG

    CHECK NO. 2 FRAME WIRE (REAR MOTOR CABLE)Click here

    OK
  6. CHECK NO. 2 ENGINE WIRE (AIR CONDITIONING HARNESS)

    CAUTION:

    Be sure to wear insulated gloves.

    1. Check that the service plug grip is not installed.

      Note:

      After removing the service plug grip, do not turn the power switch on (READY), unless instructed by the repair manual because this may cause a malfunction.

    2. C296838

      Remove the connector cover assembly from the inverter with converter assembly.

      Tip:

      Make sure that no foreign matter, coolant or water has entered the inverter assembly with converter. Confirm that the inverter coolant volume has not increased.

    3. C298828

      Disconnect the No. 2 engine wire (air conditioning harness) from the inverter with converter assembly.

      Tip:

      Make sure that no foreign matter has entered or contaminated the No. 2 engine wire (air conditioning harness).

    4. A260188C57

      *1

      Shield Ground

      *a

      No. 2 Engine Wire (Air Conditioner Harness)

      (Inverter with Converter Assembly Side)

      Using a megohmmeter set to 500 V, measure the resistance according to the value(s) in the table below.

      Note:

      Be sure to set the megohmmeter to 500 V when performing this test. Using a setting higher than 500 V can result in damage to the component being inspected.

      Standard Resistance

      Tester Connection

      Condition

      Specified Condition

      B112-1 (ACPE) - Body ground and shield ground

      Power switch off

      3 MΩ or higher

      B112-2 (ACPB) - Body ground and shield ground

      Power switch off

      3 MΩ or higher

    Result

    Proceed to

    OK

    NG

    NG

    CHECK NO. 2 ENGINE WIRE (AIR CONDITIONING HARNESS)Click here

    OK
  7. CHECK INVERTER WITH CONVERTER ASSEMBLY

    CAUTION:

    Be sure to wear insulated gloves.

    1. Check that the service plug grip is not installed.

      Note:

      After removing the service plug grip, do not turn the power switch on (READY), unless instructed by the repair manual because this may cause a malfunction.

    2. C296844

      Disconnect the No. 2 frame wire from the inverter with converter assembly.

      Tip:

      Make sure that no foreign matter has entered or contaminated the No. 2 frame wire.

    3. C297288C01

      *1

      High Voltage Terminal

      Using a megohmmeter set to 500 V, measure the resistance according to the value(s) in the table below.

      Note:

      Be sure to set the megohmmeter to 500 V when performing this test. Using a setting higher than 500 V can result in damage to the component being inspected.

      Standard Resistance

      Tester Connection

      Condition

      Specified Condition

      High voltage terminal - Body ground

      Power switch off

      1 MΩ or higher

      Tip:

      Perform this inspection with the motor cable, generator cable, No. 2 frame wire (for AWD) and No. 2 engine wire (air conditioning harness) disconnected from the inverter with converter assembly.

    Result

    Proceed to

    OK

    NG

    NG

    REPLACE INVERTER WITH CONVERTER ASSEMBLYClick here

    OK
  8. CHECK NO. 2 FRAME WIRE

    CAUTION:

    Be sure to wear insulated gloves.

    1. Check that the service plug grip is not installed.

      Note:

      After removing the service plug grip, do not turn the power switch on (READY), unless instructed by the repair manual because this may cause a malfunction.

    2. C257176C38

      *1

      Shield Ground

      *a

      No. 2 Frame Wire

      (Inverter with Converter Assembly Side)

      Using a megohmmeter set to 500 V, measure the resistance according to the value(s) in the table below.

      Note:

      Be sure to set the megohmmeter to 500 V when performing this test. Using a setting higher than 500 V can result in damage to the component being inspected.

      Standard Resistance

      Tester Connection

      Condition

      Specified Condition

      t2-1 (CBI) - Body ground and shield ground

      Power switch off

      10 MΩ or higher

      t2-2 (CEI) - Body ground and shield ground

      Power switch off

      10 MΩ or higher

      Tip:

      Visually inspect the No. 2 frame wire for damage. If there is any damage, then this is the likely cause of low insulation resistance.

    Result

    Proceed to

    OK

    NG

    NG

    CHECK NO. 2 FRAME WIREClick here

    OK
  9. CHECK HV BATTERY JUNCTION BLOCK ASSEMBLY

    CAUTION:

    Be sure to wear insulated gloves.

    Tip:

    Make sure that no foreign matter or water has entered the HV battery.

    1. Check that the service plug grip is not installed.

      Note:

      After removing the service plug grip, do not turn the power switch on (READY), unless instructed by the repair manual because this may cause a malfunction.

    2. Remove the No. 2 hybrid vehicle battery shield reinforcement.

      Click here

    3. Disconnect the 2 high voltage cable connectors of the HV battery from the HV battery junction block assembly.

    4. C298827C05

      *a

      Component without harness connected

      (HV Battery Junction Block Assembly)

      Using a megohmmeter set to 500 V, measure the resistance according to the value(s) in the table below.

      Note:

      Be sure to set the megohmmeter to 500 V when performing this test. Using a setting higher than 500 V can result in damage to the component being inspected.

      Standard Resistance

      Tester Connection

      Condition

      Specified Condition

      x2-1 (+) - Body ground

      Power switch off

      10 MΩ or higher

      x3-1 (-) - Body ground

      Power switch off

      10 MΩ or higher

    Result

    Proceed to

    OK

    NG

    NG

    REPLACE HV BATTERY JUNCTION BLOCK ASSEMBLYClick here

    OK
  10. CHECK HV BATTERY

    CAUTION:

    Be sure to wear insulated gloves.

    1. Check that the service plug grip is not installed.

      Note:

      After removing the service plug grip, do not turn the power switch on (READY), unless instructed by the repair manual because this may cause a malfunction.

    2. C297249

      Disconnect the battery voltage sensor connector.

    3. C296843E01

      Using a megohmmeter set to 500 V, measure the resistance according to the value(s) in the table below.

      Note:

      Be sure to set the megohmmeter to 500 V when performing this test. Using a setting higher than 500 V can result in damage to the component being inspected.

      Standard Resistance

      Tester Connection

      Condition

      Specified Condition

      1 - Body ground

      Power switch off

      10 MΩ or higher

      2 - Body ground

      Power switch off

      10 MΩ or higher

    Result

    Proceed to

    OK

    NG

    NG

    REPLACE HV BATTERYClick here

    OK
  11. REPLACE BATTERY VOLTAGE SENSOR

    Click here

    Result

    Proceed to

    NEXT

    NEXT

    PERFORM CONFIRMATION AFTER REPLACING PARTS

  12. CHECK NO. 2 FRAME WIRE (REAR MOTOR CABLE)

    CAUTION:

    Be sure to wear insulated gloves.

    1. Check that the service plug grip is not installed.

      Note:

      After removing the service plug grip, do not turn the power switch on (READY), unless instructed by the repair manual because this may cause a malfunction.

    2. Remove the No. 2 frame wire (rear motor cable) from the rear traction motor with transaxle assembly.

      Click here

    3. A258955C59

      *1

      Shield Ground

      *a

      No. 2 Frame Wire (Rear Motor Cable)

      (Inverter with Converter Assembly Side)

      Using a megohmmeter set to 500 V, measure the resistance according to the value(s) in the table below.

      Note:

      Be sure to set the megohmmeter to 500 V when performing this test. Using a setting higher than 500 V can result in damage to the component being inspected.

      Standard Resistance

      Tester Connection

      Condition

      Specified Condition

      t1-1 (R-W) - Body ground and shield ground

      Power switch off

      10 MΩ or higher

      t1-2 (R-V) - Body ground and shield ground

      Power switch off

      10 MΩ or higher

      t1-3 (R-U) - Body ground and shield ground

      Power switch off

      10 MΩ or higher

    Result

    Proceed to

    OK

    NG

    NG

    REPLACE NO. 2 FRAME WIREClick here

    OK
  13. CHECK EXTENSION WIRE ASSEMBLY

    CAUTION:

    Be sure to wear insulated gloves.

    1. Check that the service plug grip is not installed.

      Note:

      After removing the service plug grip, do not turn the power switch on (READY), unless instructed by the repair manual because this may cause a malfunction.

    2. Remove the extension wire assembly from the rear traction motor with transaxle assembly.

      Click here

      Tip:

      Make sure that no foreign matter has entered or contaminated the extension wire assembly.

    3. A112804C01

      *1

      Extension Wire Assembly

      *2

      Shield Shell

      Using a megohmmeter set to 500 V, measure the resistance according to the value(s) in the table below.

      Note:

      Be sure to set the megohmmeter to 500 V when performing this test. Using a setting higher than 500 V can result in damage to the component being inspected.

      Standard Resistance

      Tester Connection

      Condition

      Specified Condition

      R-W - Shield shell

      Power switch off

      100 MΩ or higher

      R-V - Shield shell

      Power switch off

      100 MΩ or higher

      R-U - Shield shell

      Power switch off

      100 MΩ or higher

    Result

    Proceed to

    OK

    NG

    OK

    REPLACE REAR TRACTION MOTOR WITH TRANSAXLE ASSEMBLYClick here

    NG

    REPLACE EXTENSION WIRE ASSEMBLYClick here

  14. REPLACE HV BATTERY

    Click here

    Result

    Proceed to

    NEXT

    NEXT

    PERFORM CONFIRMATION AFTER REPLACING PARTS

  15. CHECK INVERTER WITH CONVERTER ASSEMBLY

    CAUTION:

    Be sure to wear insulated gloves.

    1. Check that the service plug grip is not installed.

      Note:

      After removing the service plug grip, do not turn the power switch on (READY), unless instructed by the repair manual because this may cause a malfunction.

    2. C308923C01

      *A

      for 2WD

      *B

      for AWD

      Remove the inverter cover UPR from the inverter with converter assembly.

      Tip:

      Make sure that no foreign matter, coolant or water has entered the inverter assembly with converter. Confirm that the inverter coolant volume has not increased.

    3. C308924C01

      *A

      for 2WD

      *B

      for AWD

      *1

      Motor Cable

      *2

      Generator Cable

      Disconnect the generator cable and motor cable from the inverter with converter assembly.

    4. C296838

      Remove the connector cover assembly from the inverter with converter assembly.

      Tip:

      Make sure that no foreign matter, coolant or water has entered the inverter assembly with converter. Confirm that the inverter coolant volume has not increased.

    5. C297288C01

      *1

      High Voltage Terminal

      Using a megohmmeter set to 500 V, measure the resistance according to the value(s) in the table below.

      Note:

      Be sure to set the megohmmeter to 500 V when performing this test. Using a setting higher than 500 V can result in damage to the component being inspected.

      Standard Resistance

      Tester Connection

      Condition

      Specified Condition

      High voltage terminal - Body ground

      Power switch off

      1 MΩ or higher

    Result

    Proceed to

    OK

    NG

    NG

    REPLACE INVERTER WITH CONVERTER ASSEMBLYClick here

    OK
  16. REPLACE HYBRID VEHICLE TRANSAXLE ASSEMBLY

    Click here

    Result

    Proceed to

    NEXT

    NEXT

    PERFORM CONFIRMATION AFTER REPLACING PARTS

  17. CHECK HIGH VOLTAGE DIRECT CURRENT AREA

    CAUTION:

    Be sure to wear insulated gloves.

    1. Check that the service plug grip is not installed.

      Note:

      After removing the service plug grip, do not turn the power switch on (READY), unless instructed by the repair manual because this may cause a malfunction.

    2. C296838

      Remove the connector cover assembly from the inverter with converter assembly.

      Tip:

      Make sure that no foreign matter, coolant or water has entered the inverter assembly with converter. Confirm that the inverter coolant volume has not increased.

    3. C296844

      Disconnect the No. 2 frame wire from the inverter with converter assembly.

      Tip:

      Make sure that no foreign matter has entered or contaminated the No. 2 frame wire.

    4. C257176C38

      *1

      Shield Ground

      *a

      No. 2 Frame Wire

      (Inverter with Converter Assembly Side)

      Using a megohmmeter set to 500 V, measure the resistance according to the value(s) in the table below.

      Note:

      Be sure to set the megohmmeter to 500 V when performing this test. Using a setting higher than 500 V can result in damage to the component being inspected.

      Standard Resistance

      Tester Connection

      Condition

      Specified Condition

      t2-1 (CBI) - Body ground and shield ground

      Power switch off

      10 MΩ or higher

      t2-2 (CEI) - Body ground and shield ground

      Power switch off

      10 MΩ or higher

      Tip:

      Visually inspect the No. 2 frame wire for damage. If there is any damage, then this is the likely cause of low insulation resistance.

    Result

    Proceed to

    OK

    NG

    NG

    CHECK NO. 2 FRAME WIREClick here

    OK
  18. CHECK NO. 2 ENGINE WIRE (AIR CONDITIONER HARNESS)

    CAUTION:

    Be sure to wear insulated gloves.

    1. Check that the service plug grip is not installed.

      Note:

      After removing the service plug grip, do not turn the power switch on (READY), unless instructed by the repair manual because this may cause a malfunction.

    2. C298828

      Disconnect the No. 2 engine wire (air conditioning harness) from the inverter with converter assembly.

      Tip:

      Make sure that no foreign matter has entered or contaminated the No. 2 engine wire (air conditioning harness).

    3. A260188C58

      *1

      Shield Ground

      *a

      No. 2 Engine Wire (Air Conditioner Harness)

      (Inverter with Converter Assembly Side)

      Using a megohmmeter set to 500 V, measure the resistance according to the value(s) in the table below.

      Note:

      Be sure to set the megohmmeter to 500 V when performing this test. Using a setting higher than 500 V can result in damage to the component being inspected.

      Standard Resistance

      Tester Connection

      Condition

      Specified Condition

      B112-1 (ACPE) - Body ground and shield ground

      Power switch off

      3 MΩ or higher

      B112-2 (ACPB) - Body ground and shield ground

      Power switch off

      3 MΩ or higher

    Result

    Proceed to

    OK

    NG

    NG

    CHECK NO. 2 ENGINE WIRE (AIR CONDITIONING HARNESS)Click here

    OK
  19. REPLACE INVERTER WITH CONVERTER ASSEMBLY

    Click here

    Result

    Proceed to

    NEXT

    NEXT

    PERFORM CONFIRMATION AFTER REPLACING PARTS

  20. CHECK NO. 2 FRAME WIRE

    CAUTION:

    Be sure to wear insulated gloves.

    1. Check that the service plug grip is not installed.

      Note:

      After removing the service plug grip, do not turn the power switch on (READY), unless instructed by the repair manual because this may cause a malfunction.

    2. Remove the No. 2 hybrid vehicle battery shield reinforcement.

      Click here

    3. C298826

      Disconnect the No. 2 frame wire from the HV battery junction block assembly.

    4. C297301C06

      *1

      Shield Ground

      *a

      No. 2 Frame Wire

      (HV Battery Junction Block Assembly Side)

      Using a megohmmeter set to 500 V, measure the resistance according to the value(s) in the table below.

      Note:

      Be sure to set the megohmmeter to 500 V when performing this test. Using a setting higher than 500 V can result in damage to the component being inspected.

      Standard Resistance

      Tester Connection

      Condition

      Specified Condition

      t6-1 (CEI) - Body ground

      Power switch off

      10 MΩ or higher

      t5-1 (CBI) - Body ground

      Power switch off

      10 MΩ or higher

      Tip:

      Visually inspect the No. 2 frame wire for damage. If there is any damage, then this is the likely cause of low insulation resistance.

    Tip:

    Make sure that no foreign matter has entered or contaminated the No. 2 frame wire.

    Result

    Proceed to

    OK

    NG

    NG

    REPLACE NO. 2 FRAME WIREClick here

    OK
  21. REPLACE HV BATTERY JUNCTION BLOCK ASSEMBLY

    Click here

    Result

    Proceed to

    NEXT

    NEXT

    PERFORM CONFIRMATION AFTER REPLACING PARTS

  22. CHECK NO. 2 ENGINE WIRE (AIR CONDITIONING HARNESS)

    CAUTION:

    Be sure to wear insulated gloves.

    1. Check that the service plug grip is not installed.

      Note:

      After removing the service plug grip, do not turn the power switch on (READY), unless instructed by the repair manual because this may cause a malfunction.

    2. C296840C02

      *1

      Green Lock

      Disconnect the No. 2 engine wire (air conditioning harness) from the compressor with motor assembly.

      Click here

    3. A260188C58

      *1

      Shield Ground

      *a

      No. 2 Engine Wire (Air Conditioner Harness)

      (Inverter with Converter Assembly Side)

      Using a megohmmeter set to 500 V, measure the resistance according to the value(s) in the table below.

      Note:

      Be sure to set the megohmmeter to 500 V when performing this test. Using a setting higher than 500 V can result in damage to the component being inspected.

      Standard Resistance

      Tester Connection

      Condition

      Specified Condition

      B112-1 (ACPE) - Body ground and shield ground

      Power switch off

      10 MΩ or higher

      B112-2 (ACPB) - Body ground and shield ground

      Power switch off

      10 MΩ or higher

    Result

    Proceed to

    OK

    NG

    NG

    REPLACE NO. 2 ENGINE WIREClick here

    OK
  23. GO TO AIR CONDITIONING SYSTEM (P0AA6-611)

    Click here

    Result

    Proceed to

    NEXT

    NEXT

    PERFORM CONFIRMATION AFTER REPLACING PARTS

  24. REPLACE NO. 2 FRAME WIRE

    Click here

    Result

    Proceed to

    NEXT

    NEXT

    PERFORM CONFIRMATION AFTER REPLACING PARTS

  25. REPLACE NO. 2 ENGINE WIRE

    Result

    Proceed to

    NEXT

    NEXT

    PERFORM CONFIRMATION AFTER REPLACING PARTS

  26. CHECK INVERTER WITH CONVERTER ASSEMBLY

    CAUTION:

    Be sure to wear insulated gloves.

    1. Check that the service plug grip is not installed.

      Note:

      After removing the service plug grip, do not turn the power switch on (READY), unless instructed by the repair manual because this may cause a malfunction.

    2. C308817

      Remove the inverter cover UPR from the inverter with converter assembly.

      Tip:

      Make sure that no foreign matter, coolant or water has entered the inverter assembly with converter. Confirm that the inverter coolant volume has not increased.

    3. C308820C01

      *1

      No. 2 Frame Wire (Rear Motor Cable)

      Disconnect the No. 2 frame wire (rear motor cable) from the inverter with converter assembly.

      Tip:

      Make sure that no foreign matter has entered or contaminated the No. 2 frame wire (rear motor cable).

    4. C296838

      Remove the connector cover assembly from the inverter with converter assembly.

      Tip:

      Make sure that no foreign matter, coolant or water has entered the inverter assembly with converter. Confirm that the inverter coolant volume has not increased.

    5. C297288C01

      *1

      High Voltage Terminal

      Using a megohmmeter set to 500 V, measure the resistance according to the value(s) in the table below.

      Note:

      Be sure to set the megohmmeter to 500 V when performing this test. Using a setting higher than 500 V can result in damage to the component being inspected.

      Standard Resistance

      Tester Connection

      Condition

      Specified Condition

      High voltage terminal - Body ground

      Power switch off

      1 MΩ or higher

    Result

    Proceed to

    OK

    NG

    NG

    REPLACE INVERTER WITH CONVERTER ASSEMBLYClick here

    OK
  27. CHECK NO. 2 FRAME WIRE (REAR MOTOR CABLE)

    CAUTION:

    Be sure to wear insulated gloves.

    1. Check that the service plug grip is not installed.

      Note:

      After removing the service plug grip, do not turn the power switch on (READY), unless instructed by the repair manual because this may cause a malfunction.

    2. Remove the No. 2 frame wire (rear motor cable) from the rear traction motor with transaxle assembly.

      Click here

    3. A258955C59

      *1

      Shield Ground

      *a

      No. 2 Frame Wire (Rear Motor Cable)

      (Inverter with Converter Assembly Side)

      Using a megohmmeter set to 500 V, measure the resistance according to the value(s) in the table below.

      Note:

      Be sure to set the megohmmeter to 500 V when performing this test. Using a setting higher than 500 V can result in damage to the component being inspected.

      Standard Resistance

      Tester Connection

      Condition

      Specified Condition

      t1-1 (R-W) - Body ground and shield ground

      Power switch off

      10 MΩ or higher

      t1-2 (R-V) - Body ground and shield ground

      Power switch off

      10 MΩ or higher

      t1-3 (R-U) - Body ground and shield ground

      Power switch off

      10 MΩ or higher

    Result

    Proceed to

    OK

    NG

    NG

    REPLACE NO. 2 FRAME WIREClick here

    OK
  28. CHECK EXTENSION WIRE ASSEMBLY

    CAUTION:

    Be sure to wear insulated gloves.

    1. Check that the service plug grip is not installed.

      Note:

      After removing the service plug grip, do not turn the power switch on (READY), unless instructed by the repair manual because this may cause a malfunction.

    2. Remove the extension wire assembly from the rear traction motor with transaxle assembly.

      Click here

      Tip:

      Make sure that no foreign matter has entered or contaminated the extension wire assembly.

    3. A112804C01

      *1

      Extension Wire Assembly

      *2

      Shield Shell

      Using a megohmmeter set to 500 V, measure the resistance according to the value(s) in the table below.

      Note:

      Be sure to set the megohmmeter to 500 V when performing this test. Using a setting higher than 500 V can result in damage to the component being inspected.

      Standard Resistance

      Tester Connection

      Condition

      Specified Condition

      R-W - Shield shell

      Power switch off

      100 MΩ or higher

      R-V - Shield shell

      Power switch off

      100 MΩ or higher

      R-U - Shield shell

      Power switch off

      100 MΩ or higher

    Result

    Proceed to

    OK

    NG

    NG

    REPLACE EXTENSION WIRE ASSEMBLYClick here

    OK
  29. REPLACE REAR TRACTION MOTOR WITH TRANSAXLE ASSEMBLY

    Click here

    Result

    Proceed to

    NEXT

    NEXT

    PERFORM CONFIRMATION AFTER REPLACING PARTS

  30. REPLACE NO. 2 FRAME WIRE

    Click here

    Result

    Proceed to

    NEXT

    NEXT

    PERFORM CONFIRMATION AFTER REPLACING PARTS

  31. REPLACE EXTENSION WIRE ASSEMBLY

    Click here

    Result

    Proceed to

    NEXT

    NEXT

    PERFORM CONFIRMATION AFTER REPLACING PARTS