ENTRY AND START SYSTEM ИНФОРМАЦИЯ ПО ПРИЕМНИКУ СИСТЕМЫ БЛОКИРОВКИ ДВЕРЕЙ

  1. КОНСТРУКЦИЯ

    1. Приемник системы блокировки дверей (многоканальный)

      1. Передатчик электронного ключа и приемник интеллектуальной системы дистанционной блокировки дверей могут работать на двух разных радиочастотных каналах. При появлении передатчика электронного ключа в наружной области действия начинается проверка ключа. В случае сбоя проверки ключа из-за радиопомех, происходит переключение каналов и проверка ключа выполняется повторно. Многоканальная система начинает проверку с канала, на котором была успешно выполнена предыдущая проверка. При сбое проверки система переходит на другой канал.

        Y112026E01

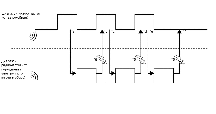
        *a

        Наружная область действия создается на длинных волнах (излучаемых автомобилем с интервалом в 0,25 с) для получения ответа от передатчика электронного ключа.

        *b

        Когда передатчик электронного ключа вносится в наружную область обнаружения, он принимает низкочастотные сигналы от автомобиля. Передатчик электронного ключа отвечает автомобилю с помощью радиочастотных сигналов.

        *c

        После получения ответного сигнала от передатчика электронного ключа ЭБУ сертификации (ЭБУ электронного ключа зажигания в сборе) поочередно активирует антенны электронного ключа (наружные). С помощью длинноволнового сигнала ЭБУ сертификации (ЭБУ электронного ключа зажигания в сборе) определяет, в какой наружной области действия находится передатчик электронного ключа.

        *d

        Передатчик электронного ключа принимает длинноволновой сигнал от автомобиля и отвечает на радиочастотных волнах. (ЭБУ сертификации (ЭБУ электронного ключа зажигания в сборе) определяет, в какой наружной области действия находится передатчик электронного ключа).

        *e

        ЭБУ сертификации (ЭБУ электронного ключа зажигания в сборе) отправляет данные идентификации зарегистрированного ключа в передатчик электронного ключа с помощью длинноволнового сигнала. (Можно зарегистрировать до 7 идентификаторов ключей.)

        *f

        Передатчик электронного ключа посылает данные идентификации ключа на радиочастотных волнах. Когда ЭБУ сертификации (ЭБУ электронного ключа зажигания в сборе) получает их, проверка завершается.

        *g

        Радиопомехи (переключение канала)

      2. Многоканальная система переключает каналы, когда в связь в радиочастотном диапазоне (*b, *d и *f) прерывается из-за попадают радиопомех. В таблице ниже перечислены ситуации, в которых система переключает каналы.

        *b или *d не соотв.

        *f – NG

        Условие

        Радиочастотные сигналы не принимаются

        Радиочастотные сигналы не принимаются должным образом

        Радиочастотные сигналы не принимаются

        Радиочастотные сигналы не принимаются должным образом

        Переключение каналов

        Каналы не переключаются.

        Каналы переключаются.

        Каналы переключаются.

        Каналы переключаются.