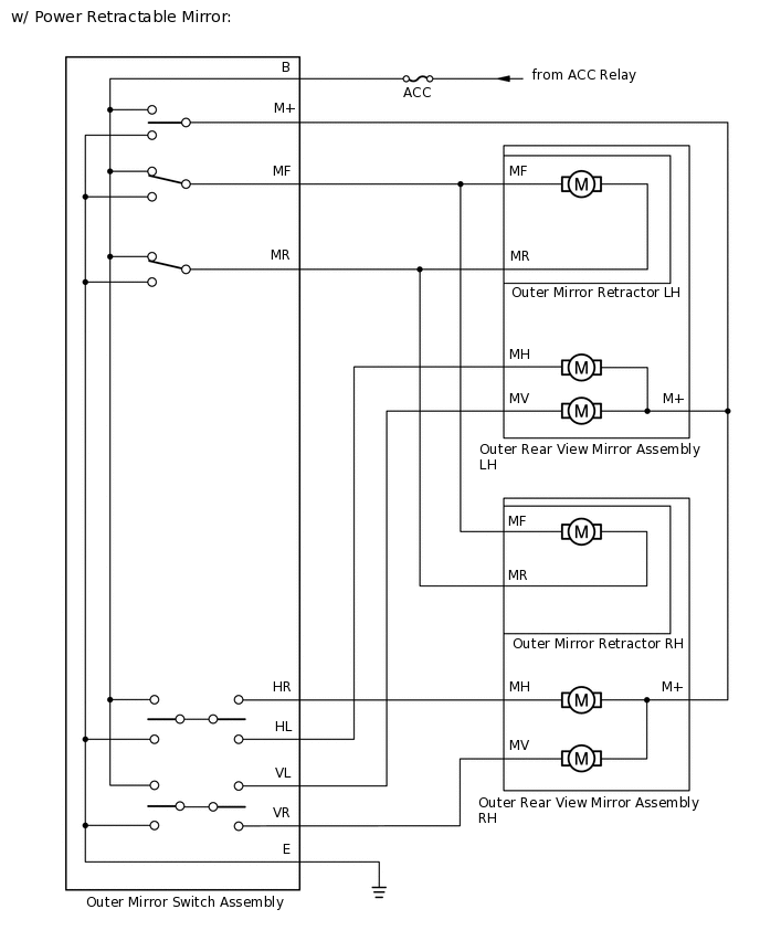
POWER MIRROR CONTROL SYSTEM SYSTEM DIAGRAM

B321760E01
B321761E01
B321762E05