ENTRY AND START SYSTEM(for Start Function) Power Source Mode does not Change to ON (READY)

DESCRIPTION

When the electronic key is in the cabin and the power switch is pressed, the power management control ECU receives a signal and changes the power source mode. In addition, when the power switch is pressed with park (P) selected and the brake pedal depressed, the hybrid system turns on (READY).

Tech Tips


  • When the power management control ECU is replaced with a new one and the cable is connected to the negative (-) auxiliary battery terminal, the power source mode changes to on (IG).

  • When the auxiliary battery cable is disconnected and reconnected, the power source returns to the mode it was in before the auxiliary battery cable was disconnected.

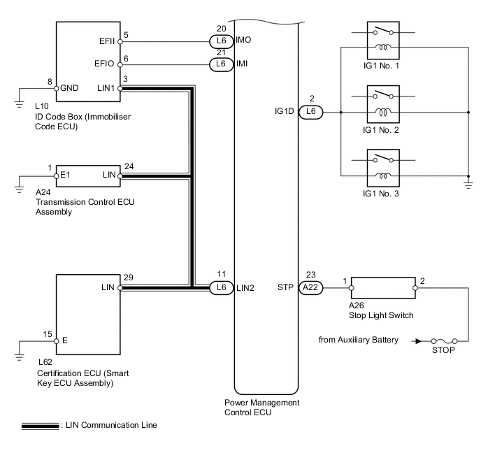
WIRING DIAGRAM

A005EQKE03
A005CI0E05

CAUTION / NOTICE / HINT

Note


  • Inspect the fuses for circuits related to this system before performing the following inspection procedure.

  • When using the GTS with the power switch off, perform either of the following: 1) Turn a courtesy light switch on and off at intervals of 1.5 seconds or less until communication between the GTS and vehicle begins, or 2) connect the GTS to the vehicle, select the vehicle type under manual mode, and then enter the following menus:

    for Hybrid Control: Powertrain / Hybrid Control / Trouble Codes.

    for Power Source Control: Body Electrical / Power Source Control / Trouble Codes.

    for Entry&Start: Body Electrical / Entry&Start / Trouble Codes.

  • The entry and start system uses multiplex communication. First perform the inspections in "How to Proceed with Troubleshooting" to confirm that there are no communication malfunctions before proceeding with troubleshooting Click here.

  • If the entry and start system is disabled through the customize function, enable the system before performing troubleshooting Click here.

  • Inspect the fuses of circuits related to this system before performing the following inspection procedure.

  • Before replacing the certification ECU (smart key ECU assembly), ID code box (immobiliser code ECU) or transmission control ECU, refer to the Service Bulletin.

  • After completing repairs, confirm that the problem does not occur.

Tech Tips

Related Data List and Active Test Items
Problem Symptom Data List Item Active Test Item
Power Source Mode does not Change to ON (READY)

    Power Source Control

  • Stop Light Switch1

  • Power Supply Condition

  • IG1 Relay Monitor (Inside)

  • IG2 Relay Monitor (Inside)

  • IG1 Relay Monitor (Outside)

  • IG2 Relay Monitor (Outside)

  • Latch Circuit

  • Starter Request Signal


    Entry&Start

  • S Code Check

  • L Code Check

  • Engine Start Request

  • Immobiliser

-

PROCEDURE


  1. CHECK HYBRID SYSTEM READY ON


    1. Place the electrical key transmitter sub-assembly (key) on the driver seat.

    2. Depress the brake pedal.

    3. Check that the power switch indicator light is green. Then press the power switch to check if the hybrid system turns on (READY).

      OK
      Power source mode becomes on (READY).

    OK
    NG
  2. CHECK FOR DTC


    1. Turn the power switch off.

    2. Connect the GTS to the DLC3.

    3. Turn the power switch on (IG).

    4. Turn the GTS on.

    5. Enter the following menus: Powertrain / Hybrid Control / Trouble Codes.

    6. Enter the following menus: Body Electrical / Power Source Control / Trouble Codes.

    7. Check for DTCs.

      Result
      Result Proceed to
      DTC is not output A
      Hybrid control system DTC is output B
      Entry and start system (for start function) DTC is output C

    B
    C
    A
  3. CHECK POWER SOURCE CONDITION


    1. Check the power source mode change.


      1. When the key is inside the vehicle and the park (P) is selected, check that pressing the power switch causes the power source mode to change.

        Result
        Result Proceed to
        off → on (ACC) → on (IG) → off A
        Power source mode does not change to on (IG and ACC) B
        Power source mode does not change to on (IG) C
        Power source mode does not change to on (ACC) D

    B
    C
    D
    A
  4. READ VALUE USING GTS (STOP LIGHT SWITCH ASSEMBLY)


    1. Read the Data List according to the display on the GTS.

      Power Source Control
      Tester Display Measurement Item/Range Normal Condition Diagnostic Note
      Stop Light Switch1 State of brake pedal/OFF or ON

      OFF: Brake pedal released

      ON: Brake pedal depressed


      • Use this item to determine whether the stop light switch is malfunctioning.

      • The hybrid control system cannot be started when this item is "OFF".

      • When this item is malfunctioning, the hybrid control system can be started by pressing and holding the power switch for a certain period of time.

      OK
      ON (brake pedal is depressed) and OFF (brake pedal is released) appear on the screen.

    NG
    OK
  5. READ VALUE USING GTS (L CODE)


    1. Enter the following menus: Body Electrical / Entry&Start / Data List.

    2. Read the Data List according to the display on the GTS.

      Entry&Start
      Tester Display Measurement Item/Range Normal Condition Diagnostic Note
      L Code Check Verification result between ID code box and transmission control ECU assembly/OK or NG

      OK: Verification result normal

      NG: Verification result abnormal

      When a malfunction is present:


      • The ID code for the ID code box or transmission control ECU assembly is not registered or the ID code box or transmission control ECU assembly is malfunctioning.

      • The gearshift control cannot be locked.

      • The gearshift control cannot be unlocked (the hybrid control system cannot be started).

      OK
      OK appears on the screen.

    NG
    OK
  6. READ VALUE USING GTS (ENGINE START REQUEST)


    1. Read the Data List according to the display on the GTS.

      Entry&Start
      Tester Display Measurement Item/Range Normal Condition Diagnostic Note
      Engine Start Request Reception state of hybrid control system start permission signal determined by ID code box and sent to certification ECU (smart key ECU assembly)/OK or NG

      OK: Receiving signal

      NG: Not receiving signal


      • When this item displays "OK", the certification ECU (smart key ECU assembly) has received hybrid system start request signal from the ID code box and has permitted hybrid control system start.

      • The hybrid control system cannot be started when this item displays "NG".

      OK
      OK appears on the screen.

    NG
    OK
  7. READ VALUE USING GTS (S CODE)


    1. Read the Data List according to the display on the GTS.

      Entry&Start
      Tester Display Measurement Item/Range Normal Condition Diagnostic Note
      S Code Check Verification result between certification ECU (smart key ECU assembly) and ID code box/OK or NG

      OK: Verification result normal

      NG: Verification result abnormal

      When a malfunction is present:


      • The ID code for the certification ECU (smart key ECU assembly) or ID code box is not registered or the certification ECU (smart key ECU assembly) or ID code box is malfunctioning.

      • The gearshift control cannot be locked.

      • The gearshift control cannot be unlocked (the hybrid control system cannot be started).

      OK
      OK appears on the screen.

    NG
    OK
  8. CHECK ID CODE BOX (IMMOBILISER CODE ECU)


    1. A005BFFE03
      Text in Illustration
      *a

      Component with harness connected

      (Power Management Control ECU)

      Measure the voltage according to the value(s) in the table below.


      1. Waveform 1

        A005DOZE01
        Text in Illustration
        *a Approximately 160 ms *b Approximately 510 ms
        Measurement Condition
        Item Content
        Tester Connection L6-20 (IMO) - L5-6 (E1)
        Tool Setting 2 V/DIV., 200 ms./DIV.
        Condition Within 3 seconds of hybrid control system start or within 3 seconds of power switch turned on (IG) after auxiliary battery cable disconnected and reconnected
      2. Waveform 2

        A005DPAE01
        Text in Illustration
        *a Approximately 160 ms *b Approximately 510 ms
        Measurement Condition
        Item Content
        Tester Connection L6-21 (IMI) - L5-6 (E1)
        Tool Setting 2 V/DIV., 200 ms./DIV.
        Condition Power switch on (IG)
        OK
        The waveform is displayed as shown in illustration.

    NG
    OK
  9. READ VALUE USING GTS


    1. Enter the following menus: Body Electrical / Power Source Control / Data List.

    2. Read the Data List according to the display on the GTS.

      Power Source Control
      Tester Display Measurement Item/Range Normal Condition Diagnostic Note
      Starter Request Signal Condition of hybrid control system start command signal/OFF or ON

      OFF: Power switch released after approximately 1 second elapses

      ON: Power switch pressed and held while carrying key with park (P) selected and brake pedal depressed


      • This item displays "ON" when starting the hybrid control system.

      • The hybrid control system cannot be started when this item is "OFF".

      OK
      Data List display changes when the power switch is operated.

    OK
    NG
  10. INSPECT STOP LIGHT SWITCH ASSEMBLY


    1. A005D1LE25
      Text in Illustration
      *a

      Component without harness connected

      (Stop Light Switch Assembly)

      *b Free
      *c Pushed in

      Remove the stop light switch assembly Click here.

    2. Measure the resistance according to the value(s) in the table below.

      Standard Resistance
      Tester Connection Condition Specified Condition
      1 - 2 Pushed 10 kΩ or higher
      3 - 4 Pushed Below 1 Ω
      1 - 2 Not pushed Below 1 Ω
      3 - 4 Not pushed 10 kΩ or higher

    NG
    OK
  11. CHECK HARNESS AND CONNECTOR (POWER MANAGEMENT CONTROL ECU - STOP LIGHT SWITCH ASSEMBLY)


    1. Disconnect the A22 connector from the power management control ECU.

    2. Measure the resistance according to the value(s) in the table below.

      Standard Resistance
      Tester Connection Condition Specified Condition
      A22-23 (STP) - A26-1 Always Below 1 Ω
      A22-23 (STP) - Body ground Always 10 kΩ or higher

    OK
    NG
  12. REPLACE TRANSMISSION CONTROL ECU ASSEMBLY


    1. Replace transmission control ECU assembly Click here.


    NEXT
  13. CHECK HYBRID SYSTEM READY ON


    1. Place the electrical key transmitter sub-assembly (key) on the driver seat.

    2. Depress the brake pedal.

    3. Check that the power switch indicator light is green. Then press the power switch to check if the hybrid system turns on (READY).

      OK
      Power source mode becomes on (READY).

    OK
    NG
  14. REPLACE CERTIFICATION ECU (SMART KEY ECU ASSEMBLY)


    1. Replace the certification ECU (smart key ECU assembly).

      Tech Tips

      Refer to the Service Bulletin.


    NEXT
  15. CHECK HYBRID SYSTEM READY ON


    1. Place the electrical key transmitter sub-assembly (key) on the driver seat.

    2. Depress the brake pedal.

    3. Check that the power switch indicator light is green. Then press the power switch to check if the hybrid system turns on (READY).

      OK
      Power source mode becomes on (READY).

    OK
    NG