PANORAMIC MOON ROOF SYSTEM


  1. SYSTEM CONTROL


    1. The panoramic moon roof system has the following functions:

      Panoramic Moon Roof
      Function Outline
      Manual Open-and-close Opens (or closes) the panoramic moon roof when the roof open/close/vent switch is slid backward (or forward) for less than 0.3 seconds. The panoramic moon roof stops as soon as the switch is released.
      One-touch Auto Open Opens the panoramic moon roof to the fully opened position when the open/close/vent switch is slid backward for 0.3 seconds or more.
      One-touch Auto Close Closes the panoramic moon roof to the closed position when the roof open/close/vent switch is slid forward for 0.3 seconds or more.
      Manual Tilt Up Tilts the panoramic moon roof up when the open/close/vent switch is pressed for less than 0.3 seconds.
      Manual Tilt Down Tilts the panoramic moon roof down when the vent switch is pressed or the roof close switch or shade open/close switch is slid forward for less than 0.3 seconds. The panoramic moon roof stops as soon as the switch is released.
      One-touch Auto Tilt Up Tilts the panoramic moon roof up when the vent switch is pressed for 0.3 seconds or more.
      One-touch Auto Tilt Down Tilts the panoramic moon roof down when the vent switch is pressed for 0.3 seconds or more.
      Jam Protection Automatically stops the panoramic moon roof and moves it to the halfway open position (or fully tilted-up position) if foreign matter gets jammed in the panoramic moon roof during a close or tilt down operation.
      Key Off Operation Makes it possible to operate the panoramic moon roof for approximately 45 seconds after the engine switch has been turned from on (IG) to on (ACC) or off, if the driver door or front passenger door is not opened.
      Key-linked Operation*1
      • When the driver door key cylinder is turned and held in the unlock position for 2.5 seconds or more, the sliding roof control ECU activates the sliding roof motor to open the sliding roof while the key cylinder is turned.

      • Similarly, turning and holding the driver door key cylinder in the lock position will cause the sliding roof to close.

      Transmitter-linked Operation*1*2
      • When the certification ECU (smart key ECU assembly) receives an unlock signal from the key continuously for 4 seconds or more via the door control receiver, the sliding roof control ECU opens the sliding roof.

      • Similarly, when the certification ECU (smart key ECU assembly) receives a lock signal from the key continuously for 4 seconds or more via the door control receiver, the sliding roof control ECU closes the sliding roof.

      Panoramic Moon Roof Open Warning If the panoramic moon roof is open when the engine switch is turned from on (IG) to off and the driver door is opened, a door open warning message will be displayed on the multi-information display for approximately 6.0 seconds, then a panoramic moon roof open warning message will be displayed on the multi-information display, the multi buzzer will sound and the master warning light will blink.

      *1: Customizable parameters can be configured through customize settings. For details, refer to the Repair Manual.

      *2: Except destination package for South Korea

      Tech Tips

      The panoramic moon roof ECU memorizes the initial position of the panoramic moon roof. This memory is not cleared if the cable is disconnected from the negative (-) battery terminal. However, initialization is necessary if the sliding roof drive gear sub-assembly is replaced. For details, refer to the Repair Manual.

      Roof Sunshade
      Function Outline
      Manual Open-and-close Opens (or closes) the roof sunshade when the shade open/close switch is slid backward (or forward) for less than 0.3 seconds. The roof sunshade stops as soon as the switch is released.
      One-touch Auto Open Opens the roof sunshade to the fully opened position when the shade open/close switch is slid backward for 0.3 seconds or more.
      One-touch Auto Close
      • When the panoramic moon roof is not fully closed, sliding the shade open/close switch forward for 0.3 seconds or more closes the roof sunshade to the half-opened position, simultaneously, the roof glass will open to the fully closed position. Then, the shade will close to fully closed position.

      • When the panoramic moon roof is fully closed, sliding the shade open/close switch forward for 0.3 seconds or more fully closes the roof sunshade.

      Jam Protection Automatically stops the roof sunshade and moves it to the halfway open or fully open position if foreign matter gets jammed in the roof sunshade during a close operation.
      Key Off Operation Makes it possible to operate the roof sunshade for approximately 45 seconds after the engine switch has been turned from on (IG) to on (ACC) or off, if the driver door or front passenger door is not opened.
    2. Jam Protection Function


      1. To control the jam protection function, the sliding roof ECU monitors the amount of movement and judges jamming of the sliding roof based on the pulse signal from Hall IC and the movement direction of the sliding roof from the magnetic fields.

        A01R7ZIE03
        *1 Hall IC Signal
        *2 Jammed
        *3 Normal
        *4 Motor Lock
  2. OPERATION


    1. The panoramic moon roof and roof sunshade operate as follows:

      Operating Condition

      When any roof or shade switch is operated with either of the following conditions met:


      • Engine switch is on (IG)

      • Open/close/vent switch is operated after engine switch is turned from on (IG) to on (ACC) or off (key off operation).

      Tech Tips


      • Automatic operation begins after sliding the switch backward or forward or pressing the switch for 0.3 seconds or more.

      • Manual operation operates when sliding the switch backward or forward or pressing the switch for less than 0.3 seconds.

      • Automatic operation can be stopped by operating the roof open/close/vent switch or shade open/close switch.

      ROOF OPEN Switch Operation
      No. Roof Glass Position Shade Position Operation
      [1]
      • Fully closed position

      • Between fully closed position and fully tilted-up position


      • Fully closed position

      • Between fully closed position and half-opened position


      1. The shade will open to the fully opened position.

      2. Simultaneously, the roof glass will open to the fully opened position.

      [2]
      • Half-opened position

      • Between half-opened position and fully opened position

      [3] Fully opened position The roof glass will open to the fully opened position.
      [4]
      • Fully tilted-up position

      • Between fully tilted-up position and fully opened position


      • Half-opened position

      • Between half-opened position and fully opened position


      1. The shade will open to the fully opened position.

      2. Simultaneously, the roof glass will open to the fully opened position.

      [5] Fully opened position The roof glass will open to the fully opened position.
      A01R7TGC01
      *a Shade Fully Closed *b Shade Half-opened
      *c Shade Fully Opened *d Roof Glass Fully Closed
      *e Roof Glass Fully Tilted-up *f Roof Glass Fully Opened
      B007WJ2 Automatic/Manual Operation - -
      ROOF CLOSE Switch Operation
      No. Roof Glass Position Shade Position Operation
      [1]
      • Fully opened position

      • Between fully tilted-up position and fully opened position


      • Half-opened position

      • Between half-opened position and fully opened position

      The roof glass will slide closed to the fully closed position.
      [2]
      • Between fully closed position and fully tilted-up position

      • Fully tilted-up position

      Entire range The roof glass will tilt down to the fully closed position.
      A01R8HHC01
      *a Shade Fully Closed *b Shade Half-opened
      *c Shade Fully Opened *d Roof Glass Fully Closed
      *e Roof Glass Fully Tilted-up *f Roof Glass Fully Opened
      B007WJ2 Automatic/Manual Operation - -
      SHADE OPEN Switch Operation
      No. Roof Glass Position Shade Position Operation
      [1] Entire range Entire range The shade will open to the fully opened position.
      A01R85OC01
      *a Shade Fully Closed *b Shade Half-opened
      *c Shade Fully Opened *d Roof Glass Fully Closed
      *e Roof Glass Fully Tilted-up *f Roof Glass Fully Opened
      B007WJ2 Automatic/Manual Operation - -
      SHADE CLOSE Switch Operation
      No. Roof Glass Position Shade Position Operation
      [1]
      • Fully opened position

      • Between fully opened position and fully tilted-up position


      • Fully opened position

      • Between half-opened position and fully opened position


      1. The shade will close to the half-opened position.

      2. Simultaneously, the roof glass will close to the fully closed position.

      3. Then the shade will close to fully closed position.

      [2] Fully tilted-up position
      1. The shade will close to the half-opened position.

      2. Simultaneously, the roof glass will close to the fully closed position.

      3. Then the shade will close to fully closed position.

      [3] Between fully tilted-up position and fully opened position Half-opened position
      1. The roof glass will close to the fully closed position.

      2. Then the shade will close to fully closed position.

      [4]
      • Fully tilted-up position

      • Between fully closed position and fully tilted-up position


      • Half-opened position

      • Between fully closed position and half-opened position


      1. The roof glass will close to the fully closed position.

      2. Then the shade will close to fully closed position.

      [5] Fully closed position
      • Between fully closed position and fully opened position

      • Fully opened position

      The shade will close to the fully closed position.
      A01R7YNC01
      *a Shade Fully Closed *b Shade Half-opened
      *c Shade Fully Opened *d Roof Glass Fully Closed
      *e Roof Glass Fully Tilted-up *f Roof Glass Fully Opened
      B007WJ2 Automatic/Manual Operation - -
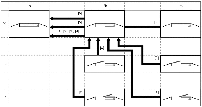
      VENT Switch Operation
      No. Roof Glass Position Shade Position Operation
      [1]
      • Fully closed position

      • Between fully closed position and fully tilted-up position


      • Fully closed position

      • Between fully closed position and half-opened position


      1. The shade will open to the half-opened position.

      2. Simultaneously, the roof glass will open to the fully tilted-up position.

      [2]
      • Half-opened position

      • Between half-opened position and fully opened position

      • Fully opened position

      The roof glass will open to the fully tilted-up position.
      [3]
      • Between fully tilted-up position and fully open position

      • Fully opened position

      The roof glass will close to the fully tilted-up position.
      [4] Fully tilted-up position The roof glass will close to the fully closed position.
      A01R8FEC01
      *a Shade Fully Closed *b Shade Half-opened
      *c Shade Fully Opened *d Roof Glass Fully Closed
      *e Roof Glass Fully Tilted-up *f Roof Glass Fully Opened
      B007WJ2 Automatic/Manual Operation - -