СИСТЕМА ПОДУШЕК БЕЗОПАСНОСТИ, Diagnostic DTC:B1620/21

Код DTC Наименование DTC
B1620/21 Неисправность цепи бокового датчика системы SRS со стороны водителя

ОПИСАНИЕ

Боковой датчик системы SRS (со стороны водителя) включает датчик системы безопасности, цепь диагностики, боковой датчик замедления и т.д.

Когда центральный датчик системы SRS получает сигналы от бокового датчика замедления, он определяет, требуется или нет приводить в действие SRS.

Код DTC B1620/21 регистрируется при обнаружении неисправности цепи бокового датчика системы SRS со стороны водителя.

Код DTC Условие обнаружения Неисправный участок
B1620/21

Выполняется одно из следующих условий:


  • Неисправность бокового датчика системы SRS (со стороны водителя)

  • Неисправность центрального блока датчика системы SRS


  • Боковой датчик системы SRS (со стороны водителя)

  • Задний датчик системы SRS (со стороны водителя)

  • Напольный провод

  • Центральный датчик системы SRS в сборе

СХЕМА ЭЛЕКТРИЧЕСКИХ СОЕДИНЕНИЙ

A01DXKGE09
A01DXZ0E12

ПОСЛЕДОВАТЕЛЬНОСТЬ ПРОВЕРКИ

ПОРЯДОК ВЫПОЛНЕНИЯ


  1. ПРОВЕРЬТЕ СОСТОЯНИЕ АВТОМОБИЛЯ


    1. Проверьте состояние автомобиля.

      Результат
      Результат Перейти к
      Для моделей с левосторонним рулевым управлением А
      Для моделей с правосторонним рулевым управлением B

    А
    B
  2. ПРОВЕРЬТЕ ПОДСОЕДИНЕНИЕ РАЗЪЕМОВ


    1. Выключите зажигание.

    2. Отсоедините провод от отрицательного (-) вывода аккумуляторной батареи и подождите не менее 90 секунд.

    3. Проверьте правильность подключения разъемов к центральному датчику системы SRS и правому боковому датчику системы SRS.

      OK
      Разъемы подсоединены должным образом.

    NG
    OK
  3. ПРОВЕРЬТЕ РАЗЪЕМЫ


    1. A01DVK7E02
      Обозначения на рисунке
      *1 Правый боковой датчик системы SRS
      *2 Центральный блок управления системы SRS в сборе
      *3 Напольный провод

      Отсоедините разъемы от правого бокового датчика системы SRS и центрального блока управления системы SRS.

    2. Убедитесь, что разъемы со стороны центрального датчика системы SRS и правого бокового датчика системы SRS не повреждены.

      OK
      Разъемы не деформированы и не повреждены.

    NG
    OK
  4. ПРОВЕРЬТЕ ЦЕПЬ ПРАВОГО БОКОВОГО ДАТЧИКА СИСТЕМЫ SRS


    1. Подсоедините провод к отрицательному (-) выводу аккумуляторной батареи и подождите не менее 2 с.

      A01DYOME01
      Текст на рисунке
      *A для моделей с полуторной и двойной кабинами *B для моделей со стандартной кабиной
      *1 Правый боковой датчик системы SRS *2 Центральный блок управления системы SRS
      *3 Напольный провод *4 Разъем C
      *5 Разъем B *6 Технологический провод
      *a

      Вид сзади разъема со стороны жгута проводов:

      (к правому боковому датчику системы SRS)

      *b

      Вид сзади разъема со стороны жгута проводов:

      (к центральному блоку управления системы SRS)

    2. Установите замок зажигания в положение ON (ВКЛ).

    3. Измерьте напряжение в соответствии со значениями, приведенными в таблице.

      Номинальное напряжение (для моделей с полуторной и двойной кабинами)
      Контакты для подключения диагностического прибора Положение переключателя Заданные условия
      F24-3 (BBR-) - масса Замок зажигания в положении ON (ВКЛ) Менее 1 В
      F24-4 (BBR+) - масса
      Номинальное напряжение (для моделей со стандартной кабиной)
      Контакты для подключения диагностического прибора Положение переключателя Заданные условия
      F37-1 (BBR-) - масса Замок зажигания в положении ON (ВКЛ) Менее 1 В
      F37-2 (BBR+) - масса
    4. Выключите зажигание.

    5. Отсоедините провод от отрицательного (-) вывода аккумуляторной батареи и подождите не менее 90 секунд.

    6. С помощью технологического провода соедините контакты 8 (BBD+) и 15 (BBD-) разъема "В".

      Note

      Технологический провод следует вставлять в контакты разъема без усилия.

    7. Измерьте сопротивление в соответствии со значениями, приведенными в таблице ниже.

      Номинальное сопротивление (для моделей с полуторной и двойной кабинами)
      Контакты для подключения диагностического прибора Условие Заданные условия
      F24-3 (BBR-) - F24-4 (BBR+) Всегда Менее 1 Ом
      Номинальное сопротивление (для моделей со стандартной кабиной)
      Контакты для подключения диагностического прибора Условие Заданные условия
      F37-1 (BBR-) - F37-2 (BBR+) Всегда Менее 1 Ом
    8. Отсоедините технологический провод от разъема В.

    9. Измерьте сопротивление в соответствии со значениями, приведенными в таблице ниже.

      Номинальное сопротивление (для моделей с полуторной и двойной кабинами)
      Контакты для подключения диагностического прибора Условие Заданные условия
      F24-3 (BBR-) - F24-4 (BBR+) Всегда 1 МОм или более
      F24-3 (BBR-) - масса
      F24-4 (BBR+) - масса
      Номинальное сопротивление (для моделей со стандартной кабиной)
      Контакты для подключения диагностического прибора Условие Заданные условия
      F37-1 (BBR-) - F37-2 (BBR+) Всегда 1 МОм или более
      F37-1 (BBR-) - масса
      F37-2 (BBR+) - масса

    NG
    OK
  5. ПРОВЕРЬТЕ ПРАВЫЙ БОКОВОЙ ДАТЧИК СИСТЕМЫ SRS


    1. A01E0LVE04
      Обозначения на рисунке
      *1 Левый боковой датчик системы SRS
      *2 Центральный блок управления системы SRS

      Подсоедините разъем к центральному блоку управления системы SRS.

    2. Поменяйте местами правый и левый боковые датчики системы SRS в сборе и подсоедините к ним разъемы.

    3. Подсоедините провод к отрицательному (-) выводу аккумуляторной батареи и подождите не менее 2 с.

    4. Установите замок зажигания в положение ON (ВКЛ) и подождите не менее 60 секунд.

    5. Сбросьте коды DTC, сохраненные в памяти (см. стр. Click here).

    6. Выключите зажигание.

    7. Установите замок зажигания в положение ON (ВКЛ) и подождите не менее 60 секунд.

    8. Проверьте коды DTC (см. стр. Click here).

      Результат
      Результат Перейти к
      DTC B1620/21 и B1625/22 не выводятся А
      DTC B1625/22 выводится B
      Выводится DTC B1620/21 (для моделей со стандартной кабиной) C
      Выводится DTC B1620/21 (для моделей с полуторной и двойной кабинами) D

      Tech Tips

      На этом этапе могут выводиться коды помимо B1620/21 и B1625/22, однако они не связаны с данной проверкой.

    9. Выключите зажигание.

    10. Отсоедините провод от отрицательного (-) вывода аккумуляторной батареи и подождите не менее 90 секунд.

    11. Установите на место правый и левый боковые датчики системы SRS и подсоедините к ним разъемы.


    А
    B
    C
    D
  6. ПРОВЕРЬТЕ ПОДСОЕДИНЕНИЕ РАЗЪЕМОВ


    1. Проверьте правильность подключения разъема к правому заднему датчику системы SRS.

      OK
      Разъем подсоединен правильно.

    NG
    OK
  7. ПРОВЕРЬТЕ РАЗЪЕМЫ


    1. A01DYYOE03
      Обозначения на рисунке
      *1 Правый задний датчик системы SRS
      *2 Напольный провод
      *3 Правый боковой датчик системы SRS

      Отсоедините разъемы от правого бокового датчика системы SRS и правого заднего датчика системы SRS.

    2. Убедитесь, что разъем со стороны правого заднего датчика системы SRS не поврежден.

      OK
      Разъем не деформирован и не поврежден.

    NG
    OK
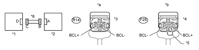
  8. ПРОВЕРЬТЕ ЦЕПЬ ПРАВОГО ЗАДНЕГО ДАТЧИКА СИСТЕМЫ SRS


    1. Подсоедините провод к отрицательному (-) выводу аккумуляторной батареи и подождите не менее 2 с.

      A01DZQWE01
      Обозначения на рисунке
      *1 Правый задний датчик системы SRS *2 Правый боковой датчик системы SRS
      *3 Разъем C *4 Разъем B
      *5 Технологический провод *6 Напольный провод
      *a

      Вид сзади разъема со стороны жгута проводов:

      (к правому заднему датчику системы SRS)

      *b

      Вид сзади разъема со стороны жгута проводов:

      (к правому боковому датчику системы SRS)

    2. Установите замок зажигания в положение ON (ВКЛ).

    3. Измерьте напряжение в соответствии со значениями, приведенными в таблице.

      Номинальное напряжение
      Контакты для подключения диагностического прибора Положение переключателя Заданные условия
      R13-2 (BCR+) - масса Зажигание включено Менее 1 В
      R13-1 (BCR-) - масса
    4. Выключите зажигание.

    5. Отсоедините провод от отрицательного (-) вывода аккумуляторной батареи и подождите не менее 90 секунд.

    6. С помощью технологического провода соедините контакты 1 (BCR+) и 2 (BCR-) разъема "В".

      Note

      Технологический провод следует вставлять в контакты разъема без усилия.

    7. Измерьте сопротивление в соответствии со значениями, приведенными в таблице ниже.

      Номинальное сопротивление
      Контакты для подключения диагностического прибора Условие Заданные условия
      R13-2 (BCR+) - R13-1 (BCR-) Всегда Менее 1 Ом
    8. Отсоедините технологический провод от разъема В.

    9. Измерьте сопротивление в соответствии со значениями, приведенными в таблице ниже.

      Номинальное сопротивление
      Контакты для подключения диагностического прибора Условие Заданные условия
      R13-2 (BCR+) - R13-1 (BCR-) Всегда 1 МОм или более
      R13-2 (BCR+) - масса
      R13-1 (BCR-) - масса

    NG
    OK
  9. ПРОВЕРЬТЕ DTC


    1. A01E0TVE01
      Обозначения на рисунке
      *1 Правый задний датчик системы SRS
      *2 Правый боковой датчик системы SRS

      Подсоедините разъемы к правому боковому датчику системы SRS.

    2. Подсоедините провод к отрицательному (-) выводу аккумуляторной батареи и подождите не менее 2 с.

    3. Установите замок зажигания в положение ON (ВКЛ) и подождите не менее 60 секунд.

    4. Сбросьте коды DTC, сохраненные в памяти (см. стр. Click here).

    5. Выключите зажигание.

    6. Установите замок зажигания в положение ON (ВКЛ) и подождите не менее 60 секунд.

    7. Проверьте коды DTC (см. стр. Click here).

      OK
      Выводится DTC B1620/21

      Tech Tips

      В этот момент могут выводиться другие коды, кроме B1620/21, которые не связаны с данной проверкой.

    8. Подсоедините разъемы к левому заднему датчику системы SRS.


    NG
    OK
  10. ПРОВЕРЬТЕ ПРАВЫЙ БОКОВОЙ ДАТЧИК СИСТЕМЫ SRS


    1. A01E0LVE04
      Обозначения на рисунке
      *1 Левый боковой датчик системы SRS
      *2 Центральный блок управления системы SRS в сборе

      Поменяйте местами правый и левый боковые датчики системы SRS в сборе и подсоедините к ним разъемы.

    2. Подсоедините провод к отрицательному (-) выводу аккумуляторной батареи и подождите не менее 2 с.

    3. Установите замок зажигания в положение ON (ВКЛ) и подождите не менее 60 секунд.

    4. Сбросьте коды DTC, сохраненные в памяти (см. стр. Click here).

    5. Выключите зажигание.

    6. Установите замок зажигания в положение ON (ВКЛ) и подождите не менее 60 секунд.

    7. Проверьте коды DTC (см. стр. Click here).

      Результат
      Результат Перейти к
      DTC B1620/21 и B1625/22 не выводятся А
      DTC B1625/22 выводится B
      DTC B1620/21 выводится C

      Tech Tips

      На этом этапе могут выводиться коды помимо B1620/21 и B1625/22, однако они не связаны с данной проверкой.

    8. Выключите зажигание.

    9. Отсоедините провод от отрицательного (-) вывода аккумуляторной батареи и подождите не менее 90 секунд.

    10. Установите на место правый и левый боковые датчики системы SRS и подсоедините к ним разъемы.


    А
    B
    C
  11. ПРОВЕРЬТЕ ПОДСОЕДИНЕНИЕ РАЗЪЕМОВ


    1. Выключите зажигание.

    2. Отсоедините провод от отрицательного (-) вывода аккумуляторной батареи и подождите не менее 90 секунд.

    3. Проверьте правильность подключения разъемов к центральному блоку управления системы SRS и левому боковому датчику системы SRS.

      OK
      Разъемы подсоединены должным образом.

    NG
    OK
  12. ПРОВЕРЬТЕ РАЗЪЕМЫ


    1. A01DVK7E02
      Обозначения на рисунке
      *1 Левый боковой датчик системы SRS
      *2 Центральный блок управления системы SRS в сборе
      *3 Напольный провод

      Отсоедините разъемы от левого бокового датчика системы SRS и центрального блока управления системы SRS.

    2. Убедитесь, что разъемы со стороны центрального блока управления системы SRS и левого бокового датчика системы SRS не повреждены.

      OK
      Разъемы не деформированы и не повреждены.

    NG
    OK
  13. ПРОВЕРЬТЕ ЦЕПЬ ЛЕВОГО БОКОВОГО ДАТЧИКА СИСТЕМЫ SRS


    1. Подсоедините провод к отрицательному (-) выводу аккумуляторной батареи и подождите не менее 2 секунд.

      A01DXFME09
      Обозначения на рисунке
      *1 Левый боковой датчик системы SRS *2 Центральный блок управления системы SRS в сборе
      *3 Напольный провод *4 Разъем C
      *5 Разъем B *6 Технологический провод
      *a

      Вид сзади разъема со стороны жгута проводов:

      (к левому боковому датчику системы SRS)

      *b

      Вид сзади разъема со стороны жгута проводов:

      (к центральному блоку управления системы SRS)

    2. Установите замок зажигания в положение ON (ВКЛ).

    3. Измерьте напряжение в соответствии со значениями, приведенными в таблице.

      Номинальное напряжение
      Контакты для подключения диагностического прибора Положение переключателя Заданные условия
      F25-3 (BBL-) - масса Зажигание включено Менее 1 В
      F25-4 (BBL+) - масса
    4. Выключите зажигание.

    5. Отсоедините провод от отрицательного (-) вывода аккумуляторной батареи и подождите не менее 90 секунд.

    6. С помощью технологического провода соедините контакты 8 (BBD+) и 15 (BBD-) разъема "В".

      Note

      Технологический провод следует вставлять в контакты разъема без усилия.

    7. Измерьте сопротивление в соответствии со значениями, приведенными в таблице ниже.

      Номинальное сопротивление
      Подключение диагностического прибора Условие Заданные условия
      F25-3 (BBL-) - F25-4 (BBL+) Всегда Менее 1 Ом
    8. Отсоедините технологический провод от разъема В.

    9. Измерьте сопротивление в соответствии со значениями, приведенными в таблице ниже.

      Номинальное сопротивление
      Подключение диагностического прибора Условие Заданные условия
      F25-3 (BBL-) - F25-4 (BBL+) Всегда 1 МОм или более
      F25-3 (BBL-) - масса
      F25-4 (BBL+) - масса

    NG
    OK
  14. ПРОВЕРЬТЕ ЛЕВЫЙ БОКОВОЙ ДАТЧИК СИСТЕМЫ SRS


    1. A01E0LVE05
      Обозначения на рисунке
      *1 Правый боковой датчик системы SRS
      *2 Центральный блок управления системы SRS в сборе

      Подсоедините разъем к центральному блоку управления системы SRS.

    2. Поменяйте местами правый и левый боковые датчики системы SRS в сборе и подсоедините к ним разъемы.

    3. Подсоедините провод к отрицательному (-) выводу аккумуляторной батареи и подождите не менее 2 с.

    4. Установите замок зажигания в положение ON (ВКЛ) и подождите не менее 60 секунд.

    5. Сбросьте коды DTC, сохраненные в памяти (см. стр. Click here).

    6. Выключите зажигание.

    7. Установите замок зажигания в положение ON (ВКЛ) и подождите не менее 60 секунд.

    8. Проверьте коды DTC (см. стр. Click here).

      Результат
      Результат Следующий шаг
      DTC B1620/21 и B1625/22 не выводятся А
      DTC B1625/22 выводится B
      DTC B1620/21 выводится C

      Tech Tips

      На этом этапе могут выводиться коды помимо B1620/21 и B1625/22, однако они не связаны с данной проверкой.

    9. Выключите зажигание.

    10. Отсоедините провод от отрицательного (-) вывода аккумуляторной батареи и подождите не менее 90 секунд.

    11. Установите на место правый и левый боковые датчики системы SRS и подсоедините к ним разъемы.


    А
    B
    C
  15. ПРОВЕРЬТЕ ПОДСОЕДИНЕНИЕ РАЗЪЕМОВ


    1. Проверьте правильность подключения разъема к левому заднему датчику системы SRS.

      OK
      Разъемы подсоединены должным образом.

    NG
    OK
  16. ПРОВЕРЬТЕ РАЗЪЕМЫ


    1. A01DYYOE03
      Обозначения на рисунке
      *1 Левый задний датчик системы SRS
      *2 Напольный провод
      *3 Левый боковой датчик системы SRS

      Отсоедините разъемы от левого бокового датчика системы SRS и левого заднего датчика системы SRS.

    2. Убедитесь в том, что разъем со стороны левого заднего датчика системы SRS не поврежден.

      OK
      Разъемы не деформированы и не повреждены.

    NG
    OK
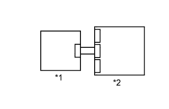
  17. ПРОВЕРЬТЕ ЦЕПЬ ЛЕВОГО ЗАДНЕГО ДАТЧИКА СИСТЕМЫ SRS


    1. Подсоедините провод к отрицательному (-) выводу аккумуляторной батареи и подождите не менее 2 секунд.

      A01DZQWE02
      Обозначения на рисунке
      *1 Левый задний датчик системы SRS *2 Левый боковой датчик системы SRS
      *3 Разъем C *4 Разъем B
      *5 Технологический провод *6 Напольный провод
      *a

      Вид сзади разъема со стороны жгута проводов:

      (к левому заднему датчику системы SRS)

      *b

      Вид сзади разъема со стороны жгута проводов:

      (к левому боковому датчику системы SRS)

    2. Установите замок зажигания в положение ON (ВКЛ).

    3. Измерьте напряжение в соответствии со значениями, приведенными в таблице.

      Номинальное напряжение
      Контакты для подключения диагностического прибора Положение переключателя Заданные условия
      R14-2 (BCL+) - масса Зажигание включено Менее 1 В
      R14-1 (BCL-) - масса
    4. Выключите зажигание.

    5. Отсоедините провод от отрицательного (-) вывода аккумуляторной батареи и подождите не менее 90 секунд.

    6. С помощью технологического провода соедините контакты 2 (BCL-) и 1 (BCL+) разъема B.

      Note

      Технологический провод следует вставлять в контакты разъема без усилия.

    7. Измерьте сопротивление в соответствии со значениями, приведенными в таблице ниже.

      Номинальное сопротивление
      Подключение диагностического прибора Условие Заданные условия
      R14-2 (BCL+) - R14-1 (BCL-) Всегда Менее 1 Ом
    8. Отсоедините технологический провод от разъема В.

    9. Измерьте сопротивление в соответствии со значениями, приведенными в таблице ниже.

      Номинальное сопротивление
      Подключение диагностического прибора Условие Заданные условия
      R14-2 (BCL+) - R14-1 (BCL-) Всегда 1 МОм или более
      R14-2 (BCL+) - масса
      R14-1 (BCL-) - масса

    NG
    OK
  18. ПРОВЕРЬТЕ DTC


    1. A01E0TVE01
      Обозначения на рисунке
      *1 Левый задний датчик системы SRS
      *2 Левый боковой датчик системы SRS

      Подсоедините разъемы к левому боковому датчику системы SRS.

    2. Подсоедините провод к отрицательному (-) выводу аккумуляторной батареи и подождите не менее 2 с.

    3. Установите замок зажигания в положение ON (ВКЛ) и подождите не менее 60 секунд.

    4. Сбросьте коды DTC, сохраненные в памяти (см. стр. Click here).

    5. Выключите зажигание.

    6. Установите замок зажигания в положение ON (ВКЛ) и подождите не менее 60 секунд.

    7. Проверьте коды DTC (см. стр. Click here).

      OK
      Выводится DTC B1620/21

      Tech Tips

      В этот момент могут выводиться другие коды, кроме B1620/21, которые не связаны с данной проверкой.

    8. Подсоедините разъем левого заднего датчика системы SRS.


    NG
    OK
  19. ПРОВЕРЬТЕ ЛЕВЫЙ БОКОВОЙ ДАТЧИК СИСТЕМЫ SRS


    1. A01E0LVE05
      Обозначения на рисунке
      *1 Правый боковой датчик системы SRS
      *2 Центральный блок управления системы SRS в сборе

      Поменяйте местами правый и левый боковые датчики системы SRS в сборе и подсоедините к ним разъемы.

    2. Подсоедините провод к отрицательному (-) выводу аккумуляторной батареи и подождите не менее 2 с.

    3. Установите замок зажигания в положение ON (ВКЛ) и подождите не менее 60 секунд.

    4. Сбросьте коды DTC, сохраненные в памяти (см. стр. Click here).

    5. Выключите зажигание.

    6. Установите замок зажигания в положение ON (ВКЛ) и подождите не менее 60 секунд.

    7. Проверьте коды DTC (см. стр. Click here).

      Результат
      Результат Следующий шаг
      DTC B1620/21 и B1625/22 не выводятся А
      DTC B1625/22 выводится B
      DTC B1620/21 выводится C

      Tech Tips

      На этом этапе могут выводиться коды помимо B1620/21 и B1625/22, однако они не связаны с данной проверкой.

    8. Выключите зажигание.

    9. Отсоедините провод от отрицательного (-) вывода аккумуляторной батареи и подождите не менее 90 секунд.

    10. Установите на место правый и левый боковые датчики системы SRS и подсоедините к ним разъемы.


    А
    B
    C