СИСТЕМА БЕСПРОВОДНОЙ ЗАРЯДКИ ОПИСАНИЕ СИСТЕМЫ

  1. ОПИСАНИЕ СИСТЕМЫ БЕСПРОВОДНОЙ ЗАРЯДКИ

    1. Система беспроводной зарядки позволяет заряжать Qi-совместимые* заряжаемые устройства, например, мобильные телефоны, просто поместив их областью зарядки на подставку для беспроводной зарядки мобильных устройств в сборе.

      Tip:

      *: Стандарт Qi (произносится "Ци") является технологией беспроводной зарядки устройств, т.е. без применения проводов.

    2. Qi-совместимые устройства, габариты которых не позволяют установить их на область зарядки, использовать не получится. Если Qi-совместимое устройство не работает должным образом, обратитесь к руководству по эксплуатации устройства.

    3. Qi-совместимые заряжаемые устройства можно зарядить.

      Tip:
      • "Qi" и логотип "Qi" являются торговыми марками Консорциума беспроводной электромагнитной энергии (WPC).

      • Несмотря на то, что система беспроводной зарядки соответствует стандарту Qi, совместимость со всеми Qi-совместимыми устройствами не гарантируется.

  2. СОСТОЯНИЕ ИНДИКАТОРА ЗАРЯДКИ

    1. E328777C01

      *A

      для моделей с правосторонним рулевым управлением.

      *a

      Выключатель беспроводной зарядки

      *b

      Индикатор (зеленый/янтарный)

      *c

      Область зарядки

      E328800C01

      *A

      Для моделей с левосторонним рулевым управлением

      *a

      Выключатель беспроводной зарядки

      *b

      Индикатор (зеленый/янтарный)

      *c

      Область зарядки

      Индикатор указывает рабочее состояние системы беспроводной зарядки.

      Контрольная лампа

      Условия работы

      Условие

      Цвет

      Выкл

      -

      Система беспроводной зарядки выключена

      Вкл

      Зеленый

      • Система беспроводной зарядки включена (в режиме ожидания)

      • Зарядка завершена*1

      Вкл

      Желтый

      • Если заряжаемое устройство находится в области зарядки

      • Заряжаемое устройство заряжается

      Вкл

      (в течение 4,5 с)*2

      Зеленый

      Зарядка прекращается автоматически при получении от интеллектуальной системы посадки и запуска сигнала о прекращении зарядки

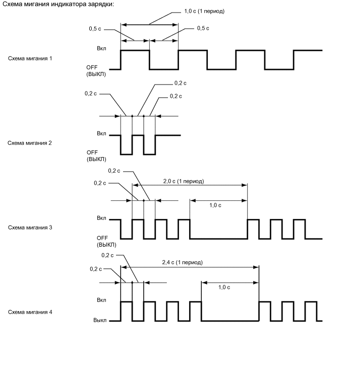
      Мигает

      (Схема 1)*3

      Желтый

      В цепи прекращения зарядки обнаружен обрыв

      Мигает

      (Схема 2)*3

      Желтый

      Частота зарядки меняется

      Мигает

      (Схема 3)*3

      Желтый

      • Между заряжаемым устройством и областью зарядки находится посторонний предмет

      • Между заряжаемым устройством и областью зарядки имеется зазор

      • Заряжаемое устройство не полностью находится в области зарядки

      • Заряжаемое устройство было перемещено из положения, в котором оно находилось изначально

      Мигает

      (Схема 4)*3

      Желтый

      Чрезмерно высока температура подставки для беспроводной зарядки мобильных устройств

      *1: При использовании некоторых мобильных устройств, корпусов или принадлежностей индикатор (зеленый) может не загораться при завершении зарядки, даже если они являются Qi-совместимыми. Проверьте мобильное устройство, чтобы подтвердить состояние зарядки.

      *2: Если сигнал прекращения зарядки поступает в течение не более 4,5 с, индикатор горит зеленым светом в течение 4,5 с.

      *3: Подробное описание схемы работы индикатора приводится на следующем рисунке.

  3. ВОЗОБНОВЛЕНИЕ ЗАРЯДКИ

    1. Если после завершения зарядки положение заряжаемого устройства не меняется на области зарядки, зарядка возобновится через 30 минут.

    2. Если в течение 30 минут после завершения зарядки заряжаемое устройство перемещается в пределах области зарядки или заменяется другим заряжаемым устройством, зарядка возобновится.

    3. Если заряжаемое устройство перемещается во время зарядки, зарядка возобновится при помещении устройства в область зарядки.

      Tip:

      Если зарядка прекращается и немедленно возобновляется в результате перемещения заряжаемого устройства или в результате ошибки передачи данных между системой беспроводной зарядки и заряжаемым устройством, после определенного количества попыток зарядка будет запрещена в целях защиты заряжаемого устройства.

  4. ПРЕКРАЩЕНИЕ ЗАРЯДКИ В РЕЗУЛЬТАТЕ ВЕРИФИКАЦИИ ПЕРЕДАТЧИКА ЭЛЕКТРОННОГО КЛЮЧА В СБОРЕ

    1. В системе беспроводной зарядки используется такая же радиочастота, что и при верификации передатчика электронного ключа в сборе. По этой причине, когда выполняется верификация передатчика электронного ключа в сборе, система беспроводной зарядки прекращает зарядку по сигналу прекращения зарядки от ЭБУ сертификации (ЭБУ электронного ключа зажигания в сборе).

      Tip:
      • Если зарядка прекращается по сигналу прекращения зарядки, индикатор горит зеленым светом.

      • Если в цепи сигнала прекращения зарядки происходит обрыв, индикатор мигает янтарным светом (схема 1).

    2. ЭБУ сертификации (ЭБУ электронного ключа зажигания в сборе) передает сигнал прекращения зарядки при выполнении любого из следующих условий:

      • Дверь открывается или закрывается.

      • Происходит нажатие выключателя открывания двери багажного отделения.

      • Дверь багажного отделения закрыта.

      • Выключатель зажигания переводится в состояние ON (ВКЛ) (START).

      • Передатчик электронного ключа не обнаруживается в салоне.

  5. ФУНКЦИЯ ИЗМЕНЕНИЯ ЧАСТОТЫ ЗАРЯДКИ

    1. Если во время зарядки появляются помехи при приеме радиосигнала в диапазоне АМ, выключите питание системы беспроводной зарядки и проверьте, снижается ли уровень помех. Если уровень помех снижается, удерживайте выключатель беспроводной зарядки в течение примерно 2 секунд, чтобы изменить частоту зарядки и снизить уровень помех.

      Tip:

      При изменении частоты зарядки индикатор мигает янтарным светом (схема 2).

E216120E05