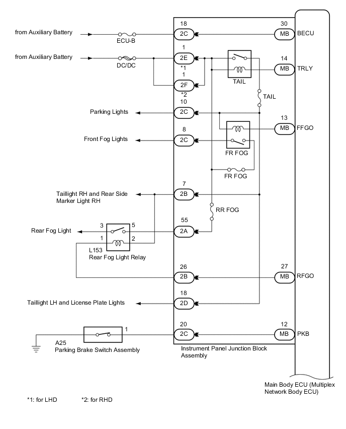
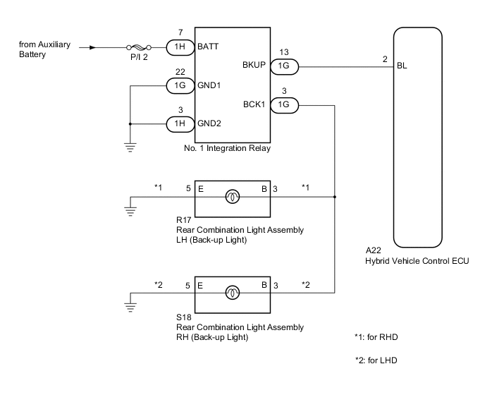
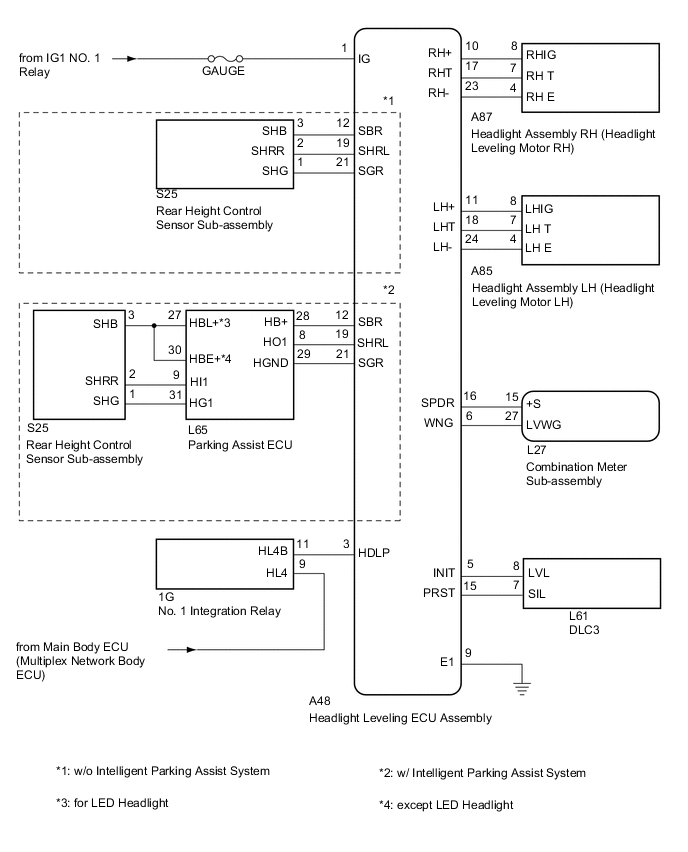
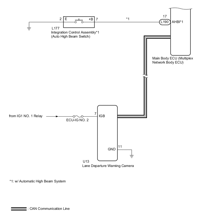
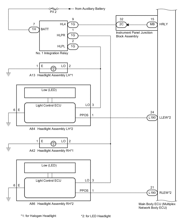
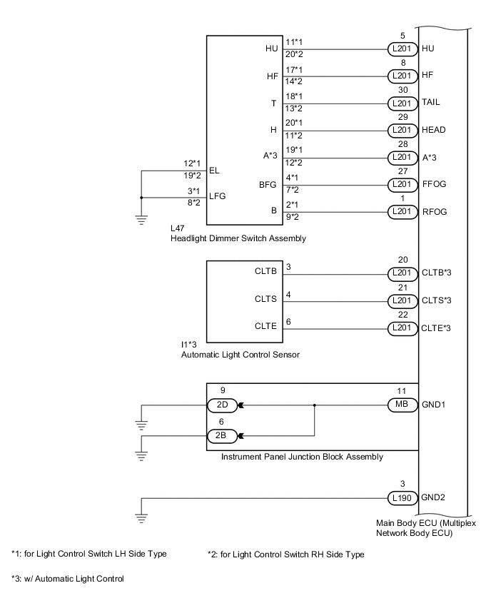
LIGHTING SYSTEM SYSTEM DIAGRAM

A005BVZE07
A005A09E06
A005AHAE06
A005DSME05
A005F37E09
A005E7CE12
A005B54E06