СИСТЕМА ПРЕДУПРЕЖДЕНИЯ О НЕПРИСТЕГНУТОМ РЕМНЕ БЕЗОПАСНОСТИ (для моделей без системы классификации пассажиров) Контрольная лампа ремня безопасности переднего пассажира не работает

Код DTC Наименование DTC
Контрольная лампа ремня безопасности переднего пассажира не работает

ОПИСАНИЕ

Датчик присутствия пассажира (подушка раздельного переднего сиденья (сиденья переднего пассажира)) определяет, занято или нет сиденье пассажира, и передает сигналы в щиток приборов в сборе. Замок ремня безопасности переднего сиденья в сборе (сиденья переднего пассажира) определяет состояние ремня безопасности пассажира и передает сигналы в щиток приборов в сборе. После получения сигналов от датчика присутствия пассажира (подушки раздельного переднего сиденья (сиденья переднего пассажира)) и замка ремня безопасности переднего сиденья в сборе (сиденья переднего пассажира) контрольная лампа ремня безопасности на щитке приборов в сборе начинает мигать или гаснет.

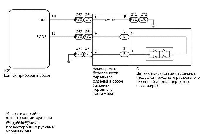
СХЕМА ЭЛЕКТРИЧЕСКИХ СОЕДИНЕНИЙ

B345487E11

ПРЕДОСТЕРЕЖЕНИЕ / ПРИМЕЧАНИЕ / УКАЗАНИЕ

Tip:

Контрольная лампа ремня безопасности на щитке приборов используется как для сиденья водителя, так и для сиденья переднего пассажира. В первую очередь убедитесь, что контрольная лампа ремня безопасности работает нормально.

Нажмите здесьClick hereClick here

Если контрольная лампа предупреждения о непристегнутых ремнях безопасности сидений водителя и переднего пассажира не работает, замените щиток приборов в сборе.

Нажмите здесьClick hereClick here

ПОРЯДОК ВЫПОЛНЕНИЯ

  1. СНИМИТЕ ПОКАЗАНИЯ GTS (ВЫКЛЮЧАТЕЛЬ ЗАМКА РЕМНЯ БЕЗОПАСНОСТИ ПАССАЖИРА, ВЫКЛЮЧАТЕЛЬ СИСТЕМЫ ОБНАРУЖЕНИЯ ПАССАЖИРА НА ПЕРЕДНЕМ СИДЕНЬЕ)

    1. Подключите GTS к DLC3.

    2. Установите замок зажигания в положение ON (ВКЛ).

    3. Включите GTS.

    4. Войдите в следующие меню: Body Electrical / Combination Meter / Data List.

    5. Снимите показания с дисплея GTS в режиме DATA LIST.

      Body Electrical > Combination Meter > Data List

      Информация на дисплее прибора

      Измеряемая величина

      Диапазон

      Нормальное состояние

      Замечание по диагностике

      Выключатель пряжки ремня безопасности пассажира

      Сигнал выключателя пряжки ремня безопасности переднего пассажира

      ON (ВКЛ) или OFF (ВЫКЛ)

      ON (ВКЛ): Ремень безопасности переднего пассажира не пристегнут

      OFF (ВЫКЛ): Ремень безопасности переднего пассажира пристегнут

      -

      Passenger Occupant Detection Switch

      Сигнал датчика присутствия пассажира

      ON (ВКЛ) или OFF (ВЫКЛ)

      ON (ВКЛ): Сиденье переднего пассажира занято

      OFF (ВЫКЛ): Сиденье переднего пассажира не занято

      -

      Body Electrical > Combination Meter > Data List

      Информация на дисплее прибора

      Выключатель пряжки ремня безопасности пассажира

      Passenger Occupant Detection Switch

      OK

      Информация на экране GTS изменяется точно в соответствии с состоянием ремня безопасности переднего пассажира и сиденья переднего пассажира.

    Result

    Result

    Перейти к

    OK

    A

    NG (Выключатель замка ремня безопасности пассажира)

    B

    NG (Passenger Occupant Detection Switch)

    C

    A

    ЗАМЕНИТЕ ЩИТОК ПРИБОРОВ В СБОРЕ

    Нажмите здесьClick hereClick here

    C

    ПРОВЕРЬТЕ ЗАМОК РЕМНЯ БЕЗОПАСНОСТИ ПЕРЕДНЕГО СИДЕНЬЯ В СБОРЕ (СИДЕНЬЯ ПЕРЕДНЕГО ПАССАЖИРА)Click here

    B
  2. ПРОВЕРЬТЕ ЗАМОК РЕМНЯ БЕЗОПАСНОСТИ ПЕРЕДНЕГО СИДЕНЬЯ В СБОРЕ (СИДЕНЬЯ ПЕРЕДНЕГО ПАССАЖИРА)

    1. Снимите замок ремня безопасности переднего сиденья в сборе (сиденья переднего пассажира).

      Нажмите здесьClick hereClick here

    2. Проверьте замок ремня безопасности переднего сиденья в сборе (сиденья переднего пассажира) (выключатель предупреждения о непристегнутом ремне безопасности).

      Нажмите здесьClick here

    Результат

    Перейти к

    OK

    НЕ СООТВ.

    НЕ СООТВ.

    ЗАМЕНИТЕ ЗАМОК РЕМНЯ БЕЗОПАСНОСТИ ПЕРЕДНЕГО СИДЕНЬЯ В СБОРЕ (СИДЕНЬЯ ПЕРЕДНЕГО ПАССАЖИРА)

    Нажмите здесьClick hereClick here

    СООТВ
  3. ПРОВЕРЬТЕ ЖГУТ ПРОВОДОВ И РАЗЪЕМ (ЩИТОК ПРИБОРОВ В СБОРЕ – ЗАМОК РЕМНЯ БЕЗОПАСНОСТИ ПЕРЕДНЕГО СИДЕНЬЯ В СБОРЕ (СИДЕНЬЯ ПЕРЕДНЕГО ПАССАЖИРА) – МАССА)

    1. Отсоедините разъем K21 щитка приборов в сборе.

    2. Измерьте сопротивление в соответствии со значениями, приведенными в таблице ниже.

      Номинальное сопротивление

      Table 1. для моделей с левосторонним рулевым управлением.

      Подключение диагностического прибора

      Условие

      Заданные условия

      K21-10 (PBKL) - R71-3 (+)

      Всегда

      Менее 1 Ом

      K21-10 (PBKL) или R71-3 (+) - масса

      Всегда

      10 кОм или более

      R71-2 (E) - масса

      Всегда

      Менее 1 Ом

      Table 2. Для моделей с правосторонним рулевым управлением

      Подключение диагностического прибора

      Условие

      Заданные условия

      K21-10 (PBKL) - R70-3 (+)

      Всегда

      Менее 1 Ом

      K21-10 (PBKL) или R70-3 (+) - масса

      Всегда

      10 кОм или более

      R70-2 (E) - масса

      Всегда

      Менее 1 Ом

    Результат

    Перейти к

    OK

    НЕ СООТВ.

    OK

    ЗАМЕНИТЕ ЩИТОК ПРИБОРОВ В СБОРЕ

    Нажмите здесьClick hereClick here

    NG

    ОТРЕМОНТИРУЙТЕ ИЛИ ЗАМЕНИТЕ ЖГУТ ПРОВОДОВ ИЛИ РАЗЪЕМ

  4. ПРОВЕРЬТЕ ЗАМОК РЕМНЯ БЕЗОПАСНОСТИ ПЕРЕДНЕГО СИДЕНЬЯ В СБОРЕ (СИДЕНЬЯ ПЕРЕДНЕГО ПАССАЖИРА)

    1. Снимите замок ремня безопасности переднего сиденья в сборе (сиденья переднего пассажира).

      Нажмите здесьClick hereClick here

    2. Проверьте замок ремня безопасности переднего сиденья в сборе (сиденья переднего пассажира) (цепь датчика присутствия пассажира).

      Нажмите здесьClick here

    Результат

    Перейти к

    OK

    НЕ СООТВ.

    НЕ СООТВ.

    ЗАМЕНИТЕ ЗАМОК РЕМНЯ БЕЗОПАСНОСТИ ПЕРЕДНЕГО СИДЕНЬЯ В СБОРЕ (СИДЕНЬЯ ПЕРЕДНЕГО ПАССАЖИРА)

    Нажмите здесьClick hereClick here

    СООТВ
  5. ПРОВЕРЬТЕ ДАТЧИК ПРИСУТСТВИЯ ПАССАЖИРА (ПОДУШКА ПЕРЕДНЕГО РАЗДЕЛЬНОГО СИДЕНЬЯ (СИДЕНЬЯ ПЕРЕДНЕГО ПАССАЖИРА))

    1. Снимите датчик присутствия пассажира (подушка раздельного переднего сиденья (сиденья переднего пассажира)).

      Нажмите здесьClick hereClick hereClick here

    2. Проверьте датчик присутствия пассажира (подушка раздельного переднего сиденья (сиденья переднего пассажира)).

      Нажмите здесьClick here

    Результат

    Перейти к

    OK

    НЕ СООТВ.

    НЕ СООТВ.

    ЗАМЕНИТЕ ДАТЧИК ПРИСУТСТВИЯ ПАССАЖИРА (ПОДУШКА РАЗДЕЛЬНОГО ПЕРЕДНЕГО СИДЕНЬЯ (СИДЕНЬЯ ПЕРЕДНЕГО ПАССАЖИРА))

    Нажмите здесьClick hereClick hereClick here

    СООТВ
  6. ПРОВЕРЬТЕ ЖГУТ ПРОВОДОВ И РАЗЪЕМ (ЩИТОК ПРИБОРОВ В СБОРЕ – ЗАМОК РЕМНЯ БЕЗОПАСНОСТИ ПЕРЕДНЕГО СИДЕНЬЯ В СБОРЕ (СИДЕНЬЯ ПЕРЕДНЕГО ПАССАЖИРА) – МАССА)

    1. Отсоедините разъем K21 щитка приборов в сборе.

    2. Измерьте сопротивление в соответствии со значениями, приведенными в таблице ниже.

      Номинальное сопротивление

      Table 3. для моделей с левосторонним рулевым управлением.

      Подключение диагностического прибора

      Условие

      Заданные условия

      K21-11 (PODS) - R71-5 (+)

      Всегда

      Менее 1 Ом

      K21-11 (PODS) или R71-5 (+) - масса

      Всегда

      10 кОм или более

      R71-4 (E) - масса

      Всегда

      Менее 1 Ом

      Table 4. Для моделей с правосторонним рулевым управлением

      Подключение диагностического прибора

      Условие

      Заданные условия

      K21-11 (PODS) - R70-5 (+)

      Всегда

      Менее 1 Ом

      K21-11 (PODS) или R70-5 (+) - масса

      Всегда

      10 кОм или более

      R70-4 (E) - масса

      Всегда

      Менее 1 Ом

    Результат

    Перейти к

    OK

    НЕ СООТВ.

    OK

    ЗАМЕНИТЕ ЩИТОК ПРИБОРОВ В СБОРЕ

    Нажмите здесьClick hereClick here

    NG

    ОТРЕМОНТИРУЙТЕ ИЛИ ЗАМЕНИТЕ ЖГУТ ПРОВОДОВ ИЛИ РАЗЪЕМ