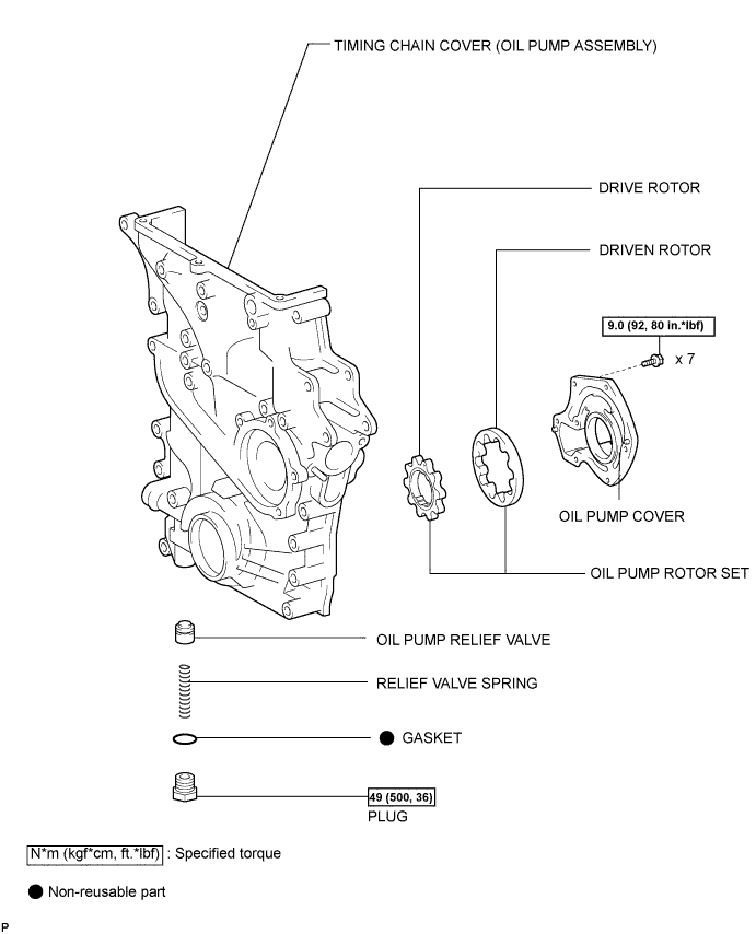
OIL PUMP COMPONENTS

ILLUSTRATION

A01E1RME10

ILLUSTRATION

A01E2XRE18

ILLUSTRATION

A01E0QME10

ILLUSTRATION

A01DXCFE02

ILLUSTRATION

A01DVTUE04

ILLUSTRATION

A01DW98E04

ILLUSTRATION

A01DX56E01

ILLUSTRATION

A01DVIAE05

ILLUSTRATION

A01DWFHE04

ILLUSTRATION

A01DXZ5E02

ILLUSTRATION

A01DWDJE05

ILLUSTRATION

A01E14GE18

ILLUSTRATION

A01DUZ8E21

ILLUSTRATION

A01DVQOE17

ILLUSTRATION

A01DZY4E02

ILLUSTRATION

A01DVRWE15

ILLUSTRATION

A01E1GEE04

ILLUSTRATION

A01E2L6E03

ILLUSTRATION

A01DY25E01