СИСТЕМА SFI, диагностические DTC:P210014 и P210015

Код DTC Наименование DTC
P210014 Привод дроссельной заслонки "A", цепь управления электродвигателем — короткое замыкание на массу или обрыв
P210015 Привод дроссельной заслонки "A", цепь управления электродвигателем — короткое замыкание на цепь аккумуляторной батареи или обрыв

ОПИСАНИЕ

Привод дроссельной заслонки открывает и закрывает дроссельную заслонку посредством системы шестерней и приводится в действие блоком ECM.

Угол поворота дроссельной заслонки определяется датчиком положения дроссельной заслонки, установленным на корпусе дроссельной заслонки с электродвигателем в сборе. Сигнал датчика положения дроссельной заслонки по обратной связи поступает в ECM. Этот сигнал дает ECM возможность управлять двигателем привода дроссельной заслонки и контролировать угол поворота заслонки в соответствии с поступающими на ЕСМ командами.

Tip:

В системе ETCS (электронной системе управления дроссельной заслонкой) трос привода дроссельной заслонки не используется.

№ DTC

Неисправность

Условие обнаружения DTC

Неисправный участок

MIL

Память

Примечание

P210014

Привод дроссельной заслонки "A", цепь управления электродвигателем — короткое замыкание на массу или обрыв

В течение 2 с выполняются оба следующих условия (логика диагностирования за 1 поездку):

  • Скважность включения привода дроссельной заслонки не менее 80%

  • Ток двигателя привода дроссельной заслонки менее 0,5 А.

  • Обрыв или короткое замыкание в приводе дроссельной заслонки

  • Привод дроссельной заслонки

  • ECM

Загорается

Код DTC сохраняется

Код SAE: P2102

P210015

Привод дроссельной заслонки "A", цепь управления электродвигателем — короткое замыкание на цепь аккумуляторной батареи или обрыв

Выполняется одно из следующих условий (логика диагностирования за 1 поездку):

  • Сбой входного сигнала контроля ограничителя тока ИС управления электродвигателем.

  • Сигнал запрета сильного тока ИС управления электродвигателем включен.

  • Обрыв или короткое замыкание в приводе дроссельной заслонки

  • Привод дроссельной заслонки

  • Дроссельная заслонка

  • Корпус дроссельной заслонки с электродвигателем в сборе

  • ECM

Загорается

Код DTC сохраняется

Код SAE: P2103

ОПИСАНИЕ РАБОТЫ СИСТЕМЫ КОНТРОЛЯ

ECM контролирует электрический ток, проходящий через электронный привод, и на основании данных значений определяет неисправности и обрыв в цепи привода дроссельной заслонки. Если значение тока выходит за пределы диапазона допустимых значений, ЕСМ определяет, что привод дроссельной заслонки неисправен. Кроме того, ЕСМ определяет неисправность, если дроссельная заслонка не работает надлежащим образом (например, заедание). ЕСМ включает контрольную лампу MIL и регистрирует код DTC.

ПРИНЦИП РАБОТЫ СИСТЕМЫ КОНТРОЛЯ

Требуемые датчики/устройства

Привод дроссельной заслонки (корпус дроссельной заслонки с электродвигателем в сборе)

Продолжительность работы

Постоянно

ПРОВЕРОЧНАЯ ПОЕЗДКА

A199313E94
  1. Подключите GTS к DLC3.

  2. Включите зажигание (IG).

  3. Включите GTS.

  4. Удалите коды DTC (даже если нет сохраненных DTC, выполните процедуру удаления DTC).

  5. Выключите зажигание и подождите не менее 30 с.

  6. Включите зажигание (IG) [A].

  7. Включите диагностический прибор TechDoc3.

  8. Запустите двигатель.

  9. До упора нажмите и быстро отпустите педаль акселератора на неподвижном автомобиле [B].

  10. Убедитесь, что после первого нажатия педали акселератора истекло не менее 16 с.

  11. Войдите в следующие меню: Powertrain / Engine / Trouble Codes [C].

  12. Считайте ожидающие обработки коды DTC.

    Tip:
    • Если выводятся ожидающие обработки DTC, система неисправна.

    • Если ожидающие обработки DTC не выводятся, выполните следующую процедуру.

  13. Войдите в следующие меню: Powertrain / Engine / Utility / All Readiness.

  14. Введите DTC: P210014 или P210015.

  15. Проверьте результат проверки DTC.

    Дисплей GTS

    Описание

    NORMAL

    • Проверка DTC завершена

    • Cистема работает нормально

    ABNORMAL

    • Проверка DTC завершена

    • Нарушения в работе системы

    INCOMPLETE

    • Проверка DTC не завершена

    • Выполните поездку в проверочном режиме после создания условий регистрации DTC

    Tip:
    • Если результат проверки NORMAL, система исправна.

    • Если результат проверки показывает ABNORMAL, система неисправна.

    • Если результатом проверки является состояние INCOMPLETE, повторно выполните шаги с B] по.

Функция работы в аварийном режиме

При регистрации любого из данных кодов DTC, а также других кодов, связанных с неисправностями электронной системы управления дроссельной заслонкой (ETCS) блок ECM переходит в аварийный режим работы. Во время работы в аварийном режиме ЕСМ прекращает подачу тока к приводу дроссельной заслонки, и дроссельная заслонка возвращается в положение под углом 7° посредством возвратной пружины. Таким образом, для поддержания минимальной скорости движения автомобиля ECM регулирует выходную мощность двигателя посредством управления впрыском топлива (прерывистого прекращения подачи топлива) и углом опережения зажигания в соответствии с углом поворота педали акселератора. Если слегка нажать и удерживать педаль акселератора, автомобиль будет медленно двигаться.

Аварийный режим работы продолжается до тех пор, пока не будет обнаружено нормальное состояние и пока зажигание не будет выключено.

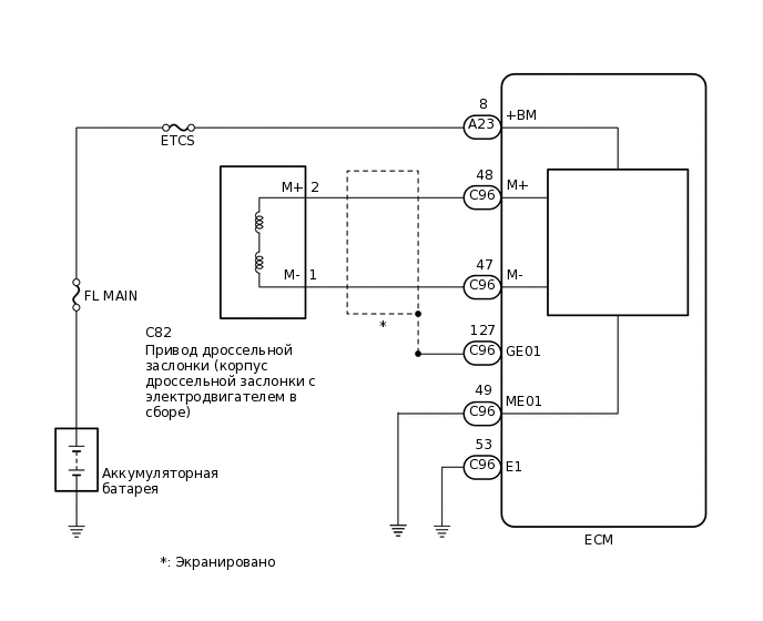
СХЕМА ЭЛЕКТРИЧЕСКИХ СОЕДИНЕНИЙ

A372139E06

ПРЕДОСТЕРЕЖЕНИЕ / ПРИМЕЧАНИЕ / УКАЗАНИЕ

Note:

Перед выполнением последующей процедуры проверки проверьте плавкие предохранители цепей, относящихся к данной системе.

Tip:
  • Значения тока привода дроссельной заслонки (Throttle Motor Current) и скважности сигнала привода дроссельной заслонки (Throttle Motor Duty Ratio (Open) / Throttle Motor Duty Ratio (Close)) можно считать с помощью GTS. Тем не менее, при обнаружении неисправности электронной системы управления дроссельной заслонкой ECM прекращает подачу тока к приводу дроссельной заслонки.

  • С помощью GTS считайте данные фиксированного набора параметров. Одновременно с записью в память кода DTC ECM сохраняет параметры состояния автомобиля и условий движения как данные фиксированного набора параметров. При поиске неисправностей фиксированные параметры позволяют определить, двигался ли автомобиль в момент возникновения неисправности или нет, был ли прогрет двигатель, каким было соотношение воздух-топливо (обедненным или обогащенным) и пр.

ПОРЯДОК ВЫПОЛНЕНИЯ

  1. ПРОВЕРЬТЕ КОРПУС ДРОССЕЛЬНОЙ ЗАСЛОНКИ С ЭЛЕКТРОДВИГАТЕЛЕМ В СБОРЕ (СОПРОТИВЛЕНИЕ ПРИВОДА ДРОССЕЛЬНОЙ ЗАСЛОНКИ)

    1. Проверьте корпус дроссельной заслонки с электродвигателем в сборе.

      Нажмите здесьЩелкните по следующей ссылке

      Tip:

      Выполните "Проверку после ремонта" после замены корпуса дроссельной заслонки с электродвигателем в сборе.

      Нажмите здесьЩелкните по следующей ссылке

    Результат

    Перейти к

    OK

    НЕ СООТВ.

    НЕ СООТВ.

    ЗАМЕНИТЕ КОРПУС ДРОССЕЛЬНОЙ ЗАСЛОНКИ С ЭЛЕКТРОДВИГАТЕЛЕМ В СБОРЕ

    СООТВ
  2. ПРОВЕРЬТЕ ЖГУТ ПРОВОДОВ И РАЗЪЕМ (КОРПУС ДРОССЕЛЬНОЙ ЗАСЛОНКИ С ЭЛЕКТРОДВИГАТЕЛЕМ В СБОРЕ – ECM)

    1. Отсоедините разъем корпуса дроссельной заслонки с электродвигателем в сборе.

    2. Отсоедините разъем ЭБУ.

    3. Измерьте сопротивление в соответствии со значениями, приведенными в таблице ниже.

      Номинальное сопротивление

      Подключение диагностического прибора

      Условие

      Заданные условия

      C82-2 (M+) - C96-48 (M+)

      Всегда

      Менее 1 Ом

      C82-1 (M-) - C96-47 (M-)

      Всегда

      Менее 1 Ом

      C82-2 (M+) или C96-48 (M+) - масса и другие контакты

      Всегда

      10 кОм или более

      C82-1 (M-) или C96-47 (M-) - масса и другие контакты

      Всегда

      10 кОм или более

    Результат

    Перейти к

    OK

    НЕ СООТВ.

    НЕ СООТВ.

    ОТРЕМОНТИРУЙТЕ ИЛИ ЗАМЕНИТЕ ЖГУТ ПРОВОДОВ ИЛИ РАЗЪЕМ

    СООТВ
  3. ПРОВЕРЬТЕ КОРПУС ДРОССЕЛЬНОЙ ЗАСЛОНКИ С ЭЛЕКТРОДВИГАТЕЛЕМ В СБОРЕ (ОСМОТРИТЕ ДРОССЕЛЬНУЮ ЗАСЛОНКУ)

    1. Убедитесь в отсутствии посторонних частиц между корпусом дроссельной заслонки и дроссельной заслонкой.

      OK

      Между корпусом дроссельной заслонки и дроссельной заслонкой нет посторонних частиц.

      Tip:

      Выполните "Проверку после ремонта" после замены корпуса дроссельной заслонки с электродвигателем в сборе.

      Нажмите здесьЩелкните по следующей ссылке

    Результат

    Перейти к

    OK

    НЕ СООТВ.

    НЕ СООТВ.

    УДАЛИТЕ ПОСТОРОННИЕ ЧАСТИЦЫ И ОЧИСТИТЕ КОРПУС ДРОССЕЛЬНОЙ ЗАСЛОНКИ С ЭЛЕКТРОДВИГАТЕЛЕМ В СБОРЕ

    СООТВ
  4. ПРОВЕРЬТЕ КОРПУС ДРОССЕЛЬНОЙ ЗАСЛОНКИ С ЭЛЕКТРОДВИГАТЕЛЕМ В СБОРЕ (ДРОССЕЛЬНУЮ ЗАСЛОНКУ)

    1. Убедитесь в плавном открывании и закрывании дроссельной заслонки.

      OK

      Дроссельная заслонка открывается и закрывается плавно.

      Tip:

      Выполните "Проверку после ремонта" после замены корпуса дроссельной заслонки с электродвигателем в сборе.

      Нажмите здесьЩелкните по следующей ссылке

    Результат

    Перейти к

    OK

    НЕ СООТВ.

    NG

    ЗАМЕНИТЕ КОРПУС ДРОССЕЛЬНОЙ ЗАСЛОНКИ С ЭЛЕКТРОДВИГАТЕЛЕМ В СБОРЕ