DYNAMIC RADAR CRUISE CONTROL SYSTEM


  1. FUNCTION OF MAIN COMPONENTS


    1. The main components in the dynamic radar cruise control system have the following functions:

      Component Function
      ECM
      • Controls the dynamic radar cruise control system in accordance with signals from switches, sensors, and the driving support ECU assembly.

      • If the ECM detects a malfunction in the dynamic radar cruise control system, it will store Diagnostic Trouble Codes (DTCs).

      Driving Support ECU Assembly
      • While the dynamic radar cruise control system is in vehicle-to-vehicle distance control mode, the driving support ECU assembly detects the vehicle ahead based on signals from the millimeter wave radar sensor assembly and forward recognition camera. Then, the driving support ECU assembly calculates the acceleration or deceleration rate required in order to attain the target vehicle-to-vehicle distance, and sends a request signal to the ECM.

      • If the driving support ECU assembly detects a malfunction in the dynamic radar cruise control system, it will store Diagnostic Trouble Codes (DTCs).

      Millimeter Wave Radar Sensor Assembly Radiates millimeter radar waves forward, uses the reflected waves to detect the presence of a vehicle traveling ahead, the vehicle-to-vehicle distance and the relative speed, and then sends this information to the driving support ECU assembly.
      Forward Recognition Camera
      • Detects lane markers and objects on the road ahead using the image captured by the monocular camera and sends the information to the driving support ECU assembly.

      • Sends an operation signal to the camera heater.

      Camera Heater (Forward Recognition Hood with Heater Sub-assembly) The camera heater is heated according to signals from the forward recognition camera.
      Throttle Body with Motor Assembly Throttle Control Motor Adjusts the throttle valve opening angle in accordance with signals from the ECM.
      Throttle Position Sensor Detects the throttle valve opening angle and sends it to the ECM.
      Cruise Control Main Switch Cruise Control Main Switch
      • Turns the dynamic radar cruise control system on and off.

      • Vehicle-to-vehicle distance control mode is activated immediately after the switch is turned on. The mode is changed to constant speed control mode by pressing and holding the switch for more than 1.5 seconds while the dynamic radar cruise control system is turned off.

      -SET Switch The deceleration function and vehicle speed setting resume signals are sent to the ECM.
      +RES Switch The acceleration function and resuming of a preset speed can be performed by operating this switch. A signal is sent to the ECM.
      CANCEL Switch A cancel signal is sent to the ECM.
      Steering Pad Switch Assembly Vehicle-to-vehicle Distance Control Switch While the dynamic radar cruise control system is in vehicle-to-vehicle distance control mode, the driver can operate the vehicle-to-vehicle distance control switch to select the vehicle-to-vehicle distance in three levels: long, middle and short.
      Stop Light Switch Assembly Detects brake pedal depression and sends its signal to the ECM.
      Combination Meter Assembly Cruise Control Indicator (Constant Speed Control Mode)
      • Based on a cruise control indicator (constant speed control mode) operation signal sent by the ECM, the combination meter assembly illuminates the cruise control indicator (constant speed control mode) when the dynamic radar cruise control system in constant speed control mode has been turned on using the ON-OFF/mode button on the cruise control main switch.

      • Based on a cruise control indicator (constant speed control mode) operation signal sent by the ECM or driving support ECU assembly, the combination meter assembly turns off the cruise control indicator light if a malfunction occurs in the dynamic radar cruise control system.

      Cruise Control Indicator (Vehicle-to-vehicle Distance Control Mode)
      • Based on a cruise control indicator (vehicle-to-vehicle distance control mode) operation signal sent by the ECM, the combination meter assembly illuminates the cruise control indicator (vehicle-to-vehicle distance control mode) when the dynamic radar cruise control system in vehicle-to-vehicle distance control mode has been turned on using the ON-OFF/mode button on the cruise control main switch.

      • Based on a cruise control indicator (vehicle-to-vehicle distance control mode) operation signal sent by the ECM or driving support ECU assembly, the combination meter assembly turns off the cruise control indicator (vehicle-to-vehicle distance control mode) if a malfunction occurs in the dynamic radar cruise control system.

      Cruise Control SET Indicator Illuminates when the vehicle speed is set.
      Meter Buzzer If the ECM detects automatic cancel or warning signals while the vehicle is operating under cruise control, this buzzer sounds to inform the driver.
      Multi-information Display During cruise control operation, the multi-information display receives signals from the ECM in order to display the system conditions.
      Master Warning Light Comes on when there is a malfunction in the dynamic radar cruise control system.
      Steering Sensor Detects the angle and direction of steering and sends signals to the driving support ECU assembly.
      Airbag ECU Assembly Detects the yaw rate of the vehicle and sends signals to the driving support ECU assembly.
      Skid Control ECU Assembly
      • While the dynamic radar cruise control system is operating in vehicle-to-vehicle distance control mode, the skid control ECU assembly operates the brake actuator assembly in accordance with the brake request signal received from the ECM.

      • Sends a vehicle speed signal to the driving support ECU assembly.

      • Illuminates the stop lights during brake control.

      • Sends the VSC and TRC control status to the ECM.

      • Keeps the vehicle stopped through the brake hold function upon receiving a stop retention signal from the ECM.*1

      Brake Actuator Assembly Actuates the brakes in accordance with signals from the skid control ECU assembly.
      Pre-collision City Buzzer (Skid Control Buzzer) Sounds a buzzer when it receives a signal from the driving support ECU assembly to alert the driver that the distance between vehicles is short.
      Accelerator Pedal Sensor Assembly Detects the accelerator pedal depression degree and sends it to the ECM.
      Parking Brake ECU Assembly*1 Controls the parking brake actuator assembly based on operation signals from the electric parking brake switch assembly and parking brake request signals from ECUs.
      Electric Parking Brake Switch Assembly*1 Sends a parking brake application signal to the parking brake ECU assembly.
      Parking Brake Actuator Assembly*1 Operates the parking brake actuator assembly according to signals from the parking brake ECU assembly.
      Paddle Shift Switch (Transmission Shift Switch Assembly) While the vehicle is being driven in D mode, this switch sends a signal to the ECM when the switch is pulled to "+" or "-".
      Headup Display (Combination Meter Mirror ECU)*2 The headup display receives signals from the driving support ECU assembly in order to display the system conditions.
      Central Gateway ECU (Network Gateway ECU) Transmits the signal between the CAN communication buses.
      DLC3 The Global TechStream (GTS) can be connected to read the Diagnostic Trouble Codes (DTCs) of malfunctions.

      *1: Models with full-speed range following function

      *2: Models with headup display

  2. SYSTEM CONTROL


    1. The driving support ECU assembly, millimeter wave radar sensor assembly, forward recognition camera and ECM control the dynamic radar cruise control system.

    2. The combination meter assembly and headup display* inform the driver of the control conditions.


      • *: Models with headup display

    3. For vehicles with the dynamic radar cruise control system, constant speed control mode is controlled by the ECM.

    4. Vehicle-to-vehicle distance control mode is controlled by the millimeter wave radar sensor assembly, forward recognition camera and driving support ECU assembly. Thus, signals are sent to the actuators and the ECU while exchanging data as indicated below.

      B002FP5E02
  3. FUNCTION


    1. Control of Dynamic Radar Cruise Control System Varies Depending on Mode


      • A: Constant speed control mode

      • B: Vehicle-to-vehicle distance control mode

      • C: Vehicle-to-vehicle distance control mode (models with full-speed range following function)

      Function Outline Mode
      A B C
      Constant Speed Control The ECM compares the actual vehicle speed and the set speed, and if the vehicle speed is lower than the set speed it accelerates the vehicle by adjusting the respective motive forces.
      Deceleration Control Performs throttle control and brake control in order to decelerate the vehicle so that the vehicle-to-vehicle distance between the driver's own vehicle and the vehicle ahead is maintained at the set distance. -
      Follow-up Control After performing deceleration control, the driver's own vehicle follows the vehicle ahead in order to maintain the proper vehicle-to-vehicle distance. The actual distance maintained for each distance level (long, medium and short) varies in accordance with the vehicle speed. -
      Acceleration Control Accelerates the vehicle in order to attain the set vehicle speed if the vehicle ahead or the driver's own vehicle has changed lanes. -
      Stop Control Detects if the vehicle ahead has stopped, performs motive force control and stops the vehicle while maintaining proper vehicle-to-vehicle distance. - -
      Stop Retention Control Judges if the vehicle is stopped, performs brake control and keeps the vehicle stopped through the brake hold function. - -
      Start Control Detects that the vehicle ahead starts moving again, displays the message on the multi-information display to urge the driver to perform the start operation (to operate the +RES switch on the cruise control main switch or depress the accelerator pedal), and resumes follow-up control after the vehicle is started. - -
      Set Control When the dynamic radar cruise control system has been turned on using the ON-OFF/mode button on the cruise control main switch, either of the relevant vehicle speed conditions shown below is met, and the cruise control main switch is moved to the -SET side and released, the ECM stores the vehicle speed and maintains the vehicle constantly at that speed.
      The vehicle is traveling at a speed of approximately 40 km/h or more (25 mph or more). - -
      The vehicle is traveling at a speed of approximately 50 km/h or more (30 mph or more). -
      Low Speed Limit Control The low speed limit is the lowest speed that cruise control can be set at and it is designed to be approximately 40 km/h (25 mph). The dynamic radar cruise control system cannot be set below that speed. If the vehicle speed drops below that speed while driving using cruise control, speed control by the dynamic radar cruise control system will be canceled automatically. The set vehicle speed is kept in memory. -
      Coast Control While the cruise control main switch is held to the -SET side, the vehicle speed and the set vehicle speed change as follows, according to the mode:

      • The vehicle decelerates constantly.

      • The set vehicle speed changes to the speed at which the -SET switch is released.

      - -

      • The set vehicle speed decreases in increments of 5 km/h or 5 mph. [Example: 103 → 100 → 95 → 90 → 85 km/h (mph)]

      • The vehicle decelerates rapidly. The vehicle will remain at the speed that the vehicle is traveling at when the -SET switch is released.

      -
      Tap-down Control When the cruise control main switch is moved momentarily (approximately 0.6 seconds or less) to the -SET side, the vehicle speed and the set vehicle speed change as follows, according to the mode:

      • The vehicle will decelerate in increments of approximately 1 km/h or 1 mph each time the -SET switch is pushed.

      • However, if the difference between the actual vehicle speed and the set vehicle speed is greater than 5 km/h (3 mph), the set vehicle speed will change to the speed at which the vehicle was being driven at the time the -SET switch was operated.

      - -

      • The vehicle will decelerate in increments of approximately 1 km/h or 1 mph for each time the -SET switch is pushed.*1

      • The vehicle will decelerate in increments of approximately 5 km/h or 5 mph for each time the -SET switch is pushed.*2

      -
      Accelerator Control While the cruise control main switch is held to the +RES side, the vehicle speed and the set vehicle speed change as follows, according to the mode:

      • The vehicle accelerates constantly.

      • The set vehicle speed changes to the speed at which the +RES switch is released.

      - -

      • The set vehicle speed increases in increments of 5 km/h or 5 mph. [Example: 83 → 85 → 90 → 95 → 100 km/h (mph)]

      • The vehicle will accelerate to the speed that is set at the time the +RES switch is released. However, only the set vehicle speed will change during follow-up control.

      -
      Tap-up Control When the cruise control main switch is moved momentarily (approximately 0.6 seconds or less) to the +RES side, the vehicle speed and the set vehicle speed change as follows:

      • The vehicle will accelerate in increments of approximately 1 km/h or 1 mph for each time the +RES switch was pushed.

      • However, if the difference between the actual vehicle speed and the set vehicle speed is greater than 5 km/h (3 mph), the set vehicle speed will not change.

      - -

      • The vehicle will accelerate in increments of approximately 1 km/h or 1 mph for each time the +RES switch is pushed.*1

      • The vehicle will accelerate in increments of approximately 5 km/h or 5 mph for each time the +RES switch is pushed.*2

      -
      Resume Control If the vehicle speed is above the low speed limit, the +RES switch can be pushed to resume cruise control operation and reach the vehicle speed that was set at the time the driver canceled cruise control.
      Even if the vehicle speed drops below the low speed limit, resumption can be performed when the vehicle speed increases to above the low speed limit. However, resumption can be performed even if the vehicle speed is below the low speed limit when the vehicle is running in mode C and there is a vehicle ahead. - -
      If the vehicle ahead changes driving lanes during follow-up control, the vehicle speed is gradually increased to the set vehicle speed. At this time, the vehicle speed can be increased promptly by pushing the +RES switch. -
      After the vehicle ahead has started running again while stop retention control is being performed and the message that urges the driver to perform the start operation has been displayed, when the +RES switch on cruise control main switch is pushed, follow-up control is resumed and the vehicle can be accelerated up to the set speed. - -
      Manual Cancel Control

      If any of the following signals are sent to the ECM, the cruise control is canceled accordingly:


      • Stop light switch assembly is turned on other than under stop retention control (brake pedal is depressed).

      • Shift position is changed from D to any other position.

      • When 1st, 2nd or 3rd range is selected in D position by paddle shift switch.

      • Cruise control main switch off signal.

      • CANCEL switch on signal (CANCEL switch on the cruise control main switch is pushed).

      • Electric parking brake is applied (only during vehicle-to-vehicle distance control mode).

      Automatic Cancel Control When an automatic cancel signal is sent to the ECM, cruise control operation is canceled. At this time, the type of warning sent to the driver and the control resumption condition varies according to the cancel signal.
      Mode Switching Control

      The following operations switch modes:


      • Vehicle-to-vehicle distance control mode is activated immediately after the switch is turned on. The mode is changed to constant speed control mode by pressing and holding the switch for more than 1.5 seconds while the dynamic radar cruise control system is turned off.

      Other Control Cancellation Conditions

      If any of the following conditions occur during cruise control driving, speed control by the dynamic radar cruise control system is canceled.

      However, the set speed remains in the memory:


      • VSC operates during cruise control driving.

      • TRC operates for a certain period of time during cruise control driving.

      • TRC is off or VSC is off.

      • Drive start control operates during cruise control driving.

      • Pre-collision system operates during cruise control driving.

      *1: Except models for Europe

      *2: Models for Europe

      Tech Tips

      ○: Available

      -: Not available

    2. Constant Speed Control Mode


      1. The millimeter wave radar sensor assembly and forward recognition camera send information about the vehicle ahead to the driving support ECU assembly and also send a millimeter wave radar sensor assembly operation signal to the ECM via the driving support ECU assembly. The ECM compares the set vehicle speed and the actual vehicle speed, and performs constant speed control in order to attain the set vehicle speed.

        B002FU4E01
    3. Vehicle-to-vehicle Distance Control Mode


      • In vehicle-to-vehicle distance control mode, the ECM performs the deceleration control function, follow-up control function, acceleration control function, stop control function*, stop retention control function* or start control function* based on the information about the vehicle ahead sent from the driving support ECU assembly, millimeter wave radar sensor assembly and forward recognition camera.


        • *: Models with full-speed range following function


      1. Deceleration Control Function


        • The driving support ECU assembly calculates the target deceleration rate in accordance with signals from the millimeter wave radar sensor assembly, forward recognition camera and sends a deceleration request signal to the ECM. Upon receiving this signal, the ECM performs throttle control and brake control in order to cause the vehicle to decelerate.

          B002FLAE01
        • This control is not performed in the presence of a parked vehicle or object or below the settable vehicle speed range.

        • If the ECM determines that further deceleration is necessary, it sends a brake request signal to the skid control ECU assembly. Upon receiving this signal, the skid control ECU assembly then activates the brake actuator assembly to apply the brakes.

        • At this time, if the deceleration rate is higher than a predetermined value, the skid control ECU assembly sends a stop light illumination request signal in order to inform anyone who might be following the vehicle.

          B002FU1E01
        • If the vehicle is not decelerating adequately, the driving support ECU assembly sounds the pre-collision city buzzer. The buzzer is sounded to urge the driver to depress the brake pedal.

          B002FIYE01
      2. Follow-up Control Function


        • After performing deceleration control, the driving support ECU assembly sends request signals to the ECM so that the vehicle can follow the vehicle ahead while maintaining the proper vehicle-to-vehicle distance. The actual distance maintained for each distance level (long, middle and short) varies in accordance with the vehicle speed. Upon receiving these signals, these ECUs control the motive force in order to perform follow-up control.

        • 3 stages (long, middle and short) of vehicle-to-vehicle distance can be selected by operating the vehicle-to-vehicle distance control switch.

          B002FVEE01
      3. Acceleration Control Function


        • If the driving support ECU assembly detects that either the vehicle ahead or the driver's own vehicle has changed lanes, a request signal is sent to the ECM in order to attain the set vehicle speed. Upon receiving this signal, the ECM controls the motive force in order to perform acceleration control.

          B002F6AE01
      4. Stop Control Function (Models with Full-speed Range Following Function)


        • The driving support ECU assembly detects if the vehicle ahead stops through signals from the millimeter wave radar sensor assembly and forward recognition camera, and calculates the motive force required to stop the driver's own vehicle while maintaining the appropriate vehicle-to-vehicle distance. The ECU then sends a motive force request signal to the ECM. Upon receiving this signal, the ECM controls the motive force and stops the vehicle.

        • At this time, if the deceleration rate is higher than a predetermined value, the skid control ECU assembly sends a stop light illumination request signal in order to inform anyone who might be following the vehicle.

        • The distance between the driver's own vehicle and the preceding vehicle when the vehicles are stopped is set to approximately 3 m to 5 m (10 ft. to 16 ft.) regardless of the vehicle-to-vehicle distance preset by using the vehicle-to-vehicle distance control switch.

          B002FA0E01
      5. Stop Retention Control Function (Models with Full-speed Range Following Function)


        • After the vehicle has stopped under stop control, the ECM sends a stop retention request signal to the skid control ECU assembly. Upon receiving this signal, the skid control ECU assembly activates the brake hold function and keeps the vehicle stopped.

          Tech Tips

          If the vehicle ahead starts off within approximately 3 seconds after own vehicle stops, follow-up cruising will be resumed.

          B002FSZE02
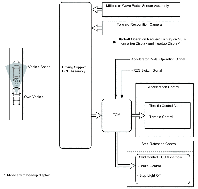
      6. Start Control Function (Models with Full-speed Range Following Function)


        • When the driving support ECU assembly detects that the vehicle ahead starts moving again from the millimeter wave radar sensor assembly and forward recognition camera signal, it displays the messages on the multi-information display and headup display* to urge the driver to perform the start operation (to push the +RES switch on the cruise control main switch or to depress the accelerator pedal).


          • *: Models with headup display

        • Upon receiving the start operation signal generated by pushing the +RES switch on the cruise control main switch or by depressing the accelerator pedal, the driving support ECU assembly sends a motive force request signal to the ECM. Upon receiving this signal, the ECM controls the motive force, starts the vehicle and resumes follow-up control.

          Tech Tips

          Pressing the +RES switch while the vehicle ahead stops will resume follow-up cruising if the vehicle ahead starts off within approximately 3 seconds after the switch is pressed.

          B002FV1E01
    4. Automatic Cancel Control


      1. If any of the conditions listed below occur while the vehicle is being driven using cruise control, speed control by the dynamic radar cruise control system will be canceled. Then, the following warning items will appear for the driver.

        Constant Speed Control Mode
        Description of Malfunction Multi-information Display Master Warning Light

        If the condition listed below occurs, the ECM clears the set vehicle speed and cancels speed control by the dynamic radar cruise control system.


        • An open or short circuit in the stop light switch.

        Speed control by the dynamic radar cruise control system is disabled until the conditions are corrected or the dynamic radar cruise control system is turned off and back on again using the cruise control main switch.

        Cruise Control

        Malfunction

        Visit Your Dealer

        Illuminates

        If the condition listed below occurs, the ECM clears the set vehicle speed and cancels speed control by the dynamic radar cruise control system.


        • Malfunction in the engine system

        Speed control by the dynamic radar cruise control system is disabled until the condition is corrected or the dynamic radar cruise control system is turned off and back on again using the cruise control main switch assembly.

        - -

        If the condition listed below occurs, the ECM clears the set vehicle speed and cancels speed control by the dynamic radar cruise control system.


        • The vehicle speed drops more than 16 km/h (10 mph) below the set vehicle speed.

        - -

        If the condition listed below occurs, the ECM cancels speed control by the dynamic radar cruise control system while retaining the set vehicle speed in its memory.


        • The vehicle speed drops below the low speed limit [approximately 40 km/h (25 mph)].

        - -

        If either of the conditions listed below occurs, the ECM clears the set vehicle speed and cancels speed control by the dynamic radar cruise control system.


        • VSC operates during cruise control driving.

        • TRC operates for a certain period of time during cruise control driving.

        • TRC is off or VSC is off.

        • Pre-collision system operates during cruise control driving.

        - -
        Vehicle-to-vehicle Distance Control Mode
        Description of Malfunction Multi-information Display Master Warning Light

        If the condition listed below occurs, the ECM clears the set vehicle speed and cancels speed control by the dynamic radar cruise control system.


        • An open or short circuit in the stop light switch.

        Cruise control is prohibited until the normal operating conditions are met or the dynamic radar cruise control system is turned off and back on again using the cruise control main switch.

        Cruise Control

        Malfunction

        Visit Your Dealer

        Illuminates

        If either of the conditions listed below occurs, the ECM clears the set vehicle speed and cancels speed control by the dynamic radar cruise control system.


        • Malfunction of the millimeter wave radar sensor assembly.

        • Misalignment of the axis of the millimeter wave radar sensor assembly.

        • Malfunction in the brake hold function.*1

        • Malfunction in the dynamic radar cruise control system other than those given above.

        Speed control by the dynamic radar cruise control system is disabled until the engine switch is turned on (IG) again.

        Cruise Control

        Malfunction

        Visit Your Dealer

        Illuminates

        If the condition listed below occurs, the ECM clears the set vehicle speed and cancels speed control by the dynamic radar cruise control system.


        • Malfunction in the engine system

        Speed control by the dynamic radar cruise control system is prohibited until the condition is corrected or the dynamic radar cruise control system is turned off and back on again using the cruise control main switch.

        - -

        If the condition listed below occurs, the ECM cancels speed control by the dynamic radar cruise control system while retaining the set vehicle speed in its memory.


        • The millimeter wave radar sensor assembly or the emblem is dirty.

        Speed control by the dynamic radar cruise control system is prohibited until the condition is corrected or the dynamic radar cruise control system is turned off and back on again using the ON-OFF/mode button on the cruise control main switch.

        Radar Cruise

        Control

        Unavailable

        Clean Sensor

        Illuminates

        If either of the conditions listed below occurs, the ECM cancels speed control by the dynamic radar cruise control system while retaining the set vehicle speed in its memory.


        • The measurement becomes extremely unstable due to poor weather conditions.

        • Brake control by the dynamic radar cruise control system is temporarily unavailable.

        • The beam axis of millimeter wave radar sensor assembly misaligned.

        • The forward recognition camera is temporarily unavailable.

        Speed control by the dynamic radar cruise control system is prohibited until the condition is corrected or the dynamic radar cruise control system is turned off and back on again using the ON-OFF/mode button on the cruise control main switch.

        Radar Cruise

        Control

        Unavailable

        Illuminates

        If either of the conditions listed below occurs, the ECM cancels speed control by the dynamic radar cruise control system while retaining the set vehicle speed in its memory.*2


        • Stop light switch assembly input signal is abnormal.

        • Malfunction in the millimeter wave radar sensor assembly.

        • Beam axis of millimeter wave radar sensor assembly misaligned.

        • The electric parking brake system is malfunctioning.

        • An open or short circuit in the stop light switch.

        • Cruise control switch cancel circuit malfunction.

        • Millimeter wave radar sensor assembly becomes dirty.

        • Brake control by the dynamic radar cruise control system is temporarily unavailable.

        • The forward recognition camera is temporarily unavailable.

        Cruise Control

        Fault

        Press Brake to

        Deactivate

        Visit Your Dealer

        Illuminates

        If either of the conditions listed below occurs, the ECM clears the set vehicle speed and cancels speed control by the dynamic radar cruise control system.


        • VSC operates during cruise control driving.

        • TRC operates for a certain period of time during cruise control driving.

        • TRC is off or VSC is off.

        • Drive start control operates during cruise control driving.

        • Pre-collision system operates during cruise control driving.

        • Electric parking brake operates.*1

        - -

        If either of the conditions listed below occurs, the ECM cancels speed control by the dynamic radar cruise control system.*2


        • The vehicle is driving on a steep hill.

        • No preceding vehicle is detected.

        Radar Cruise

        Control

        Unavailable

        Depress Brake to

        Resume Driving

        -

        If either of the conditions listed below occurs, the ECM cancels speed control by the dynamic radar cruise control system.*2


        • The driver seat belt is unfastened.

        • The driver door is opened.

        • The vehicle is parked for a long period of time.

        - -

        If the condition listed below occurs, the ECM cancels speed control by the dynamic radar cruise control system while retaining the set vehicle speed in its memory.


        • The vehicle speed drops below the low speed limit (approximately 40 km/h [25 mph]).

        • A preceding vehicle is not detected when follow-up control is being performed at a vehicle speed of less than approximately 40 km/h (25 mph).*1

        - -

        Tech Tips

        *1: Models with full-speed range following function

        *2: During stop retention control (models with full-speed range following function)

  4. DIAGNOSIS


    1. If a malfunction occurs in the dynamic radar cruise control system during cruise control operation, the ECM and driving support ECU assembly cancels cruise control operation, illuminates the master warning light and turns off the cruise control indicator (constant speed control mode/vehicle-to-vehicle distance control mode), and cruise SET indicator. Also, "Cruise Control Malfunction Visit Your Dealer" is displayed on the multi-information display to inform the driver of a malfunction. At the same time, the malfunction is stored in memory as a 5-digit Diagnostic Trouble Code (DTC).

    2. The 5-digit DTC can be read by connecting the Global TechStream (GTS) to the DLC3. For details, refer to the Repair Manual.