SEAT HEATER SYSTEM, Diagnostic DTC:B14C3

DTC Code DTC Name
B14C3 Rear Left Seat Heat Sensor Circuit

DESCRIPTION

Power supply to the temperature sensor built into the rear seat cushion heater stops if one of the following occurs: 1) an open or short occurs in the temperature sensor circuit; or 2) the temperature sensor is damaged and its output value does not change.

DTC No. Detection Item DTC Detection Condition Trouble Area
B14C3 Rear Left Seat Heat Sensor Circuit Seat heater temperature sensor malfunction
  • Air conditioning amplifier assembly

  • Rear seat cushion heater (separate type rear seat cushion cover (for LH side))

  • Seat heater control sub-assembly (for rear LH side)

  • Wire harness or connector

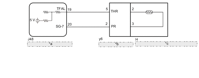
WIRING DIAGRAM

B007WWBE07
*a Air Conditioning Amplifier Assembly
*b Seat Heater Control Sub-assembly (for Rear LH Side)
*c Rear Seat Cushion Heater (Separate Type Rear Seat Cushion Cover (for LH Side))

PROCEDURE


  1. CLEAR DTC


    1. Clear the DTCs.

      Click here


      Body Electrical > Air Conditioner > Clear DTCs
      Result
      Proceed to
      NEXT

    NEXT
  2. CHECK FOR DTC


    1. Check for DTCs.

      Click here


      Body Electrical > Air Conditioner > Trouble Codes
      OK
      DTC B14C3 is not output.
      Result
      Proceed to
      OK
      NG

    OK
    NG
  3. INSPECT REAR SEAT CUSHION HEATER (SEPARATE TYPE REAR SEAT CUSHION COVER (FOR LH SIDE))


    1. Remove the rear seat cushion heater (separate type rear seat cushion cover (for LH side)).

      Click here

    2. Inspect the rear seat cushion heater (separate type rear seat cushion cover (for LH side)).

      Click here

      Result
      Proceed to
      OK
      NG

    NG
    OK
  4. CHECK HARNESS AND CONNECTOR (AIR CONDITIONING AMPLIFIER ASSEMBLY - REAR SEAT CUSHION HEATER (SEPARATE TYPE REAR SEAT CUSHION COVER (FOR LH SIDE)))


    1. Disconnect the J48 air conditioning amplifier assembly connector.

    2. Measure the resistance according to the value(s) in the table below.

      Standard Resistance
      Tester Connection Condition Specified Condition
      J48-19 (TFAL) - y6-5 (THR) Always Below 1 Ω
      J48-19 (TFAL) or y6-5 (THR) - Body ground Always 10 kΩ or higher
      J48-20 (SG-7) - y6-2 (PR) Always Below 1 Ω
      J48-20 (SG-7) or y6-2 (PR) - Body ground Always 10 kΩ or higher
      Result
      Proceed to
      OK
      NG

    NG
    OK
  5. REPLACE SEAT HEATER CONTROL SUB-ASSEMBLY (FOR REAR LH SIDE)


    1. Temporarily replace the seat heater control sub-assembly (for rear LH side) with a new or known good one.

      Click here

      Result
      Proceed to
      NEXT

    NEXT
  6. CLEAR DTC


    1. Clear the DTCs.

      Click here


      Body Electrical > Air Conditioner > Clear DTCs
      Result
      Proceed to
      NEXT

    NEXT
  7. CHECK FOR DTC


    1. Check for DTCs.

      Click here


      Body Electrical > Air Conditioner > Trouble Codes
      OK
      DTC B14C3 is not output.
      Result
      Proceed to
      OK
      NG

    OK
    NG