СИСТЕМА МОНИТОРА ПАНОРАМНОГО ОБЗОРА, Diagnostic DTC:C1686, C1687

Код DTC Наименование DTC
C1686 Ненормальный сигнал синхронизации видеосигнала телекамеры со стороны водителя
C1687 Обнаружена перегрузка по току в телекамере со стороны водителя

ОПИСАНИЕ

Эти коды DTC регистрируется, когда ЭБУ системы помощи при парковке в результате самодиагностики обнаруживает сбой синхронизации в сигнале изображения, передаваемом боковой телекамерой со стороны водителя в ЭБУ системы помощи при парковке.

№ DTC Неисправность Условие обнаружения DTC Неисправный участок
C1686 Ненормальный сигнал синхронизации видеосигнала телекамеры со стороны водителя Нарушение обратной связи боковой камеры
  • Жгут или разъем

  • ЭБУ системы помощи при парковке

  • Левая боковая телекамера в сборе

  • Левое наружное зеркало заднего вида в сборе

C1687 Обнаружена перегрузка по току в телекамере со стороны водителя Перегрузка по току в боковой камере
  • Жгут или разъем

  • ЭБУ системы помощи при парковке

  • Левая боковая телекамера в сборе

  • Левое наружное зеркало заднего вида в сборе

СХЕМА ЭЛЕКТРИЧЕСКИХ СОЕДИНЕНИЙ

B006KHLC01

ПРЕДОСТЕРЕЖЕНИЕ / ПРИМЕЧАНИЕ / УКАЗАНИЕ

Note

В зависимости от замененных деталей или операций, которые были выполнены при проверке или обслуживании автомобиля, может потребоваться калибровка других систем, а также системы панорамного обзора.

Нажмите здесь Click here

ПОРЯДОК ВЫПОЛНЕНИЯ


  1. ПРОВЕРЬТЕ DTC


    1. Удалите коды DTC.

      Нажмите здесь Click here


      Chassis > Panoramic View Monitor > Clear DTCs
    2. Проверьте наличие кодов DTC.

      Нажмите здесь Click here


      Chassis > Panoramic View Monitor > Trouble Codes
      OK
      Коды DTC C1686 и C1687 не выводятся.
      Результат
      Результат Перейти к
      NG А
      OK B

    B
    А
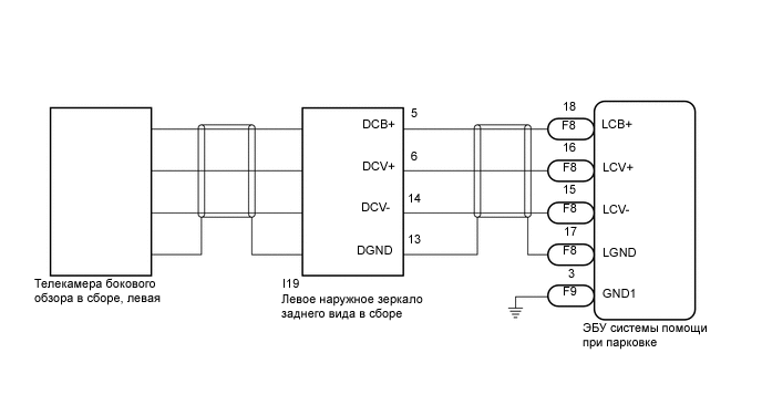
  2. ПРОВЕРЬТЕ ЖГУТ ПРОВОДОВ И РАЗЪЕМ (ЭБУ СИСТЕМЫ ПОМОЩИ ПРИ ПАРКОВКЕ – ЛЕВОЕ НАРУЖНОЕ ЗЕРКАЛО ЗАДНЕГО ВИДА В СБОРЕ)


    1. Отсоедините разъемы F8 и F9 ЭБУ системы помощи при парковке.

    2. Отсоедините разъем I19 левого наружного зеркала заднего вида в сборе.

    3. Измерьте сопротивление в соответствии со значениями, приведенными в таблице ниже.

      Номинальное сопротивление
      Подключение диагностического прибора Значение Заданные условия
      F8-18 (LCB+) - I19-5 (DCB+) Всегда Менее 1 Ом
      F8-16 (LCV+) - I19-6 (DCV+) Всегда Менее 1 Ом
      F8-15 (LCV-) - I19-14 (DCV-) Всегда Менее 1 Ом
      F8-17 (LGND) - I19-13 (DGND) Всегда Менее 1 Ом
      F9-3 (GND1) - масса Всегда Менее 1 Ом
      F8-18 (LCB+) или I19-5 (DCB+) - масса Всегда 10 кОм или более
      F8-16 (LCV+) или I19-6 (DCV+) - масса Всегда 10 кОм или более
      F8-15 (LCV-) или I19-14 (DCV-) - масса Всегда 10 кОм или более
      F8-17 (LGND) или I19-13 (DGND) - масса Всегда 10 кОм или более
      Результат
      Следующий шаг
      OK
      NG

    NG
    OK
  3. ПРОВЕРЬТЕ ЭБУ СИСТЕМЫ ПОМОЩИ ПРИ ПАРКОВКЕ


    1. B006Q62C24
      *a

      Устройство с неподсоединенным жгутом проводов

      (ЭБУ системы помощи при парковке)

      Снимите ЭБУ системы помощи при парковке, не отсоединяя разъем.

    2. Измерьте сопротивление в соответствии со значениями, приведенными в таблице ниже.

      Номинальное сопротивление
      Подключение диагностического прибора Условие Заданные условия
      F8-17 (LGND) - масса Всегда Менее 1 Ом
    3. Измерьте напряжение в соответствии со значениями, приведенными в таблице.

      Номинальное напряжение
      Подключение диагностического прибора Положение переключателя Заданные условия
      F8-18 (LCB+) - F8-17 (LGND) Выключатель зажигания в положении ACC 5,5 - 7,05 В
      Результат
      Следующий шаг
      OK
      NG

    NG
    OK
  4. ПРОВЕРЬТЕ ЛЕВУЮ БОКОВУЮ ТЕЛЕКАМЕРУ В СБОРЕ


    1. Снимите ЭБУ системы помощи при парковке, не отсоединяя разъем.

      B006OOEC23
      *a

      Устройство с подсоединенным жгутом проводов

      (ЭБУ системы помощи при парковке)

      *b Осциллограмма 1
      *c Осциллограмма 2 *d Сигнал синхронизации
      *e Сигнал видеоизображения - -
    2. Измерьте форму сигнала левой боковой телекамеры с помощью осциллографа.

      Tech Tips


      • Для подключения боковой телекамеры в сборе используется водонепроницаемый разъем. Поэтому проверяйте форму сигнала на радиоприемнике в сборе с подсоединенным разъемом.

      • Форма видеосигнала изменяется в соответствии с изображением, передаваемым боковой телекамерой в сборе.

      Условия измерений
      Параметр / Устройство Описание
      Подключение диагностического прибора F8-16 (LCV+) - F8-17 (LGND)
      Настройки прибора 200 мВ/дел., 50 мкс/дел.
      Условие
      • Осциллограмма 1: Зажигание включено (IG), переключатель на рулевом колесе (главный переключатель системы панорамного обзора) включен, объектив камеры не закрыт, выводится изображение


      • Осциллограмма 2: Зажигание включено (IG), переключатель на рулевом колесе (главный переключатель системы панорамного обзора) включен, объектив камеры закрыт, экран темный

      OK
      Форма сигнала соответствует показанной на рисунке.
      Результат
      Следующий шаг
      OK
      NG

    OK
    NG
  5. ЗАМЕНИТЕ ЛЕВУЮ БОКОВУЮ ТЕЛЕКАМЕРУ В СБОРЕ


    1. Замените левую боковую телекамеру в сборе новой или заведомо исправной.

      Нажмите здесь Click here

      Результат
      Следующий шаг
      ДАЛЕЕ

    ДАЛЕЕ
  6. ПРОВЕРЬТЕ DTC


    1. Удалите коды DTC.

      Нажмите здесь Click here


      Chassis > Panoramic View Monitor > Clear DTCs
    2. Проверьте наличие кодов DTC.

      Нажмите здесь Click here


      Chassis > Panoramic View Monitor > Trouble Codes
      OK
      Коды DTC C1686 и C1687 не выводятся.
      Результат
      Следующий шаг
      OK
      NG

    OK
    NG