СИСТЕМА СНИЖЕНИЯ ТОКСИЧНОСТИ ОТРАБОТАВШИХ ГАЗОВ (для моделей с модулем насоса адсорбера) СХЕМА СИСТЕМЫ
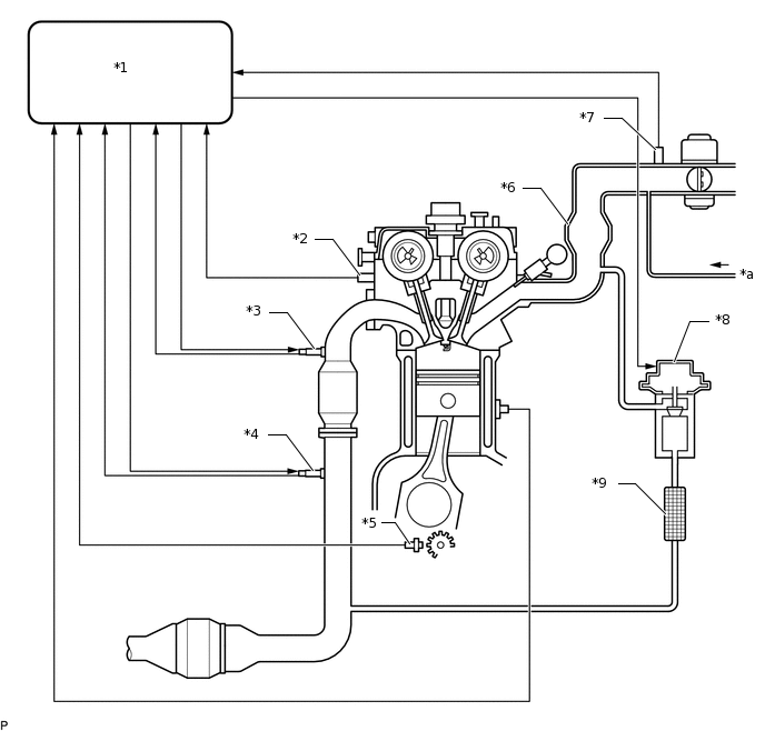
*1 |
ECM |
*2 |
Датчик температуры охлаждающей жидкости двигателя |
*3 |
Датчик состава топливовоздушной смеси (датчик 1 ряда 1) |
*4 |
Подогреваемый кислородный датчик (датчик 2 ряда 1) |
*5 |
Датчик положения коленчатого вала |
*6 |
Впускной коллектор |
*7 |
Датчик абсолютного давления в коллекторе |
*8 |
Клапан РОГ в сборе |
*9 |
Охладитель РОГ в сборе |
- |
- |
*a |
от электровакуумного клапана продувки |
- |
- |
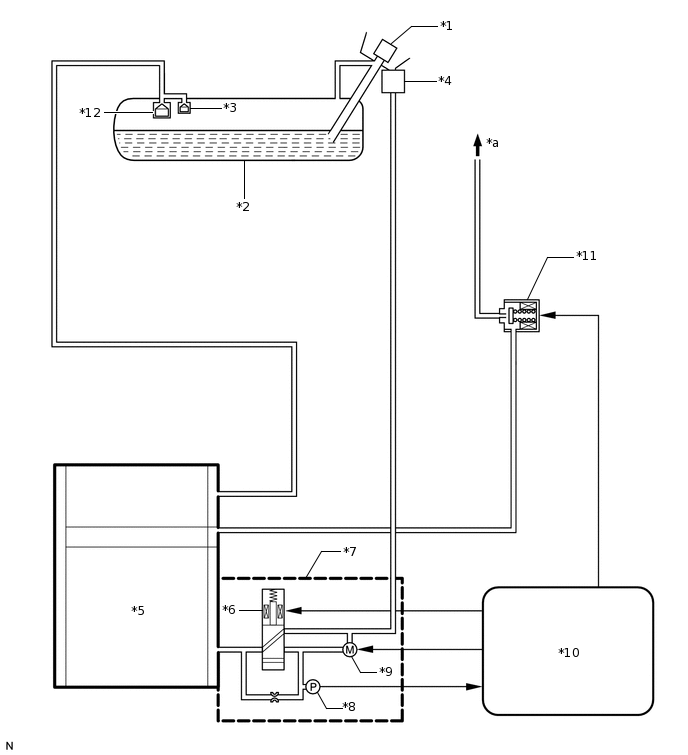
*1 |
Пробка наливной горловины топливного бака |
*2 |
Топливный бак в сборе |
*3 |
Клапан отсечки топлива |
*4 |
Фильтр адсорбера |
*5 |
Угольный адсорбер в сборе |
*6 |
Вентиляционный клапан |
*7 |
Насос адсорбера |
*8 |
Датчик давления в адсорбере |
*9 |
Насос обнаружения утечки |
*10 |
ECM |
*11 |
Электровакуумный клапан продувки |
*12 |
Поплавковый клапан |
*a |
К впускному коллектору |
- |
- |