POWER MIRROR CONTROL SYSTEM SYSTEM DIAGRAM

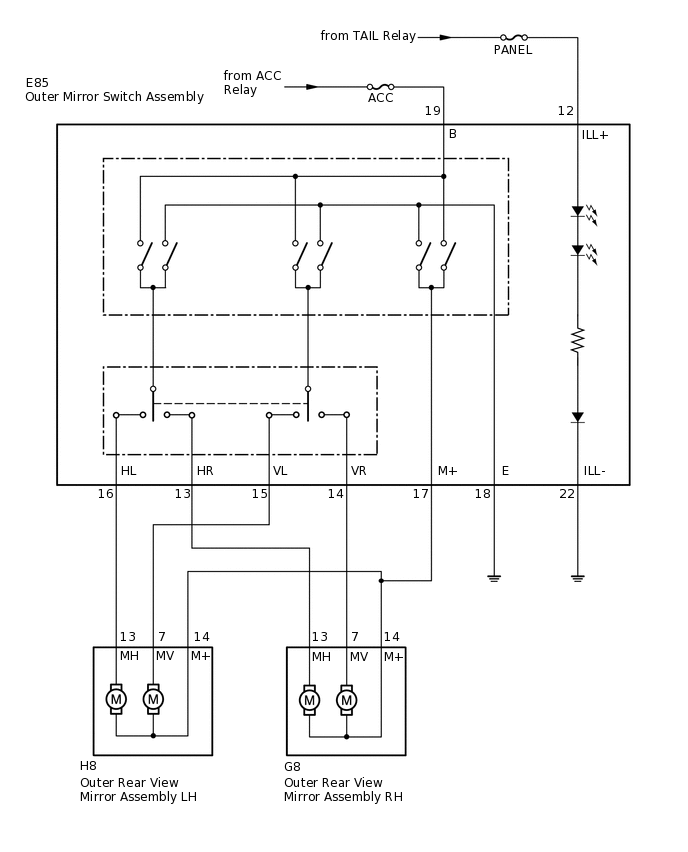
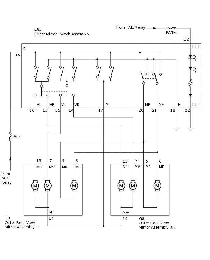
  1. Power Mirror Control System (w/o Retractable Mirror)

    1. w/o Mirror Heater

      B310963E04
    2. w/ Mirror Heater

      B310963E02
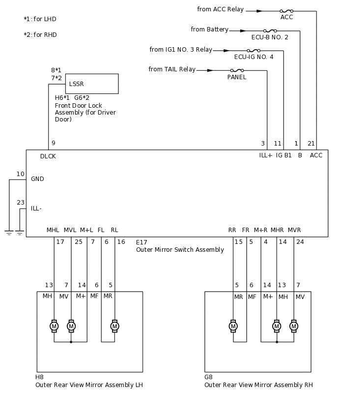
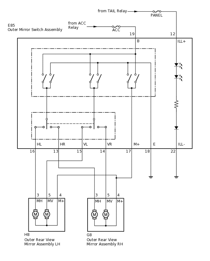
  2. Power Mirror Control System (w/ Retractable Mirror)

    1. w/o AUTO Power Retractable Mirror

      B310964E07
    2. w/ AUTO Power Retractable Mirror

      B327535E02
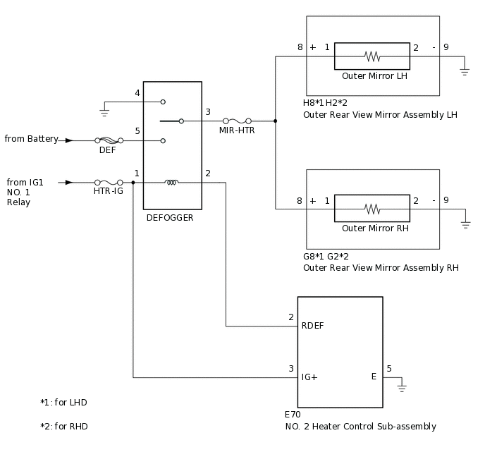
  3. Mirror Heater System (for Automatic Air Conditioning System)

    B327536E02
  4. Mirror Heater System (for Manual Air Conditioning System)

    B336517E03