PANORAMIC VIEW MONITOR SYSTEM Image from Camera for Panoramic View Monitor is Abnormal

DTC Code DTC Name
Image from Camera for Panoramic View Monitor is Abnormal

DESCRIPTION

The display signal from the rear television camera assembly is transmitted to the radio and display receiver assembly via the parking assist ECU.

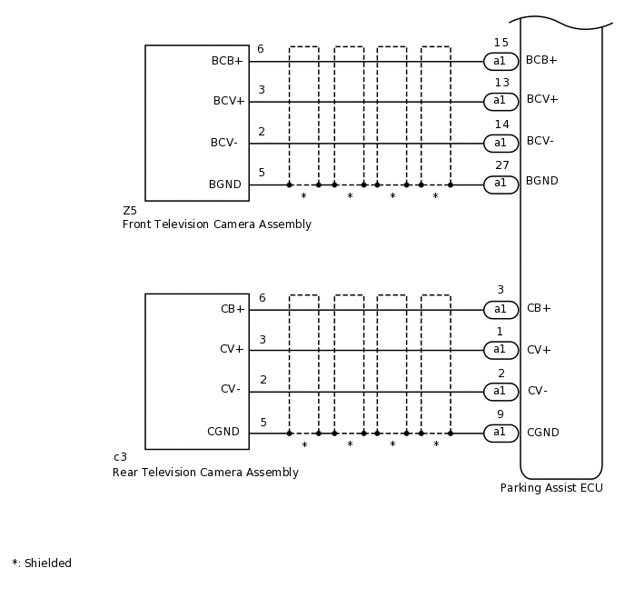
WIRING DIAGRAM

E381349E03
E335974E05

CAUTION / NOTICE / HINT

Note:
  • When "!" mark is displayed on the multi-display after the auxilialy battery terminal has been disconnected, correct the steering angle neutral point.

    Click here

  • Depending on the parts that are replaced or operations that are performed during vehicle inspection or maintenance, calibration of other systems as well as the panoramic view monitor system may be needed.

    Click here

Tip:
  • Images may be unclear even in normal conditions if:

  • Electrical devices are used in the cabin (noise may occur in the image).

  • The camera lens is frosted over (the image immediately after turning the power switch on (IG) may be blurred or darker than normal).

  • The camera lens is dirty with snow, mud, etc.

  • A strong beam of light, such as a sunbeam or headlight, hits the camera.

  • It is too dark around the camera (at night, etc.).

  • The ambient temperature around the camera is either too high or too low.

  • The vehicle is tilted at a steep angle.

  • The television camera assembly lens is scratched.

  • The television camera assembly lens has drops of water on it or the humidity is high.

  • When the camera is used under fluorescent lights, sodium lights, or mercury lights, etc., the lights and the illuminated area may appear to flicker.

PROCEDURE

  1. CHECK PANORAMIC VIEW MONITOR SYSTEM

    1. Check if the same malfunction occurs when the panoramic view monitor screen is displayed.

    Result

    Result

    Proceed to

    Rear view screen is not displayed.

    A

    Front view screen is not displayed.

    B

    side monitor screen (RH side) is not displayed.

    C

    side monitor screen (LH side) is not displayed.

    D

    Panoramic view monitor screen is not displayed.

    E

    B

    CHECK HARNESS AND CONNECTOR (PARKING ASSIST ECU - FRONT TELEVISION CAMERA ASSEMBLY)Click here

    C

    CHECK HARNESS AND CONNECTOR (PARKING ASSIST ECU - OUTER REAR VIEW MIRROR ASSEMBLY RH)Click here

    D

    CHECK HARNESS AND CONNECTOR (PARKING ASSIST ECU - OUTER REAR VIEW MIRROR ASSEMBLY LH)Click here

    E

    CHECK HARNESS AND CONNECTOR (PARKING ASSIST ECU - RADIO AND DISPLAY RECEIVER ASSEMBLY)Click here

    A
  2. CHECK HARNESS AND CONNECTOR (PARKING ASSIST ECU - REAR TELEVISION CAMERA ASSEMBLY)

    1. Disconnect the a1 parking assist ECU connector.

    2. Disconnect the c3 rear television camera assembly connector.

    3. Measure the resistance according to the value(s) in the table below.

      Standard Resistance

      Tester Connection

      Condition

      Specified Condition

      a1-3 (CB+) - c3-6 (CB+)

      Always

      Below 1 Ω

      a1-1 (CV+) - c3-3 (CV+)

      Always

      Below 1 Ω

      a1-2 (CV-) - c3-2 (CV-)

      Always

      Below 1 Ω

      a1-9 (CGND) - c3-5 (CGND)

      Always

      Below 1 Ω

      a1-3 (CB+) or c3-6 (CB+) - Body ground

      Always

      10 kΩ or higher

      a1-1 (CV+) or c3-3 (CV+) - Body ground

      Always

      10 kΩ or higher

      a1-2 (CV-) or c3-2 (CV-) - Body ground

      Always

      10 kΩ or higher

      a1-9 (CGND) or c3-5 (CGND) - Body ground

      Always

      10 kΩ or higher

    Result

    Proceed to

    OK

    NG

    NG

    REPAIR OR REPLACE HARNESS OR CONNECTOR

    OK
  3. CHECK PARKING ASSIST ECU (CB+, CGND)

    1. E272332C64

      *a

      Component with harness connected

      (Parking Assist ECU)

      Remove the parking assist ECU with the connector still connected.

    2. Measure the resistance according to the value(s) in the table below.

      Standard Resistance

      Tester Connection

      Condition

      Specified Condition

      a1-9 (CGND) - Body ground

      Always

      Below 1 Ω

    3. Measure the voltage according to the value(s) in the table below.

      Standard Voltage

      Tester Connection

      Switch Condition

      Specified Condition

      a1-3 (CB+) - a1-9 (CGND)

      Power switch on (IG)

      5.5 to 7.05 V

    Result

    Proceed to

    OK

    NG

    NG

    REPLACE PARKING ASSIST ECU

    OK
  4. CHECK REAR TELEVISION CAMERA ASSEMBLY (CV+, CGND)

    1. Remove the parking assist ECU with the connector still connected.

      E272333C56

      *a

      Component with harness connected

      (Parking Assist ECU)

      *b

      Waveform 1

      *c

      Waveform 2

      *d

      Synchronization Signal

      *e

      Video Waveform

      -

      -

    2. Check the waveform of the rear television camera assembly using an oscilloscope.

      Tip:
      • A waterproof connector is used for the front television camera assembly. Therefore, inspect the waveform at the parking assist ECU with the connector connected.

      • The video waveform changes according to the image sent by the front television camera assembly.

      Table 1. Measurement Condition

      Item

      Content

      Terminal No. (Symbol)

      a1-1 (CV+) - a1-9 (CGND)

      Tool Setting

      200 mV/DIV., 50 μsec./DIV.

      Condition

      • Waveform 1: Power switch on (IG), telltale light assembly (panoramic view monitor main switch) on, camera lens not covered, displaying image

      • Waveform 2: Power switch on (IG), telltale light assembly (panoramic view monitor main switch) on, camera lens covered, blacking out screen

      OK

      Waveform is as shown in the illustration.

    Result

    Proceed to

    OK

    NG

    OK

    REPLACE PARKING ASSIST ECU

    NG

    REPLACE REAR TELEVISION CAMERA ASSEMBLY

  5. CHECK HARNESS AND CONNECTOR (PARKING ASSIST ECU - FRONT TELEVISION CAMERA ASSEMBLY)

    1. Disconnect the a1 parking assist ECU connector.

    2. Disconnect the Z5 front television camera assembly connector.

    3. Measure the resistance according to the value(s) in the table below.

      Standard Resistance

      Tester Connection

      Condition

      Specified Condition

      a1-15 (BCB+) - Z5-6 (BCB+)

      Always

      Below 1 Ω

      a1-13 (BCV+) - Z5-3 (BCV+)

      Always

      Below 1 Ω

      a1-14 (BCV-) - Z5-2 (BCV-)

      Always

      Below 1 Ω

      a1-27 (BGND) - Z5-5 (BGND)

      Always

      Below 1 Ω

      a1-15 (BCB+) or Z5-6 (BCB+) - Body ground

      Always

      10 kΩ or higher

      a1-13 (BCV+) or Z5-3 (BCV+) - Body ground

      Always

      10 kΩ or higher

      a1-14 (BCV-) or Z5-2 (BCV-) - Body ground

      Always

      10 kΩ or higher

      a1-27 (BGND) or Z5-5 (BGND) - Body ground

      Always

      10 kΩ or higher

    Result

    Proceed to

    OK

    NG

    NG

    REPAIR OR REPLACE HARNESS OR CONNECTOR

    OK
  6. CHECK PARKING ASSIST ECU (BCB+, BGND)

    1. E272332C65

      *a

      Component with harness connected

      (Parking Assist ECU)

      Remove the parking assist ECU with the connector still connected.

    2. Measure the resistance according to the value(s) in the table below.

      Standard Resistance

      Tester Connection

      Condition

      Specified Condition

      a1-27 (BGND) - Body ground

      Always

      Below 1 Ω

    3. Measure the voltage according to the value(s) in the table below.

      Standard Voltage

      Tester Connection

      Switch Condition

      Specified Condition

      a1-15 (BCB+) - a1-27 (BGND)

      Power switch on (IG)

      5.5 to 7.05 V

    Result

    Proceed to

    OK

    NG

    NG

    REPLACE PARKING ASSIST ECU

    OK
  7. CHECK FRONT TELEVISION CAMERA ASSEMBLY

    1. Remove the parking assist ECU with the connector still connected.

      E272333C57

      *a

      Component with harness connected

      (Parking Assist ECU)

      *b

      Waveform 1

      *c

      Waveform 2

      *d

      Synchronization Signal

      *e

      Video Waveform

      -

      -

    2. Using an oscilloscope, check the waveform.

      Tip:
      • A waterproof connector is used for the front television camera assembly. Therefore, inspect the waveform at the parking assist ECU with the connector connected.

      • The video waveform changes according to the image sent by the front television camera assembly.

      OK

      Waveform is as shown in the illustration.

      Table 2. Measurement Condition

      Item

      Content

      Terminal No. (Symbol)

      a1-13 (BCV+) - a1-27 (BGND)

      Tool Setting

      200 mV/DIV., 50 μs/DIV.

      Condition

      • Waveform 1: Power switch on (IG), telltale light assembly (panoramic view monitor main switch) on, camera lens not covered, displaying image

      • Waveform 2: Power switch on (IG), telltale light assembly (panoramic view monitor main switch) on, camera lens covered, blacking out screen

    Result

    Proceed to

    OK

    NG

    OK

    REPLACE PARKING ASSIST ECU

    NG

    REPLACE FRONT TELEVISION CAMERA ASSEMBLY

  8. CHECK HARNESS AND CONNECTOR (PARKING ASSIST ECU - OUTER REAR VIEW MIRROR ASSEMBLY RH)

    1. Disconnect the a1 parking assist ECU connector.

    2. Disconnect the I14 outer rear view mirror assembly RH connector.

    3. Measure the resistance according to the value(s) in the table below.

      Standard Resistance

      Tester Connection

      Condition

      Specified Condition

      a1-6 (RCB+) - I14-5 (RCB+)

      Always

      Below 1 Ω

      a1-4 (RCV+) - I14-6 (RCV+)

      Always

      Below 1 Ω

      a1-5 (RCV-) - I14-14 (RCV-)

      Always

      Below 1 Ω

      a1-18 (RGND) - I14-13 (RGND)

      Always

      Below 1 Ω

      a1-6 (RCB+) or I14-5 (RCB+) - Body ground

      Always

      10 kΩ or higher

      a1-4 (RCV+) or I14-6 (RCV+) - Body ground

      Always

      10 kΩ or higher

      a1-5 (RCV-) or I14-14 (RCV-) - Body ground

      Always

      10 kΩ or higher

      a1-18 (RGND) or I14-13 (RGND) - Body ground

      Always

      10 kΩ or higher

    Result

    Proceed to

    OK

    NG

    NG

    REPAIR OR REPLACE HARNESS OR CONNECTOR

    OK
  9. CHECK PARKING ASSIST ECU

    1. E272332C66

      *a

      Component with harness connected

      (Parking Assist ECU)

      Disconnect the outer rear view mirror assembly RH connector.

    2. Measure the resistance according to the value(s) in the table below.

      Standard Resistance

      Tester Connection

      Condition

      Specified Condition

      a1-18 (RGND) - Body ground

      Always

      Below 1 Ω

    3. Measure the voltage according to the value(s) in the table below.

      Standard Voltage

      Tester Connection

      Switch Condition

      Specified Condition

      a1-6 (RCB+) - a1-18 (RGND)

      Power switch on (IG)

      5.5 to 7.05 V

      a1-6 (RCB+) - a1-18 (RGND)

      Power switch off

      Below 1 V

    Result

    Proceed to

    OK

    NG

    NG

    REPLACE PARKING ASSIST ECU

    OK
  10. CHECK SIDE TELEVISION CAMERA ASSEMBLY RH

    1. Remove the parking assist ECU with the connector still connected.

      E272333C58

      *a

      Component with harness connected

      (Parking Assist ECU)

      *b

      Waveform 1

      *c

      Waveform 2

      *d

      Synchronization Signal

      *e

      Video Waveform

      -

      -

    2. Measure the waveform of the side television camera assembly RH using an oscilloscope.

      Tip:
      • A waterproof connector is used for the front television camera assembly. Therefore, inspect the waveform at the parking assist ECU with the connector connected.

      • The video waveform changes according to the image sent by the front television camera assembly.

      Table 3. Measurement Condition

      Item

      Content

      Tester Connection

      a1-4 (RCV+) - a1-18 (RGND)

      Tool Setting

      200 mV/DIV., 50 μs/DIV.

      Condition

      • Waveform 1: Power switch on (IG), telltale light assembly (panoramic view monitor main switch) on, camera lens not covered, displaying image

      • Waveform 2: Power switch on (IG), telltale light assembly (panoramic view monitor main switch) on, camera lens covered, blacking out screen

      OK

      Waveform is as shown in illustration.

    Result

    Proceed to

    OK

    NG

    OK

    REPLACE PARKING ASSIST ECU

    NG
  11. INSPECT OUTER REAR VIEW MIRROR ASSEMBLY RH

    1. E381348C01

      *a

      Component without harness connected

      (to Side Television Camera Assembly RH)

      *b

      Component without harness connected

      (to Outer Mirror Actuator Assembly RH)

      Disconnect the outer rear view mirror assembly RH connector.

    2. Disconnect the side television camera assembly RH connector.

    3. Measure the resistance according to the value(s) in the table below.

      Standard Resistance

      Tester Connection

      Condition

      Specified Condition

      A-1 (CB+) - I14-5 (RCB+)

      Always

      Below 1 Ω

      A-3 (CV+) - I14-6 (RCV+)

      Always

      Below 1 Ω

      A-7 (CV-) - I14-14 (RCV-)

      Always

      Below 1 Ω

      A-5 (GND) - I14-13 (RGND)

      Always

      Below 1 Ω

      A-1 (CB+) or I14-5 (RCB+) - Body ground

      Always

      10 kΩ or higher

      A-3 (CV+) or I14-6 (RCV+) - Body ground

      Always

      10 kΩ or higher

      A-7 (CV-) or I14-14 (RCV-) - Body ground

      Always

      10 kΩ or higher

      A-5 (GND) or I14-13 (RGND) - Body ground

      Always

      10 kΩ or higher

    Result

    Proceed to

    OK

    NG

    NG

    REPLACE OUTER REAR VIEW MIRROR ASSEMBLY RH

    OK
  12. CHECK SIDE TELEVISION CAMERA ASSEMBLY RH

    1. Replace the side television camera assembly RH with a new or normally functioning one.

      Click here

    2. Check if the same malfunction reoccurs when the side monitor screen is displayed.

    Result

    Result

    Proceed to

    Malfunction does not reoccur (returns to normal)

    A

    Malfunction reoccurs

    B

    A

    END (SIDE TELEVISION CAMERA ASSEMBLY RH IS DEFECTIVE)

    B

    REPLACE PARKING ASSIST ECU

  13. CHECK HARNESS AND CONNECTOR (PARKING ASSIST ECU - OUTER REAR VIEW MIRROR ASSEMBLY LH)

    1. Disconnect the a1 parking assist ECU connector.

    2. Disconnect the J15 outer rear view mirror assembly LH connector.

    3. Measure the resistance according to the value(s) in the table below.

      Standard Resistance

      Tester Connection

      Condition

      Specified Condition

      a1-12 (LCB+) - J15-5 (LCB+)

      Always

      Below 1 Ω

      a1-10 (LCV+) - J15-6 (LCV+)

      Always

      Below 1 Ω

      a1-11 (LCV-) - J15-14 (LCV-)

      Always

      Below 1 Ω

      a1-24 (LGND) - J15-13 (LGND)

      Always

      Below 1 Ω

      a1-12 (LCB+) or J15-5 (LCB+) - Body ground

      Always

      10 kΩ or higher

      a1-10 (LCV+) or J15-6 (LCV+) - Body ground

      Always

      10 kΩ or higher

      a1-11 (LCV-) or J15-14 (LCV-) - Body ground

      Always

      10 kΩ or higher

      a1-24 (LGND) or J15-13 (LGND) - Body ground

      Always

      10 kΩ or higher

    Result

    Proceed to

    OK

    NG

    NG

    REPAIR OR REPLACE HARNESS OR CONNECTOR

    OK
  14. CHECK PARKING ASSIST ECU

    1. E272332C67

      *a

      Component with harness connected

      (Parking Assist ECU)

      Disconnect the outer rear view mirror assembly LH connector.

    2. Measure the resistance according to the value(s) in the table below.

      Standard Resistance

      Tester Connection

      Condition

      Specified Condition

      a1-24 (LGND) - Body ground

      Always

      Below 1 Ω

    3. Measure the voltage according to the value(s) in the table below.

      Standard Voltage

      Tester Connection

      Switch Condition

      Specified Condition

      a1-12 (LCB+) - a1-24 (LGND)

      Power switch on (IG)

      5.5 to 7.05 V

      a1-12 (LCB+) - a1-24 (LGND)

      Power switch off

      Below 1 V

    Result

    Proceed to

    OK

    NG

    NG

    REPLACE PARKING ASSIST ECU

    OK
  15. CHECK SIDE TELEVISION CAMERA ASSEMBLY LH

    1. Remove the parking assist ECU with the connector still connected.

      E272333C59

      *a

      Component with harness connected

      (Parking Assist ECU)

      *b

      Waveform 1

      *c

      Waveform 2

      *d

      Synchronization Signal

      *e

      Video Wavehorm

      -

      -

    2. Measure the waveform of the side television camera assembly LH using an oscilloscope.

      Tip:
      • A waterproof connector is used for the front television camera assembly. Therefore, inspect the waveform at the parking assist ECU with the connector connected.

      • The video waveform changes according to the image sent by the front television camera assembly.

      Table 4. Measurement Condition

      Item

      Content

      Tester Connection

      a1-10 (LCV+) - a1-24 (LGND)

      Tool Setting

      200 mV/DIV., 50 μs/DIV.

      Condition

      • Waveform 1: Power switch on (IG), telltale light assembly (panoramic view monitor main switch) on, camera lens not covered, displaying image

      • Waveform 2: Power switch on (IG), telltale light assembly (panoramic view monitor main switch) on, camera lens covered, blacking out screen

      OK

      Waveform is as shown in illustration.

    Result

    Proceed to

    OK

    NG

    OK

    REPLACE PARKING ASSIST ECU

    NG
  16. INSPECT OUTER REAR VIEW MIRROR ASSEMBLY LH

    1. E381348C04

      *a

      Component without harness connected

      (to Side Television Camera Assembly LH)

      *b

      Component without harness connected

      (to Outer Mirror Actuator Assembly LH)

      Disconnect the outer rear view mirror assembly LH connector.

    2. Disconnect the side television camera assembly LH connector.

    3. Measure the resistance according to the value(s) in the table below.

      Standard Resistance

      Tester Connection

      Condition

      Specified Condition

      B-1 (CB+) - J15-5 (LCB+)

      Always

      Below 1 Ω

      B-3 (CV+) - J15-6 (LCV+)

      Always

      Below 1 Ω

      B-7 (CV-) - J15-14 (LCV-)

      Always

      Below 1 Ω

      B-5 (GND) - J15-13 (LGND)

      Always

      Below 1 Ω

      B-1 (CB+) or J15-5 (LCB+) - Body ground

      Always

      10 kΩ or higher

      B-3 (CV+) or J15-6 (LCV+) - Body ground

      Always

      10 kΩ or higher

      B-7 (CV-) or J15-14 (LCV-) - Body ground

      Always

      10 kΩ or higher

      B-5 (GND) or J15-13 (LGND) - Body ground

      Always

      10 kΩ or higher

    Result

    Proceed to

    OK

    NG

    NG

    REPLACE OUTER REAR VIEW MIRROR ASSEMBLY LH

    OK
  17. CHECK SIDE TELEVISION CAMERA ASSEMBLY LH

    1. Replace the side television camera assembly LH with a new or normally functioning one.

      Click here

    2. Check if the same malfunction reoccurs when the side monitor screen is displayed.

    Result

    Result

    Proceed to

    Malfunction does not reoccur (returns to normal)

    A

    Malfunction reoccurs

    B

    A

    END (SIDE TELEVISION CAMERA ASSEMBLY LH IS DEFECTIVE)

    B

    REPLACE PARKING ASSIST ECU

  18. CHECK HARNESS AND CONNECTOR (PARKING ASSIST ECU - RADIO AND DISPLAY RECEIVER ASSEMBLY)

    1. Disconnect the a2 parking assist ECU connector.

    2. Disconnect the G159 radio and display receiver assembly connector.

    3. Measure the resistance according to the value(s) in the table below.

      Standard Resistance

      Tester Connection

      Condition

      Specified Condition

      a2-26 (NS-) - G159-24 (V-)

      Always

      Below 1 Ω

      a2-28 (NS+) - G159-12 (V+)

      Always

      Below 1 Ω

      G159-23 (CGND) - Body ground

      Always

      Below 1 Ω

      a2-26 (NS-) or G159-24 (V-) - Body ground

      Always

      10 kΩ or higher

      a2-28 (NS+) or G159-12 (V+) - Body ground

      Always

      10 kΩ or higher

    Result

    Proceed to

    OK

    NG

    NG

    REPAIR OR REPLACE HARNESS OR CONNECTOR

    OK
  19. CHECK RADIO AND DISPLAY RECEIVER ASSEMBLY

    1. Replace the radio and display receiver assembly with a new or normally functioning one.

      Click here

    2. Check if the same malfunction reoccurs when the panoramic view monitor screen is displayed.

      OK

      Malfunction does not reoccur (returns to normal).

    Result

    Proceed to

    OK

    NG

    OK

    END (RADIO AND DISPLAY RECEIVER ASSEMBLY IS DEFECTIVE)

    NG

    REPLACE PARKING ASSIST ECU