POWER WINDOW CONTROL SYSTEM, Diagnostic DTC:B2312

DTC Code DTC Name
B2312 Power Window Switch Malfunction

DESCRIPTION

The front power window regulator motor assembly LH (for LHD) or front power window regulator motor assembly RH (for RHD) is operated by the power window regulator master switch assembly. The front power window regulator motor assembly LH (for LHD) or front power window regulator motor assembly RH (for RHD) has motor and ECU functions.

This DTC is stored when the ECU built into the front power window regulator motor assembly LH (for LHD) or front power window regulator motor assembly RH (for RHD) determines that the power window regulator master switch assembly is stuck.

DTC No.

Detection Item

DTC Detection Condition

Trouble Area

B2312

Power Window Switch Malfunction

Either condition is met:

  • Front power window regulator motor assembly LH (for LHD) or front power window regulator motor assembly RH (for RHD) stuck

  • Power window regulator master switch assembly held in same position for more than 20 seconds

  • Power window regulator master switch assembly

  • Front power window regulator motor assembly LH (for LHD)

  • Front power window regulator motor assembly RH (for RHD)

  • Harness or connector

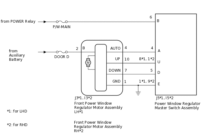
WIRING DIAGRAM

B341195E05

CAUTION / NOTICE / HINT

Note:
  • DTC B2312 is stored in the front power window regulator motor assembly LH (for LHD) or front power window regulator motor assembly RH (for RHD).

  • If the front power window regulator motor assembly LH (for LHD) or front power window regulator motor assembly RH (for RHD) has been replaced with a new one, initialize the power window control system.

    Click here

  • Inspect the fuses for circuits related to this system before performing the following procedure.

Tip:

If DTC B2312 is not output again after the DTC has been cleared, the DTC was output due to the switch being held.

PROCEDURE

  1. CHECK FOR DTC

    1. Clear the DTC.

      Click here

      Body Electrical > D-Door Motor > Clear DTCs

    2. Check for DTCs.

      Click here

      Body Electrical > D-Door Motor > Trouble Codes

    Result

    Proceed to

    DTC B2312 is not output

    DTC B2312 is output

    DTC B2312 is not output

    END (DUE TO SWITCH BEING OPERATED FOR 20 SECONDS OR MORE)

    DTC B2312 is output
  2. READ VALUE USING GTS

    1. Read the Data List according to the display on the GTS.

      Click here

      Body Electrical > D-Door Motor > Data List

      Tester Display

      Measurement Item

      Range

      Normal Condition

      Diagnostic Note

      D Door P/W Auto SW

      Driver door power window auto switch signal

      ON or OFF

      ON: Driver door power window auto switch being operated

      OFF: Driver door power window auto switch not being operated

      -

      D Door P/W Up SW

      Driver door power window manual up switch signal

      ON or OFF

      ON: Driver door power window manual up switch being operated

      OFF: Driver door power window manual up switch not being operated

      -

      D Door P/W Down SW

      Driver door power window manual down switch signal

      ON or OFF

      ON: Driver door power window manual down switch being operated

      OFF: Driver door power window manual down switch not being operated

      -

      Body Electrical > D-Door Motor > Data List

      Tester Display

      D Door P/W Auto SW

      D Door P/W Up SW

      D Door P/W Down SW

      OK

      On the GTS screen, ON or OFF is displayed accordingly.

    Result

    Proceed to

    OK (for LHD)

    OK (for RHD)

    NG (for LHD)

    NG (for RHD)

    OK (for LHD)

    REPLACE FRONT POWER WINDOW REGULATOR MOTOR ASSEMBLY LH

    OK (for RHD)

    REPLACE FRONT POWER WINDOW REGULATOR MOTOR ASSEMBLY RH

    NG (for RHD)

    CHECK HARNESS AND CONNECTOR (POWER WINDOW REGULATOR MASTER SWITCH ASSEMBLY - FRONT POWER WINDOW REGULATOR MOTOR ASSEMBLY RH AND BODY GROUND)Click here

    NG (for LHD)
  3. CHECK HARNESS AND CONNECTOR (POWER WINDOW REGULATOR MASTER SWITCH ASSEMBLY - FRONT POWER WINDOW REGULATOR MOTOR ASSEMBLY LH AND BODY GROUND)

    1. Disconnect the J5 power window regulator master switch assembly connector.

    2. Disconnect the J3 front power window regulator motor assembly LH connector.

    3. Measure the resistance according to the value(s) in the table below.

      Standard Resistance

      Tester Connection

      Condition

      Specified Condition

      J5-8 (U) - J3-10 (UP)

      Always

      Below 1 Ω

      J5-5 (D) - J3-7 (DOWN)

      Always

      Below 1 Ω

      J5-4 (A) - J3-4 (AUTO)

      Always

      Below 1 Ω

      J5-1 (E) - Body ground

      Always

      Below 1 Ω

      J3-1 (GND) - Body ground

      Always

      Below 1 Ω

      J5-8 (U) or J3-10 (UP) - Body ground

      Always

      10 kΩ or higher

      J5-5 (D) or J3-7 (DOWN) - Body ground

      Always

      10 kΩ or higher

      J5-4 (A) or J3-4 (AUTO) - Body ground

      Always

      10 kΩ or higher

    Result

    Proceed to

    OK

    NG

    NG

    REPAIR OR REPLACE HARNESS OR CONNECTOR

    OK
  4. INSPECT POWER WINDOW REGULATOR MASTER SWITCH ASSEMBLY

    1. Remove the power window regulator master switch assembly.

      Click here

    2. Inspect the power window regulator master switch assembly.

      Click here

    Result

    Proceed to

    OK

    NG

    OK

    REPLACE FRONT POWER WINDOW REGULATOR MOTOR ASSEMBLY LH

    NG

    REPLACE POWER WINDOW REGULATOR MASTER SWITCH ASSEMBLY

  5. CHECK HARNESS AND CONNECTOR (POWER WINDOW REGULATOR MASTER SWITCH ASSEMBLY - FRONT POWER WINDOW REGULATOR MOTOR ASSEMBLY RH AND BODY GROUND)

    1. Disconnect the I5 power window regulator master switch assembly connector.

    2. Disconnect the I3 front power window regulator motor assembly RH connector.

    3. Measure the resistance according to the value(s) in the table below.

      Standard Resistance

      Tester Connection

      Condition

      Specified Condition

      I5-1 (U) - I3-10 (UP)

      Always

      Below 1 Ω

      I5-5 (D) - I3-7 (DOWN)

      Always

      Below 1 Ω

      I5-4 (A) - I3-4 (AUTO)

      Always

      Below 1 Ω

      I5-9 (E) - Body ground

      Always

      Below 1 Ω

      I3-2 (GND) - Body ground

      Always

      Below 1 Ω

      I5-1 (U) or I3-10 (UP) - Body ground

      Always

      10 kΩ or higher

      I5-5 (D) or I3-7 (DOWN) - Body ground

      Always

      10 kΩ or higher

      I5-4 (A) or I3-4 (AUTO) - Body ground

      Always

      10 kΩ or higher

    Result

    Proceed to

    OK

    NG

    NG

    REPAIR OR REPLACE HARNESS OR CONNECTOR

    OK
  6. INSPECT POWER WINDOW REGULATOR MASTER SWITCH ASSEMBLY

    1. Remove the power window regulator master switch assembly.

      Click here

    2. Inspect the power window regulator master switch assembly.

      Click here

    Result

    Proceed to

    OK

    NG

    OK

    REPLACE FRONT POWER WINDOW REGULATOR MOTOR ASSEMBLY RH

    NG

    REPLACE POWER WINDOW REGULATOR MASTER SWITCH ASSEMBLY