СИСТЕМА УПРАВЛЕНИЯ ГИБРИДНОЙ СИСТЕМОЙ, диагностические DTC: P0516-769 и P0517-770

Код DTC Наименование DTC
P0516-769 Низкий уровень сигнала в цепи датчика температуры аккумуляторной батареи
P0517-770 Высокий уровень сигнала в цепи датчика температуры аккумуляторной батареи

ОПИСАНИЕ

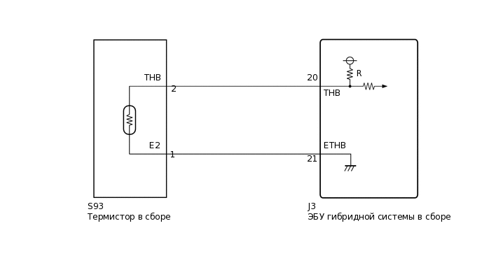
Термистор определяет температуру вспомогательной аккумуляторной батареи. Сопротивление термистора, встроенного в термистор, изменяется в соответствии с температурой вспомогательной аккумуляторной батареи. Чем ниже температура вспомогательной аккумуляторной батареи, тем выше сопротивление термистора. И наоборот, чем выше температура, тем ниже сопротивление. Термистор подключен к ЭБУ гибридной системы. С контакта THB ЭБУ гибридной системы через внутренний резистор R на термистор подается напряжение 5 В. Таким образом, резистор R и термистор соединены последовательно. Напряжение на контакте THB и величина сопротивления изменяются согласно колебаниям температуры вспомогательной аккумуляторной батареи. Исходя из этого сигнала, ЭБУ гибридной системы уменьшает зарядный ток, чтобы защитить вспомогательную аккумуляторную батарею, когда ее температура становится слишком высокой.

Tip:

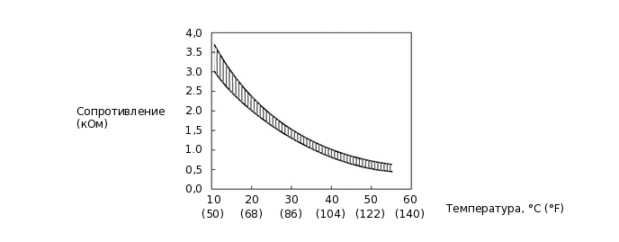
Характеристика сопротивления термистора (контрольные значения) представлена ниже.

Контакт -

THB

(при отсоединенном разъеме)

Сопротивление

Ambient Temperature

THB - E2

4,5-5,5 В

3,00-3,73 кОм

Примерно 10°C (50°F)

1,60 - 1,80 кОм

Примерно 25°C (77°F)

0,80 - 1,00 кОм

Примерно 40°C (104°F)

A266952E03

№ DTC

Неисправность

Условие обнаружения DTC

Неисправный участок

MIL

Индикация предупреждения

P0516-769

Низкий уровень сигнала в цепи датчика температуры аккумуляторной батареи

Неисправность в цепи термистора (короткое замыкание на массу)

(логика диагностирования за 1 поездки)

  • Термистор в сборе

  • Жгут проводов или разъем

  • ЭБУ гибридной системы в сборе

Не загорается

Главная контрольная лампа аварийного состояния:

Не загорается

P0517-770

Высокий уровень сигнала в цепи датчика температуры аккумуляторной батареи

Неисправность в цепи термистора (обрыв или короткое замыкание на +B)

(логика диагностирования за 1 поездки)

  • Термистор в сборе

  • Жгут проводов или разъем

  • ЭБУ гибридной системы в сборе

Не загорается

Главная контрольная лампа аварийного состояния:

Не загорается

Table 1. Сопутствующие параметры Data List

№ DTC

Data List

P0516-769

Auxiliary Batt Temperature

P0517-770

СХЕМА ЭЛЕКТРИЧЕСКИХ СОЕДИНЕНИЙ

A259938E61

ПРЕДОСТЕРЕЖЕНИЕ / ПРИМЕЧАНИЕ / УКАЗАНИЕ

Tip:
  • С помощью GTS считайте данные фиксированного набора параметров. В данных фиксированного набора параметров сохраняется некоторая информация о состоянии автомобиля на момент возникновения неисправности. Эта информация может быть полезна при поиске и устранении неисправностей.

  • Убедившись в том, что выводится код DTC P0516-769 или P0517-770, с помощью GTS проверьте значение параметра "Auxiliary Batt Temperature" в списке Data List для гибридной системы.

    Отображаемая температура

    Неисправность

    -40°C (-40°F)

    Обрыв или короткое замыкание на +B

    215°C (419°F)

    Короткое замыкание на массу

  • После ремонта удалите коды DTC и выполните описанные ниже действия, чтобы убедиться, что DTC не выводятся.

    1. Установите выключатель питания в состояние ON (ВКЛ) (IG) и подождите не менее 5 с.

ПОРЯДОК ВЫПОЛНЕНИЯ

  1. ПРОВЕРЬТЕ ПОДКЛЮЧЕНИЕ РАЗЪЕМА (ЭБУ ГИБРИДНОЙ СИСТЕМЫ)

    Нажмите здесьClick here

    Результат

    Перейти к

    OK

    НЕ СООТВ.

    НЕ СООТВ.

    ПРОВЕРЬТЕ НАДЕЖНОСТЬ ПОДКЛЮЧЕНИЯ

    СООТВ
  2. СНИМИТЕ ПОКАЗАНИЯ GTS (ТЕМПЕРАТУРА ВСПОМОГАТЕЛЬНОЙ АККУМУЛЯТОРНОЙ БАТАРЕИ)

    1. Подключите GTS к DLC3.

    2. Включите питание (IG).

    3. Войдите в следующие меню: Powertrain / Hybrid Control / Data List / Auxiliary Batt Temperature.

      Powertrain > Hybrid Control > Data List

      Информация на дисплее прибора

      Auxiliary Batt Temperature

    4. Считайте данные в режиме Data List.

      Result

      Result

      Перейти К

      -40°C (-40°F)

      А

      215°C (419°F)

      B

      Совпадает с фактической температурой

      C

    5. Выключите питание.

    B

    СНИМИТЕ ПОКАЗАНИЯ GTS (ПРОВЕРЬТЕ НА КОРОТКОЕ ЗАМЫКАНИЕ)Click here

    C

    ПРОВЕРЬТЕ, НЕТ ЛИ ЭПИЗОДИЧЕСКИХ НЕИСПРАВНОСТЕЙ

    Нажмите здесьClick here

    A
  3. СНИМИТЕ ПОКАЗАНИЯ GTS (ПРОВЕРЬТЕ НА ОБРЫВ)

    1. A417347N02

      S93 Отсоедините разъем термистора в сборе.

    2. A237420C43

      *a

      Вид спереди разъема со стороны жгута проводов:

      (к термистору в сборе)

      Соедините контакты 2 (THB) и 1 (E2) разъема S93 разъем термистора в сборе.

    3. Подключите GTS к DLC3.

    4. Включите питание (IG).

    5. Войдите в следующие меню: Powertrain / Hybrid Control / Data List / Auxiliary Batt Temperature.

      Powertrain > Hybrid Control > Data List

      Информация на дисплее прибора

      Auxiliary Batt Temperature

    6. Считайте данные в режиме Data List.

      OK

      Информация на дисплее прибора

      Условие

      Номинальное значение

      Auxiliary Batt Temperature

      Контакты S93-1 (E2) или S93-2 (THB) соединены

      Зажигание включено (IG)

      215°C (419°F)

    7. Выключите питание.

    8. Подсоедините разъем S93 термистора в сборе.

    Результат

    Перейти к

    OK

    НЕ СООТВ.

    OK

    ЗАМЕНИТЕ ТЕРМИСТОР В СБОРЕ

    НЕ СООТВ.

    ПРОВЕРЬТЕ ЭБУ ГИБРИДНОЙ СИСТЕМЫ В СБОРЕClick here

  4. СНИМИТЕ ПОКАЗАНИЯ GTS (ПРОВЕРЬТЕ НА КОРОТКОЕ ЗАМЫКАНИЕ)

    1. A417347N02

      S93 Отсоедините разъем термистора в сборе.

    2. Подключите GTS к DLC3.

    3. Включите питание (IG).

    4. Войдите в следующие меню: Powertrain / Hybrid Control / Data List / Auxiliary Batt Temperature.

      Powertrain > Hybrid Control > Data List

      Информация на дисплее прибора

      Auxiliary Batt Temperature

    5. Считайте данные в режиме Data List.

      OK

      Информация на дисплее прибора

      Условие

      Номинальное значение

      Auxiliary Batt Temperature

      Зажигание включено (IG)

      -40°C (-40°F)

    6. Выключите питание.

    7. Подсоедините разъем S93 термистора в сборе.

    Результат

    Перейти к

    OK

    НЕ СООТВ.

    OK

    ЗАМЕНИТЕ ТЕРМИСТОР В СБОРЕ

    NG

    ПРОВЕРЬТЕ ЖГУТ ПРОВОДОВ И РАЗЪЕМ (ТЕРМИСТОР В СБОРЕ - ЭБУ ГИБРИДНОЙ СИСТЕМЫ)Click here

  5. ПРОВЕРЬТЕ ЭБУ ГИБРИДНОЙ СИСТЕМЫ

    1. A408722C12

      *a

      Устройство с подсоединенным жгутом проводов

      (ЭБУ гибридной системы в сборе)

      Соедините контакты 20 (THB) и 21 (ETHB) разъема J3 разъеме ЭБУ гибридной системы.

    2. Подключите GTS к DLC3.

    3. Включите питание (IG).

    4. Войдите в следующие меню: Powertrain / Hybrid Control / Data List / Auxiliary Batt Temperature.

      Powertrain > Hybrid Control > Data List

      Информация на дисплее прибора

      Auxiliary Batt Temperature

    5. Считайте данные в режиме Data List.

      OK

      Информация на дисплее прибора

      Условие

      Номинальное значение

      Auxiliary Batt Temperature

      Контакты J3-20 (THB) и J3-21 (ETHB) соединены

      Зажигание включено (IG)

      215°C (419°F)

    6. Выключите зажигание.

    Результат

    Перейти к

    OK

    НЕ СООТВ.

    СООТВ

    ОТРЕМОНТИРУЙТЕ ИЛИ ЗАМЕНИТЕ ЖГУТ ПРОВОДОВ ИЛИ РАЗЪЕМ (ЭБУ ГИБРИДНОЙ СИСТЕМЫ - ТЕРМИСТОР В СБОРЕ)

    НЕ СООТВ.

    ЗАМЕНИТЕ ЭБУ ГИБРИДНОЙ СИСТЕМЫ В СБОРЕ

    Нажмите здесьClick here

  6. ПРОВЕРЬТЕ ЖГУТ ПРОВОДОВ И РАЗЪЕМ (ТЕРМИСТОР В СБОРЕ - ЭБУ ГИБРИДНОЙ СИСТЕМЫ)

    1. S93 Отсоедините разъем термистора в сборе.

    2. Отсоедините разъем J3 ЭБУ гибридной системы.

    3. A324898C34

      *a

      Вид спереди разъема со стороны жгута проводов:

      (к термистору в сборе)

      *b

      Вид сзади разъема со стороны жгута проводов

      (к ЭБУ гибридной системы в сборе)

      Измерьте сопротивление в соответствии со значениями, приведенными в таблице ниже.

      Номинальное сопротивление (при проверке на обрыв)

      Подключение диагностического прибора

      Условие

      Заданные условия

      S93-2 (THB )- J3-20 (THB)

      Питание выключено

      Менее 1 Ом

      S93-1 (E2) - J3-21 (ETHB)

      Питание выключено

      Менее 1 Ом

      Номинальное сопротивление (при проверке на короткое замыкание)

      Подключение диагностического прибора

      Условие

      Заданные условия

      J3-20 (THB) или S93-2 (THB) - масса и другие контакты

      Питание выключено

      10 кОм или более

      J3-21 (E2) или S93-1 (ETHB) - масса и другие контакты

      Питание выключено

      10 кОм или более

    4. Подсоедините разъем J3 ЭБУ гибридной системы.

    5. Подсоедините разъем S93 термистора в сборе.

    Результат

    Перейти к

    OK

    НЕ СООТВ.

    OK

    ЗАМЕНИТЕ ЭБУ ГИБРИДНОЙ СИСТЕМЫ В СБОРЕ

    Нажмите здесьClick here

    NG

    ОТРЕМОНТИРУЙТЕ ИЛИ ЗАМЕНИТЕ ЖГУТ ПРОВОДОВ ИЛИ РАЗЪЕМ