STOP AND START SYSTEM STA Signal Circuit

DESCRIPTION

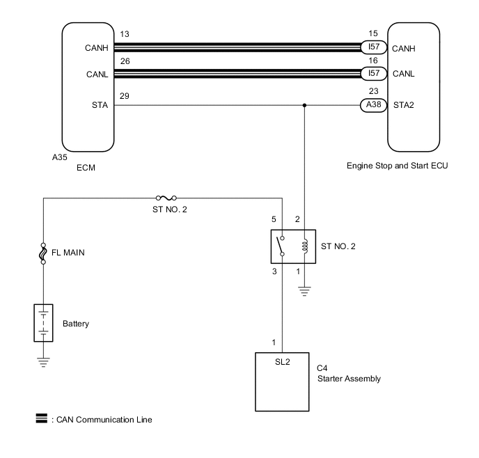
While the engine is being cranked, a starter operation request signal is sent to terminal STA of the ECM.

Tech Tips

If there is an open in the STA circuit of the ECM, stop and start control will be prohibited after the third time the engine is started by stop and start control.


  • Stop and start control will be prohibited until the engine switch is turned off.

  • The MIL will not illuminate.

  • If there is an open in the STA circuit of the ECM, the engine can still be started using the engine switch, as the ECM also receives the starter operation request signal from the engine stop and start ECU via CAN communication. (Stop and start control is prohibited as the reliability of the signal sent via CAN communication cannot be assured while the voltage drops during operation of the starter assembly.)

B008H6FE05

WIRING DIAGRAM

B008HNRE01

PROCEDURE


  1. READ VALUE USING GTS (STARTER SW OR STARTER SIGNAL)


    1. Connect the GTS to the DLC3.

    2. Turn the engine switch on (IG).

    3. Turn the GTS on.

    4. for 8AR-FTS:

      Enter the following menus: Powertrain / Engine / Data List / Starter SW.


      Powertrain > Engine > Data List
      Tester Display
      Starter SW

      for 3ZR-FAE:

      Enter the following menus: Powertrain / Engine and ECT / Data List / Starter Signal.


      Powertrain > Engine and ECT > Data List
      Tester Display
      Starter Signal
    5. Read the values displayed on the GTS when the engine switch is on (IG) and on (START).

      OK
      Tester Display Condition Normal Condition
      Starter SW or Starter Signal Engine switch on (IG) OFF
      Engine switch on (START) ON
      Result
      Proceed to
      OK
      NG

    OK
    NG
  2. CHECK HARNESS AND CONNECTOR (ECM - ST NO. 2 RELAY)


    1. Disconnect the A35 ECM connector.

    2. Remove the ST NO. 2 relay from No. 2 engine room relay block and junction block.

    3. Disconnect the A38 engine stop and start ECU connector.

    4. Measure the resistance according to the value(s) in the table below.

      Standard Resistance
      Tester Connection Condition Specified Condition
      A35-29 (STA) - ST NO. 2 relay terminal 2 Always Below 1 Ω
      Result
      Proceed to
      OK
      NG

    OK
    NG