ENTRY AND START SYSTEM(for Start Function) Power Source Mode does not Change to ON (IG and ACC)

DESCRIPTION

When the key is in the vehicle and the power switch is pressed, the certification ECU (smart key ECU assembly) receives a signal and changes the power source mode.

Tech Tips


  • When the certification ECU (smart key ECU assembly) is replaced with a new one and the cable is connected to the negative (-) auxiliary battery terminal, the power source mode changes to on (IG).

  • When the auxiliary battery cable is disconnected and reconnected, the power source returns to the mode it was in before the auxiliary battery cable was disconnected.

WIRING DIAGRAM

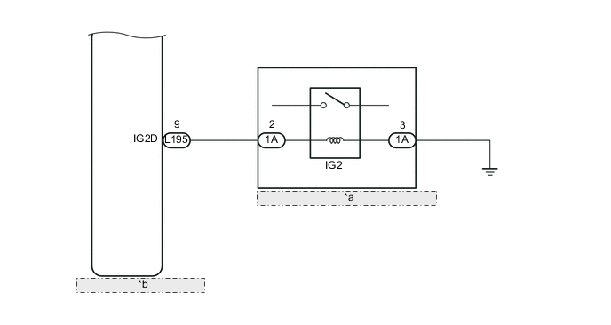
A005D28E03
A005EPIE31
*a No.2 Integration Relay (Engine Room Relay Block and Junction Block Assembly)
*b Certification ECU (Smart Key ECU Assembly)

CAUTION / NOTICE / HINT

Note


  • Make sure that no DTCs are output. If any DTCs are output, proceed to the Diagnostic Trouble Code Chart Click here.

  • The entry and start system uses multiplex communication. First perform the inspections in "How to Proceed with Troubleshooting" to confirm that there are no communication malfunctions before proceeding with troubleshooting Click here.

  • If the entry and start system is disabled through the customize function, enable the system before performing troubleshooting Click here.

  • Inspect the fuses for circuits related to this system before performing the following inspection procedure.

  • After completing repairs, confirm that the problem does not occur.

Tech Tips

Related Data List and Active Test Items
Problem Symptom Data List Item Active Test Item
Power source mode does not change to on (IG) or on (ACC)

    Power Source Control

  • Start Switch1

  • Start Switch2

  • Power Supply Condition

  • IG1 Relay Monitor(Inside)

  • IG2 Relay Monitor(Inside)

  • IG1 Relay Monitor(Outside)

  • IG2 Relay Monitor(Outside)

  • Latch Circuit

  • ACC Relay Monitor

  • Key Certif Wait T-Out

-

PROCEDURE


  1. CHECK WIRELESS DOOR LOCK CONTROL SYSTEM


    1. Check the wireless door lock function by operating the electrical key transmitter sub-assembly (See pge Click here).

      OK
      Wireless door lock function operates.

    NG
    OK
  2. CHECK HARNESS AND CONNECTOR (POWER SOURCE)


    1. Disconnect the L195 certification ECU (smart key ECU assembly) connector.

    2. B005XWEE02
      Text in Illustration
      *a

      Rear view of wire harness connector

      (to Certification ECU (Smart Key ECU Assembly))

      Measure the voltage according to the value(s) in the table below.

      Standard Voltage
      Tester Connection Condition Specified Condition
      L195-2 (+B) - Body ground Power switch off 11 to 14 V

    NG
    OK
  3. CHECK HARNESS AND CONNECTOR (GROUND)


    1. B005Z0KE02
      Text in Illustration
      *a

      Rear view of wire harness connector

      (to Certification ECU (Smart Key ECU Assembly))

      Measure the resistance according to the value(s) in the table below.

      Standard Resistance
      Tester Connection Condition Specified Condition
      L195-11 (E) - Body ground Always Below 1 Ω

    NG
    OK
  4. CHECK ENTRY AND START SYSTEM


    1. Remove the transmitter battery from the electrical key transmitter sub-assembly Click here.

    2. A005CH6E08
      Text in Illustration
      *1 Power Switch
      *2 Electrical Key Transmitter Sub-assembly

      With the brake pedal depressed, hold the electrical key transmitter sub-assembly near the power switch and check if the power source mode changes.

      OK
      The power source mode changes.

      Tech Tips

      If the power source mode changes, the cabin verification is malfunctioning.

      Result
      Result Proceed to
      The power source mode does not change A
      The power source mode changes. B

    B
    A
  5. READ VALUE USING GTS (STOP LIGHT SWITCH1)


    1. Connect the Techstream to the DLC3.

    2. Turn the Techstream on.

    3. Enter the following menus: Body Electrical / Power Source Control / Data List.

    4. Read the Data List according to the display on the GTS.

      Body Electrical > Power Source Control > Data List
      Tester Display Measurement Item Range Normal Condition Diagnostic Note
      Stop Light Switch1 State of brake pedal ON or OFF

      ON: Brake pedal depressed

      OFF: Brake pedal released


      • Use this item to determine whether the stop light switch is malfunctioning

      • The hybrid control system cannot be started when this item is OFF.

      • When this item is malfunctioning , the hybrid control system can be started by pressing and holding the power switch for a certain period of time.

      OK
      The Techstream display changes correctly in response to the brake pedal operation.

    NG
    OK
  6. READ VALUE USING GTS (POWER SUPPLY CONDITION)


    1. Read the Data List according to the display on the Techstream.

    2. With the power switch off and brake pedal depressed, hold the electrical key transmitter sub-assembly near the power switch for 2 seconds or more and read the Data List.

      Body Electrical > Power Source Control > Data List
      Tester Display Measurement Item Range Normal Condition Diagnostic Note
      Power Supply Condition Power supply state IG2 ON, ST ON, All OFF, IG1 ON or ACC ON

      All OFF: Power switch off (ACC and IG)

      ACC ON: Power switch on (ACC)

      IG1 ON: Power switch on (IG) (IG1 relay on)

      IG2 ON: Power switch on (IG) (IG2 relay on)

      ST ON: Sending hybrid control system start request signal

      Since the IG1 and IG2 relays turn on at approximately the same time, IG1 ON may not be displayed (the IG1 relay turns on for a very short time).
      OK
      IG2 ON is displayed on the Techstream screen.

      Tech Tips

      If the smart entry and start system (for Start Function) has been canceled on the customization menu, ACC ON is displayed on the Techstream screen.


    NG
    OK
  7. CHECK CERTIFICATION ECU (SMART KEY ECU ASSEMBLY)


    1. Read the Data List according to the display on the Techstream.

      Body Electrical > Power Source Control > Data List
      Tester Display Measurement Item Range Normal Condition Diagnostic Note
      Power Supply Condition State of power supply IG2 ON, ST ON, All OFF, IG1 ON or ACC ON

      All OFF: Power switch off (power supply off)

      ACC ON: Power switch on (ACC) (ACC relay on)

      IG1 ON: Power switch on (IG) (IG1 relay on)

      IG2 ON: Power switch on (IG) (IG2 relay on)

      ST ON: Starting hybrid control systeml

      Since IG1 ON and IG2 ON turn "on" at approximately the same time, IG1 ON may not be displayed (IG1 ON turns on for a very short time).
    2. Measure the voltage while reading the Data List on the Techstream.

      A005D2EE02
      Text in Illustration
      *a

      Component with harness connected

      (Certification ECU (Smart Key ECU Assembly))

      - -
      Standard Voltage
      Tester Connection Condition Specified Condition
      L197-6 (IG1D) - Body ground Power switch off 1 V or less
      Power switch on (ACC) 1 V or less
      Power switch on (IG) 9 V or higher
      L195-9 (IG2D) - Body ground Power switch off 1 V or less
      Power switch on (ACC) 1 V or less
      Power switch on (IG) 9 V or higher
      EL197-4 (ACCD) - Body ground Power switch off 1 V or less
      Power switch on (IG) 8.5 V or higher
      Power switch on (ACC) 8.5 V or higher

    OK
    NG
  8. CHECK FOR DTC


    1. Enter the following menus: Body Electrical / Smart Key / Trouble Codes.

    2. Check for DTCs.

      Result
      Result Proceed to

      The following DTCs are not output:


      • B2785

      • B2784

      • B278A

      A

      The following DTCs are output:


      • B2784

      • B278A

      B

      The following DTCs are not output:


      • B2785

      C

    A
    B
    C
  9. CHECK HARNESS AND CONNECTOR (STOP LIGHT SWITCH - POWER SOURCE AND GRAND)


    1. w/o Dynamic Radar Cruise Control System


      1. A005AATE02
        *a

        Front view of wire harness connector

        (to Stop Light Switch Assembly)

        Disconnect the A80 stop light switch assembly connector.

      2. Measure the voltage according to the value(s) in the table below.

        Standard Voltage
        Tester Connection Condition Specified Condition
        A80-1 (B) - Body ground Power switch off 11 to 14 V
      3. Measure the resistance according to the value(s) in the table below.

        Standard Resistance
        Tester Connection Condition Specified Condition
        A80-3 (GND) - Body ground Always Below 1 Ω
    2. w/ Dynamic Radar Cruise Control System


      1. A005DOBE02
        *a

        Front view of wire harness connector

        (to Stop Light Switch Assembly)

        Disconnect the A79 stop light switch assembly connector.

      2. Measure the voltage according to the value(s) in the table below.

        Standard Voltage
        Tester Connection Condition Specified Condition
        A79-7 (B) - Body ground Power switch off 11 to 14 V
      3. Measure the resistance according to the value(s) in the table below.

        Standard Resistance
        Tester Connection Condition Specified Condition
        A79-2 (GND) - Body ground Always Below 1 Ω

    NG
    OK
  10. CHECK HARNESS AND CONNECTOR (CERTIFICATION ECU - STOP LIGHT SWITCH)


    1. Disconnect the A79*1 or A80*2 stop light switch assembly connector.

    2. A005EVIE02
      Text in Illustration
      *a

      Rear view of wire harness connector

      (to Certification ECU (Smart Key ECU Assembly))

      Measure the resistance according to the value(s) in the table below.

      Standard Resistance
      Tester Connection Condition Specified Condition
      L195-18 (STP1) - A79-1 (OUT)*1 Always Below 1 Ω
      L195-18 (STP1) - A80-2 (OUT)*2 Always Below 1 Ω
      L195-18 (STP1) or A79-1 (OUT) - Body ground*1 Always 10 kΩ or higher
      L195-18 (STP1) or A80-2 (OUT) - Body ground*1 Always 10 kΩ or higher
    3. Reconnect the A79*1 or A80*2 stop light switch assembly connector.

    4. Measure the voltage according to the value(s) in the table below.

      Standard Voltage
      Tester Connection Condition Specified Condition
      L195-18 (STP1) - Body ground Brake pedal released 1 V or less
      Brake pedal depressed 9 V or higher

      • *1: w/ Dynamic Radar Cruise Control System

      • *2: w/o Dynamic Radar Cruise Control System


    NG
    OK
  11. INSPECT STOP LIGHT SWITCH ASSEMBLY


    1. Inspect the stop light switch assembly Click here.


    OK
    NG
  12. READ VALUE USING GTS (START SWITCH1, START SWITCH2)


    1. Connect the Techstream to the DLC3.

    2. Turn the Techstream on.

    3. Enter the following menus: Body Electrical / Power Source Control / Data List.

    4. Read the Data List according to the display on the Techstream.

      Body Electrical > Power Source Control > Data List
      Tester Display Measurement Item Range Normal Condition Diagnostic Note
      Start Switch1 Power switch 1 status ON or OFF

      ON: Power switch pressed

      OFF: Power switch not pressed


      • If the power switch is pressed for a short time, the display may not change.

      • Use this item to determine whether the power switch input signal is malfunctioning

      Start Switch2 Power switch 2 status ON or OFF

      ON: Power switch pressed

      OFF: Power switch not pressed


      • Backup for power switch 1. However, when the power switch is pressed and held, the control functions only when both power switch 1 and 2 are normal.

      • Behaves the same way as power switch 1.

      OK
      The Techstream display changes correctly in response to the power switch operation.

    OK
    NG
  13. INSPECT POWER SWITCH


    1. Remove the power switch.

    2. Inspect the power switch.


    NG
    OK
  14. CHECK HARNESS AND CONNECTOR (CERTIFICATION ECU - POWER SWITCH)


    1. Disconnect the L197 certification ECU (smart key ECU assembly) connector.

    2. Disconnect the L194 power switch connector.

    3. Measure the resistance according to the value(s) in the table below.

      Standard Resistance
      Tester Connection Condition Specified Condition
      L197-28 (SSW1) - L194-5 (SS1) Always Below 1 Ω
      L197-30 (SSW2) - L194-1 (SS2) Always Below 1 Ω
      L197-28 (SSW1) or L194-5 (SS1) - Body ground Always 10 kΩ or higher
      L197-30 (SSW2) or L194-1 (SS2) - Body ground Always 10 kΩ or higher

    OK
    NG