АУДИОВИЗУАЛЬНАЯ СИСТЕМА (для моделей с радиоприемником) Цепь динамика

ОПИСАНИЕ

Радиоприемник посылает звуковые сигналы к динамикам.

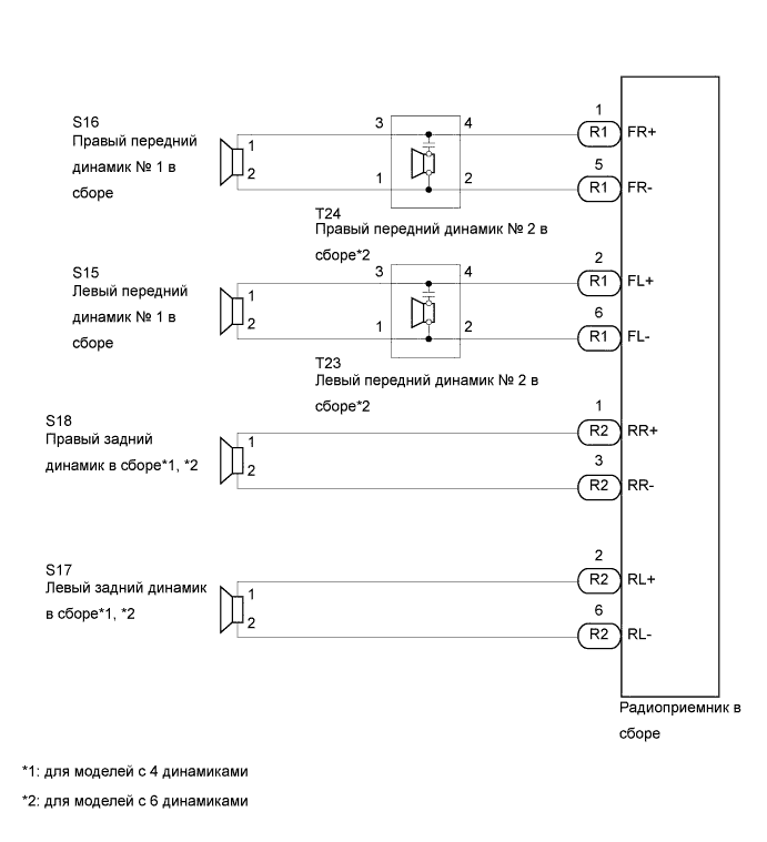
СХЕМА СОЕДИНЕНИЙ

A01E002E15

ПОСЛЕДОВАТЕЛЬНОСТЬ ПРОВЕРКИ

ПОРЯДОК ВЫПОЛНЕНИЯ


  1. ПРОВЕРЬТЕ ДИНАМИК


    1. Определите неисправные динамики.

      Результат
      Результат Перейти к
      Неисправность в переднем динамике (для моделей с 6 динамиками) А
      Неисправность в переднем динамике (кроме моделей с 6 динамиками) B
      Неисправность в заднем динамике (кроме моделей с 2 динамиками) C

    B
    C
    А
  2. ПРОВЕРЬТЕ ПЕРЕДНИЙ БОКОВОЙ ДИНАМИК


    1. Определите неисправные динамики.

      Результат
      Результат Перейти к
      Передний динамик № 2 А
      Передний динамик № 1 B

    B
    А
  3. ПРОВЕРЬТЕ ПЕРЕДНИЙ ДИНАМИК № 2 В СБОРЕ


    1. Временно замените динамик новым или заведомо исправным (см. стр. Click here).

    2. Убедитесь в исчезновении неисправности.

      Tech Tips


      • Подсоедините все разъемы к динамикам.

      • Если возможна неисправность левого или правого динамика, проверка осуществляется путем замены правого динамика на левый, а левого – на правый.

      Результат
      Результат Перейти к
      Неисправность не пропадает А
      Неисправность исчезла B

    B
    А
  4. ПРОВЕРЬТЕ ЖГУТ И РАЗЪЕМ (РАДИОПРИЕМНИК - ПЕРЕДНИЙ ДИНАМИК № 2)


    1. Отсоедините разъем R1 радиоприемника.

    2. Отсоедините разъем T24*1 и/или T23*2 динамика.


      • *1: Для правой стороны

      • *2: Для левой стороны

    3. Измерьте сопротивление в соответствии со значениями, приведенными в таблице ниже.

      Номинальное сопротивление
      Для правой стороны
      Контакты для подключения диагностического прибора Условие Заданные условия
      R1-1 (FR+) - T24-4 Всегда Менее 1 Ом
      R1-5 (FR-) - T24-2
      R1-1 (FR+) - масса Всегда 10 кОм или более
      R1-5 (FR-) - масса
      Для левой стороны
      Контакты для подключения диагностического прибора Условие Заданные условия
      R1-2 (FL+) - T23-4 Всегда Менее 1 Ом
      R1-6 (FL-) - T23-2
      R1-2 (FL+) - масса Всегда 10 кОм или более
      R1-6 (FL-) - масса

    NG
    OK
  5. ПРОВЕРЬТЕ ПЕРЕДНИЙ ДИНАМИК № 1 В СБОРЕ


    1. A01E048

      Отсоедините разъем S16*1 и/или S15*2 динамика.


      • *1: Для правой стороны

      • *2: Для левой стороны

    2. Измерьте сопротивление в соответствии со значениями, приведенными в таблице ниже.

      Номинальное сопротивление
      Контакты для подключения диагностического прибора Условие Заданные условия
      1 - 2 Всегда 4 Ом
      Результат
      Результат Перейти к
      OK (для моделей с 6 динамиками) А
      OK (кроме моделей с 6 динамиками) B
      NG C

    B
    C
    А
  6. ПРОВЕРЬТЕ ЖГУТ ПРОВОДОВ И РАЗЪЕМ (ПЕРЕДНИЙ ДИНАМИК № 2 – ПЕРЕДНИЙ ДИНАМИК № 1)


    • *1: Для правой стороны

    • *2: Для левой стороны


    1. Отсоедините разъем T24*1 и/или T23*2 динамика.

    2. Отсоедините разъем S16*1 и/или S15*2 динамика.

    3. Измерьте сопротивление в соответствии со значениями, приведенными в таблице ниже.

      Номинальное сопротивление
      Для правой стороны
      Контакты для подключения диагностического прибора Условие Заданные условия
      T24-3 (+) - S16-1 Всегда Менее 1 Ом
      T24-1 (-) - S16-2
      T24-3 (+) - масса Всегда 10 кОм или более
      T24-1 (-) - масса
      Для левой стороны
      Контакты для подключения диагностического прибора Условие Заданные условия
      T23-3 (+) - S15-1 Всегда Менее 1 Ом
      T23-1 (-) - S15-2
      T23-3 (+) - масса Всегда 10 кОм или более
      T23-1 (-) - масса

    NG
    OK
  7. ПРОВЕРЬТЕ ЖГУТ И РАЗЪЕМ (РАДИОПРИЕМНИК - ПЕРЕДНИЙ ДИНАМИК № 1)


    1. Отсоедините разъем R1 радиоприемника.

    2. Отсоедините разъем S16*1 и/или S15*2 динамика.


      • *1: Для правой стороны

      • *2: Для левой стороны

    3. Измерьте сопротивление в соответствии со значениями, приведенными в таблице ниже.

      Номинальное сопротивление
      Для правой стороны
      Контакты для подключения диагностического прибора Условие Заданные условия
      R1-1 (FR+) - S16-1 Всегда Менее 1 Ом
      R1-5 (FR-) - S16-2
      R1-1 (FR+) - масса Всегда 10 кОм или более
      R1-5 (FR-) - масса
      Для левой стороны
      Контакты для подключения диагностического прибора Условие Заданные условия
      R1-2 (FL+) - S15-1 Всегда Менее 1 Ом
      R1-6 (FL-) - S15-2
      R1-2 (FL+) - масса Всегда 10 кОм или более
      R1-6 (FL-) - масса

    NG
    OK
  8. ПРОВЕРЬТЕ ЗАДНИЙ ДИНАМИК В СБОРЕ


    1. A01E048

      Отсоедините разъем S18*1 и/или S17*2 динамика.


      • *1: Для правой стороны

      • *2: Для левой стороны

    2. Измерьте сопротивление в соответствии со значениями, приведенными в таблице ниже.

      Номинальное сопротивление
      Контакты для подключения диагностического прибора Условие Заданные условия
      1 - 2 Всегда 4 Ом

    NG
    OK
  9. ПРОВЕРЬТЕ ЖГУТ ПРОВОДОВ И РАЗЪЕМ (РАДИОПРИЕМНИК - ЗАДНИЙ ДИНАМИК)


    1. Отсоедините разъем R2 радиоприемника.

    2. Отсоедините разъем S18*1 и/или S17*2 динамика.


      • *1: Для правой стороны

      • *2: Для левой стороны

    3. Измерьте сопротивление в соответствии со значениями, приведенными в таблице ниже.

      Номинальное сопротивление
      Для правой стороны
      Контакты для подключения диагностического прибора Условие Заданные условия
      R2-1 (RR+) - S18-1 Всегда Менее 1 Ом
      R2-3 (RR-) - S18-2
      R2-1 (RR+) - масса Всегда 10 кОм или более
      R2-3 (RR-) - масса
      Для левой стороны
      Контакты для подключения диагностического прибора Условие Заданные условия
      R2-2 (RL+) - S17-1 Всегда Менее 1 Ом
      R2-6 (RL-) - S17-2
      R2-2 (RL+) - масса Всегда 10 кОм или более
      R2-6 (RL-) - масса

    NG
    OK