SEAT HEATER SYSTEM Seat Heater for Rear Left Seat does not Operate

DESCRIPTION

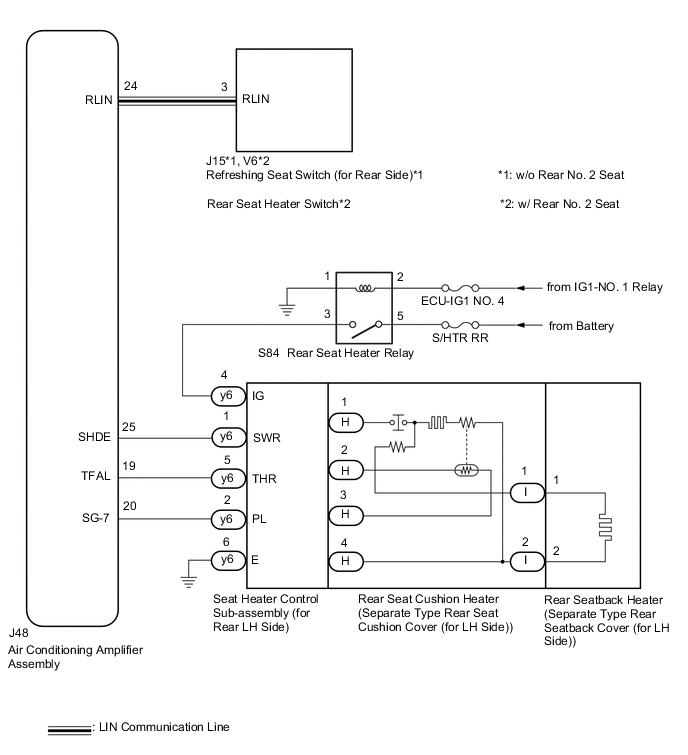
When the refreshing seat switch (for rear side)*1 or rear seat heater switch*2 is operated, the air conditioning amplifier assembly receives the signal and operates the seat heater for the corresponding rear seat.


WIRING DIAGRAM

B007ZEHE02

CAUTION / NOTICE / HINT

Note


  • If the battery voltage is low, the seat heater system may not operate. If "Operation of Electrical Items Restricted." is displayed on the multi-information display in the combination meter assembly, inspect the battery, referring to On-vehicle Inspection of Charging System.

    Click here

  • If the battery voltage is low, the seat heater system may not operate. If "Operation of Electrical Items Restricted." is not displayed on the multi-information display in the combination meter assembly, check the Data List item "Battery Control Count (Body ECU)".

    Click here

  • Inspect the fuses for circuits related to this system before performing the following procedure.

PROCEDURE


  1. CLEAR DTC


    1. Clear the DTCs.

      Click here


      Body Electrical > Air Conditioner > Clear DTCs
      Result
      Proceed to
      NEXT

    NEXT
  2. CHECK FOR DTC


    1. Check for DTCs.

      Click here


      Body Electrical > Air Conditioner > Trouble Codes
      OK
      DTC B14B3 or B14C3 is not output.
      Result
      Proceed to
      OK
      NG

    NG
    OK
  3. CHECK HARNESS AND CONNECTOR (IG POWER SUPPLY - SEAT HEATER CONTROL SUB-ASSEMBLY (FOR REAR LH SIDE) - BODY GROUND)


    1. B007YACC11
      *a

      Front view of wire harness connector

      (to Seat Heater Control Sub-assembly (for Rear LH Side))

      Disconnect the y6 seat heater control sub-assembly (for rear LH side) connector.

    2. Measure the voltage and resistance according to the value(s) in the table below.

      Standard Voltage
      Tester Connection Condition Specified Condition
      y6-4 (IG) - Body ground Engine switch on (IG) 11 to 14 V
      y6-4 (IG) - Body ground Engine switch off Below 1 V
      Standard Resistance
      Tester Connection Condition Specified Condition
      y6-6 (E) - Body ground Always Below 1 Ω
      Result
      Proceed to
      OK
      NG

    NG
    OK
  4. INSPECT REAR SEAT CUSHION HEATER (SEPARATE TYPE REAR SEAT CUSHION COVER (FOR LH SIDE))


    1. Remove the rear seat cushion heater (separate type rear seat cushion cover (for LH side)).

      Click here

    2. Inspect the rear seat cushion heater (separate type rear seat cushion cover (for LH side)).

      Click here

      Result
      Proceed to
      OK
      NG

    NG
    OK
  5. INSPECT REAR SEATBACK HEATER (SEPARATE TYPE REAR SEATBACK COVER (FOR LH SIDE))


    1. Remove the rear seatback heater (separate type rear seatback cover (for LH side)).

      Click here

    2. Inspect the rear seatback heater (separate type rear seatback cover (for LH side)).

      Click here

      Result
      Proceed to
      OK
      NG

    NG
    OK
  6. CHECK HARNESS AND CONNECTOR (AIR CONDITIONING AMPLIFIER ASSEMBLY - SEAT HEATER CONTROL SUB-ASSEMBLY (FOR REAR LH SIDE))


    1. Disconnect the J48 air conditioning amplifier assembly connector.

    2. Measure the resistance according to the value(s) in the table below.

      Standard Resistance
      Tester Connection Condition Specified Condition
      J48-25 (SHDE) - y6-1 (SWR) Always Below 1 Ω
      J48-25 (SHDE) or y6-1 (SWR) - Body ground Always 10 kΩ or higher
      J48-19 (TFAL) - y6-5 (THR) Always Below 1 Ω
      J48-19 (TFAL) or y6-5 (THR) - Body ground Always 10 kΩ or higher
      J48-20 (SG-7) - y6-2 (PL) Always Below 1 Ω
      J48-20 (SG-7) or y6-2 (PL) - Body ground Always 10 kΩ or higher
      Result
      Proceed to
      OK
      NG

    NG
    OK
  7. REPLACE SEAT HEATER CONTROL SUB-ASSEMBLY (FOR REAR LH SIDE)


    1. Temporarily replace the seat heater control sub-assembly (for rear LH side) with a new or known good one.

      Click here

      Result
      Proceed to
      NEXT

    NEXT
  8. CHECK SEAT HEATER OPERATION


    1. Check the operation of the rear seat heater.

      Click here

      OK
      The seat heater operates normally.
      Result
      Result Proceed to
      OK A
      NG (w/o Rear No. 2 Seat) B
      NG (w/ Rear No. 2 Seat) C

    A
    C
    B
  9. REPLACE REFRESHING SEAT SWITCH (FOR REAR SIDE)


    1. Temporarily replace the refreshing seat switch (for rear side) with a new or known good one.

      Click here

      Result
      Proceed to
      NEXT

    NEXT
  10. CHECK SEAT HEATER OPERATION


    1. Check the operation of the rear seat heater.

      Click here

      OK
      The seat heater operates normally.
      Result
      Proceed to
      OK
      NG

    OK
    NG
  11. REPLACE REAR SEAT HEATER SWITCH


    1. Temporarily replace the rear seat heater switch with a new or known good one.

      Click here

      Result
      Proceed to
      NEXT

    NEXT
  12. CHECK SEAT HEATER OPERATION


    1. Check the operation of the rear seat heater.

      Click here

      OK
      The seat heater operates normally.
      Result
      Proceed to
      OK
      NG

    OK
    NG
  13. INSPECT REAR SEAT HEATER RELAY


    1. Inspect the rear seat heater relay.

      Click here

      Result
      Proceed to
      OK
      NG

    NG
    OK
  14. CHECK HARNESS AND CONNECTOR (IG POWER SUPPLY - REAR SEAT HEATER RELAY)


    1. Measure the voltage according to the value(s) in the table below.

      Standard Voltage
      Tester Connection Condition Specified Condition
      S84-2 - Body ground Engine switch on (IG) 11 V to 14 V
      S84-5 - Body ground Always 11 V to 14 V
      Result
      Proceed to
      OK
      NG

    NG
    OK
  15. CHECK HARNESS AND CONNECTOR (REAR SEAT HEATER RELAY - SEAT HEATER CONTROL SUB-ASSEMBLY (FOR REAR LH SIDE))


    1. Disconnect the y6 seat heater control sub-assembly (for rear LH side) connector.

    2. Measure the resistance according to the value(s) in the table below.

      Standard Resistance
      Tester Connection Condition Specified Condition
      S84-3 - y6-4 (IG) Always Below 1 Ω
      S84-3 or y6-4 (IG) - Body ground Always 10 kΩ or higher
      Result
      Proceed to
      OK
      NG

    NG
    OK
  16. CHECK HARNESS AND CONNECTOR (REAR SEAT HEATER RELAY - BODY GROUND)


    1. Measure the resistance according to the value(s) in the table below.

      Standard Resistance
      Tester Connection Condition Specified Condition
      S84-1 - Body ground Always Below 1 Ω
      Result
      Proceed to
      OK
      NG

    OK
    NG