CAN COMMUNICATION SYSTEM(for LHD) Certification ECU Communication Stop Mode

DTC Code DTC Name
Certification ECU Communication Stop Mode

DESCRIPTION

Detection Item

Symptoms

Trouble Area

Certification ECU Communication Stop Mode

Either condition is met:

  • Communication stop for "Certification (Smart)" is indicated on the "Communication Bus Check" screen of the GTS.

    Click hereClick hereClick here

  • Communication system DTCs (DTCs that start with U) that are output correspond to "Certification ECU Communication Stop Mode" in "DTC Combination Table".

    Click hereClick hereClick here

  • Power source or inside certification ECU (smart key ECU assembly)

  • Certification ECU (smart key ECU assembly) CAN branch wire or connector

  • Certification ECU (smart key ECU assembly)

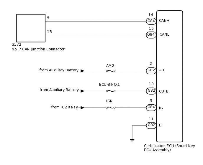
WIRING DIAGRAM

C262771E08

CAUTION / NOTICE / HINT

Note:
  • Because the order of diagnosis is important to allow correct diagnosis, make sure to begin troubleshooting using How to Proceed with Troubleshooting when CAN communication system related DTCs are output.

    Click here

  • Before measuring the resistance of the CAN bus, turn the power switch off and leave the vehicle for 1 minute or more without operating the key, switches or opening or closing the doors. After that, disconnect the cable from the negative (-) auxiliary battery terminal and leave the vehicle for 1 minute or more before measuring the resistance.

  • After turning the power switch off, waiting time may be required before disconnecting the cable from the auxiliary battery terminal. Therefore, make sure to read the disconnecting the cable from the auxiliary battery terminal notice before proceeding with work.

    Click hereClick hereClick hereClick here

  • Inspect the fuses for circuits related to this system before performing the following procedure.

  • DTC check procedure: Turn the power switch on (IG) and wait at least 20 seconds.

  • After the repair, perform CAN Bus Check and check that all the ECUs and sensors connected to the CAN communication system are displayed.

    Click hereClick hereClick here

Tip:
  • Operating the power switch, any switches or any doors triggers related ECU and sensor communication with the CAN, which causes resistance variation.

  • Even after DTCs are cleared, if a DTC is stored again after driving the vehicle for a while, the malfunction may be occurring due to vibration of the vehicle. In such a case, wiggling the ECUs or wire harness while performing the inspection below may help determine the cause of the malfunction.

PROCEDURE

  1. CHECK FOR OPEN IN CAN BUS WIRE (CERTIFICATION ECU CAN BRANCH WIRE)

    1. C277454C03

      *a

      Front view of wire harness connector

      (to Certification ECU [Smart Key ECU Assembly])

      Disconnect the cable from the negative (-) auxiliary battery terminal.

    2. Disconnect the certification ECU (smart key ECU assembly) connector.

    3. Measure the resistance according to the value(s) in the table below.

      Standard Resistance

      Tester Connection

      Condition

      Specified Condition

      G84-14 (CANH) - G84-15 (CANL)

      Cable disconnected from negative (-) auxiliary battery terminal

      54 to 69 Ω

    Result

    Proceed to

    OK

    NG

    NG

    REPAIR OR REPLACE CERTIFICATION ECU CAN BRANCH WIRE OR CONNECTOR (CANH, CANL)

    OK
  2. CHECK HARNESS AND CONNECTOR (CERTIFICATION ECU - BATTERY AND BODY GROUND)

    1. C277455C05

      *a

      Front view of wire harness connector

      (to Certification ECU [Smart Key ECU Assembly])

      Connect the cable to the negative (-) auxiliary battery terminal.

      Note:

      When disconnecting the cable, some systems need to be initialized after the cable is reconnected.

      Click hereClick hereClick here

    2. Disconnect the certification ECU (smart key ECU assembly) connector.

    3. Measure the voltage according to the value(s) in the table below.

      Standard Voltage

      Tester Connection

      Switch Condition

      Specified Condition

      G82-2 (+B) - Body ground

      Power switch off

      11 to 14 V

      G82-10 (CUTB) - Body ground

      Power switch off

      11 to 14 V

      G84-5 (IG) - Body ground

      Power switch on (IG)

      11 to 14 V

    4. Measure the resistance according to the value(s) in the table below.

      Standard Resistance

      Tester Connection

      Condition

      Specified Condition

      G82-11 (E) - Body ground

      Always

      Below 1 Ω

    Result

    Proceed to

    OK

    NG

    OK

    REPLACE CERTIFICATION ECU (SMART KEY ECU ASSEMBLY)

    NG

    REPAIR OR REPLACE HARNESS OR CONNECTOR