АУДИОВИЗУАЛЬНАЯ СИСТЕМА (для моделей с радиоприемником) Цепь питания радиоприемника

ОПИСАНИЕ

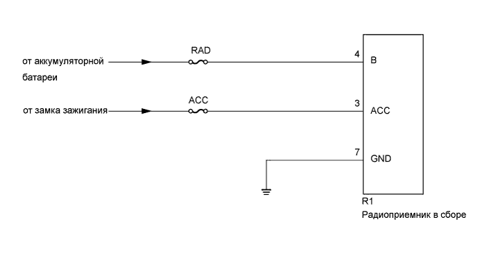
Данная цепь обеспечивает питание для радиоприемника.

СХЕМА СОЕДИНЕНИЙ

A01DVF8E15

ПОСЛЕДОВАТЕЛЬНОСТЬ ПРОВЕРКИ

Note

Перед выполнением следующей процедуры проверки проверьте предохранители цепей, относящихся к данной системе.

ПОРЯДОК ВЫПОЛНЕНИЯ


  1. ПРОВЕРЬТЕ ЖГУТ ПРОВОДОВ И РАЗЪЕМ (РАДИОПРИЕМНИК – АККУМУЛЯТОРНАЯ БАТАРЕЯ И МАССА)


    1. A01DV9LE23
      Обозначения на рисунке
      *a

      Вид спереди разъема со стороны жгута проводов:

      (к радиоприемнику в сборе)

      Отсоедините разъем R1 радиоприемника.

    2. Измерьте сопротивление в соответствии со значениями, приведенными в таблице ниже.

      Номинальное сопротивление
      Контакты для подключения диагностического прибора Режим Заданные условия
      R1-7 (GND) - масса Всегда Менее 1 Ом
    3. Измерьте напряжение в соответствии со значениями, приведенными в таблице.

      Номинальное напряжение
      Контакты для подключения диагностического прибора Режим Заданные условия
      R1-4 (B) - масса Всегда 11 – 14 В
      R1-3 (ACC) - масса Замок зажигания в положении ACC

    NG
    OK