СИСТЕМА УПРАВЛЕНИЯ ГИБРИДНОЙ СИСТЕМОЙ, диагностический DTC: P3108-536

Код DTC Наименование DTC
P3108-536 Нарушение связи с блоком управления системой кондиционирования

ОПИСАНИЕ

ЭБУ гибридной системы выявляет неисправности проводки в канале последовательной связи с компрессором с электродвигателем в сборе.

№ DTC

Неисправность

Условие обнаружения DTC

Неисправный участок

MIL

Индикация предупреждения

P3108-536

Нарушение связи с блоком управления системой кондиционирования

Ошибка передачи данных (от системы кондиционирования в систему управления гибридной системой):

Ошибка передачи данных от инвертора системы кондиционирования.

Несмотря на то, что передается сигнал выключения инвертора системы кондиционирования, инвертор системы кондиционирования не выключается.

(логика диагностирования за 1 поездку)

  • Жгут проводов или разъем

  • Компрессор с электродвигателем в сборе

  • ЭБУ гибридной системы в сборе

Не загорается

Главная контрольная лампа аварийного состояния:

Не загорается

Table 1. Сопутствующие параметры Data List

№ DTC

Параметры из Data List

P3108-536

  • A/C Consumption Pwr

  • Aircon Gate Status

СХЕМА ЭЛЕКТРИЧЕСКИХ СОЕДИНЕНИЙ

C280823E36

ПРЕДОСТЕРЕЖЕНИЕ / ПРИМЕЧАНИЕ / УКАЗАНИЕ

Tip:

После ремонта удалите все коды DTC и убедитесь, что коды DTC не выводятся, выполнив следующую процедуру.

  1. Подождите не менее 30 с при условии, что питание включено (READY), и система кондиционирования выключена.

  2. Включите систему кондиционирования и подождите не менее 30 с.

ПОРЯДОК ВЫПОЛНЕНИЯ

  1. ПРОВЕРЬТЕ, ВЫВОДЯТСЯ ЛИ DTC (СИСТЕМЫ КОНДИЦИОНИРОВАНИЯ)

    1. Подключите GTS к DLC3.

    2. Включите питание (IG).

    3. Войдите в следующие меню: Body Electrical / Air Conditioner / Trouble Codes.

    4. Проверьте, выводятся ли коды DTC, относящиеся к системе кондиционирования (A/C).

      Body Electrical > Air Conditioner > Trouble Codes

      Result

      Перейдите к

      DTC, относящиеся к системе кондиционирования, не выводятся.

      DTC, относящиеся к системе кондиционирования, выводятся.

    5. Выключите питание.

    DTC, относящиеся к системе кондиционирования, выводятся.

    ОБРАТИТЕСЬ К ТАБЛИЦЕ DTC (AIR CONDITIONING SYSTEM)

    Нажмите здесьClick hereClick here

    DTC, относящиеся к системе кондиционирования, не выводятся.
  2. ПРОВЕРЬТЕ ПОДКЛЮЧЕНИЕ РАЗЪЕМА (ЭБУ ГИБРИДНОЙ СИСТЕМЫ)

    Нажмите здесьClick here

    Результат

    Перейти к

    OK

    НЕ СООТВ.

    НЕ СООТВ.

    ПРОВЕРЬТЕ НАДЕЖНОСТЬ ПОДКЛЮЧЕНИЯ

    СООТВ
  3. ПРОВЕРЬТЕ ПОДКЛЮЧЕНИЕ РАЗЪЕМА (КОМПРЕССОРА С ЭЛЕКТРОДВИГАТЕЛЕМ В СБОРЕ)

    1. A371578

      Проверьте подключение разъема компрессора с электродвигателем в сборе.

      OK

      Разъем подсоединен надежно, нарушений контакта нет.

    Результат

    Перейти к

    OK

    НЕ СООТВ.

    НЕ СООТВ.

    ПРОВЕРЬТЕ НАДЕЖНОСТЬ ПОДКЛЮЧЕНИЯ

    СООТВ
  4. ПРОВЕРЬТЕ ЖГУТ ПРОВОДОВ И РАЗЪЕМ (ЦЕПЬ ПИТАНИЯ КОМПРЕССОРА С ЭЛЕКТРОДВИГАТЕЛЕМ В СБОРЕ)

    1. Отсоедините разъем D14 компрессора с электродвигателем в сборе.

    2. A211448C82

      *a

      Вид спереди разъема со стороны жгута проводов:

      (к компрессору с электродвигателем в сборе)

      Измерьте сопротивление в соответствии со значениями, приведенными в таблице ниже.

      Номинальное сопротивление

      Подключение диагностического прибора

      Условие

      Заданные условия

      D14-5 (GND) - масса

      Питание выключено

      Менее 1 Ом

    3. Включите питание (IG).

    4. Измерьте напряжение в соответствии со значениями, приведенными в таблице.

      Номинальное напряжение

      Подключение диагностического прибора

      Условие

      Заданные условия

      D14-6 (IG1) - D14-5 (GND)

      Питание включено (IG)

      11-14 В

      Note:

      Установка выключателя питания в состояние ON (ВКЛ) (IG) при отсоединенном разъеме компрессора с электродвигателем в сборе приводит к сохранению других DTC. После выполнения проверки удалите коды DTC.

    5. Выключите питание.

    6. Подсоедините разъем D14 компрессора с электродвигателем в сборе.

    Результат

    Перейти к

    OK

    НЕ СООТВ.

    НЕ СООТВ.

    ОТРЕМОНТИРУЙТЕ ИЛИ ЗАМЕНИТЕ ЖГУТ ПРОВОДОВ ИЛИ РАЗЪЕМ

    СООТВ
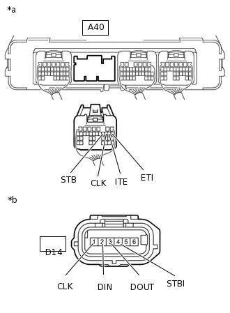
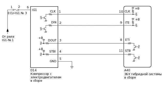
  5. ПРОВЕРЬТЕ ЖГУТ ПРОВОДОВ И РАЗЪЕМ (ЭБУ ГИБРИДНОЙ СИСТЕМЫ – КОМПРЕССОР С ЭЛЕКТРОДВИГАТЕЛЕМ В СБОРЕ)

    1. Отсоедините разъем A40 ЭБУ гибридной системы.

    2. Отсоедините разъем D14 компрессора с электродвигателем в сборе.

    3. Включите зажигание (IG).

    4. C257178C45

      *a

      Вид сзади разъема со стороны жгута проводов

      (к ЭБУ гибридной системы)

      *b

      Вид спереди разъема со стороны жгута проводов:

      (к компрессору с электродвигателем в сборе)

      Измерьте напряжение в соответствии со значениями, приведенными в таблице.

      Номинальное напряжение

      Подключение диагностического прибора

      Условие

      Заданные условия

      A40-10 (CLK) - масса

      Питание включено (IG)

      Менее 1 В

      A40-9 (ITE) - масса

      Питание включено (IG)

      Менее 1 В

      A40-8 (ETI) - масса

      Питание включено (IG)

      Менее 1 В

      A40-11 (STB) - масса

      Питание включено (IG)

      Менее 1 В

      Note:

      Установка выключателя питания в состояние ON (ВКЛ) (IG) при отсоединенных разъеме ЭБУ гибридной системы и разъеме компрессора с электродвигателем в сборе приводит к сохранению других DTC. После выполнения проверки удалите коды DTC.

    5. Выключите питание.

    6. Измерьте сопротивление в соответствии со значениями, приведенными в таблице ниже.

      Номинальное сопротивление (при проверке на обрыв)

      Подключение диагностического прибора

      Условие

      Заданные условия

      A40-10 (CLK) - D14-1 (CLK)

      Питание выключено

      Менее 1 Ом

      A40-9 (ITE) - D14-2 (DIN)

      Питание выключено

      Менее 1 Ом

      A40-8 (ETI) - D14-3 (DOUT)

      Питание выключено

      Менее 1 Ом

      A40-11 (STB) - D14-4 (STBI)

      Питание выключено

      Менее 1 Ом

      Номинальное сопротивление (при проверке на короткое замыкание)

      Подключение диагностического прибора

      Условие

      Заданные условия

      A40-10 (CLK) или D14-1 (CLK) - масса и другие контакты

      Питание выключено

      10 кОм или более

      A40-9 (ITE) или D14-2 (DIN) - масса и другие контакты

      Питание выключено

      10 кОм или более

      A40-8 (ETI) или D14-3 (DOUT) - масса и другие контакты

      Питание выключено

      10 кОм или более

      A40-11 (STB) или D14-4 (STBI) - масса и другие контакты

      Питание выключено

      10 кОм или более

    7. Подсоедините разъем D14 компрессора с электродвигателем в сборе.

    8. Подсоедините разъем A40 ЭБУ гибридной системы.

    Результат

    Перейти к

    OK

    НЕ СООТВ.

    НЕ СООТВ.

    ОТРЕМОНТИРУЙТЕ ИЛИ ЗАМЕНИТЕ ЖГУТ ПРОВОДОВ ИЛИ РАЗЪЕМ

    СООТВ
  6. ПРОВЕРЬТЕ ЭБУ ГИБРИДНОЙ СИСТЕМЫ В СБОРЕ

    1. Отсоедините разъем D14 компрессора с электродвигателем в сборе.

    2. A211448C83

      *a

      Вид спереди разъема со стороны жгута проводов:

      (к компрессору с электродвигателем в сборе)

      Измерьте сопротивление в соответствии со значениями, приведенными в таблице ниже.

      Номинальное сопротивление

      Подключение диагностического прибора

      Условие

      Заданные условия

      D14-3 (DOUT) - масса

      Питание выключено

      10 кОм или более

      D14-4 (STBI) - масса

      Питание выключено

      10 кОм или более

    3. Включите питание (IG).

    4. Измерьте напряжение в соответствии со значениями, приведенными в таблице.

      Номинальное напряжение

      Подключение диагностического прибора

      Условие

      Заданные условия

      D14-1 (CLK) - масса

      Питание включено (IG)

      11–14 В

      D14-2 (DIN) - масса

      Питание включено (IG)

      11–14 В

      D14-3 (DOUT) - масса

      Питание включено (IG)

      Менее 1 В

      D14-4 (STBI) - масса

      Питание включено (IG)

      менее 1 В

      Note:

      Установка выключателя питания в состояние ON (ВКЛ) (IG) при отсоединенном разъеме компрессора с электродвигателем в сборе приводит к сохранению других DTC. После выполнения проверки удалите коды DTC.

    5. Выключите питание.

    6. Подсоедините разъем D14 компрессора с электродвигателем в сборе.

    Результат

    Перейти к

    OK

    НЕ СООТВ.

    НЕ СООТВ.

    ЗАМЕНИТЕ ЭБУ ГИБРИДНОЙ СИСТЕМЫ В СБОРЕ

    Нажмите здесьClick hereClick hereClick here

    СООТВ
  7. ПРОВЕРЬТЕ КОМПРЕССОР С ЭЛЕКТРОДВИГАТЕЛЕМ В СБОРЕ

    1. Отсоедините разъем A40 ЭБУ гибридной системы.

    2. A348068C04

      *a

      Вид сзади разъема со стороны жгута проводов

      (к ЭБУ гибридной системы в сборе)

      Измерьте сопротивление в соответствии со значениями, приведенными в таблице ниже.

      Номинальное сопротивление

      Подключение диагностического прибора

      Условие

      Заданные условия

      A40-10 (CLK) - масса

      Питание выключено

      10 кОм или более

      A40-9 (ITE) - масса

      Питание выключено

      10 кОм или более

    3. Включите питание (IG).

    4. Измерьте напряжение в соответствии со значениями, приведенными в таблице.

      Номинальное напряжение

      Подключение диагностического прибора

      Условие

      Заданные условия

      A40-10 (CLK) - масса

      Питание включено (IG)

      Менее 1 В

      A40-9 (ITE) - масса

      Питание включено (IG)

      Менее 1 В

      A40-8 (ETI) - масса

      Питание включено (IG)

      11–14 В

      A40-11 (STB) - масса

      Питание включено (IG)

      11–14 В

      Note:

      Включение питания (IG) при отсоединенном разъеме ЭБУ гибридной системы приведет к сохранению других кодов DTC. После выполнения проверки удалите коды DTC.

    5. Выключите питание.

    6. Подсоедините разъем A40 ЭБУ гибридной системы.

    Результат

    Перейти к

    OK

    НЕ СООТВ.

    OK

    ЗАМЕНИТЕ ЭБУ ГИБРИДНОЙ СИСТЕМЫ В СБОРЕ

    Нажмите здесьClick hereClick hereClick here

    NG

    ЗАМЕНИТЕ КОМПРЕССОР С ЭЛЕКТРОДВИГАТЕЛЕМ В СБОРЕ

    Нажмите здесьClick hereClick here