HYBRID CONTROL SYSTEM, Diagnostic DTC:P0343-747

DTC Code DTC Name
P0343-747 Camshaft Position Sensor "A" Circuit High Input

DESCRIPTION

If the cam position signal pulse sent from the ECM via a direct line is abnormal, the MG ECU (built into the inverter with converter assembly) stores DTC P0343-747.

DTC No.

Detection Item

DTC Detection Condition

Trouble Area

MIL

Warning Indicate

P0343-747

Camshaft Position Sensor "A" Circuit High Input

GI signal is not input for 2 sec. or more while the engine is running.*

(1 trip detection logic)

  • SFI system

  • Inverter with converter assembly

  • ECM

  • Wire harness or connector

Does not come on

Master Warning Light:

Comes on

Tip:

*: When this DTC is stored, vibration may occur when the engine is stopped.

Table 1. Related Data List

DTC No.

ECU Data List

P0343-747

  • Crank Position

  • Engine Revolution

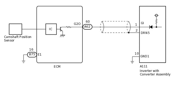
WIRING DIAGRAM

C344142E02

CAUTION / NOTICE / HINT

CAUTION:
  • Before inspecting the high-voltage system or disconnecting the low voltage connector of the inverter with converter assembly, take safety precautions such as wearing insulated gloves and removing the service plug grip to prevent electrical shocks. After removing the service plug grip, put it in your pocket to prevent other technicians from accidentally reconnecting it while you are working on the high-voltage system.

  • After removing the service plug grip, wait for at least 10 minutes before touching any of the high-voltage connectors or terminals. After waiting for 10 minutes, check the voltage at the terminals in the inspection point in the inverter with converter assembly. The voltage should be 0 V before beginning work.

    Click here

    Tip:

    Waiting for at least 10 minutes is required to discharge the high-voltage capacitor inside the inverter with converter assembly.

Note:

After turning the power switch off, waiting time may be required before disconnecting the cable from the negative (-) auxiliary battery terminal. Therefore, make sure to read the disconnecting the cable from the negative (-) auxiliary battery terminal notices before proceeding with work.

Click hereClick hereClick hereClick here

Tip:

After the repair, clear the DTCs and perform the following procedure to check that DTCs are not output.

  1. Turn the power switch on (READY).

  2. With the vehicle stopped, move the shift lever to P.

  3. Depress the accelerator pedal to start the engine.

  4. Depress the accelerator pedal and maintain the engine speed at 1000 rpm or more for 5 seconds or more.

PROCEDURE

  1. CHECK DTC OUTPUT (ENGINE AND ECT)

    1. Connect the GTS to the DLC3.

    2. Turn the power switch on (IG).

    3. Enter the following menus: Powertrain / Engine and ECT / Trouble Codes.

    4. Check for DTCs.

      Powertrain > Engine and ECT > Trouble Codes

      Result

      Result

      Proceed to

      SFI system DTCs are not output.

      A

      Any of the following DTCs are also output.

      B

      Relevant Diagnosis

      P0340

      Camshaft Position Sensor Circuit Malfunction

    5. Turn the power switch off.

    B

    GO TO DTC CHART (SFI SYSTEM)

    A
  2. CHECK DTC OUTPUT (HYBRID CONTROL)

    1. Connect the GTS to the DLC3.

    2. Turn the power switch on (IG).

    3. Enter the following menus: Powertrain / Hybrid Control / Trouble Codes.

    4. Check for DTCs.

      Powertrain > Hybrid Control > Trouble Codes

      Result

      Result

      Proceed to

      None of the following DTCs are output.

      A

      Any of the following DTCs are also output.

      B

      DTC No.

      Relevant Diagnosis

      P06B0-163

      Sensor Power Supply "A" Circuit / Open

      P06D6-511

      Sensor Reference Voltage "F" Circuit / Open

      P06E6-164

      Sensor Power Supply "C" Circuit / Open

      P0A1B-198, 786, 794

      Drive Motor "A" Control Module

      P1C2B-192

      Drive Motor "A" A/D Converter Circuit

      P1C73-512

      Sensor Standard Voltage "F" Circuit / Open

      P1CA7-193

      Drive Motor Control Module Malfunction

      P1CAD-168

      Drive Motor "A" Position Sensor Angle Malfunction

      P1CB0-795

      Drive Motor "A" Position Sensor REF Signal Cycle Malfunction

      P1CB3-796

      Drive Motor "A" Position Sensor REF Signal Stop Malfunction

      P3134-661

      Communication Error from Drive Motor "A" to Generator

      Tip:

      P0343-747 may be set due to a malfunction which also causes the DTCs in the preceding table to be set. In this case, first troubleshoot the output DTCs in the preceding table. Then, perform a test to attempt to reproduce the problems, and check that no DTCs are output.

    5. Turn the power switch off.

    B

    GO TO DTC CHART (HYBRID CONTROL SYSTEM)

    A
  3. CHECK CONNECTOR CONNECTION CONDITION (INVERTER WITH CONVERTER ASSEMBLY CONNECTOR)

    CAUTION:

    Be sure to wear insulated gloves.

    1. Check that the service plug grip is not installed.

      Note:

      After removing the service plug grip, do not turn the power switch on (READY), unless instructed by the repair manual because this may cause a malfunction.

    2. C297298

      Check the connection condition of the low voltage connector of the inverter with converter assembly and the contact pressure of each terminal. Check the terminals for deformation, and check the connector for water ingress and foreign matter.

      Click here

      Note:

      Before disconnecting the connector, confirm that it is properly connected by checking that the locking claws are engaged and that the connector does not pull out.

      OK

      - The connector is connected securely.

      - The terminals are not deformed and are connected securely.

      - No water or foreign matter in the connector.

      Result

      Result

      Proceed to

      OK

      A

      NG (The connector is not connected securely.)

      B

      NG (The terminals are not making secure contact or are deformed, or water or foreign matter exists in the connector.)

      C

      Tip:

      When connecting the connector, insert it with the locking lever in the raised position. Rotate the lever downward and make sure that the connector is pulled into its socket. When the locking lever is in its fully closed position, a click will be heard as its locking claws engage. After the click is heard, pull up on the connector to confirm that it is properly connected.

    B

    CONNECT SECURELY

    C

    REPAIR OR REPLACE HARNESS OR CONNECTOR

    A
  4. CHECK CONNECTOR CONNECTION CONDITION (ECM CONNECTOR)

    1. C297307

      Check the connector connections and contact pressure of the relevant terminals for the ECM connectors.

      Click here

      Note:

      Before disconnecting the connector, confirm that it is properly connected by checking that the locking claws are engaged and that the connector does not pull out.

      OK

      The connectors are connected securely and there are no contact pressure problems.

      Tip:

      When connecting the connector, insert it with the locking lever in the raised position. Rotate the lever downward and make sure that the connector is pulled into its socket. When the locking lever is in its fully closed position, a click will be heard as its locking claws engage. After the click is heard, pull up on the connector to confirm that it is properly connected.

    Result

    Proceed to

    OK

    NG

    NG

    CONNECT SECURELY

    OK
  5. CHECK HARNESS AND CONNECTOR (INVERTER WITH CONVERTER ASSEMBLY - ECM)

    CAUTION:

    Be sure to wear insulated gloves.

    1. Check that the service plug grip is not installed.

      Note:

      After removing the service plug grip, do not turn the power switch on (READY), unless instructed by the repair manual because this may cause a malfunction.

    2. Disconnect the A111 inverter with converter assembly connector.

    3. Disconnect the A62 ECM connector.

    4. Connect the cable to the negative (-) auxiliary battery terminal.

    5. Turn the power switch on (IG).

    6. A284452C12

      *a

      Front view of wire harness connector

      (to Inverter with Converter Assembly)

      *b

      Front view of wire harness connector

      (to ECM)

      Measure the voltage according to the value(s) in the table below.

      Standard Voltage

      Tester Connection

      Condition

      Specified Condition

      A111-1 (GI) - Body ground

      Power switch on (IG)

      Below 1 V

      Note:

      Turning the power switch on (IG) with the inverter with converter assembly connector and ECM connectors disconnected causes other DTCs to be stored. Clear the DTCs after performing this inspection.

    7. Turn the power switch off.

    8. Measure the resistance according to the value(s) in the table below.

      Standard Resistance (Check for Open)

      Tester Connection

      Condition

      Specified Condition

      A111-1 (GI) - A62-60 (G2O)

      Power switch off

      Below 1 Ω

      Standard Resistance (Check for Short)

      Tester Connection

      Condition

      Specified Condition

      A111-1 (GI) or A62-60 (G2O) - Body ground and other terminals

      Power switch off

      10 kΩ or higher

    9. Disconnect the cable from the negative (-) auxiliary battery terminal.

    10. Reconnect the A62 ECM connector.

    11. Reconnect the A111 inverter with converter assembly connector.

    Result

    Proceed to

    OK

    NG

    NG

    REPAIR OR REPLACE HARNESS OR CONNECTOR

    OK
  6. CHECK ECM

    1. Disconnect the B75 and A62 ECM connectors.

    2. Measure the resistance according to the value(s) in the table below.

      C283210C23

      *a

      Component without harness connected

      (ECM)

      -

      -

      Standard Resistance

      Tester Connection

      Condition

      Specified Condition

      A62-60 (G2O) - B75-16 (E1)

      Power switch off

      10 kΩ or higher

    3. Reconnect the B75 and A62 ECM connectors.

    Result

    Proceed to

    OK

    NG

    OK

    REPLACE INVERTER WITH CONVERTER ASSEMBLY

    NG

    REPLACE ECM