POWER WINDOW CONTROL SYSTEM


  1. CONSTRUCTION


    1. The power window regulator motor assembly consists of a power window motor and a power window ECU.

    2. The power window ECU contains a built-in pulse sensor (Hall IC). The power window ECU detects the rotation of the power window motor according to output signals from the pulse sensor (Hall IC).

      A01QFSSC06
      *1 Power Window Motor *2 Power Window ECU
    3. Pulse Sensor (Hall IC)


      1. The pulse sensor (Hall IC) sends pulse signals (2 pulse signals with different phases) in sync with the motor rotation to the power window ECU.

        A01QFEDC10
        *1 Power Window ECU *2 Pulse Sensor (Hall IC)
        *3 Magnet *4 Worm Shaft
      2. The power window ECU detects the amount of door glass movement by counting pulse signal 1 sent from the pulse sensor (Hall IC). The power window ECU also detects the direction of the door glass movement using 2 types of signals: pulse signal 1 and pulse signal 2, which have different phases. The power window ECU controls each function according to the data about the door glass position obtained from the 2 pulse signals.

        A01QFCKE01
      3. The power window ECU detects changes in the motor rotation speed using pulse signal 1. As a result, the power window ECU detects the load applied to the door glass and controls the jam protection and catch protection.

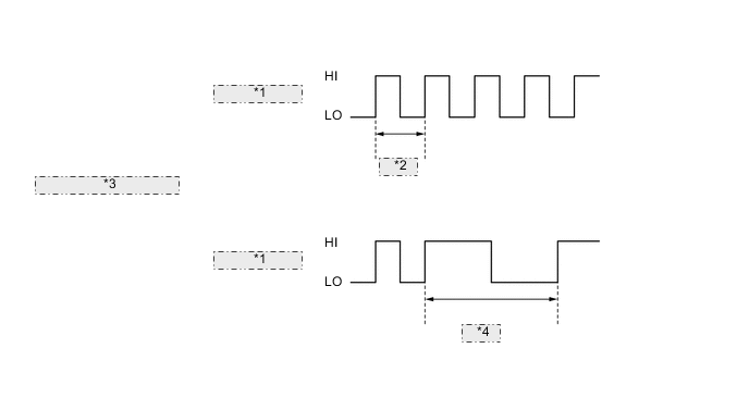
        A01QFELE02
        *1 Pulse Signal 1
        *2 Normal
        *3 Door Glass Movement Speed Detection
        *4 Jammed