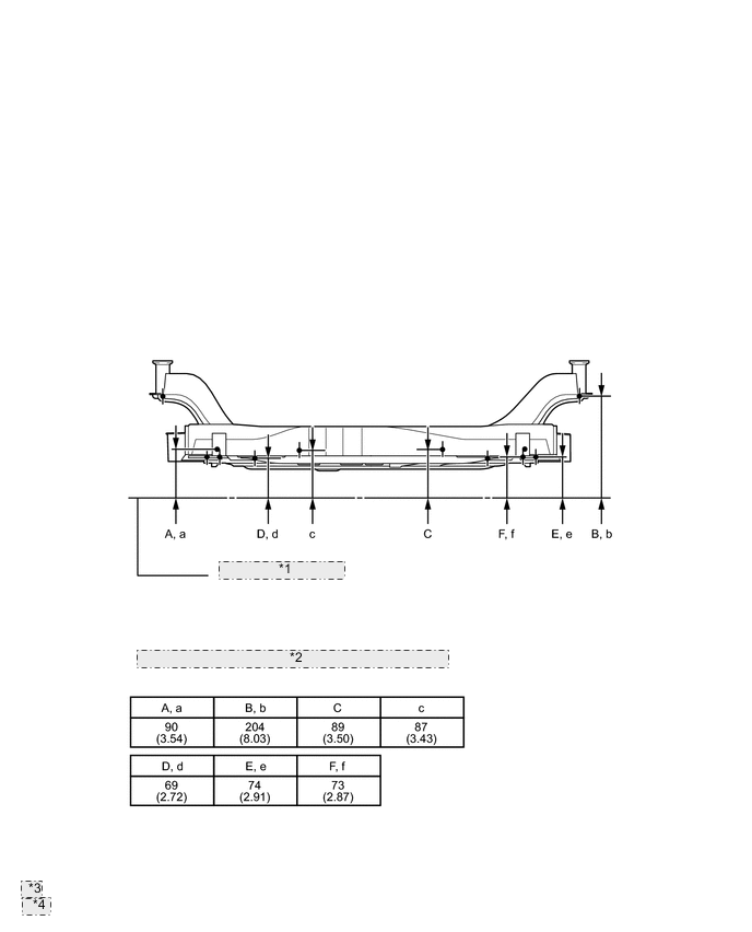
FRONT SUSPENSION CROSSMEMBER TWO-DIMENSIONAL DISTANCE

Tech Tips


  • Length measurements are indicated at the points where the arrows extending from the zero point intersect the lines that extend towards the outside of the illustration from each point.

  • Point C, c on the vehicle are asymmetrical.

  • In cases in which only one dimension is given, left and right are symmetrical.


  • For symbols, capital letters indicate right side of vehicle, small letters indicate left side of vehicle (seen from rear).

Measuring Point Name
Symbol Name

Hole Diameter

mm (in.)

A, a Front Suspension Lower Arm Installation Hole φ17.5 (0.69)
B, b Front Suspension Crossmember Installation Hole (Lower) φ22 (0.87)
C, c Front Suspension Crossmember Standard Hole φ12 (0.47)
D, d Steering Gear Box Installation Hole φ17 (0.67)
E, e Front Suspension Lower Arm Installation Hole 21X18.5 (0.83X0.73)
F, f Front Suspension Crossmember Installation Hole φ22 (0.87)
A0050GCE01
*1 mm
*2 (in.)
A0050EEE01
*1 Imaginary Datum Line
*2 Distance between points other than those above
*3 mm
*4 (in.)